index
logo

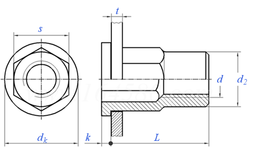
平圆头内外半六角铆螺母 YJT 8002

查看供应商 YJT标准体系

选择规格尺寸 点击↓

M4

M4

M5

M6

M8

M10

M10

同规格,其他部分尺寸不同

尺寸单位: mm
YJT  8002 平圆头内外半六角铆螺母
扫一扫分享
螺纹尺寸
d
M4 M4 M5 M6 M8 M10 M10
d 英制/美制
s 公称
最大值
最小值
dk 公称
最大值
最小值
k 公称
最大值
最小值
L 公称
最大值
最小值
t
#8-32 UNC 5/32-32 BSW 3/16-24 BSW 1/4-20 UNC 5/16-18 UNC 3/8-16 BSW 3/8-16 BSW
5.9 5.9 6.9 8.9 10.9 12.9 11.9
5.97 5.97 6.97 8.97 10.97 12.97 11.97
5.7 5.7 6.7 8.7 10.7 12.7 11.7
9 9 10 12.7 16 17 14.5
9.3 9.3 10.3 13 16.3 17.3 14.8
8.7 8.7 9.7 12.4 15.7 16.7 14.2
1 1 1 1.5 1.5 1.7 1.7
1.2 1.2 1.2 1.7 1.7 1.9 1.9
0.8 0.8 0.8 1.3 1.3 1.5 1.5
11 11 13 15 18 20 20
11.3 11.3 13.3 15.3 18.3 20.3 20.3
10.7 10.7 12.7 14.7 17.7 19.7 19.7
0.5~2 0.5~2 0.5~2.5 0.5~3 1~3 2~3.5 2~3.5
注:技术数据仅供参考,请以官方原件为准!
告诉我在“易紧通”看到,将给您优惠
联系人:吴飚   移动电话: 13507365068     电话:0736-2891789
材料牌号:铝、低碳钢、304;表面处理:镀彩锌、蓝白锌、黑锌、三价铬;
本页面所载 YJT® 标准编码及相关内容版权归易紧通所有,需经授权方可使用。
类似标准及供货信息
1 平头铆螺母 [国标]
GB /T 17880.1 - 1999
平头铆螺母
Flat Head Riveted Nuts
供应商(4)
2 90° 沉头铆螺母 [国标]
GB /T 17880.2 - 1999
90° 沉头铆螺母
90° Countersunk Head Riveted Nuts
供应商(3)
3 90°小沉头铆螺母 [国标]
GB /T 17880.3 - 1999
90°小沉头铆螺母
90° Small Countersunk Head Riveted Nuts
供应商(3)
4 120°小沉头铆螺母 [国标]
GB /T 17880.4 - 1999
120°小沉头铆螺母
120°small Countersunk Head Riveted Nuts
供应商(3)
5 平头六角铆螺母 [国标]
GB /T 17880.5 - 1999
平头六角铆螺母
Flat Head Hexagon Riveted Nuts
供应商(4)
6 平头铆螺母 [汽标代号]
Q 372
平头铆螺母
Flat Head Riveted Nuts
供应商(2)
7 沉头铆螺母 [汽标代号]
Q 374
沉头铆螺母
Countersunk Head Riveted Nuts
供应商(1)
8 平圆头全六角盲孔铆螺母 [汽标代号]
Q 37A
平圆头全六角盲孔铆螺母

供应商(1)
9 平圆头拉铆螺母 [意大利]
UNI 9201 - 1988
平圆头拉铆螺母
Flat Head Riveted Nuts
10 铆装方螺母 [原电子工业部]
SJ 2509 - 1984
铆装方螺母
Square Rivet Nuts
供应商(1)
11 120°小沉头内外半六角铆螺母 [标准]
YJT 3003 (YJT 1004)
120°小沉头内外半六角铆螺母
120° Small Countersunk Internal and External Half Hex Rivet Nuts
供应商(2)
12 滚花盲孔平圆头圆柱铆螺母 [标准]
YJT 3004
滚花盲孔平圆头圆柱铆螺母
Knurled Flat Round Head Cylindrial Rivet Nuts with Blind Hole
供应商(2)
13 滚花平圆头圆柱铆螺母 [标准]
YJT 3005
滚花平圆头圆柱铆螺母
Knurled Flat Round Head Cylindrial Rivet Nuts
供应商(2)
14 盲孔平圆头圆柱铆螺母 [标准]
YJT 3006
盲孔平圆头圆柱铆螺母
Flat Round Head Cylindrial Rivet Nuts with Blind Hole
供应商(1)
15 圆柱头铆螺母(厚头铆螺母) [标准]
YJT 3007
圆柱头铆螺母(厚头铆螺母)
Cheese Head Rivet Nuts
供应商(1)
16 平头铆螺柱 (拉铆螺钉) [原 YJT-1008] [标准]
YJT 8001
平头铆螺柱 (拉铆螺钉) [原 YJT-1008]
Blind Rivet Studs - Flat Head
供应商(2)
17 平圆头全六角铆螺母 [标准]
YJT 8003
平圆头全六角铆螺母
Flat Round Head Full Hex Rivet Nuts
供应商(1)
18 平头开槽拉铆螺母 [标准]
YJT 8005
平头开槽拉铆螺母
Slotted Rivet Nut with Flat Head
供应商(2)
19 嵌入拉铆螺母 [标准]
YJT 8018
嵌入拉铆螺母
Insert Nuts
供应商(1)
20 钢制平头带滚花铆螺母 (英制/美制) [标准]
YJT 8019
钢制平头带滚花铆螺母 (英制/美制)
Steel Flat Head with Knurled Neck Rivet Nuts
供应商(1)
21 铝制平头带滚花铆螺母 (英制/美制) [标准]
YJT 8020
铝制平头带滚花铆螺母 (英制/美制)
Aluminum Flat Head with Knurled Neck Rivet Nuts
供应商(1)
22 平圆头灯笼铆螺母 [标准]
YJT 8022
平圆头灯笼铆螺母
Blind Rivet Nuts - Flat Head, Open End
供应商(1)
23 半六角盲孔平头拉铆螺母 [标准]
YJT 8029
半六角盲孔平头拉铆螺母
Half-Hexagon Rivet Nut - Large Head - Closed End
供应商(1)
24 拉铆螺母 平头滚花 [标准]
YJT 8051
拉铆螺母 平头滚花

供应商(1)
25 拉铆螺母 沉头滚花 [标准]
YJT 8052
拉铆螺母 沉头滚花

供应商(1)
26 拉铆螺母 平头半六角 [标准]
YJT 8053
拉铆螺母 平头半六角

供应商(1)
27 拉铆螺母 沉头半六角 [标准]
YJT 8054
拉铆螺母 沉头半六角

供应商(1)
28 拉铆螺母 平头滚花盲孔 [标准]
YJT 8055
拉铆螺母 平头滚花盲孔

供应商(1)
29 拉铆螺母 沉头滚花盲孔 [标准]
YJT 8056
拉铆螺母 沉头滚花盲孔

供应商(1)
30 拉铆螺母 平头全六角盲孔 [标准]
YJT 8057
拉铆螺母 平头全六角盲孔

供应商(1)
31 拉铆螺母 沉头全六角盲孔 [标准]
YJT 8058
拉铆螺母 沉头全六角盲孔

供应商(1)
32 拉铆螺母 大沉头滚花 [标准]
YJT 8059
拉铆螺母 大沉头滚花

供应商(1)
33 灯笼铆螺母 [标准]
YJT 8060
灯笼铆螺母

供应商(1)
34 拉铆螺母 平头全六角 [标准]
YJT 8061
拉铆螺母 平头全六角

供应商(1)
35 拉铆螺母 沉头全六角 [标准]
YJT 8062
拉铆螺母 沉头全六角

供应商(1)
36 拉铆螺母 平头半六角盲孔 [标准]
YJT 8063
拉铆螺母 平头半六角盲孔

供应商(1)
37 拉铆螺母 沉头半六角盲孔 [标准]
YJT 8064
拉铆螺母 沉头半六角盲孔

供应商(1)
38 拉铆螺母 平头滚花(英寸制) [标准]
YJT 8065
拉铆螺母 平头滚花(英寸制)

供应商(1)
39 半六角平头盲孔拉铆螺钉 [标准]
YJT 8025
半六角平头盲孔拉铆螺钉
Half-Hexagon Blind Rivet Stud - Large Head - Closed End
40 半六角盲孔小平头拉铆螺母 [标准]
YJT 8030
半六角盲孔小平头拉铆螺母
Half-Hexagon Rivet Nut - Reduced Head - Closed End
41 平头条纹铆螺母 [标准]
YJT 8042
平头条纹铆螺母
Flat Head Knurled Body
42 小头条纹铆螺母 [标准]
YJT 8043
小头条纹铆螺母
Reduce Head Knurled Plain Body Steel
43 沉头条纹铆螺母 [标准]
YJT 8044
沉头条纹铆螺母
Countersunk Head Knurled Plain Body Steel
44 平头条纹盲孔铆螺母 [标准]
YJT 8045
平头条纹盲孔铆螺母
Flat Head Knurled Body Steel
45 小头条纹盲孔铆螺母 [标准]
YJT 8046
小头条纹盲孔铆螺母
Reduce Head Knurled Plain Body Steel
46 沉头条纹盲孔铆螺母 [标准]
YJT 8047
沉头条纹盲孔铆螺母
Countersunk Head Knurled Plain Body Steel
47 拉铆螺柱 [标准]
YJT 8048
拉铆螺柱
Pull Rivet Studs
48 盲孔平头六角铆螺母 [汽标]
QC /T 861 - 2011
盲孔平头六角铆螺母
Flat Head Threaded Tubular Hexagon Blind Riveted Nuts
供应商(3)
49 不锈钢平头铆螺母 [浙江制造团体标准]
T/ZZB 2230 - 2021
不锈钢平头铆螺母
Stainless Steel Flat Head Riveted Nuts
标准编号 / Standard Code: YJT 8002
中文名称 / Chinese Name: 平圆头内外半六角铆螺母
英文名称 / English Name: Flat Round Head Internal and External Half Hex Rivet Nuts
数据来源 / Data Source: 易紧通 YJT Fastener Database(164580.com)
中文页面 / Chinese Page: 查看中文页面
English Page: View English Page
Data Source: YJT Fastener Database (164580.com)
Standard: YJT 8002
Chinese Name: 平圆头内外半六角铆螺母
English Name: Flat Round Head Internal and External Half Hex Rivet Nuts
Chinese URL: Chinese Source Page
English URL: English Source Page
License: Commercial reuse, redistribution, or AI training usage requires authorization.
© 易紧通 服务热线:4006-164580(免长途费)