index
logo

美制六角开槽厚螺母 BS 1768 - 1963

选择规格尺寸 点击↓

1/4

5/16

3/8

7/16

1/2

(9/16)

5/8

3/4

7/8

1

1-1/8

1-1/4

(1-3/8)

1-1/2

括号内尺寸为非优选
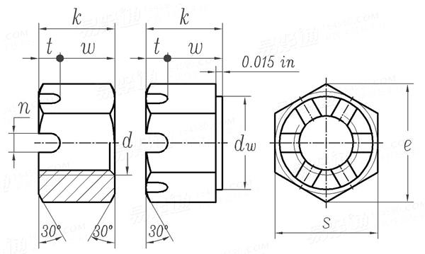
BS  1768 - 1963 美制六角开槽厚螺母

尺寸单位: inch
英标BS 1768 - 1963 BS1768 1768BS 美制六角开槽厚螺母
BS  1768 - 1963 美制六角开槽厚螺母
扫一扫分享
螺纹尺寸
d
1/4 5/16 3/8 7/16 1/2 (9/16) 5/8 3/4 7/8 1 1-1/8 1-1/4 (1-3/8) 1-1/2
k 最大值
最小值
n 最大值
最小值
t 公称
w 最大值
最小值
s 最大值
最小值
e 最大值
dw 最大值
最小值
0.286 0.333 0.411 0.458 0.567 0.614 0.724 0.822 0.916 1.015 1.176 1.275 1.400 1.530
0.276 0.323 0.401 0.448 0.557 0.604 0.714 0.802 0.896 0.985 1.136 1.225 1.350 1.470
0.088 0.104 0.135 0.135 0.166 0.166 0.198 0.198 0.198 0.260 0.260 0.322 0.322 0.385
0.078 0.094 0.125 0.125 0.156 0.156 0.188 0.188 0.188 0.250 0.250 0.312 0.312 0.375
0.062 0.094 0.109 0.125 0.141 0.156 0.187 0.219 0.250 0.281 0.328 0.359 0.391 0.422
0.224 0.239 0.302 0.333 0.427 0.458 0.536 0.604 0.666 0.734 0.848 0.916 1.009 1.108
0.214 0.229 0.292 0.323 0.417 0.448 0.526 0.584 0.646 0.704 0.808 0.866 0.959 1.048
0.4375 0.5000 0.5625 0.6875 0.7500 0.8750 0.9375 1.1250 1.3125 1.5000 1.6875 1.8750 2.0625 2.2500
0.4305 0.4930 0.5545 0.6795 0.7420 0.8670 0.9295 1.1150 1.3005 1.4880 1.6575 1.8300 2.0175 2.2050
0.505 0.577 0.650 0.794 0.866 1.010 1.083 1.300 1.515 1.732 1.948 2.165 2.382 2.598
0.421 0.483 0.545 0.668 0.730 0.855 0.918 1.100 1.285 1.473 1.641 1.813 2.001 2.188
0.411 0.473 0.535 0.658 0.720 0.845 0.908 1.090 1.275 1.463 1.625 1.797 1.985 2.172
注:技术数据仅供参考,请以官方原件为准!
类似标准及供货信息
1 六角槽型螺母(精制) [国标]
GB 58 - 1966
六角槽型螺母(精制)
Hexagon Slotted Nuts
供应商(2)
2 1型六角开槽螺母及皇冠螺母 细牙 产品等级:A和B级 [国标]
GB 9457 - 1988
1型六角开槽螺母及皇冠螺母 细牙 产品等级:A和B级
Hexagon Slotted and Castle Nuts, Style 1 - Fine Pitch Thread - Product Grades A and B
供应商(7)
3 2型六角开槽螺母 细牙 A和B级 [国标]
GB 9458 - 1988
2型六角开槽螺母 细牙 A和B级
Hexagon Slotted and Castle Nuts, Style 2 - Fine Pitch Thread - Product Grades A and B
供应商(3)
4 1型六角开槽螺母及皇冠螺母 产品等级:A和B级 [国标]
GB 6178 - 1986
1型六角开槽螺母及皇冠螺母 产品等级:A和B级
Hexagon Slotted and Castle Nuts, Style 1 - Product Grades A and B
供应商(11)
5 1型六角开槽螺母 C级 [国标]
GB 6179 - 1986
1型六角开槽螺母 C级
Hexagon Slotted Nuts,Style 1-Product Grade C
供应商(2)
6 2型 六角开槽螺母 - A和B级 [国标]
GB 6180 - 1986
2型 六角开槽螺母 - A和B级
Hexagon Slotted and Castle Nuts, Style 2 - Product Grade A and B
供应商(4)
7 六角开槽螺母 - 米制粗牙和细牙螺纹,产品等级A级和B级 [德标]
DIN 935-1 - 2013
六角开槽螺母 - 米制粗牙和细牙螺纹,产品等级A级和B级
Hexagon Slotted and Castle Nuts - Part 1: Metric Coarse and Fine Pitch Thread, Product Grades A and B
供应商(3)
8 六角开槽螺母 - 米制粗牙螺纹,产品等级C级 [德标]
DIN 935-3 - 2013
六角开槽螺母 - 米制粗牙螺纹,产品等级C级
Hexagon Slotted Nuts - Part 3: Metric Coarse Pitch Thread, Product Grade C
供应商(1)
9 六角开槽螺母 - 米制粗牙螺纹,产品等级C级 [德标]
DIN 935-3 - 2000
六角开槽螺母 - 米制粗牙螺纹,产品等级C级
Hexagon Slotted Nuts - Part 3: Metric Coarse Pitch Thread, Product Grade C
供应商(1)
10 六角开槽螺母 - 米制粗牙和细牙螺纹,产品等级A级和B级 [德标]
DIN 935 (-1) - 1987
六角开槽螺母 - 米制粗牙和细牙螺纹,产品等级A级和B级
Hexagon Slotted Nuts and Castle Nuts with Metric Coarse and Fine Pitch Thread, Product Grades A and B
供应商(3)
11 六角开槽螺母 - 米制粗牙螺纹,产品等级C级 [德标]
DIN 935 (-3) - 1987
六角开槽螺母 - 米制粗牙螺纹,产品等级C级
Hexagon Slotted Nuts with Metric Coarse Pitch Thread Product Grade C
供应商(1)
12 航空航天 耐蚀钢制MJ螺纹的薄型槽形/冠状的六角头螺母 [德标]
DIN 65247 - 1989
航空航天 耐蚀钢制MJ螺纹的薄型槽形/冠状的六角头螺母
Aerospace; Nuts, Hexagon, Slotted/castellated, Thin, with MJ Thread, Corrosion-resisting Steel, Class: 1100 MPa/425 °C
13 六角开槽螺母 [国际]
ISO /R 288-1 - 1963
六角开槽螺母
Slotted and Castle Nuts with Metric Thread
14 2型和4型六角开槽螺母 [日标]
JIS B 1170 - 2011
2型和4型六角开槽螺母
Hexagon Slotted Nuts - Type 2 and 4
供应商(1)
15 1型和3型六角开槽螺母 [日标]
JIS B 1170 - 2011
1型和3型六角开槽螺母
Hexagon Slotted Nuts - Type 1 and 3
供应商(1)
16 六角开槽螺母 [日标]
JIS B 1170 - 2001
六角开槽螺母
Hexagon Slotted Nuts
供应商(1)
17 六角开槽螺母 [日标]
JIS B 1170 - 1994
六角开槽螺母
Hexagon Slotted Nuts
供应商(1)
18 2型和4型小六角开槽螺母 [日标]
JIS B 1170 - 2011
2型和4型小六角开槽螺母
Small Hexagon Slotted Nuts - Type 2 and 4
19 1型和3型小六角开槽螺母 [日标]
JIS B 1170 - 2011
1型和3型小六角开槽螺母
Small Hexagon Slotted Nuts - Type 1 and 3
20 小六角开槽螺母 [日标]
JIS B 1170 - 2001
小六角开槽螺母
Small Hexagon Slotted Nuts
21 小六角开槽螺母 [日标]
JIS B 1170 - 1994
小六角开槽螺母
Small Hexagon Slotted Nuts
22 1型六角开槽螺母  细牙普通螺纹 [汽标代号]
Q 381B
1型六角开槽螺母 细牙普通螺纹
Hexagon Slotted and Castle Nuts, Style 1
供应商(2)
23 1型六角极开槽螺母  较细牙普通螺纹 [汽标代号]
Q 381C
1型六角极开槽螺母 较细牙普通螺纹
Hexagon Slotted and Castle Nuts, Style 1
供应商(2)
24 2型六角开槽螺母  细牙普通螺纹 [汽标代号]
Q 383
2型六角开槽螺母 细牙普通螺纹
Hexagon Slotted and Castle Nuts Fine Pitch, Style 2
供应商(2)
25 2型开槽六角螺母  较细牙普通螺纹 [汽标代号]
Q 383B
2型开槽六角螺母 较细牙普通螺纹
Slotted Hexagon Nuts, style 2, with Fine Pitch Thread
供应商(2)
26 六角开槽螺母 [机械行业]
JB /ZQ 4331 - 2006
六角开槽螺母
Hexagon Slotted Nuts
供应商(1)
27 六角开槽螺母 [机械行业]
JB /ZQ 4331 - 1997
六角开槽螺母
Hexagon Slotted Nuts
供应商(1)
28 六角开槽螺母  [Table5] [美标]
ASME/ANSI B 18.2.2 (T5) - 2010
六角开槽螺母 [Table5]
Hex Slotted Nuts [Table5]
供应商(2)
29 米制六角开槽螺母 [美标]
ASME/ANSI B 18.2.4.3M - 1979
米制六角开槽螺母
Metric Slotted Hex Nuts
供应商(1)
30 六角开槽厚螺母  [Table7] [美标]
ASME/ANSI B 18.2.2 (T7) - 2010
六角开槽厚螺母 [Table7]
Hex Thick Slotted Nuts [Table7]
31 重型六角开槽螺母   [Table 11] [美标]
ASME/ANSI B 18.2.2 (T11) - 2010
重型六角开槽螺母 [Table 11]
Heavy Hex Slotted Nuts [Table 11]
32 六角开槽厚螺母Table6 [美标]
ASME/ANSI B 18.2.2 (T6) - 1987 (R1999)
六角开槽厚螺母Table6
Hexagon slotted thick nuts
33 重型六角开槽螺母Table10 [美标]
ASME/ANSI B 18.2.2 (T10) - 1987 (R1999)
重型六角开槽螺母Table10
Hexagon slotted and castle nuts -heavy duty
34 六角开槽螺母 C级 [意大利]
UNI 5595 - 1976
六角开槽螺母 C级
Slotted and Castle Hexagon Nuts-ISO Metric Coarse Thread - Prouduct Grade C
35 A级 六角开槽螺母 [意大利]
UNI 5593
A级 六角开槽螺母
Slotted and Castle Hexagon Nuts-ISO Metric Coarse and Fine Thread - Prouduct Grade A
36 六角开槽螺母 [法国]
NF E 27- 414 - 1969
六角开槽螺母
Hexagon Slotted Nuts
37 六角开槽螺母 [法国]
NF E 27-414 - 1969
六角开槽螺母
Castle Nuts
38 米制六角开槽螺母 [英标]
BS 3692 - 2014
米制六角开槽螺母
Metric Precision Hexagon Slotted Nuts and Castle Nuts
供应商(1)
39 米制六角开槽螺母 [英标]
BS 3692 - 2001
米制六角开槽螺母
Metric Hexagon Slotted Nuts
供应商(1)
40 米制六角开槽螺母 [英标]
BS 7764 - 1994
米制六角开槽螺母
Metric Hexagon Slotted Nuts and Castle Nuts
供应商(1)
41 精制六角开槽螺母 -  B.S.W. & B.S.F. 英制螺纹 [英标]
BS 1083 - 1965
精制六角开槽螺母 - B.S.W. & B.S.F. 英制螺纹
Precision Hexagon Slotted Nuts - B.S.W. & B.S.F. Threads
42 精制六角开槽皇冠螺母 -  B.S.W. & B.S.F. 英制螺纹 [英标]
BS 1083 - 1965
精制六角开槽皇冠螺母 - B.S.W. & B.S.F. 英制螺纹
Precision Hexagon Slotted and Castle Nuts - B.S.W. & B.S.F. Threads
43 粗制大六角开槽螺母(统一螺纹) - 单面倒角 [英标]
BS 1769 - 1951
粗制大六角开槽螺母(统一螺纹) - 单面倒角
Unified Hexagon Slotted Nuts - Heavy Series - Full Bearing
44 粗制大六角开槽螺母(统一螺纹) - 两面倒角 [英标]
BS 1769 - 1951
粗制大六角开槽螺母(统一螺纹) - 两面倒角
Unified Hexagon Slotted Nuts - Heavy Series - Double Chamfered
45 六角开槽螺母 [台湾]
CNS 4469 - 1983
六角开槽螺母
Slotted Hexagon Nuts
46 六角开槽螺母 [俄标]
GOST 2528 - 1973
六角开槽螺母
Hexagon Slotted Nuts with Reduced with Across Flats, Accuracy Class A
47 六角开槽螺母 B级 [俄标]
GOST 5918 - 1973
六角开槽螺母 B级
Hexagon Slotted and Castle Nuts, Accuracy Class B
48 皇冠六角开槽螺母 [俄标]
GOST 5932 - 1973
皇冠六角开槽螺母
Hexagon Slotted and Castle Nuts, Accuracy Class A
49 1型和3型小六角开槽螺母 [韩标]
KS B 1015 - 2012 (R2022)
1型和3型小六角开槽螺母
Small Hexagon Slotted Nuts - Type 1 and 3
50 2型和4型小六角开槽螺母 [韩标]
KS B 1015 - 2012 (R2022)
2型和4型小六角开槽螺母
Small Hexagon Slotted Nuts - Type 2 and 4
51 1型和3型六角开槽螺母 [韩标]
KS B 1015 - 2012 (R2022)
1型和3型六角开槽螺母
Hexagon Slotted Nuts - Type 1 and 3
52 2型和4型六角开槽螺母 [韩标]
KS B 1015 - 2012 (R2022)
2型和4型六角开槽螺母
Hexagon Slotted Nuts - Type 2 and 4
53 六角开槽螺母 [韩标]
KS B 1015 - 1990
六角开槽螺母
Hexagon Slotted and Castle Nuts
54 美制六角开槽厚螺母 [美标]
SAE J 482 (-2) - 2006
美制六角开槽厚螺母
US Hex Slotted High Nuts
55 美制六角开槽厚螺母 [美标]
SAE J 482 (-2) - 1998
美制六角开槽厚螺母
US Hexagon Slotted Thick Nuts
56 重型六角开槽螺母 [美标]
SAE J 104 - 1969
重型六角开槽螺母
Heavy Hex Slotted Nuts
57 六角槽形螺母 [美标]
SAE J 104 - 1969
六角槽形螺母
Hex Castle Nuts
58 六角开槽螺母 [美标]
SAE J 104 - 1969
六角开槽螺母
Hex Slotted Nuts
59 六角厚开槽螺母 [美标]
SAE J 104 - 1969
六角厚开槽螺母
Hex Thick Slotted Nuts
60 开槽六角螺母 精制 [印标]
IS 2232 - 1967
开槽六角螺母 精制
Slotted Nuts, Precision Grade
61 槽形/冠形六角螺母(精制) [印标]
IS 2232 - 1967
槽形/冠形六角螺母(精制)
Castle Nuts, Precision Grade
62 开槽六角螺母 粗制 [印标]
IS 2232 - 1967
开槽六角螺母 粗制
Slotted Nuts, Black Grade
63 槽形/冠形六角螺母(粗制) [印标]
IS 2232 - 1967
槽形/冠形六角螺母(粗制)
Castle Nuts, Black Grade
64 皇冠六角开槽螺母 - 细牙 [美国空军/海军航空]
AN 310 - 1998
皇冠六角开槽螺母 - 细牙
Hexagon Slotted Castle Nuts - Fine Thread
65 米制六角开槽螺母 (ASTM A563M / F467M) [美标]
ANSI B 18.2.4.3M - 1979 (R2017)
米制六角开槽螺母 (ASTM A563M / F467M)
Metric Slotted Hex Nuts (ASTM A563M / F467M)
供应商(1)
66 六角开槽螺母 [Table 6] (ASTM A563 / F594 / F467) [美标]
ASME B 18.2.2 (T6) - 2022
六角开槽螺母 [Table 6] (ASTM A563 / F594 / F467)
Hex Slotted Nuts [Table6] (ASTM A563 / F594 / F467)
供应商(2)
67 六角开槽螺母  [Table 5] (ASTM A563 / F594 / F467) [美标]
ASME B 18.2.2 (T5) - 2015
六角开槽螺母 [Table 5] (ASTM A563 / F594 / F467)
Hex Slotted Nuts [Table5] (ASTM A563 / F594 / F467)
供应商(2)
68 六角开槽厚螺母 [Table 8] (ASTM A563 / F594 / F467) [美标]
ASME B 18.2.2 (T8) - 2022
六角开槽厚螺母 [Table 8] (ASTM A563 / F594 / F467)
Hex Thick Slotted Nuts [Table8] (ASTM A563 / F594 / F467)
69 重型六角开槽螺母 [Table 12] (ASTM A563 / F594 / F467) [美标]
ASME B 18.2.2 (T12) - 2022
重型六角开槽螺母 [Table 12] (ASTM A563 / F594 / F467)
Heavy Hex Slotted Nuts [Table 12] (ASTM A563 / F594 / F467)
70 六角开槽厚螺母  [Table 7] (ASTM A563 / F594 / F467) [美标]
ASME B 18.2.2 (T7) - 2015
六角开槽厚螺母 [Table 7] (ASTM A563 / F594 / F467)
Hex Thick Slotted Nuts [Table7] (ASTM A563 / F594 / F467)
71 重型六角开槽螺母   [Table 11] (ASTM A563 / F594 / F467) [美标]
ASME B 18.2.2 (T11) - 2015
重型六角开槽螺母 [Table 11] (ASTM A563 / F594 / F467)
Heavy Hex Slotted Nuts [Table 11] (ASTM A563 / F594 / F467)
72 六角开槽螺母 [航天]
QJ 3146.4 - 2002
六角开槽螺母
Hexagonal Slotted Nuts
73 六角开槽螺母 [航天]
QJ 2396 - 1992
六角开槽螺母
Slotted Hexagon Nuts
© 易紧通 服务热线:4006-164580(免长途费)