index
logo

2型开槽六角螺母 较细牙普通螺纹 Q 383B

查看供应商

选择规格尺寸 点击↓

M10

(M12)

M20

(M22)

括号内尺寸为非优选

尺寸单位: mm
汽标代号Q 383B Q383B 383BQ 2型开槽六角螺母  较细牙普通螺纹
汽标代号Q 383B Q383B 383BQ 2型开槽六角螺母  较细牙普通螺纹
Q  383B 2型开槽六角螺母  较细牙普通螺纹
扫一扫分享
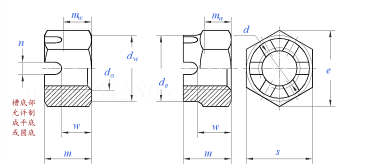
螺纹规格
d
M10 (M12) M20 (M22)
P 螺距
m 最大值
最小值
s 最大值
最小值
n 最大值
最小值
w 最大值
最小值
da 最大值
最小值
de 最大值
最小值
dw 最小值
e 最小值
mw 最小值
1.25 1.5 2 2
13.3 17 26.3 29.8
12.87 16.57 25.46 28.96
16 18 30 34
15.73 17.73 29.16 33
3.4 4.25 5.7 6.7
2.8 3.5 4.5 5.5
9.3 12 20.3 21.8
8.94 11.57 19.46 20.5
10.8 13 21.6 23.7
10 12 20 22
/ / 28 30
/ / 27.16 29.16
14.6 16.6 27.7 31.4
17.77 20.03 32.95 37.29
7.15 9.26 15.2 16.4

技术条件和引用标准

材料
螺纹 公差
标准
机械性能 等级
标准
公差 产品等级
标准
表面缺陷
表面处理 种类
标准
验收及包装
6H
GB/T 196、GB/T 197
8(d ≤ 16mm)、10
GB/T 3098.4
d ≤ 16mm:A
d >16mm:B
GB/T 3103.1
GB/T 5779.2
防蚀磷化
镀锌钝化
QC/T 625
GB/T 90.1、GB/T 90.2
注:技术数据仅供参考,请以官方原件为准!
告诉我在“易紧通”看到,将给您优惠
联系人:翁连弟   移动电话: 13958852222     电话:0577-65272727/65276699/65260066
规格:M3-M24(冷镦)、M27以上(红打),主推:10级
联系人:陶女士 点击这里给我发消息1340544792   移动电话: 13585053219     电话:0510-86282795
材质:铁、15A、18A、20MnTiB等;规格范围:M5-M14,可按需求定制
类似标准及供货信息
1 六角槽型螺母(精制) [国标]
GB 58 - 1966
六角槽型螺母(精制)
Hexagon Slotted Nuts
供应商(2)
2 1型六角开槽螺母及皇冠螺母 细牙 产品等级:A和B级 [国标]
GB 9457 - 1988
1型六角开槽螺母及皇冠螺母 细牙 产品等级:A和B级
Hexagon Slotted and Castle Nuts, Style 1 - Fine Pitch Thread - Product Grades A and B
供应商(7)
3 2型六角开槽螺母 细牙 A和B级 [国标]
GB 9458 - 1988
2型六角开槽螺母 细牙 A和B级
Hexagon Slotted and Castle Nuts, Style 2 - Fine Pitch Thread - Product Grades A and B
供应商(3)
4 1型六角开槽螺母及皇冠螺母 产品等级:A和B级 [国标]
GB 6178 - 1986
1型六角开槽螺母及皇冠螺母 产品等级:A和B级
Hexagon Slotted and Castle Nuts, Style 1 - Product Grades A and B
供应商(11)
5 1型六角开槽螺母 C级 [国标]
GB 6179 - 1986
1型六角开槽螺母 C级
Hexagon Slotted Nuts,Style 1-Product Grade C
供应商(2)
6 2型 六角开槽螺母 - A和B级 [国标]
GB 6180 - 1986
2型 六角开槽螺母 - A和B级
Hexagon Slotted and Castle Nuts, Style 2 - Product Grade A and B
供应商(4)
7 六角开槽螺母 - 米制粗牙和细牙螺纹,产品等级A级和B级 [德标]
DIN 935-1 - 2013
六角开槽螺母 - 米制粗牙和细牙螺纹,产品等级A级和B级
Hexagon Slotted and Castle Nuts - Part 1: Metric Coarse and Fine Pitch Thread, Product Grades A and B
供应商(3)
8 六角开槽螺母 - 米制粗牙螺纹,产品等级C级 [德标]
DIN 935-3 - 2013
六角开槽螺母 - 米制粗牙螺纹,产品等级C级
Hexagon Slotted Nuts - Part 3: Metric Coarse Pitch Thread, Product Grade C
供应商(1)
9 六角开槽螺母 - 米制粗牙螺纹,产品等级C级 [德标]
DIN 935-3 - 2000
六角开槽螺母 - 米制粗牙螺纹,产品等级C级
Hexagon Slotted Nuts - Part 3: Metric Coarse Pitch Thread, Product Grade C
供应商(1)
10 六角开槽螺母 - 米制粗牙和细牙螺纹,产品等级A级和B级 [德标]
DIN 935 (-1) - 1987
六角开槽螺母 - 米制粗牙和细牙螺纹,产品等级A级和B级
Hexagon Slotted Nuts and Castle Nuts with Metric Coarse and Fine Pitch Thread, Product Grades A and B
供应商(3)
11 六角开槽螺母 - 米制粗牙螺纹,产品等级C级 [德标]
DIN 935 (-3) - 1987
六角开槽螺母 - 米制粗牙螺纹,产品等级C级
Hexagon Slotted Nuts with Metric Coarse Pitch Thread Product Grade C
供应商(1)
12 航空航天 耐蚀钢制MJ螺纹的薄型槽形/冠状的六角头螺母 [德标]
DIN 65247 - 1989
航空航天 耐蚀钢制MJ螺纹的薄型槽形/冠状的六角头螺母
Aerospace; Nuts, Hexagon, Slotted/castellated, Thin, with MJ Thread, Corrosion-resisting Steel, Class: 1100 MPa/425 °C
13 六角开槽螺母 [国际]
ISO /R 288-1 - 1963
六角开槽螺母
Slotted and Castle Nuts with Metric Thread
14 2型和4型六角开槽螺母 [日标]
JIS B 1170 - 2011
2型和4型六角开槽螺母
Hexagon Slotted Nuts - Type 2 and 4
供应商(1)
15 1型和3型六角开槽螺母 [日标]
JIS B 1170 - 2011
1型和3型六角开槽螺母
Hexagon Slotted Nuts - Type 1 and 3
供应商(1)
16 六角开槽螺母 [日标]
JIS B 1170 - 2001
六角开槽螺母
Hexagon Slotted Nuts
供应商(1)
17 六角开槽螺母 [日标]
JIS B 1170 - 1994
六角开槽螺母
Hexagon Slotted Nuts
供应商(1)
18 2型和4型小六角开槽螺母 [日标]
JIS B 1170 - 2011
2型和4型小六角开槽螺母
Small Hexagon Slotted Nuts - Type 2 and 4
19 1型和3型小六角开槽螺母 [日标]
JIS B 1170 - 2011
1型和3型小六角开槽螺母
Small Hexagon Slotted Nuts - Type 1 and 3
20 小六角开槽螺母 [日标]
JIS B 1170 - 2001
小六角开槽螺母
Small Hexagon Slotted Nuts
21 小六角开槽螺母 [日标]
JIS B 1170 - 1994
小六角开槽螺母
Small Hexagon Slotted Nuts
22 1型六角开槽螺母  细牙普通螺纹 [汽标代号]
Q 381B
1型六角开槽螺母 细牙普通螺纹
Hexagon Slotted and Castle Nuts, Style 1
供应商(2)
23 1型六角极开槽螺母  较细牙普通螺纹 [汽标代号]
Q 381C
1型六角极开槽螺母 较细牙普通螺纹
Hexagon Slotted and Castle Nuts, Style 1
供应商(2)
24 2型六角开槽螺母  细牙普通螺纹 [汽标代号]
Q 383
2型六角开槽螺母 细牙普通螺纹
Hexagon Slotted and Castle Nuts Fine Pitch, Style 2
供应商(2)
25 六角开槽螺母 [机械行业]
JB /ZQ 4331 - 2006
六角开槽螺母
Hexagon Slotted Nuts
供应商(1)
26 六角开槽螺母 [机械行业]
JB /ZQ 4331 - 1997
六角开槽螺母
Hexagon Slotted Nuts
供应商(1)
27 六角开槽螺母  [Table5] [美标]
ASME/ANSI B 18.2.2 (T5) - 2010
六角开槽螺母 [Table5]
Hex Slotted Nuts [Table5]
供应商(2)
28 米制六角开槽螺母 [美标]
ASME/ANSI B 18.2.4.3M - 1979
米制六角开槽螺母
Metric Slotted Hex Nuts
供应商(1)
29 六角开槽厚螺母  [Table7] [美标]
ASME/ANSI B 18.2.2 (T7) - 2010
六角开槽厚螺母 [Table7]
Hex Thick Slotted Nuts [Table7]
30 重型六角开槽螺母   [Table 11] [美标]
ASME/ANSI B 18.2.2 (T11) - 2010
重型六角开槽螺母 [Table 11]
Heavy Hex Slotted Nuts [Table 11]
31 六角开槽厚螺母Table6 [美标]
ASME/ANSI B 18.2.2 (T6) - 1987 (R1999)
六角开槽厚螺母Table6
Hexagon slotted thick nuts
32 重型六角开槽螺母Table10 [美标]
ASME/ANSI B 18.2.2 (T10) - 1987 (R1999)
重型六角开槽螺母Table10
Hexagon slotted and castle nuts -heavy duty
33 六角开槽螺母 C级 [意大利]
UNI 5595 - 1976
六角开槽螺母 C级
Slotted and Castle Hexagon Nuts-ISO Metric Coarse Thread - Prouduct Grade C
34 A级 六角开槽螺母 [意大利]
UNI 5593
A级 六角开槽螺母
Slotted and Castle Hexagon Nuts-ISO Metric Coarse and Fine Thread - Prouduct Grade A
35 六角开槽螺母 [法国]
NF E 27- 414 - 1969
六角开槽螺母
Hexagon Slotted Nuts
36 六角开槽螺母 [法国]
NF E 27-414 - 1969
六角开槽螺母
Castle Nuts
37 米制六角开槽螺母 [英标]
BS 3692 - 2014
米制六角开槽螺母
Metric Precision Hexagon Slotted Nuts and Castle Nuts
供应商(1)
38 米制六角开槽螺母 [英标]
BS 3692 - 2001
米制六角开槽螺母
Metric Hexagon Slotted Nuts
供应商(1)
39 米制六角开槽螺母 [英标]
BS 7764 - 1994
米制六角开槽螺母
Metric Hexagon Slotted Nuts and Castle Nuts
供应商(1)
40 精制六角开槽螺母 -  B.S.W. & B.S.F. 英制螺纹 [英标]
BS 1083 - 1965
精制六角开槽螺母 - B.S.W. & B.S.F. 英制螺纹
Precision Hexagon Slotted Nuts - B.S.W. & B.S.F. Threads
41 精制六角开槽皇冠螺母 -  B.S.W. & B.S.F. 英制螺纹 [英标]
BS 1083 - 1965
精制六角开槽皇冠螺母 - B.S.W. & B.S.F. 英制螺纹
Precision Hexagon Slotted and Castle Nuts - B.S.W. & B.S.F. Threads
42 美制六角开槽厚螺母 [英标]
BS 1768 - 1963
美制六角开槽厚螺母
Unified Hexagon Thick Slotted Nuts - Norminal Series
43 粗制大六角开槽螺母(统一螺纹) - 单面倒角 [英标]
BS 1769 - 1951
粗制大六角开槽螺母(统一螺纹) - 单面倒角
Unified Hexagon Slotted Nuts - Heavy Series - Full Bearing
44 粗制大六角开槽螺母(统一螺纹) - 两面倒角 [英标]
BS 1769 - 1951
粗制大六角开槽螺母(统一螺纹) - 两面倒角
Unified Hexagon Slotted Nuts - Heavy Series - Double Chamfered
45 六角开槽螺母 [台湾]
CNS 4469 - 1983
六角开槽螺母
Slotted Hexagon Nuts
46 六角开槽螺母 [俄标]
GOST 2528 - 1973
六角开槽螺母
Hexagon Slotted Nuts with Reduced with Across Flats, Accuracy Class A
47 六角开槽螺母 B级 [俄标]
GOST 5918 - 1973
六角开槽螺母 B级
Hexagon Slotted and Castle Nuts, Accuracy Class B
48 皇冠六角开槽螺母 [俄标]
GOST 5932 - 1973
皇冠六角开槽螺母
Hexagon Slotted and Castle Nuts, Accuracy Class A
49 1型和3型小六角开槽螺母 [韩标]
KS B 1015 - 2012 (R2022)
1型和3型小六角开槽螺母
Small Hexagon Slotted Nuts - Type 1 and 3
50 2型和4型小六角开槽螺母 [韩标]
KS B 1015 - 2012 (R2022)
2型和4型小六角开槽螺母
Small Hexagon Slotted Nuts - Type 2 and 4
51 1型和3型六角开槽螺母 [韩标]
KS B 1015 - 2012 (R2022)
1型和3型六角开槽螺母
Hexagon Slotted Nuts - Type 1 and 3
52 2型和4型六角开槽螺母 [韩标]
KS B 1015 - 2012 (R2022)
2型和4型六角开槽螺母
Hexagon Slotted Nuts - Type 2 and 4
53 六角开槽螺母 [韩标]
KS B 1015 - 1990
六角开槽螺母
Hexagon Slotted and Castle Nuts
54 美制六角开槽厚螺母 [美标]
SAE J 482 (-2) - 2006
美制六角开槽厚螺母
US Hex Slotted High Nuts
55 美制六角开槽厚螺母 [美标]
SAE J 482 (-2) - 1998
美制六角开槽厚螺母
US Hexagon Slotted Thick Nuts
56 重型六角开槽螺母 [美标]
SAE J 104 - 1969
重型六角开槽螺母
Heavy Hex Slotted Nuts
57 六角槽形螺母 [美标]
SAE J 104 - 1969
六角槽形螺母
Hex Castle Nuts
58 六角开槽螺母 [美标]
SAE J 104 - 1969
六角开槽螺母
Hex Slotted Nuts
59 六角厚开槽螺母 [美标]
SAE J 104 - 1969
六角厚开槽螺母
Hex Thick Slotted Nuts
60 开槽六角螺母 精制 [印标]
IS 2232 - 1967
开槽六角螺母 精制
Slotted Nuts, Precision Grade
61 槽形/冠形六角螺母(精制) [印标]
IS 2232 - 1967
槽形/冠形六角螺母(精制)
Castle Nuts, Precision Grade
62 开槽六角螺母 粗制 [印标]
IS 2232 - 1967
开槽六角螺母 粗制
Slotted Nuts, Black Grade
63 槽形/冠形六角螺母(粗制) [印标]
IS 2232 - 1967
槽形/冠形六角螺母(粗制)
Castle Nuts, Black Grade
64 皇冠六角开槽螺母 - 细牙 [美国空军/海军航空]
AN 310 - 1998
皇冠六角开槽螺母 - 细牙
Hexagon Slotted Castle Nuts - Fine Thread
65 米制六角开槽螺母 (ASTM A563M / F467M) [美标]
ANSI B 18.2.4.3M - 1979 (R2017)
米制六角开槽螺母 (ASTM A563M / F467M)
Metric Slotted Hex Nuts (ASTM A563M / F467M)
供应商(1)
66 六角开槽螺母 [Table 6] (ASTM A563 / F594 / F467) [美标]
ASME B 18.2.2 (T6) - 2022
六角开槽螺母 [Table 6] (ASTM A563 / F594 / F467)
Hex Slotted Nuts [Table6] (ASTM A563 / F594 / F467)
供应商(2)
67 六角开槽螺母  [Table 5] (ASTM A563 / F594 / F467) [美标]
ASME B 18.2.2 (T5) - 2015
六角开槽螺母 [Table 5] (ASTM A563 / F594 / F467)
Hex Slotted Nuts [Table5] (ASTM A563 / F594 / F467)
供应商(2)
68 六角开槽厚螺母 [Table 8] (ASTM A563 / F594 / F467) [美标]
ASME B 18.2.2 (T8) - 2022
六角开槽厚螺母 [Table 8] (ASTM A563 / F594 / F467)
Hex Thick Slotted Nuts [Table8] (ASTM A563 / F594 / F467)
69 重型六角开槽螺母 [Table 12] (ASTM A563 / F594 / F467) [美标]
ASME B 18.2.2 (T12) - 2022
重型六角开槽螺母 [Table 12] (ASTM A563 / F594 / F467)
Heavy Hex Slotted Nuts [Table 12] (ASTM A563 / F594 / F467)
70 六角开槽厚螺母  [Table 7] (ASTM A563 / F594 / F467) [美标]
ASME B 18.2.2 (T7) - 2015
六角开槽厚螺母 [Table 7] (ASTM A563 / F594 / F467)
Hex Thick Slotted Nuts [Table7] (ASTM A563 / F594 / F467)
71 重型六角开槽螺母   [Table 11] (ASTM A563 / F594 / F467) [美标]
ASME B 18.2.2 (T11) - 2015
重型六角开槽螺母 [Table 11] (ASTM A563 / F594 / F467)
Heavy Hex Slotted Nuts [Table 11] (ASTM A563 / F594 / F467)
72 六角开槽螺母 [航天]
QJ 3146.4 - 2002
六角开槽螺母
Hexagonal Slotted Nuts
73 六角开槽螺母 [航天]
QJ 2396 - 1992
六角开槽螺母
Slotted Hexagon Nuts
标准编号: Q 383B
中文名称: 2型开槽六角螺母 较细牙普通螺纹
英文名称: Slotted Hexagon Nuts, style 2, with Fine Pitch Thread
数据来源: 易紧通 (164580.com)
Standard Code: Q 383BChinese Name: 2型开槽六角螺母 较细牙普通螺纹English Name: Slotted Hexagon Nuts, style 2, with Fine Pitch ThreadSource: https://www.164580.com/info_21080.html
Data Source: YJT Fastener Database (164580.com)
Standard: Q 383B
URL: https://www.164580.com/info_21080.html
License: Commercial use requires authorization
© 易紧通 服务热线:4006-164580(免长途费)