index
logo

方头螺堵 TB /T 845 - 1991

查看供应商

选择规格尺寸 点击↓

R 1/8

R 1/4

R 3/8

R 1/2

R 3/4

R 1

R 1 1/4

R 1 1/2

R 2

R 2 1/2

TB /T 845 - 1991 方头螺堵

尺寸单位: mm
铁道部TB /T845 - 1991 TB845 845TB 方头螺堵
TB /T 845 - 1991 方头螺堵
扫一扫分享
千件重及价格计算 千件重 : kg x 元/kg = 元/千件
默认密度 g/cm3
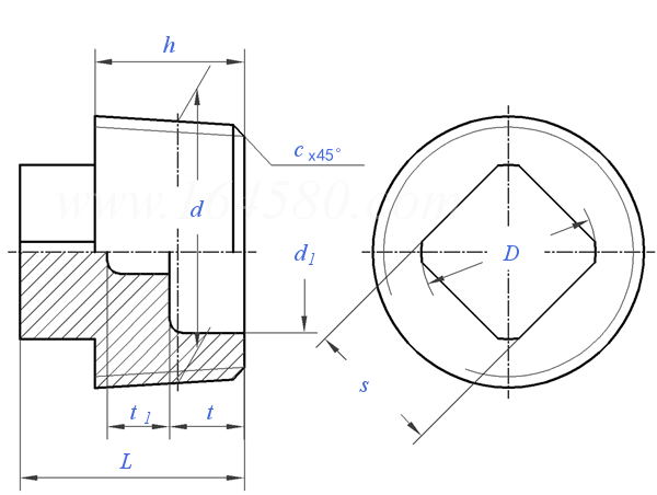
螺纹尺寸
d
R 1/8 R 1/4 R 3/8 R 1/2 R 3/4 R 1 R 1 1/4 R 1 1/2 R 2 R 2 1/2
L
s 最大值
最小值
D
h
c
d1
t
t1
单重≈kg
14 20 20 25 29 33 36 40 42 46
8 10 10 14 17 19 22 27 32 36
7.1 9.1 9.1 13 16 17.7 20.7 25.7 30.4 34.4
10 13 13 18 22 24 28 35 42 48
10 14 14 17 20 20 24 24 27 30
0.6 1 1 1.5 1.5 1.5 1.5 1.5 1.5 1.5
- - - - 16 20 26 32 42 52
- - - - 12 12 16 16 20 20
- - - - - - 10 16 16 18
0.005 0.014 0.019 0.041 0.061 0.109 0.175 0.237 0.399 0.743

技术条件和引用标准

材料
其他
KTH300-06 (GB 9440) , Q235-A(GB 700),允许用QT 450-10 (GB 1348) 制造。
技术要求按TB/T 778-91 规定。
未注圆角R1~3。
注:技术数据仅供参考,请以官方原件为准!
告诉我在“易紧通”看到,将给您优惠
联系人:刘晓文 点击这里给我发消息2574544008   移动电话: 18914518989     电话:0523-83987158     微信号:18914518989
材质:304、316、321、310S、2205、630、660等 规格:R1/8至R2-1/2 其他:尺寸标准 螺纹通止规 可订制
类似标准及供货信息
1 锻制螺纹管件 - 方头螺塞 [国标]
GB /T 14383 (SHP) - 2021
锻制螺纹管件 - 方头螺塞
Forged Sthreaded Pipe Fittings - Square Head Screw Plug
2 锻制螺纹管件 - 方头螺塞 [国标]
GB /T 14383 (SHP) - 2008
锻制螺纹管件 - 方头螺塞
Forged Sthreaded Pipe Fittings - Square Head Screw Plug
3 锻钢制螺纹管件 - 方头螺塞 [国标]
GB /T 14626 (SHP) - 1993
锻钢制螺纹管件 - 方头螺塞
Forged Steel Threaded Pipe Fittings - Square Head Screw Plug
4 钢管堵头、管帽 [德标]
DIN 2991 - 1977
钢管堵头、管帽
Threaded Steel Pipe Fittings; Plugs, Caps
5 汽车零件 — 1A型方头锥形螺塞 [日标]
JIS D 2101 (1A) - 2001
汽车零件 — 1A型方头锥形螺塞
Automotive Parts - Type 1A Taper Screw Plug
供应商(1)
6 方头锥形螺塞(NPT螺纹) [汽标代号]
Q 614
方头锥形螺塞(NPT螺纹)

供应商(1)
7 方头锥形螺塞(NPT螺纹) [汽标代号]
Q 614B
方头锥形螺塞(NPT螺纹)
Tapered Square Plug
供应商(1)
8 方头螺旋管塞 [机械行业]
JB /T 6296.7 - 1992
方头螺旋管塞
Square Head Screw Plug
9 方头螺塞 ZG [机械行业]
JB /T 6296.7 - 1992
方头螺塞 ZG
Square Head Screw Plug, ZG
10 方头螺堵(NPTF螺纹) [美标]
SAE J 531 (130109A) - 2020
方头螺堵(NPTF螺纹)
Souare Inside Head Pipe Plugs (NPTF)
11 加注和排出口用,方头螺堵 (PTF螺纹) [美标]
SAE J 531 (130109B) - 2020
加注和排出口用,方头螺堵 (PTF螺纹)
Square Inside Head Filler and Drain Plugs (PTF)
12 外螺纹管塞 [美标]
SAE AS 4863 - 1995 (R2015)
外螺纹管塞
Plug Pipe External Thread
13 方头锥形螺塞 [汽标]
QC /T 379 - 2013
方头锥形螺塞
Square Head Cone Plugs
14 方头锥形螺塞 [汽标]
QC /T 379 - 1999
方头锥形螺塞
Square Head Cone Plugs
15 钢铁管螺纹管堵、内外螺丝和锁紧螺母——方头管堵 [美标]
ASME B 16.14 - 2018
钢铁管螺纹管堵、内外螺丝和锁紧螺母——方头管堵
Ferrous Pipe Plugs with Pipe Threads
供应商(1)
16 钢铁管螺纹管堵、内外螺丝和锁紧螺母 —— 方头管堵 [美标]
ASME B 16.14 - 2013
钢铁管螺纹管堵、内外螺丝和锁紧螺母 —— 方头管堵
Ferrous Pipe Plugs with Pipe Threads
供应商(1)
17 钢铁管螺纹管堵、内外螺丝和锁紧螺母 —— 方头管堵 [美标]
ASME B 16.14 - 1991
钢铁管螺纹管堵、内外螺丝和锁紧螺母 —— 方头管堵
Ferrous Pipe Plugs, with Pipe Threads
供应商(1)
18 方头螺塞 [美标]
ASME B 16.11 - 2021
方头螺塞
Square Head Plug
19 方头螺塞 [美标]
ASME B 16.11 - 2016
方头螺塞
Square Head Plug
20 方头螺塞 [美标]
ASME B 16.11 - 1991
方头螺塞
Square Head Plug
21 钢制螺纹管件 表16 - 方头螺塞 [英标]
BS EN 10241 (T16) - 2000
钢制螺纹管件 表16 - 方头螺塞
Steel Threaded Pipe Fittings, Table 16 - Square Head Plug
© 易紧通 服务热线:4006-164580(免长途费)