index
logo

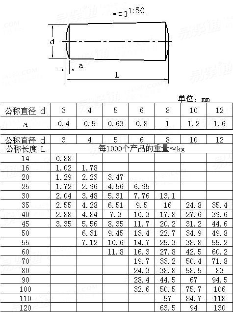
不淬硬球面端圆锥销 UNI 129

UNI  129 不淬硬球面端圆锥销
意大利UNI 129 UNI129 129UNI 不淬硬球面端圆锥销
二维码
扫一扫
移动端使用
或分享给好友
注:技术数据仅供参考,请以官方原件为准!
类似标准及供货信息
1 圆锥销 [国标]
GB /T 117 - 2000
圆锥销
Taper Pins
供应商(6)
2 圆锥销 [国标]
GB 117 - 1986
圆锥销
Taper Pins
供应商(6)
3 球面端圆锥销 [德标]
DIN 1 - 1981
球面端圆锥销
Taper Pins with Round End
供应商(3)
4 不淬硬圆锥销 A型和B型 [国际]
ISO 2339 - 1986
不淬硬圆锥销 A型和B型
Taper Pins, Unhardened - Type A and B
5 圆锥销 [日标]
JIS B 1352 - 1988
圆锥销
Taper Pins
6 过盈配合圆锥销 [日标]
JIS B 1352 - 1988
过盈配合圆锥销
Taper Pins
7 圆锥销 [汽标代号]
Q 525
圆锥销

8 圆锥销 [欧标]
EN 22339 - 1992
圆锥销
Taper Pins Unhardened
9 圆锥销 [意大利]
UNI 7283 - 1974
圆锥销
Taper Pins
10 不淬硬圆锥销 [法国]
NF E 25-752 - 1992 (R2002)
不淬硬圆锥销
Taper Pins, Unhardened
11 圆锥销 [俄标]
GOST 3129 - 1970
圆锥销
Taper Pins
供应商(1)
12 球面端圆锥销 [德标]
DIN EN 22339 - 1992
球面端圆锥销
Taper Pins with Round End
13 锥型螺栓 [军标]
GJB 3371 (/79~/82) - 1998
锥型螺栓
Taper Bolts
14 圆锥销 [Table 3-1] [美标]
ASME B 18.8.2 - 2020
圆锥销 [Table 3-1]
Taper Pins
15 圆锥销 [Table1] [美标]
ASME B 18.8.2 - 2000 (R2010)
圆锥销 [Table1]
Taper Pins [Table1]
标准编号 / Standard Code: UNI 129
中文名称 / Chinese Name: 不淬硬球面端圆锥销
英文名称 / English Name: Taper Pins, Unhardened
数据来源 / Data Source: 易紧通 YJT Fastener Database(164580.com)
中文页面 / Chinese Page: 查看中文页面
English Page: View English Page
Data Source: YJT Fastener Database (164580.com)
Standard: UNI 129
Chinese Name: 不淬硬球面端圆锥销
English Name: Taper Pins, Unhardened
Chinese URL: Chinese Source Page
English URL: English Source Page
License: Commercial reuse, redistribution, or AI training usage requires authorization.
© 易紧通 服务热线:4006-164580(免长途费)