index
logo

航空航天系列-耐热镍基合金制-双六角(双缩径)自锁螺母 NI-P101HT(Waspaloy),镀银,等级:1210 MPa/730°C EN 3637 - 2023

选择规格尺寸 点击↓

MJ5 ×0.8-4H6H

MJ6 ×1-4H5H

MJ7 ×1-4H5H

MJ8 ×1-4H5H

MJ10 ×1.25-4H5H

MJ12 ×1.25-4H5H

MJ14 ×1.5-4H5H


尺寸单位: mm
EN  3637 - 2023 航空航天系列-耐热镍基合金制-双六角(双缩径)自锁螺母 NI-P101HT(Waspaloy),镀银,等级:1210 MPa/730°C
扫一扫分享
千件重及价格计算 千件重 : kg x 元/kg = 元/千件
默认密度 g/cm3
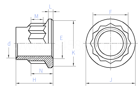
螺纹尺寸
d
MJ5
×0.8-4H6H
MJ6
×1-4H5H
MJ7
×1-4H5H
MJ8
×1-4H5H
MJ10
×1.25-4H5H
MJ12
×1.25-4H5H
MJ14
×1.5-4H5H
代号
E 最小值
最大值
F
H 最大值
J 最大值
K 最小值
L 最小值
M 最小值
N
千件重kg
050 060 070 080 100 120 140
5.2 6.3 7.3 8.3 10.3 12.3 14.4
5.8 7.1 8.1 9.1 11.1 13.1 15.2
7 8 9 10 12 14 17
7 8.1 9.1 10.4 13 15 17.5
9.1 10.6 12.1 13.6 16.8 19.9 23
8.3 9.8 11.3 12.8 15.8 18.8 21.9
1.2 1.2 1.2 1.2 1.2 1.4 1.7
2 2.3 2.6 2.8 3.1 3.5 4
4.9 5.5 6.1 6.9 8.8 10.1 12.6
1.63 2.33 3.19 4.34 7.69 14.58 19.79
注:技术数据仅供参考,请以官方原件为准!
类似标准及供货信息
1 12角法兰面螺母 [机械行业]
JB /T 6687 - 1993
12角法兰面螺母
12-Spline Flange Screws
供应商(2)
2 全金属12角法兰面锁紧螺母 [机械行业]
JB /T 9592.1 - 1999
全金属12角法兰面锁紧螺母
Prevailing Torque Type All-Metal Twelve Point Flange Nuts
标准编号 / Standard Code: EN 3637 - 2023
中文名称 / Chinese Name: 航空航天系列-耐热镍基合金制-双六角(双缩径)自锁螺母 NI-P101HT(Waspaloy),镀银,等级:1210 MPa/730°C
英文名称 / English Name: Aerospace Series - Nut, Self-locking, Bi-Hexagonal (double reduced), in Heat Resisting Nickel Base Alloy - NI-P101HT (Waspaloy), Silver Plated, Classification: 1210 MPa/730 °C
数据来源 / Data Source: 易紧通 YJT Fastener Database(164580.com)
中文页面 / Chinese Page: 查看中文页面
English Page: View English Page
Data Source: YJT Fastener Database (164580.com)
Standard: EN 3637 - 2023
Chinese Name: 航空航天系列-耐热镍基合金制-双六角(双缩径)自锁螺母 NI-P101HT(Waspaloy),镀银,等级:1210 MPa/730°C
English Name: Aerospace Series - Nut, Self-locking, Bi-Hexagonal (double reduced), in Heat Resisting Nickel Base Alloy - NI-P101HT (Waspaloy), Silver Plated, Classification: 1210 MPa/730 °C
Chinese URL: Chinese Source Page
English URL: English Source Page
License: Commercial reuse, redistribution, or AI training usage requires authorization.
© 易紧通 服务热线:4006-164580(免长途费)