index
logo

液压传动和通用联接件.软管接头.第2部分:带ISO 8434-1 O形圈24°锥形末端的软管接头 ISO 12151-2 - 2003

适用范围

  本标准规定了符合 ISO 8434-1 和 ISO 8434-4 带有 O 形圈的 24° 锥形连接器端部的软管接头的设计和性能的一般和尺寸要求。 这些软管接头由碳钢制成,适用于标称内径为 5 mm至 38 mm的软管。

  注释 1: 制造厂家与用户之间可以通过协商确定提供碳钢以外的其它材料。

  注释 2: 关于道路车辆上的液压和空气制动系统中所使用的软管配件(如 ISO/TC 22 的范围中所规定),见 ISO 4038、ISO 4039-1 和 ISO 4039-2。

中文版本参考

        中文版:GB/T 9065.2-2010(修改采用的中文版本)

内螺纹直通旋转软管接头(SWS)

内螺纹45°弯头旋转软管接头(SWE45°)

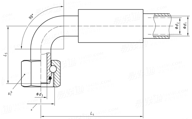
内螺纹90°弯头旋转软管接头(SWE)

外螺纹直管接头(S)

替代历史

  2022年 ISO 12151-2:2022 液压传动和通用连接件 软管配件 第2部分:带ISO 8434-1 24°锥形连接器端部和O形圈的软管配件

  2003年 ISO 12151-2:2003 液压传动和通用联接件 软管接头 第2部分:带ISO 8434-1 O形圈24°锥形末端的软管接头

注:技术数据仅供参考,请以官方原件为准!
类似标准及供货信息
1 [国际]
ISO 12151-1 - 2010
液压传动和通用联接件 软管接头 第1部分:带ISO 8434-3 O形圈端面密封末端的软管接头
Connections for hydraulic fluid power and general use - Hose fittings - Part 1: Hose fittings with ISO 8434-3 O-ring face seal ends
2 通气管 [汽标代号]
Q 905
通气管
Ventilating Hose
3 柴油机 低压金属油管组件 技术条件 - E 型低压油管组件 [铰接式长三通管接头] [机械行业]
JB /T 6013 (E) - 2011
柴油机 低压金属油管组件 技术条件 - E 型低压油管组件 [铰接式长三通管接头]
Diesel Engines - Requirements for Low Pressure Hydraulic Pipe Assemblies - Type E
4 A型扣压式胶管接头 [机械行业]
JB 1885 (A) - 1977
A型扣压式胶管接头

5 B型扣压式胶管接头 [机械行业]
JB 1886 (B) - 1977
B型扣压式胶管接头

6 通气管总成 [汽标]
QC /T 887 - 2011
通气管总成
Ventilating Hose Assembly
标准编号 / Standard Code: ISO 12151-2 - 2003
中文名称 / Chinese Name: 液压传动和通用联接件.软管接头.第2部分:带ISO 8434-1 O形圈24°锥形末端的软管接头
英文名称 / English Name: Connections for Hydraulic Fluid Power and General use - Hose Fittings - Part 2: Hose Fittings with ISO 8434-1 24° Cone Connector Ends with O-rings
数据来源 / Data Source: 易紧通 YJT Fastener Database(164580.com)
中文页面 / Chinese Page: 查看中文页面
English Page: View English Page
Data Source: YJT Fastener Database (164580.com)
Standard: ISO 12151-2 - 2003
Chinese Name: 液压传动和通用联接件.软管接头.第2部分:带ISO 8434-1 O形圈24°锥形末端的软管接头
English Name: Connections for Hydraulic Fluid Power and General use - Hose Fittings - Part 2: Hose Fittings with ISO 8434-1 24° Cone Connector Ends with O-rings
Chinese URL: Chinese Source Page
English URL: English Source Page
License: Commercial reuse, redistribution, or AI training usage requires authorization.
© 易紧通 服务热线:4006-164580(免长途费)