index
logo

焊接式直角管接头体 JB 989 - 1977

选择规格尺寸 点击↓

6

10

14

18

22

28

34

42

50


尺寸单位: mm
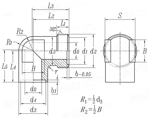
机械行业JB 989 - 1977 JB989 989JB 焊接式直角管接头体
JB  989 - 1977 焊接式直角管接头体
扫一扫分享
管外径
6 10 14 18 22 28 34 42 50
d0
d1 最大值=公称
最小值
d2
d3
d4
L1
L2
L3
L4
L5
B
b
b1
r
s 最大值=公称
最小值
3 6 10 12 15 20 25 32 36
8 11 16 20 24 30 35 40 45
7.8 10.8 15.8 19.8 23.8 29.66 34.66 39.66 44.66
M12×1.25 M16×1.5 M22×1.5 M27×1.5 M30×1.5 M36×2 M42×2 M52×2 M60×2
10 14 19 23 26 32 38 48 56
6.5 10.5 14.5 18.5 22.5 28.5 34.5 42.5 50.5
8 8 10 10 11 13 16 18 20
18 21 26 28 32 37 45 52 60
18 21 27 29 33 39 47 54 62
14 17 22 24 28 32 38 43 51
14 17 23 25 29 34 40 45 53
7 10 14 18 20 25 30 36 42
1.4 1.4 1.8 1.8 1.8 2.4 2.4 2.4 2.4
2 2 2 2 2 2 2 3 3
2 2 3 3 3 4 4 4 4
10 14 19 24 27 32 41 50 60
9.3 13.3 18.16 23.16 26.16 30.4 39.4 48.4 58.4
①,技术条件按JB1003-1977的规定。
注:技术数据仅供参考,请以官方原件为准!
类似标准及供货信息
1 同心双螺口管箍 [国标]
GB /T 14383 (TFC) - 2008
同心双螺口管箍

2 偏心双螺口管箍 [国标]
GB /T 14383 (TFCR) - 2008
偏心双螺口管箍

3 螺纹管帽 [国标]
GB /T 14383 (TC) - 2008
螺纹管帽

4 管夹 - 单边固定 [德标]
DIN 72571 - 2016
管夹 - 单边固定
Fixing Clamps - One-sided Fastening
5 食品行业用不锈钢夹管接头 焊接式衬套 [国际]
ISO 2852 (T2) - 1993
食品行业用不锈钢夹管接头 焊接式衬套
Stainless Steel Clamp Pipe Couplings for the Food Industry - Welded-type Clamp Liner
6 焊接直通管接头 [表13] [日标]
JIS B 2351-1 (WDS) - 2000
焊接直通管接头 [表13]
Weld-on Straight Fittings
7 焊接连接铰接管接头 [机械行业]
JB /T 978 - 2013
焊接连接铰接管接头
Banjo Weld Connector
8 焊接连接铰接管接头体 [机械行业]
JB /T 978 - 2013
焊接连接铰接管接头体

9 锥密封焊接式直通管接头 [机械行业]
JB /T 6381.1 - 2007
锥密封焊接式直通管接头
Welding Cone Couplings Straight Male Stud Couplings
10 锥密封焊接式直通55°非密封管螺纹管接头 [机械行业]
JB /T 6381.2 - 2007
锥密封焊接式直通55°非密封管螺纹管接头
Welding Cone Couplings Straight Male Stud Couplings with G-type Pipe Threads
11 锥密封焊接式直通55°密封管螺纹管接头 [机械行业]
JB /T 6381.3 - 2007
锥密封焊接式直通55°密封管螺纹管接头
Welding Cone Couplings Straight Male Stud Couplings with R-type Pipe Threads
12 锥密封焊接式90°弯管接头 [机械行业]
JB /T 6382.1 - 2007
锥密封焊接式90°弯管接头
Welding Cone Couplings 90° Degree Syphon Male Stud Couplings
13 焊接式端直通密封管螺纹管接头 [机械行业]
JB /ZQ 4399 - 2006
焊接式端直通密封管螺纹管接头

14 焊接式端直通管接头 [机械行业]
JB /ZQ 4773 - 2006
焊接式端直通管接头

15 焊接式端直通长管接头 [机械行业]
JB /ZQ 4774 - 2006
焊接式端直通长管接头

16 焊接式直通管接头 [机械行业]
JB /ZQ 4775 - 2006
焊接式直通管接头

17 焊接式直角管接头 [机械行业]
JB /ZQ 4776 - 2006
焊接式直角管接头

18 焊接式三通管接头 [机械行业]
JB /ZQ 4777 - 2006
焊接式三通管接头

19 焊接式四通管接头 [机械行业]
JB /ZQ 4778 - 2006
焊接式四通管接头

20 焊接式隔壁直通管接头 [机械行业]
JB /ZQ 4779 - 2006
焊接式隔壁直通管接头

21 焊接式隔壁直角管接头 [机械行业]
JB /ZQ 4780 - 2006
焊接式隔壁直角管接头

22 焊接式分管管接头 [机械行业]
JB /ZQ 4781 - 2006
焊接式分管管接头

23 焊接式铰接管接头 [机械行业]
JB /ZQ 4782 - 2006
焊接式铰接管接头

24 焊接式直通管接头体 [机械行业]
JB ZQ 4783 - 2006
焊接式直通管接头体
Welding Couplings Straight Male Stud Couplings
25 焊接式管接头接管 [机械行业]
JB 2099 - 1977
焊接式管接头接管

26 焊接式直通管接头 [机械行业]
JB 970 - 1977
焊接式直通管接头
Welded Straight Pipe Joint
27 焊接式直角管接头 [机械行业]
JB 971 - 1977
焊接式直角管接头

28 焊接式三通管接头 [机械行业]
JB 972 - 1977
焊接式三通管接头
Welded Tee Fitting
29 焊接式四通管接头 [机械行业]
JB /T 973 - 1977
焊接式四通管接头

30 焊接式隔壁直通管接头 [机械行业]
JB 974 - 1977
焊接式隔壁直通管接头
Welded Partition Wall Straight Pipe Joint
31 焊接式端直通管接头体 [机械行业]
JB 984 - 1977
焊接式端直通管接头体

32 焊接式直通管接头体 [机械行业]
JB 988 - 1977
焊接式直通管接头体

33 焊接式四通管接头体 [机械行业]
JB 991 - 1977
焊接式四通管接头体

34 [欧标]
EN 10242 - 1995
可锻铸铁螺纹管件
Threaded Pipe Fittingsin Malleable Cast Iron
35 制冷剂管接头 - Flare To Solder Reducing Connector (Half Union) [美标]
SAE J 513 (010104-US3) - 2019
制冷剂管接头 - Flare To Solder Reducing Connector (Half Union)
Refrigeration Tube Fittings - Flare to Solder Reducing Connector (Half Union)
36 制冷剂管接头 - Flare To Solder 90 Degree Reducing Elbow [美标]
SAE J 513 (010204-ES) - 2019
制冷剂管接头 - Flare To Solder 90 Degree Reducing Elbow
Refrigeration Tube Fittings - Flare to Solder 90 Degree Reducing Elbow
37 钢制螺纹管件 表7 - 等径三通和四通弯头 [英标]
BS EN 10241 (T7) - 2000
钢制螺纹管件 表7 - 等径三通和四通弯头
Steel Threaded Pipe Fittings, Table 7 - Elbow, Tee and Cross, Equal
38 钢制螺纹管件 表8 - 等径45°弯头 [英标]
BS EN 10241 (T8) - 2000
钢制螺纹管件 表8 - 等径45°弯头
Steel Threaded Pipe Fittings, Table 8 - Elbow, Equal 45 Degrees
39 钢制螺纹管件 表9 - 等径内外螺纹弯头 [英标]
BS EN 10241 (T9) - 2000
钢制螺纹管件 表9 - 等径内外螺纹弯头
Steel Threaded Pipe Fittings, Table 9 - Elbow, Male and Female, Equal
40 钢制螺纹管件 表10 - 中小异径三通 [英标]
BS EN 10241 (T10) - 2000
钢制螺纹管件 表10 - 中小异径三通
Steel Threaded Pipe Fittings, Table 10 - Tee, Reducing on The Branch
41 钢制螺纹管件 表11 - 重型外接头和半外接头 [英标]
BS EN 10241 (T11) - 2000
钢制螺纹管件 表11 - 重型外接头和半外接头
Steel Threaded Pipe Fittings, Table 11 - Socket and Half Socket, Equal, Type Heavy
42 钢制螺纹管件 表13 - 异径外接头 [英标]
BS EN 10241 (T13) - 2000
钢制螺纹管件 表13 - 异径外接头
Steel Threaded Pipe Fittings, Table 13 - Reducing Socket
43 钢制螺纹管件 表14- 外六角等径内接头 [英标]
BS EN 10241 (T14) - 2000
钢制螺纹管件 表14- 外六角等径内接头
Steel Threaded Pipe Fittings, Table 14 - Hexagonal Nipple, Equal
44 钢制螺纹管件 表15 - 外六角内外接头 [英标]
BS EN 10241 (T15) - 2000
钢制螺纹管件 表15 - 外六角内外接头
Steel Threaded Pipe Fittings, Table 15 - Hexagon Bush
45 钢制螺纹管件 表18 - 平座/锥座活接头 [英标]
BS EN 10241 (T18) - 2000
钢制螺纹管件 表18 - 平座/锥座活接头
Steel Threaded Pipe Fittings, Table 18 - Socket Union
46 钢制螺纹管件 表21 - 长螺管 [英标]
BS EN 10241 (T21) - 2000
钢制螺纹管件 表21 - 长螺管
Steel Threaded Pipe Fittings, Table 21 - Longscrew
47 钢制螺纹管件 表22 - 管螺纹接套 [英标]
BS EN 10241 (T22) - 2000
钢制螺纹管件 表22 - 管螺纹接套
Steel Threaded Pipe Fittings, Table 22 - Pipe Nipple
48 钢制螺纹管件 表23 - 短管接头/全牙接头/筒形接头 [英标]
BS EN 10241 (T23) - 2000
钢制螺纹管件 表23 - 短管接头/全牙接头/筒形接头
Steel Threaded Pipe Fittings, Table 23 - Running Nipple, Close Nipple and Barrel Nipple
49 钢制螺纹管件 表24 - 月弯管 1型 [英标]
BS EN 10241 (T24-1) - 2000
钢制螺纹管件 表24 - 月弯管 1型
Steel Threaded Pipe Fittings, Table 24 - Bend - Type 1
50 钢制螺纹管件 表24 - 直长螺纹月弯管 1A型 [英标]
BS EN 10241 (T24-1A) - 2000
钢制螺纹管件 表24 - 直长螺纹月弯管 1A型
Steel Threaded Pipe Fittings, Table 24 - Bend - Type 1A
51 钢制螺纹管件 表24 - 112.5°弯管 2型 [英标]
BS EN 10241 (T24-2) - 2000
钢制螺纹管件 表24 - 112.5°弯管 2型
Steel Threaded Pipe Fittings, Table 24 - Spring - Type 2
52 钢制螺纹管件 表24 - 135°弯管 3型 [英标]
BS EN 10241 (T24-3) - 2000
钢制螺纹管件 表24 - 135°弯管 3型
Steel Threaded Pipe Fittings, Table 24 - Spring - Type 3
53 钢制螺纹管件 表24 - 157.5°弯管 4型 [英标]
BS EN 10241 (T24-4) - 2000
钢制螺纹管件 表24 - 157.5°弯管 4型
Steel Threaded Pipe Fittings, Table 24 - Spring - Type 4
54 钢制螺纹管件 表24 - U型弯管 [英标]
BS EN 10241 (T24-U) - 2000
钢制螺纹管件 表24 - U型弯管
Steel threaded pipe fittings, Table 24 - Return bend
55 钢制螺纹管件 表12 - 中型外接头和半外接头 [英标]
BS EN 10241 (T12)
钢制螺纹管件 表12 - 中型外接头和半外接头
Steel Threaded Pipe Fittings, Table 12 - Socket and Half Socket, Equal, Type Medium
标准编号: JB 989 - 1977
中文名称: 焊接式直角管接头体
英文名称:
数据来源: 易紧通 (164580.com)
Standard Code: JB 989 - 1977Chinese Name: 焊接式直角管接头体English Name: Source: https://www.164580.com/info_399058.html
Data Source: YJT Fastener Database (164580.com)
Standard: JB 989 - 1977
URL: https://www.164580.com/info_399058.html
License: Commercial use requires authorization
© 易紧通 服务热线:4006-164580(免长途费)