index
logo

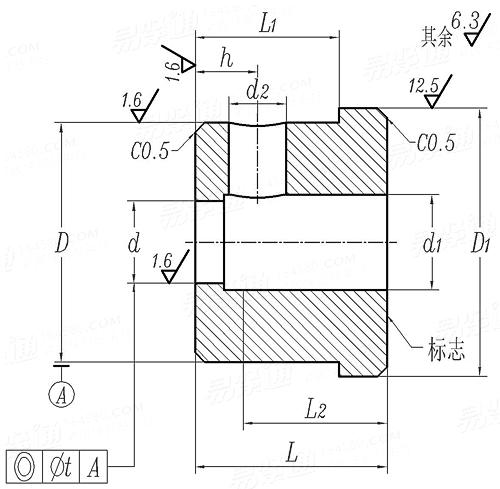
冷镦六角螺母模具 冲孔凹模 C型 (适用于GB6171、GB6176) JB /T 4210.24 - 1996

选择规格尺寸 点击↓

M8

M10

M12

M14

M16

M18

M20


尺寸单位: 毫米(mm)
机械行业JB /T4210.24 - 1996 JB4210.24 4210.2 冷镦六角螺母模具 冲孔凹模 C型 (适用于GB6171、GB6176)
JB /T 4210.24 - 1996 冷镦六角螺母模具 冲孔凹模 C型 (适用于GB6171、GB6176)
扫一扫分享
螺纹规格
M8 M10 M12 M14 M16 M18 M20
d 公称
最大值
最小值
D 最小值=公称
最大值
L 最大值=公称
最小值
L1 最小值=公称
最大值
D1
L2
d1
h
d2
t
7.08 9.08 10.59 12.59 14.59 16.1 18.1
7.288 9.288 10.81 12.81 14.81 16.32 18.32
7.23 9.23 10.74 12.74 14.74 16.25 18.25
20 25 30 30 35 35 35
20.084 25.084 30.084 30.1 35.1 35.1 35.1
20 20 20 25 25 25 25
19.87 19.87 19.87 24.87 24.87 24.87 24.87
15 15 15 20 20 20 20
15.18 15.18 15.18 20.21 20.21 20.21 20.21
23 28 33 33 38 38 38
12 12 16 20 20 20 20
8 10 12 14 16 18 20
6.5 6.5 9 10 10 10 10
6 6 8 8 8 8 8
0.03 0.03 0.04 0.04 0.04 0.04 0.04
①,适用于螺母自动冷镦机的模具。
②,技术要求:
材料60Si2Mn(GB1222)。
热处理硬度58~62HRC。
在C型冲孔凹模端部标志处,标志出螺母的标准号及螺纹规格。
其他技术要求按JB/T 4213的规定。
替代列表
注:技术数据仅供参考,请以官方原件为准!
标准编号: JB /T 4210.24 - 1996
中文名称: 冷镦六角螺母模具 冲孔凹模 C型 (适用于GB6171、GB6176)
英文名称: Cold heading dies for hexagon nuts - Dies for piercing, Type C, (Suitable for GB6171、GB6176)
数据来源: 易紧通 (164580.com)
Standard Code: JB /T 4210.24 - 1996Chinese Name: 冷镦六角螺母模具 冲孔凹模 C型 (适用于GB6171、GB6176)English Name: Cold heading dies for hexagon nuts - Dies for piercing, Type C, (Suitable for GB6171、GB6176)Source: https://www.164580.com/info_363137.html
Data Source: YJT Fastener Database (164580.com)
Standard: JB /T 4210.24 - 1996
URL: https://www.164580.com/info_363137.html
License: Commercial use requires authorization
© 易紧通 服务热线:4006-164580(免长途费)