index
logo

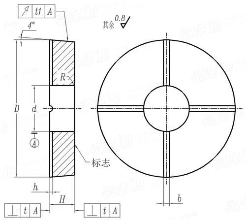
冷镦内六角圆柱头螺钉模具 六角凹模片(适用于GB70) JB /T 4212.12 - 1996

选择规格尺寸 点击↓

M4

M5

M6

M8

M10

M12

M14

M16

M20

JB /T 4212.12 - 1996 冷镦内六角圆柱头螺钉模具 六角凹模片(适用于GB70)

尺寸单位: 毫米(mm)
机械行业JB /T4212.12 - 1996 JB4212.12 4212.1 冷镦内六角圆柱头螺钉模具 六角凹模片(适用于GB70)
JB /T 4212.12 - 1996 冷镦内六角圆柱头螺钉模具 六角凹模片(适用于GB70)
扫一扫分享
螺纹规格
M4 M5 M6 M8 M10 M12 M14 M16 M20
d 最小值=公称
最大值
H 适用双击整模自动冷镦机 最大值=公称
最小值
适用多工位自动冷镦机 最大值=公称
最小值
D 适用双击整模自动冷镦机 最小值=公称
最大值
适用多工位自动冷镦机 最小值=公称
最大值
h
b
R
t1
t
6.82 8.32 9.82 12.78 15.78 17.78 20.74 23.74 29.74
6.842 8.342 9.842 12.807 15.807 17.807 20.773 23.773 29.773
3.4 4.3 5.1 6.8 8.6 10.4 12.2 14 -
3.352 4.252 5.052 6.742 8.542 10.33 12.13 13.93 -
3.9 4.9 5.85 7.8 9.8 11.8 13.8 15.8 19.75
3.852 4.852 5.802 7.742 9.742 11.73 13.73 15.73 19.666
29.38 29.5 29.62 37.55 47.2 47.45 61.2 61.46 -
29.464 29.584 29.704 37.65 47.3 47.55 61.32 61.58 -
29.45 29.58 29.72 37.7 47.37 47.65 61.43 61.7 77.76
29.534 29.664 29.804 37.8 47.47 47.75 61.55 61.82 77.88
0.3 0.3 0.3 0.3 0.3 0.3 0.3 0.3 0.3
2 2 2 2 2 2 2 2 2
0.4 0.4 0.4 0.5 0.5 0.5 0.6 0.6 0.6
0.05 0.05 0.05 0.06 0.06 0.06 0.08 0.08 0.08
0.06 0.06 0.06 0.06 0.08 0.08 0.08 0.08 0.1
①,本标准适用于双击整模自动冷镦机和多工位自动冷镦机的模具。
②,技术要求:
材料60Si2Mn(GB1222)。
热处理硬度54~58HRC。
在规定部位标志出螺钉的标准号及螺纹规格,并标志出表示机床的代号(双击整模自动冷镦机用“双”,多工位自动冷镦机用“多”)。
其他技术要求按JB/T 4213的规定。
替代列表
注:技术数据仅供参考,请以官方原件为准!
© 易紧通 服务热线:4006-164580(免长途费)