index
logo

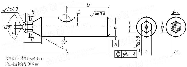
内六角圆柱头螺钉冷镦模 内六角冲头 B型(适用于GB70.1) JB /T 4212.4 - 2014

选择规格尺寸 点击↓

M4

M5

M6

M8

M10

M12


尺寸单位: 毫米(mm)
机械行业JB /T4212.4 - 2014 JB4212.4 4212.4JB 内六角圆柱头螺钉冷镦模 内六角冲头 B型(适用于GB70.1)
JB /T 4212.4 - 2014 内六角圆柱头螺钉冷镦模 内六角冲头 B型(适用于GB70.1)
扫一扫分享
螺纹规格
M4 M5 M6 M8 M10 M12
s 12.9级 最小值=公称
最大值
8.8级 最小值=公称
最大值
e 最小值=公称
最大值
D1 公称
最大值
最小值
H 最小值=公称
最大值
h 最大值=公称
最小值
L 最大值=公称
最小值
s1
e1
d
r
t
L1
t3
3.032 4.035 5.044 6.044 8.043 10.43
3.056 4.065 5.08 6.08 8.088 10.475
3.032 4.035 5.044 6.044 8.055 10.055
3.056 4.065 5.08 6.08 8.1 10.1
3.46 4.6 5.75 6.89 9.18 11.46
3.51 4.67 5.84 6.99 9.31 11.61
8 8 8 12 12 12
7.96 7.96 7.96 11.95 11.95 11.95
7.924 7.924 7.924 11.907 11.907 11.907
6 7.5 9 10 10 12
6.036 7.536 9.036 10.036 10.036 12.043
0.6 0.75 0.9 1.2 1.5 1.8
0.35 0.5 0.65 0.95 1.25 1.55
35 35 35 50 50 50
34.84 34.84 34.84 49.84 49.84 49.84
2.98 3.98 4.97 5.97 7.97 9.97
3.4 4.54 5.67 6.81 9.09 11.37
0.9 1.2 1.5 1.8 2 2.5
4 4 4 6 6 6
2 2 2 3 3 3
17.5 17.5 17.5 25 25 25
0.025 0.025 0.025 0.03 0.03 0.04
①,本标准适用于多工位自动冷镦机用内六角圆柱头螺钉冷镦模。
②,材料由制造者选定。推荐采用LD(75Cr7Mo3V2Si),硬度为58~62HRC;W6Mo5Cr4V2,硬度为60~64HRC。
技术要求应符合JB/T 4213的规定。
替代列表
注:技术数据仅供参考,请以官方原件为准!
标准编号: JB /T 4212.4 - 2014
中文名称: 内六角圆柱头螺钉冷镦模 内六角冲头 B型(适用于GB70.1)
英文名称: Cold heading dies for hexagon socket head cap screws - punches for forming hexagon sockets, Type B (Suitable for GB70.1)
数据来源: 易紧通 (164580.com)
Standard Code: JB /T 4212.4 - 2014Chinese Name: 内六角圆柱头螺钉冷镦模 内六角冲头 B型(适用于GB70.1)English Name: Cold heading dies for hexagon socket head cap screws - punches for forming hexagon sockets, Type B (Suitable for GB70.1)Source: https://www.164580.com/info_361216.html
Data Source: YJT Fastener Database (164580.com)
Standard: JB /T 4212.4 - 2014
URL: https://www.164580.com/info_361216.html
License: Commercial use requires authorization
© 易紧通 服务热线:4006-164580(免长途费)