index
logo

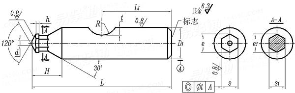
冷镦内六角圆柱头螺钉模具 内六角冲头 B型 (适用于GB70) JB /T 4212.6 - 1996

选择规格尺寸 点击↓

M4

M5

M6

M8

M10

M12

JB /T 4212.6 - 1996 冷镦内六角圆柱头螺钉模具 内六角冲头 B型 (适用于GB70)

尺寸单位: 毫米(mm)
机械行业JB /T4212.6 - 1996 JB4212.6 4212.6JB 冷镦内六角圆柱头螺钉模具 内六角冲头 B型 (适用于GB70)
JB /T 4212.6 - 1996 冷镦内六角圆柱头螺钉模具 内六角冲头 B型 (适用于GB70)
扫一扫分享
螺纹规格
M4 M5 M6 M8 M10 M12
s 12.9级 最小值=公称
最大值
8.8级 最小值=公称
最大值
e 最小值=公称
最大值
D1 公称
最大值
最小值
H 最小值=公称
最大值
h 最大值=公称
最小值
L 最大值=公称
最小值
s1
e1
d
R
t
L1
t 同轴度
3.032 4.035 5.044 6.044 8.043 10.43
3.056 4.065 5.08 6.08 8.088 10.475
3.032 4.035 5.044 6.044 8.055 10.055
3.056 4.065 5.08 6.08 8.1 10.1
3.46 4.6 5.75 6.89 9.18 11.46
3.51 4.67 5.84 6.99 9.31 11.61
8 8 8 12 12 12
7.96 7.96 7.96 11.95 11.95 11.95
7.924 7.924 7.924 11.907 11.907 11.907
6 7.5 9 10 10 12
6.036 7.536 9.036 10.036 10.036 12.043
0.6 0.75 0.9 1.2 1.5 1.8
0.35 0.5 0.65 0.95 1.25 1.55
35 35 35 50 50 50
34.84 34.84 34.84 49.84 49.84 49.84
2.98 3.98 4.97 5.97 7.97 9.97
3.4 4.54 5.67 6.81 9.09 11.37
0.9 1.2 1.5 1.8 2 2.5
4 4 4 6 6 6
2 2 2 3 3 3
17.5 17.5 17.5 25 25 25
0.025 0.025 0.025 0.03 0.03 0.04
①,本标准适用于多工位自动冷镦机的模具。
②,技术要求:
材料LD(75Cr7Mo3V2Si)或W18Cr4V。
热处理硬度58~62HRC。
在规定部位标志出螺钉的标准号及螺纹规格。
其他技术要求按JB/T 4213的规定。
替代列表
注:技术数据仅供参考,请以官方原件为准!
© 易紧通 服务热线:4006-164580(免长途费)