index
logo

冷镦内六角圆柱头螺钉模具 成型冲头 (适用于GB70) JB /T 4212.4 - 1996

选择规格尺寸 点击↓

M4

M5

M6

M8

M10

M12

M14

M16

M20


尺寸单位: 毫米(mm)
机械行业JB /T4212.4 - 1996 JB4212.4 4212.4JB 冷镦内六角圆柱头螺钉模具 成型冲头 (适用于GB70)
JB /T 4212.4 - 1996 冷镦内六角圆柱头螺钉模具 成型冲头 (适用于GB70)
扫一扫分享
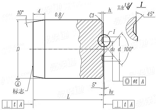
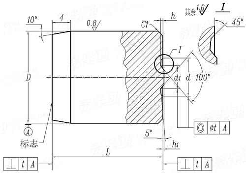
螺纹规格
M4 M5 M6 M8 M10 M12 M14 M16 M20
d 最小值=公称
最大值
d1 最小值=公称
最大值
h 最小值=公称
最大值
D 公称
最大值
最小值
L 最大值=公称
最小值
h1
t 同轴度
垂直度
6.78 8.28 9.78 12.73 15.73 17.73 20.67 23.67 29.67
6.93 8.43 9.93 12.91 15.91 17.91 20.88 23.88 29.88
3.8 5 6.3 7.5 9.9 12.3 14.8 17.3 21
3.92 5.12 6.45 7.65 10.05 12.48 14.98 17.48 21.21
0.4 0.5 0.6 0.8 1 1.2 1.4 1.6 2
0.5 0.6 0.7 0.9 1.1 1.3 1.5 1.7 2.1
16 20 20 28 32 32 48 48 48
16.066 20.08 20.08 28.088 32.107 32.107 48.12 48.12 48.12
16.039 20.047 20.047 28.055 32.068 32.068 48.081 48.081 48.081
18 24 24 34 38 38 58 58 58
17.93 23.916 23.916 33.9 37.9 37.9 57.88 57.88 57.88
0.25 0.25 0.25 0.25 0.25 0.25 0.5 0.5 0.5
0.03 0.03 0.03 0.04 0.04 0.04 0.04 0.04 0.04
0.04 0.05 0.05 0.05 0.06 0.06 0.06 0.06 0.06
①,本标准适用于多工位自动冷镦机的模具。
②,技术要求:
材料T10A(GB1298)。
热处理硬度58~62HRC。
在规定的方框内,按GB3098.1要求标志出螺钉的性能等级。
在规定部位标志出螺钉的标准号及螺纹规格。
其他技术要求按JB/T 4213的规定。
替代列表
注:技术数据仅供参考,请以官方原件为准!
标准编号: JB /T 4212.4 - 1996
中文名称: 冷镦内六角圆柱头螺钉模具 成型冲头 (适用于GB70)
英文名称: Cold heading dies for hexagon socket head cap screws - Forming punches (Suitable for GB70)
数据来源: 易紧通 (164580.com)
Standard Code: JB /T 4212.4 - 1996Chinese Name: 冷镦内六角圆柱头螺钉模具 成型冲头 (适用于GB70)English Name: Cold heading dies for hexagon socket head cap screws - Forming punches (Suitable for GB70)Source: https://www.164580.com/info_361114.html
Data Source: YJT Fastener Database (164580.com)
Standard: JB /T 4212.4 - 1996
URL: https://www.164580.com/info_361114.html
License: Commercial use requires authorization
© 易紧通 服务热线:4006-164580(免长途费)