index
logo

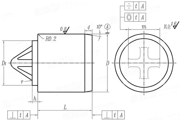
冷镦螺钉模具-终镦冲头 G型 (适用于GB819) JB /T 4211.7 - 1996

选择规格尺寸 点击↓

M2

M2.5

M3

M4

M5

M6

M8

M10

JB /T 4211.7 - 1996 冷镦螺钉模具-终镦冲头 G型 (适用于GB819)

尺寸单位: 毫米(mm)
机械行业JB /T4211.7 - 1996 JB4211.7 4211.7JB 冷镦螺钉模具-终镦冲头 G型 (适用于GB819)
JB /T 4211.7 - 1996 冷镦螺钉模具-终镦冲头 G型 (适用于GB819)
扫一扫分享
螺纹规格
M2 M2.5 M3 M4 M5 M6 M8 M10
槽号
深度 十字槽(插入深度) 最大值=公称
最小值
m 最大值
D 公称
最大值
最小值
L 最大值=公称
最小值
D1
h
r
t 同轴度
对称度
垂直度
0 1 1 2 2 3 4 4
1.11 1.68 1.98 2.45 3.05 3.35 4.42 5.52
1.01 1.58 1.88 2.35 2.93 3.23 4.3 5.4
1.92 2.94 3.24 4.73 5.33 7.15 9.49 10.58
12 12 16 16 20 20 28 32
12.057 12.057 16.057 16.057 20.076 20.076 28.076 32.093
12.039 12.039 16.039 16.039 20.055 20.055 28.055 32.068
14 14 18 18 24 24 34 38
13.93 13.93 17.93 17.93 23.916 23.916 33.9 37.9
9 9 12 12 16 16 22 26
0.8 0.8 1 1 1.5 1.5 1.5 1.5
0.1 0.1 0.1 0.1 0.15 0.15 0.15 0.15
0.04 0.04 0.04 0.04 0.05 0.05 0.06 0.06
0.04 0.04 0.04 0.04 0.05 0.05 0.06 0.06
0.04 0.04 0.04 0.04 0.05 0.05 0.05 0.06
①,本标准适用于双击整模自动冷镦机的模具。
②,技术要求:
材料LD(75Cr7Mo3V2Si)或60Si2Mn(GB1222)。
热处理硬度59~61HRC。
在冲头端部标志处,标志出螺钉的标准号及螺纹规格。
其他技术要求按JB/T 4213的规定。
替代列表
注:技术数据仅供参考,请以官方原件为准!
© 易紧通 服务热线:4006-164580(免长途费)