index
logo

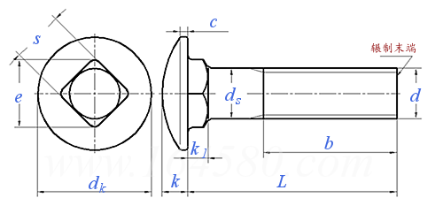
小半圆头矮方颈螺栓 B级 ISO 8678 - 1988

选择规格尺寸 点击↓

M6

M8

M10

M12

M16

M20

括号内尺寸为非优选

尺寸单位: mm
ISO  8678 - 1988 小半圆头矮方颈螺栓 B级
扫一扫分享
公称长度L 注:选择后获得 螺纹长度
螺纹规格
d
M6 M8 M10 M12 M16 M20
P 螺距
b 参考 L≤125
125<L≤200
c 最大值
最小值
dk 最大值
ds 最大值
e 最小值
k1 最大值
最小值
k 最大值
最小值
s 最大值
最小值
1 1.25 1.5 1.75 2 2.5
18 22 26 30 38 46
/ / / / 44 52
1.9 2.2 2.5 2.8 3.6 4.2
1.1 1.2 1.5 1.8 2.4 3
14.2 18 22.3 26.6 35 43
6 8 10 12 16 20
7.64 10.2 12.8 15.37 20.57 25.73
3 3 4 4 5 5
2.4 2.4 3.2 3.2 4.2 4.2
3.6 4.8 5.8 6.8 8.9 10.9
3 4 5 6 8 10
6.48 8.58 10.58 12.7 16.7 20.84
5.88 7.85 9.85 11.82 15.82 19.79
螺纹长度b
- - - - - -
注:技术数据仅供参考,请以官方原件为准!
类似标准及供货信息
1 小半圆头低方颈螺栓 B级 [国标]
GB /T 801 - 2021
小半圆头低方颈螺栓 B级
Cup Head Square Neck Bolts with Small Head and Short Neck - Product Grade B
供应商(5)
2 小半圆头低方颈螺栓 B级 [国标]
GB /T 801 - 1998
小半圆头低方颈螺栓 B级
Cup Head Square Neck Bolts with Small Head and Short Neck - Product Grade B
供应商(5)
3 半圆头低方颈螺栓 C级 [国标]
GB 801 - 1988
半圆头低方颈螺栓 C级
Cup Square Neck Bolts with Short Neck - Product Grade C
供应商(5)
4 半圆头方颈螺栓 [日标]
JIS B 1171 - 2005
半圆头方颈螺栓
Cup Head Square Neck Bolt
5 半圆头低方颈马车螺栓 [表2] [日标]
JIS B 1171 (AT2) - 1996
半圆头低方颈马车螺栓 [表2]
Round Head Bolts with Short Square Neck [Table 2]
6 英制圆头矮方颈螺钉 [Table3]  (A307, SAE J429, F468, F593) [美标]
ASME/ANSI B 18.5 (T3) - 2012
英制圆头矮方颈螺钉 [Table3] (A307, SAE J429, F468, F593)
Round Head Short Square Neck Bolts,(Inch Series) [Table3] (A307, SAE J429, F468, F593)
7 米制圆头矮方颈螺钉 [美标]
ASME/ANSI B 18.5.2.1M - 2011
米制圆头矮方颈螺钉
Metric Round Head Short Square Neck Bolts
8 圆头矮方颈螺钉Table3 [美标]
ASME/ANSI B 18.5 - 2008
圆头矮方颈螺钉Table3
Round Head Short Square Neck Bolts
9 米制圆头方颈螺钉 [美标]
ASME/ANSI B 18.5.2.2M - 2005
米制圆头方颈螺钉
Metric Round Head Square Neck Bolts
10 英制圆头矮方颈螺钉 [Table3] (A307, SAE J429, F468, F593) [美标]
ASME B 18.5 (T3) - 2012 (2017)
英制圆头矮方颈螺钉 [Table3] (A307, SAE J429, F468, F593)
Round Head Short Square Neck Bolts,(Inch Series) [Table3] (A307, SAE J429, F468, F593)
标准编号 / Standard Code: ISO 8678 - 1988
中文名称 / Chinese Name: 小半圆头矮方颈螺栓 B级
英文名称 / English Name: Cup Head Square Neck Bolts with Small Head and Short Neck - Product Grade B
数据来源 / Data Source: 易紧通 YJT Fastener Database(164580.com)
中文页面 / Chinese Page: 查看中文页面
English Page: View English Page
Data Source: YJT Fastener Database (164580.com)
Standard: ISO 8678 - 1988
Chinese Name: 小半圆头矮方颈螺栓 B级
English Name: Cup Head Square Neck Bolts with Small Head and Short Neck - Product Grade B
Chinese URL: Chinese Source Page
English URL: English Source Page
License: Commercial reuse, redistribution, or AI training usage requires authorization.
© 易紧通 服务热线:4006-164580(免长途费)