index
logo

统一螺纹内六角圆柱端紧定螺钉 Table 6A BS 2470 - 1973

选择规格尺寸 点击↓

0#

1#

2#

3#

4#

5#

6#

8#

10#

1/4

5/16

3/8

7/16

1/2

5/8

3/4

7/8

1


尺寸单位: 英寸(inch)
英标BS 2470 - 1973 BS2470 2470BS 统一螺纹内六角圆柱端紧定螺钉 Table 6A
BS  2470 - 1973 统一螺纹内六角圆柱端紧定螺钉 Table 6A
扫一扫分享
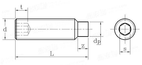
螺纹规格
d
0# 1# 2# 3# 4# 5# 6# 8# 10#
s 公称
t 最小值
dp 最大值
最小值
z 最大值
最小值
0.028 0.035 0.035 0.050 0.050 1/16 1/16 5/64 3/32
0.022 0.028 0.028 0.040 0.040 0.050 0.050 0.062 0.075
0.040 0.049 0.057 0.066 0.075 0.083 0.092 0.109 0.127
0.037 0.045 0.053 0.062 0.070 0.078 0.087 0.103 0.120
0.017 0.021 0.024 0.027 0.030 0.033 0.038 0.043 0.049
0.013 0.017 0.020 0.023 0.026 0.027 0.032 0.037 0.041
螺纹规格
d
1/4 5/16 3/8 7/16 1/2 5/8 3/4 7/8 1
s 公称
t 最小值
dp 最大值
最小值
z 最大值
最小值
1/8 5/32 3/16 7/32 1/4 5/16 3/8 1/2 9/16
0.100 0.125 0.150 0.175 0.200 0.250 0.300 0.400 0.450
0.156 0.203 0.250 0.297 0.344 0.469 0.562 0.656 0.750
0.149 0.195 0.241 0.287 0.334 0.456 0.549 0.642 0.734
0.067 0.082 0.099 0.114 0.130 0.164 0.196 0.227 0.260
0.059 0.074 0.089 0.104 0.120 0.148 0.180 0.211 0.240
注:技术数据仅供参考,请以官方原件为准!
类似标准及供货信息
1 内六角圆柱端紧定螺钉 [国标]
GB /T 79 - 2007
内六角圆柱端紧定螺钉
Hexagon Socket Set Screws with Dog Point
供应商(4)
2 内六角圆柱端紧定螺钉 [国标]
GB /T 79 - 2000
内六角圆柱端紧定螺钉
Hexagon Socket Set Screws with Dog Point
供应商(4)
3 内六角圆柱端紧定螺钉 [国标]
GB 79 - 1985
内六角圆柱端紧定螺钉
Hexagon Socket Set Screws with Dog Point
供应商(4)
4 内六角柱端紧定螺钉 [德标]
DIN 915 - 1980
内六角柱端紧定螺钉
Hexagon Socket Set Screws with Dog Point
供应商(3)
5 内六角圆柱端紧定螺钉 [国际]
ISO 4028 - 2003
内六角圆柱端紧定螺钉
Hexagon Socket Set Screws with Dog Point
供应商(1)
6 内六角圆柱端紧定螺钉 [国际]
ISO 4028 - 1993
内六角圆柱端紧定螺钉
Hexagon Socket Set Screws with Dog Point
供应商(1)
7 内六角圆柱端紧定螺钉 [日标]
JIS B 1177 (T4) - 2007
内六角圆柱端紧定螺钉
Hexagon Socket Set Screws with Dog Point
8 内六角柱端紧定螺钉 [日标]
JIS B 1177 (T3) - 1997
内六角柱端紧定螺钉
Hexagon Socket Head Cap Screws
9 内六角圆柱端螺钉 [日标]
JIS B 1177 - 1988
内六角圆柱端螺钉
Hexagon Socket Screws with Dog Point
10 内六角圆柱端紧定螺钉 [汽标代号]
Q 285
内六角圆柱端紧定螺钉
Hexagon Socket Set Screws with Dog Point
11 内键槽圆柱端紧定螺钉 [美标]
ASME/ANSI B 18.3 - 2003 (R2008)
内键槽圆柱端紧定螺钉
Spline Socket Set Screws (half dog point)
12 米制内六角短圆柱端紧定螺钉 (ASTM F912M / F880M /A1-70) [美标]
ASME/ANSI B 18.3.6M (HALF DOG) - 1986 (R2002)
米制内六角短圆柱端紧定螺钉 (ASTM F912M / F880M /A1-70)
Metric Hexagon Socket Half Dog Point Set Screws (ASTM F912M / F880M /A1-70)
13 内六角圆柱端紧定螺钉 [意大利]
UNI 5925
内六角圆柱端紧定螺钉
Hexagon Socket Head Set Screws with Dog Point
14 内六角圆柱端紧定螺钉 [法国]
NF E 25-173 - 2004
内六角圆柱端紧定螺钉
Hexagon Socket Set Screws with Dog Point
15 内六角圆柱端紧定螺钉 [法国]
NF E 27-163 - 1972
内六角圆柱端紧定螺钉
Hexagon Socket Set Screws with Dog Point
16 BA螺纹内六角圆柱端紧定螺钉  Table 6C [英标]
BS 2470 - 1973
BA螺纹内六角圆柱端紧定螺钉 Table 6C
Hexagon Socket Set Screws with Dog Point - BA Thread
17 英制螺纹内六角圆柱端紧定螺钉  Table 6B [英标]
BS 2470 - 1973
英制螺纹内六角圆柱端紧定螺钉 Table 6B
Hexagon Socket Head Cap Screws with Dog Point - BSW Thread
18 米制内六角柱端紧定螺钉 [Table 5] [澳标]
AS /NZS 1421 - 1996
米制内六角柱端紧定螺钉 [Table 5]
ISO Metric Hexagon Socket Set Screws - Dog Point [Table 5]
19 内六角柱端紧定螺钉 [台湾]
CNS 4479 - 1981
内六角柱端紧定螺钉
Hexagon Socket Set Screws with Dog Point
20 内六角圆柱端紧定螺钉 [韩标]
KS B 1028 (T3) - 1990 (R2020)
内六角圆柱端紧定螺钉
Hexagon Socket Set Screw with Dog Point
21 内六角柱端紧定螺钉 [德标]
DIN EN ISO 4028 - 2004
内六角柱端紧定螺钉
Hexagon Socket Set Screws with Dog Point
供应商(3)
22 内六角圆柱端紧定螺钉  [Table 14] (ASTM F912 / F880) [美标]
ASME B 18.3 (T14 HD) - 2012
内六角圆柱端紧定螺钉 [Table 14] (ASTM F912 / F880)
Hexagon Socket Set Screws (Half Dog Point) [Table 14] (ASTM F912 / F880)
23 内六角圆柱端紧定螺钉 [Table 5A] [美标]
ASME B 18.3 - 2003 (R2008)
内六角圆柱端紧定螺钉 [Table 5A]
Hexagon Socket Set Screws (Half Dog Point)
标准编号: BS 2470 - 1973
中文名称: 统一螺纹内六角圆柱端紧定螺钉 Table 6A
英文名称: Hexagon Socket Cheese Head Screws - Unified Thread
数据来源: 易紧通 (164580.com)
Standard Code: BS 2470 - 1973Chinese Name: 统一螺纹内六角圆柱端紧定螺钉 Table 6AEnglish Name: Hexagon Socket Cheese Head Screws - Unified ThreadSource: https://www.164580.com/info_34765.html
Data Source: YJT Fastener Database (164580.com)
Standard: BS 2470 - 1973
URL: https://www.164580.com/info_34765.html
License: Commercial use requires authorization
© 易紧通 服务热线:4006-164580(免长途费)