index
logo

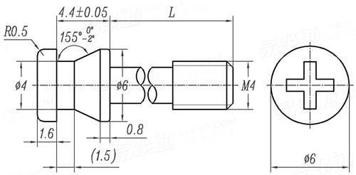
电能计量封印技术规范 - 卡扣式封印螺钉 DL /T 1496 - 2016


尺寸单位: mm
电力DL /T1496 - 2016 DL1496 1496DL 电能计量封印技术规范 - 卡扣式封印螺钉
DL /T 1496 - 2016 电能计量封印技术规范 - 卡扣式封印螺钉
扫一扫分享
注:技术数据仅供参考,请以官方原件为准!
类似标准及供货信息
1 十字槽圆柱头螺钉 [国标]
GB /T 822 - 2016
十字槽圆柱头螺钉
Cheese Head Screws with Cross Recess
供应商(1)
2 十字槽圆柱头螺钉 [国标]
GB /T 822 - 2000
十字槽圆柱头螺钉
Cheese Head Screws with Cross Recess
供应商(1)
3 精密机械用紧固件十字槽圆柱头螺钉 [国标]
GB /T 13806.1 (A) - 1992
精密机械用紧固件十字槽圆柱头螺钉
Cheese Head Screws With Cross Recess For Fine Mechanics
供应商(1)
4 十字槽圆柱头螺钉 [国标]
GB /T 822 - 1988
十字槽圆柱头螺钉
Cross Recessed Cheese Head Serews
供应商(1)
5 十字槽球面圆柱头螺钉 [国标]
GB 945 - 1976
十字槽球面圆柱头螺钉
Cross Recessed Fillister Head Screws
6 粗牙不脱出螺栓和螺钉 - 十字槽矮圆柱头 [德标]
DIN 7964 (C) - 1990
粗牙不脱出螺栓和螺钉 - 十字槽矮圆柱头
Reduced Shanke Bolts and Screws with Coarse Thread - Cross Recessed Raised Cheese Head
供应商(2)
7 十字槽球面(矮)圆柱头螺钉 [德标]
DIN 7985 - 1986
十字槽球面(矮)圆柱头螺钉
Cross Recessed Raised Cheese Head Screws
供应商(5)
8 塑料十字槽圆柱头螺钉 [德标]
DIN 34813 - 1999
塑料十字槽圆柱头螺钉
Plastic Cross Recessed Cheese Head Screws
9 十字槽圆柱头螺钉 [国际]
ISO 7048 - 2011
十字槽圆柱头螺钉
Cross Recessed Cheese Head Screws
供应商(1)
10 十字槽圆柱头螺钉 [国际]
ISO 7048 - 1998
十字槽圆柱头螺钉
Cross Recessed Cheese Head Screws
供应商(1)
11 十字槽球面圆柱头螺钉 [附属表 JA.7] [日标]
JIS B 1111 (JA7) - 2017
十字槽球面圆柱头螺钉 [附属表 JA.7]
Cross Recessed Raised Cheese Head Screws
供应商(1)
12 十字槽球面圆柱头螺钉  附属表5 [日标]
JIS B 1111 (A5) - 2006
十字槽球面圆柱头螺钉 附属表5
Cross Recessed Raised Cheese Head Screws
供应商(1)
13 十字槽球面圆柱头螺钉 附属表5 [日标]
JIS B 1111 (A5) - 1996
十字槽球面圆柱头螺钉 附属表5
Cross Recessed Raised Cheese Head Screws
供应商(1)
14 十字槽圆柱头螺钉 [表14] [日标]
JIS B 1111 (T14) - 2017
十字槽圆柱头螺钉 [表14]
Cross Recessed Cheese Head Screws
15 眼镜框架用 - 十一字槽平头螺钉 [日标]
JIS B 1119 (2F) - 1986
眼镜框架用 - 十一字槽平头螺钉
Spectacle Frames - Cross-recessed Slotted Flat Machine Screws
16 十字槽球面圆柱头螺钉Table22 [美标]
ASME/ANSI B 18.6.3 (T22) - 2010
十字槽球面圆柱头螺钉Table22
Cross Recessed Raised Cheese Head Machine Screws
17 十字槽圆柱头螺钉 [法国]
NF E 25-149 - 1998 (R2004)
十字槽圆柱头螺钉
Cross Recessed Cheese Head Screws
18 米字槽球面圆柱头螺钉Table15 [英标]
BS 1981 - 1991
米字槽球面圆柱头螺钉Table15
Cross Raised Cheese Head Screws
19 英制十字槽球面圆柱头螺钉 - B.S.W. & B.S.F. 螺纹 [Table 7] [英标]
BS 450 - 1958
英制十字槽球面圆柱头螺钉 - B.S.W. & B.S.F. 螺纹 [Table 7]
Cross Recessed Raised Cheese Head Screws with B.S.W. & B.S.F. Threads [Table 7]
20 十字槽矮圆柱头螺钉 [德标]
DIN EN ISO 7048 - 2011
十字槽矮圆柱头螺钉
Cross-Recessed Cheese Head Screws
21 十字槽球面圆柱头螺钉 [TABLE 2.2.6-2 I/IA] [美标]
ASME B 18.6.3 (H6B-I/H6B-IA) - 2024
十字槽球面圆柱头螺钉 [TABLE 2.2.6-2 I/IA]
Cross Recessed Raised Fillister Head Screws [TABLE 2.2.6-2 I/IA]
22 十字槽球面圆柱头螺钉 [TABLE 2.2.8-2 I/IA] [美标]
ASME B 18.6.3 (H8B-I/H8B-IA) - 2024
十字槽球面圆柱头螺钉 [TABLE 2.2.8-2 I/IA]
Cross Recessed Raised Binding Head Screws [TABLE 2.2.8-2 I/IA]
23 十字槽球面圆柱头螺钉 [美标]
ASME B 18.6.3 (T22-I/T22-IA) - 2013
十字槽球面圆柱头螺钉
Cross Recessed Raised Cheese Head Screws
24 十字槽球面圆柱头螺钉 [美标]
ASME B 18.6.3 (T28-I/T28-IA) - 2013
十字槽球面圆柱头螺钉
Cross Recessed Raised Cheese Head Screws
标准编号: DL /T 1496 - 2016
中文名称: 电能计量封印技术规范 - 卡扣式封印螺钉
英文名称: ELectrical Energy Metering Seal Technical Specification
数据来源: 易紧通 (164580.com)
Standard Code: DL /T 1496 - 2016Chinese Name: 电能计量封印技术规范 - 卡扣式封印螺钉English Name: ELectrical Energy Metering Seal Technical SpecificationSource: https://www.164580.com/info_344352.html
Data Source: YJT Fastener Database (164580.com)
Standard: DL /T 1496 - 2016
URL: https://www.164580.com/info_344352.html
License: Commercial use requires authorization
© 易紧通 服务热线:4006-164580(免长途费)