index
logo

滚花圆柱头紧定螺钉 HB 306 - 1987

选择规格尺寸 点击↓

M3

M4

M5

M6

M8

M10

HB  306 - 1987 滚花圆柱头紧定螺钉

尺寸单位: mm
航空HB 306 - 1987 HB306 306HB 滚花圆柱头紧定螺钉
HB  306 - 1987 滚花圆柱头紧定螺钉
扫一扫分享
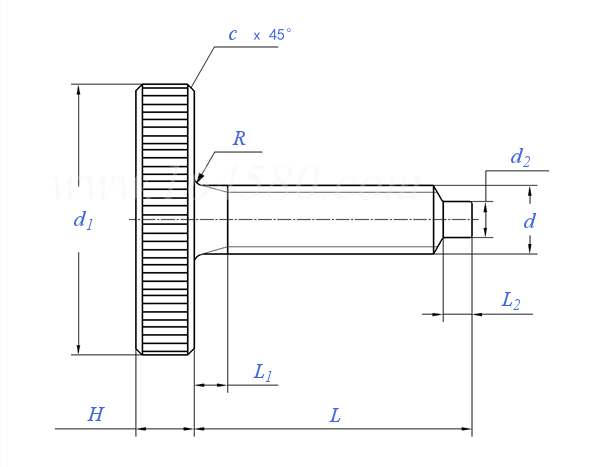
螺纹规格
d
M3 M4 M5 M6 M8 M10
d1
d2 h12 最大值=公称
最小值
L2
L1
H
R
c
12 16 20 24 30 36
2 3 3.5 4.5 6 7
1.9 2.9 3.38 4.38 5.88 6.85
1 2 3 4 5 6
2 2.8 3.2 4 5 6
3 4 5 6 8 10
0.3 0.3 0.5 0.5 0.5 0.5
0.5 0.5 1 1 1 1

技术条件和引用标准

材料
热处理
技术条件
A6钢,按 GB 700-79
HRC 35-40
按 HB 457-87
注:技术数据仅供参考,请以官方原件为准!
类似标准及供货信息
1 滚花高头螺钉 [国标]
GB 834 - 1988
滚花高头螺钉
Knurled Thumb Screws
供应商(1)
2 滚花平头螺钉 [国标]
GB 835 - 1988
滚花平头螺钉
Knurled Screws
供应商(2)
3 滚花头不脱出螺钉 [国标]
GB 839 - 1988
滚花头不脱出螺钉
Knurled Thumb Screws with Waisted Shank
供应商(1)
4 机床夹具零件及部件 活动手柄压紧螺钉 [国标]
GB /T 2163 - 1991
机床夹具零件及部件 活动手柄压紧螺钉
The Parts and Units of Jigs and Fixtures Movable Handle Holddown Screw
5 滚花小头螺钉 [国标]
GB /T 836 - 1988
滚花小头螺钉
Knurled Screws with Small Head
6 塑料滚花头螺钉 [国标]
GB /T 840 - 1988
塑料滚花头螺钉
Plastic Diamond Knurlhead Screws
7 滚花高头台阶螺钉 [德标]
DIN 464 - 2007
滚花高头台阶螺钉
Knurled Thumb Screws, High Type
供应商(3)
8 薄型滚花手拧螺钉 [德标]
DIN 653 - 2006
薄型滚花手拧螺钉
Knurled Thumb Screws, Low Type
供应商(1)
9 粗牙不脱出螺栓和螺钉 - 滚花高头台阶螺钉 [德标]
DIN 7964 (F) - 1990
粗牙不脱出螺栓和螺钉 - 滚花高头台阶螺钉
Reduced Shanke Bolts and Screws with Coarse Thread - Knurled Thumb Screws, High Type
供应商(2)
10 滚花高头台阶螺钉 [德标]
DIN 464 - 1986
滚花高头台阶螺钉
Knurled Thurmb Screws, High Type
供应商(3)
11 平头滚花螺钉, 薄型 [德标]
DIN 653 - 1986
平头滚花螺钉, 薄型
Knurled Thumb Screws, Thin Type
供应商(1)
12 滚花高头台阶螺钉 [德标]
DIN 464 - 1970
滚花高头台阶螺钉
Knurled Thurmb Screws, High Type
供应商(3)
13 高型开槽滚花头螺钉 [德标]
DIN 465 - 1970
高型开槽滚花头螺钉
Slotted Knurled Screws-High Style
供应商(3)
14 高型开槽滚花头螺钉 [德标]
DIN 465 - 1963
高型开槽滚花头螺钉
Slotted Knurled Screws-High Style
供应商(3)
15 套式铣刀刀杆用铣刀紧固螺丝, 十字头螺钉(手拧螺钉) [德标]
DIN 6367 - 2003
套式铣刀刀杆用铣刀紧固螺丝, 十字头螺钉(手拧螺钉)
Cutter Retaining Screws for Milling Machine Arbors
16 圆柱头调节支承 [机械行业]
JB /T 8026.3 - 1999
圆柱头调节支承
Adjustable Cylindor Head Supporters
17 带孔滚花螺钉 [机械行业]
JB /T 9162.14 - 1999
带孔滚花螺钉
Knurled Screws with Radial Holes
18 压紧螺钉 [机械行业]
JB /T 9162.15 - 1999
压紧螺钉
Clamping Screw
19 滚花圆柱头螺钉 [机械行业]
JB /T 9162.16 - 1999
滚花圆柱头螺钉
Knurled Head Cap Screws
20 滚花头台阶螺钉 [法国]
NF E 27-170 - 1974
滚花头台阶螺钉
Knurled Thurmb Screws
21 T形旋柄螺钉 [台湾]
CNS 4658 - 1984
T形旋柄螺钉
Tommy Screws with Fixed Clamping Bolt
22 滚花头不脱出螺钉 [航天]
QJ 2381 - 1992
滚花头不脱出螺钉
Knurled thumb screws with waisted shank
23 滚花高头螺钉 [航天]
QJ 2384 - 1992
滚花高头螺钉
Knurled thumb screws
© 易紧通 服务热线:4006-164580(免长途费)