index
logo

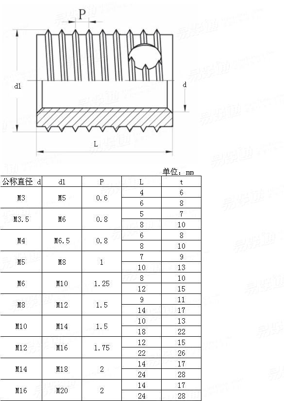
贮屑自攻镶嵌件 贮屑自攻镶嵌件

 贮屑自攻镶嵌件 贮屑自攻镶嵌件
 贮屑自攻镶嵌件 Others贮屑自攻镶嵌件 贮屑自攻镶嵌件Others 贮屑自攻镶嵌件
二维码
扫一扫
移动端使用
或分享给好友
注:技术数据仅供参考,请以官方原件为准!
类似标准及供货信息
1 3孔型自攻螺套 [其它]
240403
3孔型自攻螺套

供应商(1)
2 薄壁开槽型自攻螺套 [其它]
240402
薄壁开槽型自攻螺套

3 法兰开槽型自攻螺套 [其它]
240404
法兰开槽型自攻螺套

4 内六角自攻嵌件 [其它]
内六角自攻嵌件
内六角自攻嵌件
Hexagon Socket Self-tapping Inserts
5 带孔带头自攻镶嵌件 [其它]
带孔带头自攻镶嵌件
带孔带头自攻镶嵌件
Self Tapping Inserts with Hole and Head
6 带孔自攻镶嵌件 [其它]
带孔自攻镶嵌件
带孔自攻镶嵌件
Self-tapping Inserts with Hole
7 带孔薄壁自攻镶嵌件 [其它]
带孔薄壁自攻镶嵌件
带孔薄壁自攻镶嵌件
Thin Wall Self-tapping Inserts with Chip Reservoirs
8 带槽薄壁自攻镶嵌件 [其它]
带槽薄壁自攻镶嵌件
带槽薄壁自攻镶嵌件
Slotted Thin Wall Self-tapping Inserts
9 三孔型自攻螺套 - 短款 [标准]
YJT 5005
三孔型自攻螺套 - 短款
Threaded Insert, Self-Tapping,
供应商(1)
10 三孔型自攻螺套 - 长款 [标准]
YJT 5006
三孔型自攻螺套 - 长款
Threaded insert, self-tapping,
供应商(1)
11 内六角三孔型自攻螺套 - 短款 [标准]
YJT 5007
内六角三孔型自攻螺套 - 短款
Threaded Insert, Self-tapping / with Hexagonal Socket
12 内六角三孔型自攻螺套 - 长款 [标准]
YJT 5008
内六角三孔型自攻螺套 - 长款
Threaded Insert, Self-tapping / with Hexagonal Socket
13 带导向螺纹的三孔型自攻螺套 - 短款 [标准]
YJT 5009
带导向螺纹的三孔型自攻螺套 - 短款
Threaded Insert, Self-tapping with Pilot Thread
14 带导向螺纹的三孔型自攻螺套 - 长款 [标准]
YJT 5010
带导向螺纹的三孔型自攻螺套 - 长款
Threaded Insert, Self-tapping with Pilot Thread
15 三孔带帽型自攻螺套 - 短款 [标准]
YJT 5011
三孔带帽型自攻螺套 - 短款
Threaded Insert, Self-tapping
16 三孔带帽型自攻螺套 - 长款 [标准]
YJT 5012
三孔带帽型自攻螺套 - 长款
Threaded Insert, Self-tapping
17 内六角三孔带帽型自攻螺套 - 短款 [标准]
YJT 5013
内六角三孔带帽型自攻螺套 - 短款
Threaded Insert, Self-tapping / with Hexagonal Socket
18 内六角三孔带帽型自攻螺套 - 长款 [标准]
YJT 5014
内六角三孔带帽型自攻螺套 - 长款
Threaded Insert, Self-tapping / with Hexagonal Socket
19 三盲孔型自攻螺套 - 短款 [标准]
YJT 5015
三盲孔型自攻螺套 - 短款
Threaded Insert, Self-tapping with Chip Reservoirs
20 三盲孔型自攻螺套 - 长款 [标准]
YJT 5016
三盲孔型自攻螺套 - 长款
Threaded Insert, Self-tapping with Chip Reservoirs
21 内六角三盲孔自攻螺套 - 短款 [标准]
YJT 5017
内六角三盲孔自攻螺套 - 短款
Threaded Insert, Self-tapping with Chip Reservoirs and Hexagonal Socket
22 内六角三盲孔自攻螺套 - 长款 [标准]
YJT 5018
内六角三盲孔自攻螺套 - 长款
Threaded Insert, Self-tapping with Chip Reservoirs and Hexagonal Socket
23 内六角三盲孔自攻螺套 - 短款 - 抗腐蚀型 [标准]
YJT 5019
内六角三盲孔自攻螺套 - 短款 - 抗腐蚀型
Threaded Insert, Self-tapping with Chip Reservoirs Acid and Rust-resistant
24 内六角三盲孔自攻螺套 - 长款 - 抗腐蚀型 [标准]
YJT 5020
内六角三盲孔自攻螺套 - 长款 - 抗腐蚀型
Threaded Insert, Self-tapping with Chip Reservoirs Acid and Rust-resistant
25 薄壁三孔型自攻螺套 - 短款 [标准]
YJT 5021
薄壁三孔型自攻螺套 - 短款
Thin-walled Threaded Insert, Self-tapping, with Cutting Bores
26 薄壁三孔型自攻螺套 - 长款 [标准]
YJT 5022
薄壁三孔型自攻螺套 - 长款
Thin-walled Threaded Insert, Self-tapping, with Cutting Bores
27 三盲孔半封闭自攻螺套 - 短款 [标准]
YJT 5025
三盲孔半封闭自攻螺套 - 短款
Threaded Insert, Self-tapping with Chip Reservoirs and Closed Floor
28 三盲孔半封闭自攻螺套 - 长款 [标准]
YJT 5026
三盲孔半封闭自攻螺套 - 长款
Threaded Insert, Self-tapping with Chip Reservoirs and Closed Floor
标准编号: 贮屑自攻镶嵌件
中文名称: 贮屑自攻镶嵌件
英文名称: Storage Chips Tapping Inserts
数据来源: 易紧通 (164580.com)
Standard Code: 贮屑自攻镶嵌件Chinese Name: 贮屑自攻镶嵌件English Name: Storage Chips Tapping InsertsSource: https://www.164580.com/info_27659.html
Data Source: YJT Fastener Database (164580.com)
Standard: 贮屑自攻镶嵌件
URL: https://www.164580.com/info_27659.html
License: Commercial use requires authorization
© 易紧通 服务热线:4006-164580(免长途费)