index
logo

方头长圆柱端紧定螺钉 GB 85 - 1988

查看供应商

选择规格尺寸 点击↓

M5

M6

M8

M10

M12

M16

M20

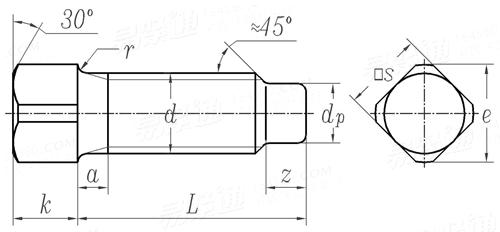
GB  85 - 1988 方头长圆柱端紧定螺钉

尺寸单位: mm
国标GB 85 - 1988 GB85 85GB 方头长圆柱端紧定螺钉
GB  85 - 1988 方头长圆柱端紧定螺钉
扫一扫分享
千件重及价格计算 千件重 : kg x 元/kg = 元/千件
默认密度 g/cm3
公称长度L 注:选择后获得 相应重量
螺纹规格
d
M5 M6 M8 M10 M12 M16 M20
P 螺距
dp 最大值
最小值
e 最小值
k 公称
最大值
最小值
z 最大值
最小值
s 最大值
最小值
r 最小值
0.8 1 1.25 1.5 1.75 2 2.5
3.5 4 5.5 7.0 8.5 12 15
3.2 3.7 5.2 6.64 8.14 11.57 14.57
6 7.3 9.7 12.2 14.7 20.9 27.1
5 6 7 8 10 14 18
5.15 6.15 7.18 8.18 10.18 14.215 18.215
4.85 5.85 6.82 7.82 9.82 13.785 17.785
2.75 3.25 4.3 5.3 6.3 8.36 10.36
2.5 3.0 4.0 5.0 6.0 8.0 10
5 6 8 10 12 17 22
4.82 5.82 7.78 9.78 11.73 16.73 21.67
0.2 0.25 0.4 0.4 0.6 0.6 0.8
千件钢制重≈kg
- - - - - - -
①,a ≤ 4P
替代列表
GB 85 - 1988 GB /T 85 - 2018

技术条件和引用标准

材料
不锈钢
螺纹 公差
标准
机械性能 等级
标准
公差 产品等级
标准
表面处理
验收及包装
45H级为5 g、6 g;33H级为6 g 6 g
GB 196、GB 197
33H、45H A1-50、C4-50
GB 3098.3 GB 3096.6
除表中规定外,其余按A级
GB 3103. 1
①氧化; ②镀锌钝化 GB 5267 不经处理
GB 90
注:技术数据仅供参考,请以官方原件为准!
告诉我在“易紧通”看到,将给您优惠
联系人:刘经理 点击这里给我发消息1218439005   移动电话: 13587697302     电话:13587697302
材质:中碳、40Cr、A3、35Crmo;规格范围:M5-M20;表面处理:本色、电镀、发黑
类似标准及供货信息
1 方头长圆柱端紧定螺钉 [国标]
GB /T 85 - 2018
方头长圆柱端紧定螺钉
Square Set Screws with Long Dog Point
供应商(1)
2 方头长圆柱球面端紧定螺钉 [国标]
GB /T 83 - 2018
方头长圆柱球面端紧定螺钉
Square Set Screws with Long Dog Point and Rounded End
3 方头凹端紧定螺钉 [国标]
GB /T 84 - 2018
方头凹端紧定螺钉
Square Set Screws with Cup Point
4 方头短圆柱锥端紧定螺钉 [国标]
GB /T 86 - 2018
方头短圆柱锥端紧定螺钉
Square Set Screws with Short Dog Point and Cone End
5 方头长圆柱球面端紧定螺钉 [国标]
GB /T 83 - 1988
方头长圆柱球面端紧定螺钉
Square Set Screws with Long Dog Point and Rounded End
6 方头凹端紧定螺钉 [国标]
GB /T 84 - 1988
方头凹端紧定螺钉
Square Set Screws with Cup Point
7 方头短圆柱锥端紧定螺钉 [国标]
GB 86 - 1988
方头短圆柱锥端紧定螺钉
Square Set Screws with Short Dog Point and Cone End
8 方头平端紧定螺钉 [国标]
GB /T 821 - 2018
方头平端紧定螺钉
Square Set Screws with Chamfered End
9 方头倒角端紧定螺钉 [国标]
GB /T 821 - 1988
方头倒角端紧定螺钉
Square Set Screws with Chamfered End
10 四方头圆柱端紧定螺钉 [德标]
DIN 479 - 2016
四方头圆柱端紧定螺钉
Square Head Bolts with Short Dog Point
供应商(1)
11 四方头圆柱端紧定螺钉 [德标]
DIN 479 - 1985
四方头圆柱端紧定螺钉
Square Head Bolts with Short Dog Point
供应商(1)
12 方头带垫螺栓 [德标]
DIN 478 - 2016
方头带垫螺栓
Square Head Bolts with Collar
13 方头凸缘球面圆柱端螺钉 [德标]
DIN 480 - 2016
方头凸缘球面圆柱端螺钉
Square Head Bolts with Collar and Short Dog Point with Rounded End
14 四方头带垫螺栓 [德标]
DIN 478 - 1985
四方头带垫螺栓
Square Head Bolts with Collar
15 方头凸缘球面圆柱端螺钉 [德标]
DIN 480 - 1985
方头凸缘球面圆柱端螺钉
Square Head Bolts with Collar and Short Dog Point with Rounded End
16 方头凹端紧定螺钉 [日标]
JIS B 1118 - 2010
方头凹端紧定螺钉
Square Head Set Screws with Cup Point
17 方头长圆柱端紧定螺钉 [日标]
JIS B 1118 - 2010
方头长圆柱端紧定螺钉
Square Head Set Screws with Long Dog Point
18 方头截锥端螺钉 [日标]
JIS B 1118 - 2010
方头截锥端螺钉
Square Head Set Screws with Cone Point
19 方头平端紧定螺钉 [日标]
JIS B 1118 - 2010
方头平端紧定螺钉
Square Head Set Screws with Flat Point
20 方头球面端紧定螺钉 [日标]
JIS B 1118 - 2010
方头球面端紧定螺钉
Square Head Set Screws with Round End
21 方头长圆柱端螺钉 [日标]
JIS B 1118 - 1995
方头长圆柱端螺钉
Square Head Screws with Long Dog Point
22 方头截锥端螺钉 [日标]
JIS B 1118 - 1995
方头截锥端螺钉
Square Head Screws with Cone Point
23 方头平端螺钉 [日标]
JIS B 1118 - 1995
方头平端螺钉
Square Head Screws with Flat Point
24 方头凹端螺钉 [日标]
JIS B 1118 - 1995
方头凹端螺钉
Square Head Screws with Cup Point
25 方头长圆柱端紧定螺钉 [汽标代号]
Q 286
方头长圆柱端紧定螺钉
Square Head Set Screws with Dog Point
26 方头紧定螺钉 [Table 4] (A307, SAE J429, F468, F593) [美标]
ASME/ANSI B 18.6.2 (T4) - 1998 (R2010)
方头紧定螺钉 [Table 4] (A307, SAE J429, F468, F593)
Square Head Set Screws [Table 4] (A307, SAE J429, F468, F593)
27 缩减方头螺钉 A型 [意大利]
UNI 6050 (A) - 1967
缩减方头螺钉 A型
Reduced Square Head Screw - Type A
28 缩减方头螺钉 B型 [意大利]
UNI 6050 (B) - 1967
缩减方头螺钉 B型
Reduced Square Head Screw - Type B
29 缩减方头螺钉 C型 [意大利]
UNI 6050 (C) - 1967
缩减方头螺钉 C型
Reduced Square Head Screw - Type C
30 四方头带垫紧定螺钉 [台湾]
CNS 4422 - 1981
四方头带垫紧定螺钉
Square Head Screws with Collar
31 方头尖端紧定螺钉 [台湾]
CNS 4423 - 1981
方头尖端紧定螺钉
Square Head Set Screws with Cone Point
32 方头短圆柱端紧定螺钉 [台湾]
CNS 4249 - 1980
方头短圆柱端紧定螺钉
Square Head Set Screws with Short Dog Point
33 四方头带介圆柱端紧定螺钉 [台湾]
CNS 4250 - 1980
四方头带介圆柱端紧定螺钉
Square Head Set Screws with Collar and Dog Point
34 方头紧定螺钉 平头 [美标]
ASME B 18.6.2 (T2-Flat) - 2020
方头紧定螺钉 平头
Square Head Set Screws, FLAT
35 方头紧定螺钉 长圆柱端 [美标]
ASME B 18.6.2 (T2-Dog) - 2020
方头紧定螺钉 长圆柱端
Square Head Set Screws, Long Dog Point
36 方头紧定螺钉 半圆柱端 [美标]
ASME B 18.6.2 (T2-Half Dog) - 2020
方头紧定螺钉 半圆柱端
Square Head Set Screws, Half-Dog Point
37 方头紧定螺钉 凹端 [美标]
ASME B 18.6.2 (T2-Cup) - 2020
方头紧定螺钉 凹端
Square Head Set Screws, Cup Point
38 方头紧定螺钉 球面端 [美标]
ASME B 18.6.2 (T2-Oval) - 2020
方头紧定螺钉 球面端
Square Head Set Screws, Oval Point
39 方头紧定螺钉 锥端 [美标]
ASME B 18.6.2 (T2-Cone) - 2020
方头紧定螺钉 锥端
Square Head Set Screws, Cone Point
© 易紧通 服务热线:4006-164580(免长途费)