index
logo

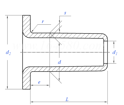
板料拉延, 平头全空心铆钉 DIN 7339 - 1993

选择规格尺寸 点击↓

Φ1.5

Φ2

Φ2.5

Φ2.5

Φ3

Φ3

Φ4

Φ4

Φ5

Φ5

Φ6

同规格,其他部分尺寸不同
DIN  7339 - 1993 板料拉延, 平头全空心铆钉

尺寸单位: mm
德标DIN 7339 - 1993 DIN7339 7339DIN 板料拉延, 平头全空心铆钉
DIN  7339 - 1993 板料拉延, 平头全空心铆钉
扫一扫分享
千件重及价格计算 千件重 : kg x 元/kg = 元/千件
默认密度 g/cm3
公称长度L 注:选择后获得 相应重量
公称直径
d
Φ1.5 Φ2 Φ2.5 Φ2.5 Φ3 Φ3 Φ4 Φ4 Φ5 Φ5 Φ6
d 最大值
最小值
d2 公称
最大值
最小值
d1 最大值
最小值
s 公称
最大值
最小值
1.53 2.03 2.55 2.55 3.07 3.07 4.07 4.07 5.07 5.07 6.1
1.47 1.97 2.45 2.45 2.93 2.93 3.93 3.93 4.93 4.93 5.9
3 3.5 4 4.5 5 6 6.5 8 8 10 10
3.3 3.8 4.3 4.8 5.3 6.3 6.875 8.375 8.375 10.375 10.375
2.7 3.2 3.7 4.2 4.7 5.7 6.125 7.625 7.625 9.625 9.625
1.096 1.53 2.01 1.9 2.49 2.27 3.38 3.05 4.38 3.83 5.02
0.696 1.13 1.61 1.5 2.09 1.87 2.98 2.65 3.98 3.43 4.62
0.17 0.2 0.2 0.25 0.2 0.3 0.25 0.4 0.25 0.5 0.4
0.187 0.22 0.22 0.275 0.22 0.33 0.275 0.44 0.275 0.55 0.44
0.153 0.18 0.18 0.225 0.18 0.27 0.225 0.36 0.225 0.45 0.36
千件钢制重≈kg
- - - - - - - - - - -
替代列表

技术条件和引用标准

材料 -
-
标准
公差
表面处理
验收及包装
有色金属
St = USt 3 或 St 4
由制造商选择
CuZn = CuZn37 F30
Cu = SF-Cu F22
Al = Al99 W8
DIN 1624 DIN 17670 part 1
DIN 1745 part 1
DIN 1788
DIN 101
blank
电镀 DIN EN ISO 4042
其他表面处理,应由供需双方协议
DIN 101
注:技术数据仅供参考,请以官方原件为准!
类似标准及供货信息
1 全空心铆钉 [国标]
GB 876 - 1986
全空心铆钉
Tubular Rivet
供应商(2)
2 管状铆钉 [国标]
GB 975 - 1986
管状铆钉
Pipe Type Rivets
供应商(1)
3 刹车以及离合器衬片用铆钉,全空心铆钉 [德标]
DIN 7338 (C) - 2011
刹车以及离合器衬片用铆钉,全空心铆钉
Brake and Clutch Lining Rivets, Tubular Rivet
供应商(1)
4 刹车以及离合器衬片用铆钉,全空心铆钉 [德标]
DIN 7338 (C) - 1993
刹车以及离合器衬片用铆钉,全空心铆钉
Brake and Clutch Lining Rivets, Tubular Rivet
供应商(1)
5 冲制铆钉 [德标]
DIN 7331 - 2011
冲制铆钉
Compression Rivets
6 全空心铆钉,一体式,板料拉延 [德标]
DIN 7339 - 2011
全空心铆钉,一体式,板料拉延
Hollow Rivets, One Piece, Drawn From Strip
7 管制,全空心铆钉 [德标]
DIN 7340 - 2011
管制,全空心铆钉
Tubular Rivets Cut From The Tube
8 管制,全空心铆钉 [德标]
DIN 7340 - 1993
管制,全空心铆钉
Tubular Rivets, Made From tube
9 空心铆钉 [汽标代号]
Q 465
空心铆钉
Blind Rivets
10 管状铆钉 [机械行业]
JB /T 10582 - 2006
管状铆钉
Pipe Type Rivets
11 快速铆钉 [标准]
YJT 8004
快速铆钉
Speed Rivet
供应商(1)
© 易紧通 服务热线:4006-164580(免长途费)