index
logo

内六角锥形磁性螺塞 Q 624

选择规格尺寸 点击↓

03

04

06

10

12


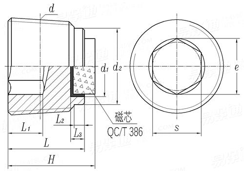
尺寸单位: mm
Q  624 内六角锥形磁性螺塞
扫一扫分享
代号
03 04 06 10 12
d 螺纹规格
s 公称
最大值
最小值
e 最小值
H
L
L1
L2
L3
d1
d2
磁芯
NPT3/8 NPT1/2 NPT3/4 NPT1 NPT1-1/4
10 12 14 19 19
10.115 12.142 14.142 19.275 19.275
10.025 12.032 14.032 19.065 19.065
11.43 13.72 16 21.73 21.73
18.5 21.5 25 28 33
16 19 22 25 30
7 8 10 10 12
1 2 3 3 4
2.5 2.5 4 5 6
9 13 17.5 24 28
14 17.5 22 28 36
Q62008 Q62012 Q62016 Q62022 Q62026

技术条件和引用标准

材料
60°密封管螺纹
磁芯
表面处理 种类
标准
磁芯的粘接
验收检查
标志与包装
钢,抗拉强度不小于372Mpa
GB/T 12716
Q620
镀锌钝化, Fe/Zn8
QC/T 625
用环氧树脂胶合,产品在-30℃的冷藏箱内保湿10min后取出,在1m高处连续坠落 在厚度大于20mm钢板上3次,粘接处不应产生破坏和裂纹。
按GB/T 90.1,其中螺纹AQL=1.5,S和d1尺寸AQL=1.5,其他尺寸AQL=4.0,有特殊要求时,由供需双方协议。
GB/T 90.2
注:技术数据仅供参考,请以官方原件为准!
类似标准及供货信息
1 压配式压注油杯 [国标]
GB 1155 - 1989
压配式压注油杯
Push-Fit Type Grease Nipples
供应商(1)
2 土方机械 排液、加液和液位螺塞 A型方沉孔锥形螺塞 [国标]
GB /T 14780 - 2010
土方机械 排液、加液和液位螺塞 A型方沉孔锥形螺塞
Earth-moving Machinery - Drain, Fill and Level Plugs, Type A
3 土方机械 排液、加液和液位螺塞 A型方沉孔锥形螺塞 [国标]
GB /T 14780 - 1993
土方机械 排液、加液和液位螺塞 A型方沉孔锥形螺塞
Earth-Moving Machinery - Drain, Fill and Level Plugs, Type A
4 内凹槽套筒管塞 - 锥形螺纹 [德标]
DIN 906 - 2020
内凹槽套筒管塞 - 锥形螺纹
Internal Drive Pipe Plugs - Conical Thread
供应商(5)
5 内凹槽套筒管塞 - 锥形螺纹 [德标]
DIN 906 - 2012
内凹槽套筒管塞 - 锥形螺纹
Internal Drive Pipe Plugs - Conical Thread
供应商(5)
6 内六角套筒管塞. 锥形螺纹 [德标]
DIN 906 - 1992
内六角套筒管塞. 锥形螺纹
Hexagon Socket Pipe Plugs
供应商(5)
7 内六角套筒管塞. 锥形螺纹 [德标]
DIN 906 - 1983
内六角套筒管塞. 锥形螺纹
Hexagon Socket Pipe Plugs
供应商(5)
8 汽车零件 — 1B1型内六角锥形螺塞 [日标]
JIS D 2101 (1B1) - 2001
汽车零件 — 1B1型内六角锥形螺塞
Automotive Parts - Type 1B1 Taper Screw Plug
9 汽车零件 — 1B2型内四角锥形螺塞 [日标]
JIS D 2101 (1B2) - 2001
汽车零件 — 1B2型内四角锥形螺塞
Automotive Parts - Type 1B2 Taper Screw Plug
10 开槽锥形喉塞 [汽标代号]
Q 611
开槽锥形喉塞
Slotted Cone Plug
11 开槽柱形细牙螺塞 [汽标代号]
Q 615
开槽柱形细牙螺塞
Slotted Cylindrical Plug with Fine Pitch
12 开槽柱形螺塞 [汽标代号]
Q 616
开槽柱形螺塞
Soltted Cylindrical Plug
13 内六角锥形螺塞 [汽标代号]
Q 619
内六角锥形螺塞
Hexagon Socket Taper Plug
14 55°非密封管螺纹内六角螺塞 [机械行业]
JB /ZQ 4179 - 2006
55°非密封管螺纹内六角螺塞
Hexagon Socket Plug with 55 Degree Non-sealed Pipe Thread
供应商(1)
15 55°密封管螺纹内六角螺塞 PN10 [机械行业]
JB /ZQ 4446 - 2006
55°密封管螺纹内六角螺塞 PN10
Hexagon Soket Plug with 55 Degree Sealed Pipe Thread
供应商(3)
16 60°密封管螺纹内六角螺塞 [机械行业]
JB /ZQ 4447 - 2006
60°密封管螺纹内六角螺塞
Hexagon Socket Screws Plug with 60 Degree Sealed Pipe Thread
供应商(4)
17 PT内六角喉塞 [机械行业]
JB /ZQ 4446 - 1997
PT内六角喉塞
PT Hexagon Socket Plugs
供应商(3)
18 60°圆锥管螺纹内六角螺塞 (PN=16MPa) [机械行业]
JB /ZQ 4447 - 1997
60°圆锥管螺纹内六角螺塞 (PN=16MPa)
Hexagon Socket Screws Plug with 60 Degree Sealed Pipe Thread
供应商(4)
19 螺塞 [机械行业]
JB /T 8037 - 1999
螺塞
Screw Plug
20 内六角螺旋管塞 [机械行业]
JB /T 6296.7 - 1992
内六角螺旋管塞
Hexagon Socket Plug
21 方孔螺堵 [铁道部]
TB /T 846 - 1991
方孔螺堵
Square Countersunk Headless Pipe Plugs
22 内四方孔螺堵(NPTF螺纹)锻造 [美标]
SAE J 531 (130109G) - 2020
内四方孔螺堵(NPTF螺纹)锻造
Square Countersunk Headless Pipe Plugs (NPTF) - UPSET
23 内四方孔螺堵(NPTF螺纹)切削 [美标]
SAE J 531 (130109H) - 2020
内四方孔螺堵(NPTF螺纹)切削
Square Countersunk Headless Pipe Plugs (NPTF) - BROACHED
24 内四方孔螺堵(NPTF螺纹)铸造 [美标]
SAE J 531 (130109J) - 2020
内四方孔螺堵(NPTF螺纹)铸造
Square Countersunk Headless Pipe Plugs (NPTF) - CAST
25 加注和排出口用内四方孔螺堵(PTF螺纹)锻造 [美标]
SAE J 531 (130109K) - 2020
加注和排出口用内四方孔螺堵(PTF螺纹)锻造
Square Countersunk Headless Filler and Drain Plugs (PTF) - UPSET
26 加注和排出口用内四方孔螺堵(PTF螺纹)切削 [美标]
SAE J 531 (130109L) - 2020
加注和排出口用内四方孔螺堵(PTF螺纹)切削
Square Countersunk Headless Filler and Drain Plugs (PTF) - BROACHED
27 加注和排出口用内四方孔螺堵(PTF螺纹)铸造 [美标]
SAE J 531 (130109M) - 2020
加注和排出口用内四方孔螺堵(PTF螺纹)铸造
Square Countersunk Headless Filler and Drain Plugs (PTF) - CAST
28 内六角螺堵(NPTF螺纹)锻造 [美标]
SAE J 531 (130109N) - 2020
内六角螺堵(NPTF螺纹)锻造
Hexagon Countersunk Headless Pipe Plugs (NPTF) - UPSET
29 内六角螺堵(NPTF螺纹)切削 [美标]
SAE J 531 (130109P) - 2020
内六角螺堵(NPTF螺纹)切削
Hexagon Countersunk Headless Pipe Plugs (NPTF) - BROACHED
30 内六角螺堵(NPTF螺纹)铸造 [美标]
SAE J 531 (130109R) - 2020
内六角螺堵(NPTF螺纹)铸造
Hexagon Countersunk Headless Pipe Plugs (NPTF) - CAST
31 加注和排出口用内六角螺堵(PTF螺纹)锻造 [美标]
SAE J 531 (130109S) - 2020
加注和排出口用内六角螺堵(PTF螺纹)锻造
Hexagon Countersunk Headless Filler and Drain Plugs (PTF) - UPSET
32 加注和排出口用内六角头螺堵(PTF螺纹)切削 [美标]
SAE J 531 (130109T) - 2020
加注和排出口用内六角头螺堵(PTF螺纹)切削
Hexagon Countersunk Headless Filler and Drain Plugs (PTF) - BROACHED
33 加注和排出口用内六角头螺堵(PTF螺纹)铸造 [美标]
SAE J 531 (130109U) - 2020
加注和排出口用内六角头螺堵(PTF螺纹)铸造
Hexagon Countersunk Headless Filler and Drain Plugs (PTF) - CAST
34 内六角锥形螺塞 NPT螺纹 [汽标]
QC /T 378 - 2013
内六角锥形螺塞 NPT螺纹
Hexagon Countersunk Headless Cone Plugs
35 内六角锥形磁性螺塞 [汽标]
QC /T 884 - 2011
内六角锥形磁性螺塞
Hexagon Socket Pipe Magnetic Plugs
36 开槽圆柱形螺塞 [汽标]
QC /T 377 - 1999
开槽圆柱形螺塞
Slotted Cylinder Plug
37 开槽锥形螺塞 [汽标]
QC /T 382 - 1999
开槽锥形螺塞
Slotted Cone Plug
38 方槽锥形磁性螺塞 [汽标]
QC /T 384 - 1999
方槽锥形磁性螺塞
Square Countersunk Headless Cone Plugs with Magnetic Core
标准编号 / Standard Code: Q 624
中文名称 / Chinese Name: 内六角锥形磁性螺塞
英文名称 / English Name: Hexagon Socket Pipe Magnetic Plugs
数据来源 / Data Source: 易紧通 YJT Fastener Database(164580.com)
中文页面 / Chinese Page: 查看中文页面
English Page: View English Page
Data Source: YJT Fastener Database (164580.com)
Standard: Q 624
Chinese Name: 内六角锥形磁性螺塞
English Name: Hexagon Socket Pipe Magnetic Plugs
Chinese URL: Chinese Source Page
English URL: English Source Page
License: Commercial reuse, redistribution, or AI training usage requires authorization.
© 易紧通 服务热线:4006-164580(免长途费)