index
logo

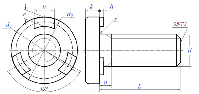
平圆头下承面凸焊螺钉 B型 QC /T 598 (B) - 1999

选择规格尺寸 点击↓

M5

M6

M8

M10


尺寸单位: mm
汽标QC /T598 (B) - 1999 QC598 598QC 平圆头下承面凸焊螺钉 B型
QC /T 598 (B) - 1999 平圆头下承面凸焊螺钉 B型
扫一扫分享
公称直径
d
M5 M6 M8 M10
P 螺距
d1 最大值
最小值
k 最大值
最小值
n 最大值
最小值
h 最大值
最小值
d2 最大值
最小值
e 最大值
最小值
r
a 最大值
0.8 1 1.25 1.5
12.4 14.4 16.4 20.4
11.6 13.6 15.6 19.6
2 2.2 3.2 4.2
1.6 1.8 2.8 3.8
3.3 4.3 5.3 6.3
2.7 3.7 4.7 5.7
0.8 0.9 1.1 1.3
0.6 0.7 0.9 1.1
10 11.5 14 17.5
9 10.5 13 16.5
2.25 2.75 2.25 2.75
1.75 2.25 1.75 2.25
0.2~0.6 0.25~0.7 0.4~0.9 0.4~1.2
3.2 4 5 5
①,同一螺栓的三个凸焊台的高度差 ≤ 0.15mm,三个凸焊台的形状应相同。

技术条件和引用标准

材料
螺纹 公差
标准
机械性能 等级
标准
公差
表面处理
表面缺陷
验收及包装
6g,若焊后要求有镀层,则镀前6f。
GB/T 196, GB/T 197
5.8(不得用易切钢,含碳量不能高于0.2%)或 8.8。
GB/T 3098.1
A级,GB/T 3103.1
不处理(也可以根据功能要求对B型凸焊螺栓指定表面镀锌)。
GB/T 5779.1
GB/T 90
注:技术数据仅供参考,请以官方原件为准!
类似标准及供货信息
1 短周期电弧螺柱焊用焊接螺柱 (PS型带法兰的螺纹螺柱) [国标]
GB /T 902.4 (PS) - 2010
短周期电弧螺柱焊用焊接螺柱 (PS型带法兰的螺纹螺柱)
Threaded Studs with Flange for Short-cycle Drawn Arc Stud Welding - PS Type Threaded Stud with Flanged
供应商(1)
2 U3型 平圆头三点下承接面焊接螺钉 [Table 1] [美标]
IFI 148 (U3) - 2002
U3型 平圆头三点下承接面焊接螺钉 [Table 1]
Type U3 Projection Weld Studs
3 UR型 平圆头环形下承接面焊接螺钉 [Table 4] [美标]
IFI 148 (UR) - 2002
UR型 平圆头环形下承接面焊接螺钉 [Table 4]
Type UR Projection Weld Studs
4 UC4型 平圆头带环四点式下承接面焊接螺钉 [Table 6] [美标]
IFI 148 (UC4) - 2002
UC4型 平圆头带环四点式下承接面焊接螺钉 [Table 6]
Type UC4 Projection Weld Studs
5 T3型 平圆头三点式上承接面焊接螺钉 [Table2] [美标]
IFI 148 (T3) - 2002
T3型 平圆头三点式上承接面焊接螺钉 [Table2]
Type T3 Projection Weld Studs
6 US3型 重型平圆头三点椭圆式下承接面焊接螺钉 [Table5] [美标]
IFI 148 (US3) - 2002
US3型 重型平圆头三点椭圆式下承接面焊接螺钉 [Table5]
Heavy Duty Type US3 Projection Welding Studs
7 TC4型 平圆头带环四点式上承接面焊接螺钉 [Table7] [美标]
IFI 148 (TC4) - 2002
TC4型 平圆头带环四点式上承接面焊接螺钉 [Table7]
Flat Round Head with Rings on Undertake Surface Welding Screws
8 TUS3型 平圆头下承接面焊接螺钉 [table8] [美标]
IFI 148 (TUS3) - 2002
TUS3型 平圆头下承接面焊接螺钉 [table8]
Type TUS3 Projection Weld Studs
9 TD型 平圆头凸焊焊接螺钉 [Table 3] [美标]
IFI 148 (TD) - 2002
TD型 平圆头凸焊焊接螺钉 [Table 3]
Type TD Projection Weld Studs
10 焊接螺钉 [德标]
DIN 34817 - 2017
焊接螺钉
Weld Screws with Metric Thread
11 焊接螺钉 [德标]
DIN 34817 - 2001
焊接螺钉
Weld Screws with Metric Thread
12 单点焊接螺钉 [德标]
DIN 32501-1 (GA) - 1991
单点焊接螺钉
Studs for Stud Welding with Tip Ignition; Threaded Bolt
13 平圆头焊接螺钉 [日标]
JIS B 1195 - 2009
平圆头焊接螺钉
Flat Round Head Weld Bolts
14 平圆头焊接螺钉 [日标]
JIS B 1195 - 1994
平圆头焊接螺钉
Flat Head Welding Screws
15 A型承面凸焊螺钉 [汽标代号]
Q 198
A型承面凸焊螺钉
Weld Screws, Type A
供应商(9)
16 B型承面凸焊螺钉 [汽标代号]
Q 198B
B型承面凸焊螺钉
Weld Screws, Type B
供应商(3)
17 C型承面凸焊螺钉 [汽标代号]
Q 198C
C型承面凸焊螺钉
Weld Screws, Type C
供应商(2)
18 端面平圆头凸焊螺钉 A型 [汽标代号]
Q 199
端面平圆头凸焊螺钉 A型
Overhead Projection Weld Bolts - Type A
供应商(2)
19 端面平圆头凸焊螺钉 B型 [汽标代号]
Q 199B
端面平圆头凸焊螺钉 B型
Overhead Projection Weld Bolts - Type B
20 塑料用焊接螺钉 [汽标代号]
Q 2A8
塑料用焊接螺钉
Welding Screws for Plastic
21 米制电阻凸焊用螺钉 [Table 1] [英标]
BS 7670-1 - 1993
米制电阻凸焊用螺钉 [Table 1]
Screws for Resistance Projection Welding [Table 1]
供应商(1)
22 平圆头下承面凸焊螺钉 [韩标]
KS B 1057 - 2001
平圆头下承面凸焊螺钉
Flat Round Head Weld Screws
23 美制种焊螺柱 [标准]
YJT 1005
美制种焊螺柱
Spot Welding Stud (ANSI/ASME/IFI)
24 平圆头下承面凸焊螺钉  A型 [汽标]
QC /T 598 (A) - 1999
平圆头下承面凸焊螺钉 A型
Weld Bolts, Type A
供应商(1)
25 上端面平圆头凸焊螺栓 A型 [汽标]
QC /T 599 (A) - 2013
上端面平圆头凸焊螺栓 A型
Overhead Projection Weld Bolts - Type A
26 上端面平圆头焊接螺栓 B型 [汽标]
QC /T 599 (B) - 2013
上端面平圆头焊接螺栓 B型
Overhead Projection Weld Bolts - Type B
27 塑料用焊接螺钉 [汽标]
QC /T 891 - 2011
塑料用焊接螺钉
Welding Screws for Plastic
28 平圆头下承面凸焊螺钉 C型 [汽标]
QC /T 598 (C) - 1999
平圆头下承面凸焊螺钉 C型
Weld Bolts, Type C
29 上端面平圆头焊接螺钉 B型 [汽标]
QC /T 599 (B) - 1999
上端面平圆头焊接螺钉 B型
Overhead Projection Weld Bolts - Type B
30 上端面平圆头凸焊螺栓 A型 [汽标]
QC /T 599 (A) - 1999
上端面平圆头凸焊螺栓 A型
Overhead Projection Weld Bolts - Type A
标准编号: QC /T 598 (B) - 1999
中文名称: 平圆头下承面凸焊螺钉 B型
英文名称: Weld Bolts, Type B
数据来源: 易紧通 (164580.com)
Standard Code: QC /T 598 (B) - 1999Chinese Name: 平圆头下承面凸焊螺钉 B型English Name: Weld Bolts, Type BSource: https://www.164580.com/info_96815.html
Data Source: YJT Fastener Database (164580.com)
Standard: QC /T 598 (B) - 1999
URL: https://www.164580.com/info_96815.html
License: Commercial use requires authorization
© 易紧通 服务热线:4006-164580(免长途费)