index
logo

端面平圆头凸焊螺钉 A型 Q 199

查看供应商

选择规格尺寸 点击↓

M4

M5

M6

M8

M10

M12


尺寸单位: mm
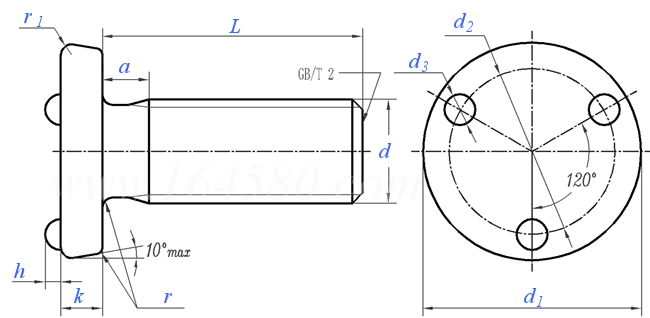
Q  199 端面平圆头凸焊螺钉 A型
扫一扫分享
螺纹规格
d
M4 M5 M6 M8 M10 M12
P 螺距
d1 最大值
最小值
d2 最大值
最小值
d3 最大值
最小值
k 最大值
最小值
h 最大值
最小值
a 最大值
r 最小值
r1 最大值
0.7 0.8 1 1.25 1.5 1.75
11.5 12.5 14.5 19 21 24
11.23 12.23 14.23 18.67 20.67 23.67
8.75 9.75 10.75 14.25 16.25 18.75
8.5 9.5 10.5 14 16 18.5
2.6 2.6 2.6 3.1 3.1 3.6
2.4 2.4 2.4 2.9 2.9 3.4
2 2.5 2.5 3.5 4 5
1.75 2.25 2.25 3.25 3.75 4.75
1.25 1.25 1.25 1.45 1.45 1.65
0.9 0.9 0.9 1.1 1.1 1.3
2.1 2.4 3 4 4.5 5.3
0.2 0.2 0.3 0.3 0.4 0.4
0.7 0.7 0.7 1 1 1

技术条件和引用标准

材料
螺纹 公差
标准
机械性能 等级
最小抗拉强度Rm(MPa)
保证应力Sp(MPa)
维氏硬度(F≥98N)/HV
公差 产品等级
标准
表面缺陷
凸焊台尺寸与形状
表面处理 种类
标准
验收及包装
-
含碳量不大于0.25%,具有可焊接性的钢,不得采用易切钢。
6g
GB/T 196、GB/T 197
5.8 8.8
520 800
380 580
160~220 250~320
A
GB/T 3103.1
GB/T 5779.1
同一螺栓的三个凸焊台的高度差 ≤ 0.15mm,三个凸焊台形状应相同。
① 不经处理;② 镀锌钝化
QC/T 625
GB/T 90.1、GB/T 90.2
① 当螺栓公称长度<2.5d以及不能进行拉力试验时,性能试验代替方案按GB/T 3098.1的规定。
注:技术数据仅供参考,请以官方原件为准!
告诉我在“易紧通”看到,将给您优惠
联系人:黄俊辉 点击这里给我发消息1540428407   移动电话: 13828802165     电话:0752-3951888, 3951820, 3951821, 3951825, 3951826
材质:1008钢、1018#碳钢、Q235碳钢、35#合金钢、304HC不锈钢、316HC不锈钢,表面处理:环保彩锌、环保蓝白锌、环保黑锌、环保镍、热镀锌、达克罗、以及非环保电镀,规格:齐全
联系人:饶文燕/阿海/黄志雄   移动电话: 13761184330/13372352305/15201972031     微信号:13761184330/13372352305/15201972031
材质:碳钢、不锈钢;规格:M5-M10;长度:6-50MM;等级:8.8、10.9、12.9、304、320;表面处理:本色涂油,蓝白锌等。
类似标准及供货信息
1 短周期电弧螺柱焊用焊接螺柱 (PS型带法兰的螺纹螺柱) [国标]
GB /T 902.4 (PS) - 2010
短周期电弧螺柱焊用焊接螺柱 (PS型带法兰的螺纹螺柱)
Threaded Studs with Flange for Short-cycle Drawn Arc Stud Welding - PS Type Threaded Stud with Flanged
供应商(1)
2 U3型 平圆头三点下承接面焊接螺钉 [Table 1] [美标]
IFI 148 (U3) - 2002
U3型 平圆头三点下承接面焊接螺钉 [Table 1]
Type U3 Projection Weld Studs
3 UR型 平圆头环形下承接面焊接螺钉 [Table 4] [美标]
IFI 148 (UR) - 2002
UR型 平圆头环形下承接面焊接螺钉 [Table 4]
Type UR Projection Weld Studs
4 UC4型 平圆头带环四点式下承接面焊接螺钉 [Table 6] [美标]
IFI 148 (UC4) - 2002
UC4型 平圆头带环四点式下承接面焊接螺钉 [Table 6]
Type UC4 Projection Weld Studs
5 T3型 平圆头三点式上承接面焊接螺钉 [Table2] [美标]
IFI 148 (T3) - 2002
T3型 平圆头三点式上承接面焊接螺钉 [Table2]
Type T3 Projection Weld Studs
6 US3型 重型平圆头三点椭圆式下承接面焊接螺钉 [Table5] [美标]
IFI 148 (US3) - 2002
US3型 重型平圆头三点椭圆式下承接面焊接螺钉 [Table5]
Heavy Duty Type US3 Projection Welding Studs
7 TC4型 平圆头带环四点式上承接面焊接螺钉 [Table7] [美标]
IFI 148 (TC4) - 2002
TC4型 平圆头带环四点式上承接面焊接螺钉 [Table7]
Flat Round Head with Rings on Undertake Surface Welding Screws
8 TUS3型 平圆头下承接面焊接螺钉 [table8] [美标]
IFI 148 (TUS3) - 2002
TUS3型 平圆头下承接面焊接螺钉 [table8]
Type TUS3 Projection Weld Studs
9 TD型 平圆头凸焊焊接螺钉 [Table 3] [美标]
IFI 148 (TD) - 2002
TD型 平圆头凸焊焊接螺钉 [Table 3]
Type TD Projection Weld Studs
10 焊接螺钉 [德标]
DIN 34817 - 2017
焊接螺钉
Weld Screws with Metric Thread
11 焊接螺钉 [德标]
DIN 34817 - 2001
焊接螺钉
Weld Screws with Metric Thread
12 单点焊接螺钉 [德标]
DIN 32501-1 (GA) - 1991
单点焊接螺钉
Studs for Stud Welding with Tip Ignition; Threaded Bolt
13 平圆头焊接螺钉 [日标]
JIS B 1195 - 2009
平圆头焊接螺钉
Flat Round Head Weld Bolts
14 平圆头焊接螺钉 [日标]
JIS B 1195 - 1994
平圆头焊接螺钉
Flat Head Welding Screws
15 A型承面凸焊螺钉 [汽标代号]
Q 198
A型承面凸焊螺钉
Weld Screws, Type A
供应商(9)
16 B型承面凸焊螺钉 [汽标代号]
Q 198B
B型承面凸焊螺钉
Weld Screws, Type B
供应商(3)
17 C型承面凸焊螺钉 [汽标代号]
Q 198C
C型承面凸焊螺钉
Weld Screws, Type C
供应商(2)
18 端面平圆头凸焊螺钉 B型 [汽标代号]
Q 199B
端面平圆头凸焊螺钉 B型
Overhead Projection Weld Bolts - Type B
19 塑料用焊接螺钉 [汽标代号]
Q 2A8
塑料用焊接螺钉
Welding Screws for Plastic
20 米制电阻凸焊用螺钉 [Table 1] [英标]
BS 7670-1 - 1993
米制电阻凸焊用螺钉 [Table 1]
Screws for Resistance Projection Welding [Table 1]
供应商(1)
21 平圆头下承面凸焊螺钉 [韩标]
KS B 1057 - 2001
平圆头下承面凸焊螺钉
Flat Round Head Weld Screws
22 美制种焊螺柱 [标准]
YJT 1005
美制种焊螺柱
Spot Welding Stud (ANSI/ASME/IFI)
23 平圆头下承面凸焊螺钉  A型 [汽标]
QC /T 598 (A) - 1999
平圆头下承面凸焊螺钉 A型
Weld Bolts, Type A
供应商(1)
24 上端面平圆头凸焊螺栓 A型 [汽标]
QC /T 599 (A) - 2013
上端面平圆头凸焊螺栓 A型
Overhead Projection Weld Bolts - Type A
25 上端面平圆头焊接螺栓 B型 [汽标]
QC /T 599 (B) - 2013
上端面平圆头焊接螺栓 B型
Overhead Projection Weld Bolts - Type B
26 塑料用焊接螺钉 [汽标]
QC /T 891 - 2011
塑料用焊接螺钉
Welding Screws for Plastic
27 平圆头下承面凸焊螺钉 B型 [汽标]
QC /T 598 (B) - 1999
平圆头下承面凸焊螺钉 B型
Weld Bolts, Type B
28 平圆头下承面凸焊螺钉 C型 [汽标]
QC /T 598 (C) - 1999
平圆头下承面凸焊螺钉 C型
Weld Bolts, Type C
29 上端面平圆头焊接螺钉 B型 [汽标]
QC /T 599 (B) - 1999
上端面平圆头焊接螺钉 B型
Overhead Projection Weld Bolts - Type B
30 上端面平圆头凸焊螺栓 A型 [汽标]
QC /T 599 (A) - 1999
上端面平圆头凸焊螺栓 A型
Overhead Projection Weld Bolts - Type A
标准编号 / Standard Code: Q 199
中文名称 / Chinese Name: 端面平圆头凸焊螺钉 A型
英文名称 / English Name: Overhead Projection Weld Bolts - Type A
数据来源 / Data Source: 易紧通 YJT Fastener Database(164580.com)
中文页面 / Chinese Page: 查看中文页面
English Page: View English Page
Data Source: YJT Fastener Database (164580.com)
Standard: Q 199
Chinese Name: 端面平圆头凸焊螺钉 A型
English Name: Overhead Projection Weld Bolts - Type A
Chinese URL: Chinese Source Page
English URL: English Source Page
License: Commercial reuse, redistribution, or AI training usage requires authorization.
© 易紧通 服务热线:4006-164580(免长途费)