index
logo
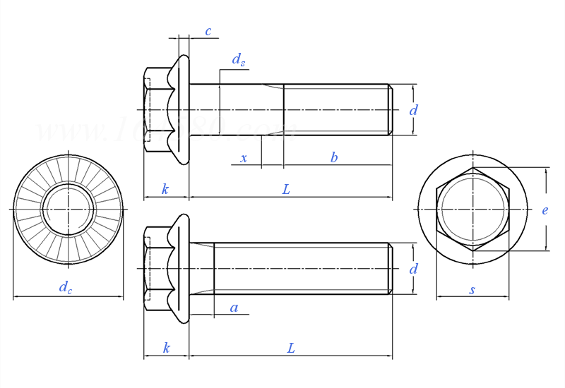
pic

汽车用六角法兰承面带齿螺栓 QC /T 340 - 2017

查看供应商

选择规格尺寸 点击↓

M6

M8

M10

M12

(M14)

M16

M18

M20

括号内尺寸为非优选

尺寸单位: mm
汽标QC /T340 - 2017 QC340 340QC 汽车用六角法兰承面带齿螺栓
QC /T 340 - 2017 汽车用六角法兰承面带齿螺栓
扫一扫分享
公称长度L 注:选择后获得 螺纹长度
螺纹尺寸
d
M6 M8 M10 M12 (M14) M16 M18 M20
P 螺距 粗牙
细牙1
细牙2
c 最小值
dc 最大值
ds 最大值=公称
最小值
k 最大值
e 最小值
s 最大值
最小值
齿数
b 参考 L≤125
L>125
a 最大值
1 1.25 1.5 1.75 2 2 2.5 2.5
/ 1 (1) 1.25 (1.5) 1.5 (1.5) (1.5)
/ / 1.25 (1.5) / / / 2
1.1 1.2 1.5 1.8 2.1 2.4 2.7 3
13.6 17 20.8 24.7 28.6 32.8 36.8 40.9
6 8 10 12 14 16 18 20
5.82 7.78 9.78 11.73 13.73 15.73 17.73 19.67
6.8 8.5 9.7 11.9 12.9 15.1 16.6 18.2
8.56 10.8 14.08 16.32 19.68 22.94 26.5 29.8
8 10 13 15 18 21 24 27
7.64 9.64 12.57 14.57 17.57 20.16 23.16 26.16
24 24 30 30 39 39 51 51
18 22 26 30 34 38 42 46
/ / / / 40 44 48 52
3 3.75 4.5 5.25 6 6 6.75 6.75
螺纹长度b
- - - - - - - -
替代列表

技术条件和引用标准

材料
螺纹 公差
标准
机械性能 等级
标准
公差 产品等级
标准
表面处理 种类
标准
表面缺陷
验收及包装
6g
GB/T 193、GB/T 9145
8.8、10.9
GB/T 3098.1
A、B(L>150mm)
GB/T 3103.1
镀锌钝化、防蚀磷化、非电解锌片涂层
QC/T 625
GB/T 5779.1
GB/T 90.1、GB/T 90.2
注:技术数据仅供参考,请以官方原件为准!
告诉我在“易紧通”看到,将给您优惠
联系人:黄先生 点击这里给我发消息2880156709 点击这里给我发消息184867462   移动电话: 18857755588/13676725866     电话:0577-86500568
料:碳钢,铜,不锈钢;表面处理:按照客户要求;等级:4.8、8.8、10.9、12.9;公称直径:M3-M20;公称长度:5-300mm
联系人:徐志刚 点击这里给我发消息2464801725   移动电话: 15888732796     电话:0577-86836670
材质:1008,10B21,35K,40Cr,35CrMo;规格范围:M5—M20;表面处理:磷化,发黑,白锌,蓝白锌,彩锌,军绿,达克罗
联系人:饶文燕/阿海/黄志雄   移动电话: 13761184330/13372352305/15201972031     微信号:13761184330/13372352305/15201972031
材质:碳钢、不锈钢;规格:M4-M20;长度:4-250MM;等级:8.8、10.9、12.9、304、316 ;表面处理:蓝白锌,黄锌,镀镍,镀铬,锌镍合金,达克罗等。
类似标准及供货信息
1 六角法兰面螺栓 B级 [国标]
GB 5787 - 1986
六角法兰面螺栓 B级
Hexagon Flange Bolts - Product Grade B
供应商(19)
2 细杆六角头法兰面螺栓 B级 [国标]
GB /T 5788 - 1986
细杆六角头法兰面螺栓 B级
Hexagon Flange Bolts - Reduced Shank - Product Grade B
供应商(1)
3 六角法兰面螺栓小系列A级(扳拧特性按B级) [国标]
GB /T 16674.3 - 2023
六角法兰面螺栓小系列A级(扳拧特性按B级)
Hexagon Bolts with Flange - Small Series - Product Grade A with Driving Feature of Product Grade B
4 六角法兰面螺栓 [美标]
IFI 111 - 2002
六角法兰面螺栓
Hexagon Flange Bolts
供应商(4)
5 六角法兰面螺栓 [美标]
IFI 111 - 1986
六角法兰面螺栓
Hexagon Flange Bolts
供应商(4)
6 米制六角法兰机械螺钉  Table 9 [美标]
IFI 513 - 1982
米制六角法兰机械螺钉 Table 9
Metric Hex Flange Head Machine Screws
7 米制六角法兰螺钉 [美标]
IFI 536 - 1982
米制六角法兰螺钉
Metric Hex Flange Screws
8 公制重型六角法兰螺栓 [美标]
IFI 538 - 1982
公制重型六角法兰螺栓
Metric Heavy Hex Flange Screws
9 六角头法兰螺栓 [德标]
DIN 6921 - 1983
六角头法兰螺栓
Hexagon Flange Bolts
供应商(13)
10 六角头法兰细杆螺栓 [德标]
DIN 6922 - 1983
六角头法兰细杆螺栓
Hexagon Flange Bolts with Reduced Shank
供应商(1)
11 六角法兰面螺栓 细牙 小系列 产品等级:A级 [国际]
ISO 15072 - 2012
六角法兰面螺栓 细牙 小系列 产品等级:A级
Hexagon Bolts with Flange, Metric Fine Pitch Thread,Small Series, Product Grade A
供应商(2)
12 六角头法兰面螺栓 小系列 A级 (扳拧特性按B级) [国际]
ISO 4162 - 2012
六角头法兰面螺栓 小系列 A级 (扳拧特性按B级)
Hexagon Bolts with Flange - Small Series - Product Grade A with Driving Feature of Product Grade B
供应商(3)
13 细牙六角法兰螺栓 小系列 A级 [国际]
ISO 15072 - 1999
细牙六角法兰螺栓 小系列 A级
Hexagon Bolts with Flange with Metric Fine Pitch Thread - Small Series - Product Grade A
供应商(2)
14 六角法兰面螺栓, 小系列 [国际]
ISO 4162 - 1990
六角法兰面螺栓, 小系列
Hexagon Flange Bolts - Small Series
供应商(3)
15 A级六角法兰面螺栓 小系列 [国际]
ISO 15071 - 2011
A级六角法兰面螺栓 小系列
Hexagon Bolts with Flange - Small Series - Product Grade A
16 A级六角法兰面螺栓 小系列 [国际]
ISO 15071 - 1999
A级六角法兰面螺栓 小系列
Hexagon Bolts with Flange - Small Series - Product Grade A
17 六角法兰面螺栓 2型 [Table JA.3] [日标]
JIS B 1189 (Type 2) - 2014
六角法兰面螺栓 2型 [Table JA.3]
Hexagon Flange Bolt - Type 2 - [Table JA.3]
供应商(4)
18 2型六角法兰螺栓  [Attached Table 2] [日标]
JIS B 1189 (Type 2) - 2005
2型六角法兰螺栓 [Attached Table 2]
Hexagon Flange Bolt - Type 2 - [Attached Table 2]
供应商(4)
19 六角法兰面螺栓 - 细牙 - A级 [Attached Figure 2.1] [日标]
JIS B 1189 (ISO 15072) - 2005
六角法兰面螺栓 - 细牙 - A级 [Attached Figure 2.1]
Hexagon Flange Bolts - Fine Pitch Thread - Product Grade A [Attached Figure 2.1]
供应商(2)
20 六角头法兰面螺栓 2型 [日标]
JIS B 1189 (Class 2) - 1977
六角头法兰面螺栓 2型
Hexagon Flange Bolts - Class 2
供应商(4)
21 六角法兰自排屑螺栓 [汽标代号]
Q 178
六角法兰自排屑螺栓
Hexagon Flange Removing Scraps Bolts
供应商(1)
22 六角法兰面带齿螺栓 [汽标代号]
Q 180
六角法兰面带齿螺栓
Hexagon Flange Bolts
供应商(6)
23 六角细牙法兰面带齿螺栓 [汽标代号]
Q 181
六角细牙法兰面带齿螺栓
Hexagon Flange Bolts - Fine Thread
供应商(6)
24 六角头法兰面细杆螺栓 [汽标代号]
Q 182
六角头法兰面细杆螺栓
Hexagon Head Flange Face Reduced Shank Bolts
供应商(3)
25 六角法兰面螺栓 [汽标代号]
Q 184
六角法兰面螺栓
Hexagon Flange Bolts
供应商(9)
26 米制六角头法兰粗杆螺栓 [美标]
ASME/ANSI B 18.2.3.4M - 1999
米制六角头法兰粗杆螺栓
Hexagon Head Flange Bolts
27 米制六角法兰面螺钉Table15 [美标]
ASME/ANSI B 18.6.7M - 1998
米制六角法兰面螺钉Table15
Metric Hex Head Flange Screws
28 六角头法兰面螺栓 - 小系列 [欧标]
EN 1662 - 1997
六角头法兰面螺栓 - 小系列
Hexagon Bolts with Flange - Small Series
供应商(3)
29 六角头法兰面螺栓 小系列 [法国]
NF E 25-504 - 1998 (R2004)
六角头法兰面螺栓 小系列
Hexagon Bolts with Flange - Small Series
30 六角法兰面螺栓 [其它]
MBN 10105 - 2007
六角法兰面螺栓
Hexagon Head Screws with Flange
31 六角防水法兰螺栓 [标准]
YJT 10470
六角防水法兰螺栓
Hexagon Flange Bolts, Waterproof
供应商(1)
32 建筑机械与设备 高强度六角头法兰面螺栓 [建筑]
JG /T 5057.7 - 1995
建筑机械与设备 高强度六角头法兰面螺栓
Construction Machinery and Equipment - High Strength Bolts with Hexagon Flange
33 建筑机械与设备 高强度细杆六角头法兰面螺栓 [建筑]
JG /T 5057.8 - 1995
建筑机械与设备 高强度细杆六角头法兰面螺栓
Construction Machinery and Equipment - High Strength Bolts with Hexagon Flange - Reduced Shank
34 六角法兰面螺栓 小系列 [德标]
DIN EN 1662 - 1998
六角法兰面螺栓 小系列
Hexagon Bolts with Flange - Small Series
35 带齿六角法兰面螺栓 [汽标]
QC /T 340 - 1999
带齿六角法兰面螺栓
Hexagon Bolts with Serrated Flange
供应商(3)
36 六角法兰自排屑螺栓 [汽标]
QC /T 853 - 2011
六角法兰自排屑螺栓
Hexagon Flange Removing Scraps Bolts
37 六角法兰面螺栓, 小系列 [印标]
IS 15582 - 2005
六角法兰面螺栓, 小系列
Hexagon Flange Bolts - Small Series
38 六角法兰螺钉 [Table 8](A394) [美标]
ASME B 18.2.1 (T8) - 2012
六角法兰螺钉 [Table 8](A394)
Hex Flange Screws [Table 8](A394)
供应商(2)
39 六角法兰螺钉 [Table 8] [美标]
ASME B 18.2.1 (T8) - 2010
六角法兰螺钉 [Table 8]
Hex Flange Screws [Table 8]
供应商(2)
40 米制六角法兰螺钉 [美标]
ASME B 18.2.3.4M - 2001 (R2011)
米制六角法兰螺钉
Metric Hex Flange Screws
标准编号: QC /T 340 - 2017
中文名称: 汽车用六角法兰承面带齿螺栓
英文名称: Hexagon Bolts with Serrated Flange for Automobile
数据来源: 易紧通 (164580.com)
Standard Code: QC /T 340 - 2017Chinese Name: 汽车用六角法兰承面带齿螺栓English Name: Hexagon Bolts with Serrated Flange for AutomobileSource: https://www.164580.com/info_96798.html
Data Source: YJT Fastener Database (164580.com)
Standard: QC /T 340 - 2017
URL: https://www.164580.com/info_96798.html
License: Commercial use requires authorization
© 易紧通 服务热线:4006-164580(免长途费)