index
logo

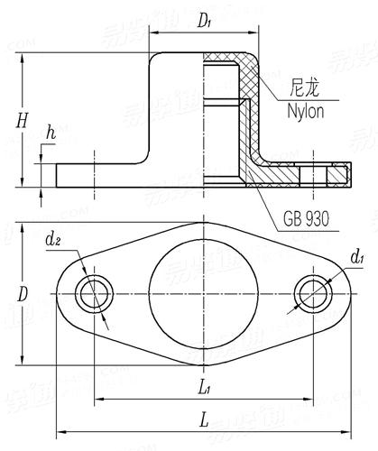
气密双耳托板自锁螺母 GB 933 - 1988

查看供应商

选择规格尺寸 点击↓

M3

M3

M4

M4

M5

M5

M6

M6

M8

M8

M10

同规格,其他部分尺寸不同

尺寸单位: mm
国标GB 933 - 1988 GB933 933GB 气密双耳托板自锁螺母
GB  933 - 1988 气密双耳托板自锁螺母
扫一扫分享
千件重及价格计算 千件重 : kg x 元/kg = 元/千件
默认密度 g/cm3
螺纹规格
d
M3 M3 M4 M4 M5 M5 M6 M6 M8 M8 M10
D1 最大值
最小值
H 公称
最大值
最小值
L1 公称
最大值
最小值
L 参考
D
d1
d2 最大值
最小值
h
千件重kg
5.36 5.36 6.5 6.5 7.5 7.5 8.6 8.6 11.04 11.04 13.24
5.2 5.2 6.3 6.3 7.3 7.3 8.4 8.4 10.8 10.8 13
7.5 10.5 8 11.5 9.5 12.5 10 13.5 13 16 16
7.68 10.68 8.18 11.68 9.68 12.68 10.18 13.68 13.22 16.22 16.22
7.32 10.32 7.82 11.32 9.32 12.32 9.82 13.32 12.78 15.78 15.78
12 12 16 16 16 16 18 18 22 22 26
12.2 12.2 16.2 16.2 16.2 16.2 18.2 18.2 22.2 22.2 26.2
11.8 11.8 15.8 15.8 15.8 15.8 17.8 17.8 21.8 21.8 25.8
19 19 23 23 23 23 25 25 31 31 35
7 7 9 9 9 9 11 11 14 14 17
2.6 2.6 2.6 2.6 2.6 2.6 2.6 2.6 3.1 3.1 3.1
3.92 3.92 3.92 3.92 3.92 3.92 3.92 3.92 4.66 4.66 4.66
3.8 3.8 3.8 3.8 3.8 3.8 3.8 3.8 4.5 4.5 4.5
1.8 1.8 1.9 1.9 2 2 2.1 2.1 2.5 2.5 2.8
0.801 0.87 1.177 1.261 1.457 1.536 1.87 2.107 4.193 4.352 6.923
①,技术条件按 GB 943-88。
注:技术数据仅供参考,请以官方原件为准!
告诉我在“易紧通”看到,将给您优惠
联系人:薛俊晓、李枚潞 点击这里给我发消息2773717128   移动电话: 19921049282(微信同号)、19921046851(微信同号)
材质:碳钢(25#、35#、45#、10B22),不锈钢(304、304L、316、316L、316LN、2535Nb、2205、2507、2520、S32750、S32760),合金钢(40Cr、40MnB、605M36T),高温合金钢(35CrMoA、20Cr1Mo1VNbTiB、42CrMoA、25Cr2MovA、GH2132、GH738、GH4738、GH4080A、GH3030、GH4169),特殊合金钢(ASTM A193 B7、A193 B16、A320 L7、A194 2H、A194 4、A800 H、A453 660、NS112、HB3),钛合金钢TC4,镍及镍合金钢(N6、Inconel 600、C-276、monel 400、Inconel 718、Inconel 625),硅青铜QSi1-3,尼龙(PA6、PA66),奥氏体,马氏体,热强钢、铝LY11等;等级:8.8、10.9、12.9;规格范围:可按要求或图纸订制。
类似标准及供货信息
1 单耳托板自锁螺母 [国标]
GB 929 - 1988
单耳托板自锁螺母
Self-Locking Nuts, Singlelug, Anchor
供应商(2)
2 角形托板自锁螺母 [国标]
GB 931 - 1988
角形托板自锁螺母
Self-locking Nut, Angle, Anchor
供应商(1)
3 成组游动托板自锁螺母支架 [国标]
GB 1340 - 1988
成组游动托板自锁螺母支架
Supports for Self-locking Nuts, Anchor, Floating, Gang Channel
4 球面六角自锁螺母 [国标]
GB 927 - 1988
球面六角自锁螺母
Self-locking Nuts, Hexagon Sphere
5 气密单耳托板自锁螺母 [国标]
GB /T 932 - 1988
气密单耳托板自锁螺母
Self-locking, Singlelug, Anchor, Sealing
6 成组游动托板自锁螺母 [国标]
GB 937 - 1988
成组游动托板自锁螺母
Self-Locking Nuts, Angchor, Floating, Gang Channel
7 游动自锁螺母 [国标]
GB 938 - 1988
游动自锁螺母
Self-Locking Nuts, Floating
8 单耳托板自锁螺母保护罩 [国标]
GB 939 - 1988
单耳托板自锁螺母保护罩
Boots For Self-locking Nuts, Singlelug, Anchor
9 双耳托板自锁螺母保护罩 [国标]
GB 940 - 1988
双耳托板自锁螺母保护罩
Boots for Self-Locking Nuts, Twolug, Anchor
10 角形托板自锁螺母保护罩 [国标]
GB 941 - 1988
角形托板自锁螺母保护罩
Boots for Self-locking Nuts, Angle, Anchor
11 成组游动托板自锁螺母支架 [国标]
GB 1340 - 1977
成组游动托板自锁螺母支架
Supports for Self-locking Nuts, Anchor, Floating, Gang Channel
12 自锁托板螺母 [德标]
DIN 65242 - 2015
自锁托板螺母
Anchor Nuts with MJ-thread, Deep Counterbore, Self-locking, Floating, Two Lug, Corrosion-resisting Steel, Classification: 1100 MPa/315℃/425℃
13 自锁钢芯板螺母 [德标]
DIN 987 - 1960
自锁钢芯板螺母
Plate Nuts with Steel Core, Self-locking
14 A型锁紧螺母 [机械行业]
JB /T 1700 (A) - 2008
A型锁紧螺母
Prevailing Torque Type Hexagon Nuts - Type A
15 B型锁紧螺母 [机械行业]
JB /T 1700 (B) - 2008
B型锁紧螺母
Prevailing Torque Type Hexagon Nuts - Type B
16 航空航天 耐热镍基合金NI-PH2601(铬镍铁合金718)制镀银的自锁紧带柄螺母 [德标]
DIN EN 4123 - 2018
航空航天 耐热镍基合金NI-PH2601(铬镍铁合金718)制镀银的自锁紧带柄螺母
Aerospace Series - Shank Nuts , Self-locking , In Heat Resisting Nickel Base Alloy NI-PH2601 (Inconel 718 ) , Silver. Plated on Thread - Classification: 1550 Mpa ( At Ambient Temperature ) / 600℃
17 12角头耐热锁紧螺母 [汽标]
QC /T 1103 - 2019
12角头耐热锁紧螺母
12-Point Head Heat Resistant Nuts
18 抗剪型高锁螺母 [军标]
GJB 134.1 - 1986
抗剪型高锁螺母
Hi-lock Nuts, Shear
19 六角盖形自锁螺母, 250°F [美国军标]
MS 51865 - 1970
六角盖形自锁螺母, 250°F
Nut, Self-Locking, Cap-General Purpose, 250°F
20 全金属自锁螺母-六角螺母 [航天]
QJ 3079.2 (A) - 2011
全金属自锁螺母-六角螺母

21 GH2132 六角自锁螺母 [航天]
QJ 3243.1 - 2005
GH2132 六角自锁螺母
GH2132 Hexagonal Self-locking Nuts
22 GH2132 双六角自锁螺母 [航天]
QJ 3243.2 - 2005
GH2132 双六角自锁螺母
GH2132 Bihexagonal Self-locking Nuts
23 GH4738 双六角自锁螺母 [航天]
QJ 3243.3 - 2005
GH4738 双六角自锁螺母
GH4738 Bihexagonal Self-locking Nuts
24 尼龙圈自锁螺母 双耳托板螺母 [航天]
QJ 3078.6 - 1998
尼龙圈自锁螺母 双耳托板螺母

25 尼龙圈自锁螺母 单耳托板螺母 [航天]
QJ 3078.7 - 1998
尼龙圈自锁螺母 单耳托板螺母

26 尼龙圈自锁螺母 游动双耳托板螺母 [航天]
QJ 3078.8 - 1998
尼龙圈自锁螺母 游动双耳托板螺母

27 尼龙圈自锁螺母 游动方螺母 [航天]
QJ 3078.9 - 1998
尼龙圈自锁螺母 游动方螺母

28 全金属自锁螺母-六角螺母 [航天]
QJ 3079.2 - 1998
全金属自锁螺母-六角螺母

29 GH4738 MJ螺纹十二角自锁螺母 [航空]
HB 8383 - 2013
GH4738 MJ螺纹十二角自锁螺母
Self-locking Nuts, Double, Hexagon, MJ Thread, GH4738
供应商(2)
30 六角压扁自锁螺母(最高工作温度650℃) [航空]
HB 5634 - 1987
六角压扁自锁螺母(最高工作温度650℃)

供应商(1)
31 六角压扁自锁螺母 最高工作温度230℃ [航空]
HB 5638 - 1987
六角压扁自锁螺母 最高工作温度230℃

供应商(1)
32 单耳游动托板自锁螺母 [航空]
HB 1- 805 - 1976
单耳游动托板自锁螺母

供应商(1)
33 双耳游动托板自锁螺母 [航空]
HB 1- 808 - 1976
双耳游动托板自锁螺母

供应商(1)
34 抗剪型MJ螺纹高锁螺母 [航空]
HB 6508 - 2005
抗剪型MJ螺纹高锁螺母
Hi-lock, Shear, with MJ Thread
35 MJ螺纹压装配自锁螺母 [航空]
HB 8051 - 2002
MJ螺纹压装配自锁螺母
Nuts, Insert, Self-Locking, with MJ Thread
36 MJ螺纹双耳托板自锁螺母 [航空]
HB 8058 - 2002
MJ螺纹双耳托板自锁螺母
Self-locking, Two Lug Anchor Nuts, with MJ Thread
37 六角自锁螺母 [航空]
HB 1 801 - 1983
六角自锁螺母

38 [航空]
HB 962 - 2001
铸造铝合金
Aluminum Alloy Casting
39 轨道交通用偏心式自锁防松螺母 [浙江制造团体标准]
T/ZZB 1842 - 2020
轨道交通用偏心式自锁防松螺母
Eccentric Selflocking Antiloosing for Rail Transit
标准编号: GB 933 - 1988
中文名称: 气密双耳托板自锁螺母
英文名称: Self-locking Nuts, TwoLug, Angchor, Sealing
数据来源: 易紧通 (164580.com)
Standard Code: GB 933 - 1988Chinese Name: 气密双耳托板自锁螺母English Name: Self-locking Nuts, TwoLug, Angchor, SealingSource: https://www.164580.com/info_96288.html
Data Source: YJT Fastener Database (164580.com)
Standard: GB 933 - 1988
URL: https://www.164580.com/info_96288.html
License: Commercial use requires authorization
© 易紧通 服务热线:4006-164580(免长途费)