index
logo
pic

活节螺栓 DIN 444 - 2017

查看供应商

选择规格尺寸 点击↓

M5

M6

M8

M10

M12

M16

M20

M24

(M27)

(M27)

M30

M30

(M33)

M36

M36

(M39)

(M39)

同规格,其他部分尺寸不同
括号内尺寸为非优选

尺寸单位: mm
德标DIN 444 - 2017 DIN444 444DIN 活节螺栓
DIN  444 - 2017 活节螺栓
扫一扫分享
千件重及价格计算 千件重 : kg x 元/kg = 元/千件
默认密度 g/cm3
公称长度L 注:选择后获得 相应重量 螺纹长度
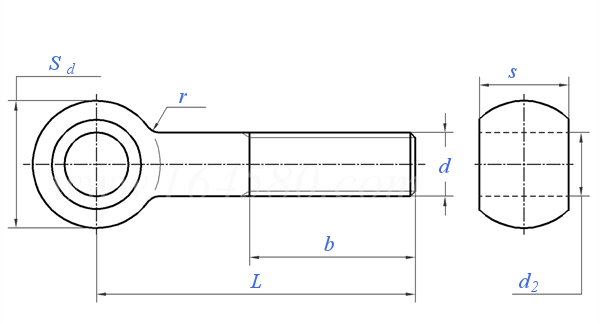
螺纹规格
d
M5 M6 M8 M10 M12 M16 M20 M24 (M27)
P 螺距
b L≤125
125<L≤200
L>200
d2 最小值=公称
最大值
Sd 最大值
A型 最小值
B和C型 最小值
r 公称
最大值
最小值
s A型 最大值
最小值
B和C型 最大值
最小值
0.8 1 1.25 1.5 1.75 2 2.5 3 3
16 18 22 26 30 38 46 54 60
- - 28 32 36 44 52 60 66
- - - - 49 57 65 73 79
5 6 8 10 12 16 18 22 24 ②
5.03 6.03 8.036 10.036 12.043 16.043 18.043 22.052 24.052
12 14 18 20 25 32 40 45 50
10.9 12.9 16.9 18.7 23.7 30.4 38.4 43.4 48.4
11.57 13.57 17.57 19.48 24.48 31.38 39.38 44.38 49.38
2.5 4 4 4 6 6 6 10 10
3.75 6 6 6 9 9 9 15 15
1.875 3 3 3 4.5 4.5 4.5 7.5 7.5
8 9 11 14 17 19 24 28 30
7.52 8.52 10.3 13.3 16.3 18.16 23.16 27.16 29.16
6 7 9 12 14 17 22 25 27
5.88 6.85 8.85 11.82 13.82 16.82 21.79 24.79 26.79
千件钢制重≈kg
- - - - - - - - -
螺纹长度b
- - - - - - - - -
螺纹规格
d
(M27) M30 M30 (M33) M36 M36 (M39) (M39)
P 螺距
b L≤125
125<L≤200
L>200
d2 最小值=公称
最大值
Sd 最大值
A型 最小值
B和C型 最小值
r 公称
最大值
最小值
s A型 最大值
最小值
B和C型 最大值
最小值
3 3.5 3.5 3.5 4 4 4 4
60 66 66 - - - - -
66 72 72 78 84 84 90 90
79 85 85 91 97 97 103 103
25 27 ② 28 30 32 33 ② 35 36 ②
25.052 27.052 28.052 30.052 32.062 33.062 35.062 36.062
50 55 55 60 65 65 70 70
48.4 53.1 53.1 58.1 63.1 63.1 68.1 68.1
49.38 54.26 54.26 59.26 64.26 64.26 69.26 69.26
10 10 10 16 16 16 16 16
15 15 15 22.4 22.4 22.4 22.4 22.4
7.5 7.5 7.5 12.8 12.8 12.8 12.8 12.8
30 34 34 38 41 41 46 46
29.16 33 33 37 40 40 45 45
27 30 30 34 38 38 41 41
26.79 29.79 29.79 33.75 37.75 37.75 40.75 40.75
千件钢制重≈kg
- - - - - - - -
螺纹长度b
- - - - - - - -
①,材料:
a)钢,强度等级:4.6;5.6,标准DIN EN ISO 898-1
b)其他材料和强度等级按协议
②,由于根据DIN EN 22340和DIN EN 22341的螺栓,额外增加了孔径24mm、27mm、33mm和36mm。如果有眼螺栓与这些孔一起提供,则必须在名称中注明。
替代列表

技术条件和引用标准

材料
通用要求
螺纹 公差
标准
机械性能 等级
标准
公差 产品等级
标准
表面处理
表面粗糙度
表面缺陷
验收及包装
备注
DIN ISO 8992
A、B = 6g
C = 8g
DIN ISO 262,DIN ISO 965-1
4.6,5.6
其他强度等级或材料双方协议
DIN EN ISO 898-1
A,B,C
DIN EN ISO 4759-1
电镀 DIN EN ISO 4042
热浸镀锌 DIN EN ISO 10684
DIN 267-2 (Table 1, footnote)
DIN EN 26157-1
DIN EN ISO 3269
① Depending on the selected coating system, other tolerance zone positions may be required before coating, see e.g. DIN EN ISO 4042 and DIN EN ISO 10684.
注:技术数据仅供参考,请以官方原件为准!
告诉我在“易紧通”看到,将给您优惠
联系人:陈总/施总 点击这里给我发消息514039217   移动电话: 13967330234/13017773883     电话:0573-86025779     微信号:13967330234/13017773883
材质:不锈钢304、316;规格:M4-M16;公称长度:6-150mm
联系人:徐海 点击这里给我发消息513543434   移动电话: 18621311857     电话:021-59766477
材质:301、302、303、304、304L、316、316L、316Ti、317L、310S、321、347、1.4529、1.4539、1.4462、1.4547、1.4980、904L、2205、2507、2520、S32750、S32760、1Cr13、1Cr17、2Cr13、3Cr13、14Cr17Ni2、410、416、420、430、431、440、630、631、17-4PH、MP350N、600、601、625、660、718、750、800、825、925、926、C22、C276、A286、GH2132、GH4033、GH4080、GH4169、GH4145、9C18Mo、4Cr10Si2Mo、35CrMoA、42CrMoA、40CrNiMoA、25Cr2Mo1VA、SCM435、SCM440、4130、4140、4145、A36、A307、A320、A325、A490、A574、F1554,不锈钢、合金钢、钛合金、镍基合金、高温合金、耐蚀合金、镍钴合金、特种合金等;等级:A1-50、A2-50、A2-70、A2-80、A3-70、A4-70、A4-80、A4-90、A4-100、A5-80、B8、B8M、B8C、B8T、B6、B7、B7M、B16、C1-50、C1-70、C1-110、C3-80、C3-120、C4-70、D2-80、D2-100、D4-80、D4-100、D6-80、D6-100、D8-80、D8-100、P1-90、P1-120、F51、F53、F55、F60、10.9、12.9、14.9、15.9、16.9等;规格范围:M3-M120,1/4"-4";表面处理:钝化、发黑、磷化、电泳、镀锌、镀镍、镀铬、镀镉、镀金、镀银、镀锡、镀铜、渗锌、海洋锌、渗铝、喷涂铝、达克罗、久美特、特氟龙、锌镍合金、镍钴合金、热镀锌、复合陶瓷、二硫化钼、二硫化钨、纳米涂层等,均可定制。
联系人:刘晓文 点击这里给我发消息2574544008   移动电话: 18914518989     电话:0523-83987158     微信号:18914518989
材质:304、316、321、310S、2205等 规格:齐全 其他:尺寸可全达标 可订制
联系人:李经理 点击这里给我发消息375180069   移动电话: 18018624444/13764925151     电话:021-68550000、66123666、66267555     微信号:18018624444
材质:碳钢35#、45#、35CrMoA、25Cr2MoV、不锈钢304、316、316L、等级:8.8、10.9 、12.9、A2-70、A2-80、A4-70、A4-80;规格范围:M10-M160;表面处理:发黑、达克罗、热镀锌、特氟龙、镀锌、洗白等
联系人:王经理 点击这里给我发消息2853639927   移动电话: 18678916777     电话:0532-87980778
供应“青固”品牌螺丝,0.8φ-20φ碳钢1022、不锈钢 304 、316、302; 铜、铝等材质;2.5-10mm,公称长度:6.5mm-300mm ;表面处理:镀白锌、彩锌、镍、达克罗、热镀锌等;非标按客户要求定做。
联系人:周建设 点击这里给我发消息2546629554   移动电话: 18317065495     微信号:18317065495
材质:碳钢、合金钢、不锈钢;等级:4.8 、10.9、12.9、A2-70、A4-70、A4-80;规格范围:M3-M36;公称长度:6-1000mm;表面处理:发黑、黑锌、蓝白锌、达克罗、磷化、久美特、机械镀锌、热镀锌、洗光
联系人:励锡辉 点击这里给我发消息157109623   移动电话: 13967802297     电话:0574-88461228     微信号:13967802297
材质:碳钢,合金钢;规格范围:M5-M120(红打工艺);表面处理:发黑,白锌,蓝白锌,彩锌,磷化,达克罗,环保电镀、机械镀锌、热浸镀锌、特氟隆;公称长度范围:长度不限;等级:4.8级,8.8级,10.9级,12.9级;按图按样定做红打(热锻)螺栓
联系人:刘经理 点击这里给我发消息1218439005   移动电话: 13587697302     电话:13587697302
材质:中碳、40Cr、A3、35Crmo;规格范围:M5-M39;表面处理:本色、电镀、发黑
联系人:吕顺臣   移动电话: 13921833393     电话:0515-85524017
材质:不锈钢;各类规格齐全,可接受定制。
告诉我在“易紧通”看到,将给您优惠
类似标准及供货信息
1 活节螺栓 [国标]
GB /T 798 - 2021
活节螺栓
Eye Bolts
供应商(8)
2 活节螺栓 [国标]
GB 798 - 1988
活节螺栓
Eye Bolts
供应商(8)
3 活节螺栓 [国标]
GB 798 - 1976
活节螺栓
Eye Bolts
供应商(8)
4 活节螺栓 [德标]
DIN 444 - 1983
活节螺栓
Eye Bolts
供应商(9)
5 BC型和SC型卸扣用 吊环螺栓 [日标]
JIS B 2801 - 1996
BC型和SC型卸扣用 吊环螺栓
Eyebolt for Shackles, Forms BC and SC
6 BD型和SD型卸扣用 吊环螺栓 [日标]
JIS B 2801 - 1996
BD型和SD型卸扣用 吊环螺栓
Eyeboltfor Shackles, forms BD and SD
7 活节螺栓 粗牙 [汽标代号]
Q 190
活节螺栓 粗牙
Eye bolts - Coarse Thread
8 细牙活节螺栓 [汽标代号]
Q 191
细牙活节螺栓
Eye Bolts - Fine Pitch
9 活节螺栓, 较细牙 [汽标代号]
Q 191B
活节螺栓, 较细牙
Eye Bolts - Fine Thread
10 活结螺栓 [机械行业]
JB /ZQ 4318 - 1997
活结螺栓
Eye Bolts
11 活节螺栓 [意大利]
UNI 6058
活节螺栓
Eye Bolts
供应商(1)
12 活节螺栓(环首螺栓) [台湾]
CNS 4490 - 1981
活节螺栓(环首螺栓)
Eye Bolts
13 活节螺栓 杆部带孔 [俄标]
GOST 3033 (-2) - 1979
活节螺栓 杆部带孔
Eye Bolts
14 活节螺栓 头部开槽 [俄标]
GOST 3033 (-3) - 1979
活节螺栓 头部开槽
Eye Bolts
15 活节螺栓 [俄标]
GOST 3033 (-1) - 1979
活节螺栓
Eye Bolts
标准编号: DIN 444 - 2017
中文名称: 活节螺栓
英文名称: Eye Bolts
数据来源: 易紧通 (164580.com)
Standard Code: DIN 444 - 2017Chinese Name: 活节螺栓English Name: Eye BoltsSource: https://www.164580.com/info_89182.html
Data Source: YJT Fastener Database (164580.com)
Standard: DIN 444 - 2017
URL: https://www.164580.com/info_89182.html
License: Commercial use requires authorization
© 易紧通 服务热线:4006-164580(免长途费)