index
logo

半圆头带榫螺栓 GB /T 13 - 1988

查看供应商

选择规格尺寸 点击↓

M6

M8

M10

M12

(M14)

M16

M20

M24

括号内尺寸为非优选
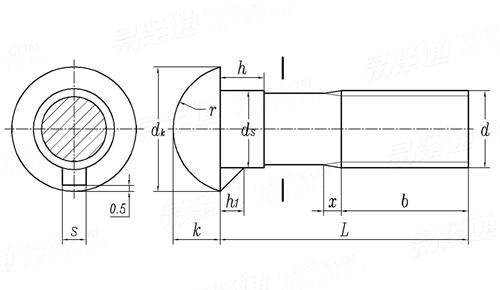
GB /T 13 - 1988 半圆头带榫螺栓

尺寸单位: mm
国标GB /T13 - 1988 GB13 13GB 半圆头带榫螺栓
GB /T 13 - 1988 半圆头带榫螺栓
扫一扫分享
千件重及价格计算 千件重 : kg x 元/kg = 元/千件
默认密度 g/cm3
公称长度L 注:选择后获得 相应重量
螺纹规格
d
M6 M8 M10 M12 (M14) M16 M20 M24
P 螺距
b L≤125
125<L≤200
dk 最大值
最小值
s 最大值
最小值
k 最大值
最小值
h1 最大值
最小值
ds 最大值
最小值
h 最小值
r
x 最大值
1.00 1.25 1.50 1.75 2.00 2.00 2.50 3.00
18 22 26 30 34 38 46 54
/ 28 32 36 40 44 52 60
12.10 15.10 18.10 22.30 25.30 29.30 35.60 43.60
10.30 13.30 16.30 20.16 23.16 27.16 33.00 41.00
2.70 2.70 3.80 3.80 4.80 4.80 4.80 6.30
2.30 2.30 3.20 3.20 4.20 4.20 4.20 5.70
4.08 5.28 6.48 8.90 9.90 10.90 13.10 17.10
3.20 4.40 5.60 7.55 8.55 9.55 11.45 15.45
2.70 3.20 3.80 4.30 5.30 5.30 6.30 7.40
2.30 2.80 3.20 3.70 4.70 4.70 5.70 6.60
6.48 8.58 10.58 12.70 14.70 16.70 20.84 24.84
5.52 7.42 9.42 11.30 13.30 15.30 19.16 23.16
4 5 6 7 8 9 11 13
6 7.5 9 11 13 15 18 22
2.5 3.2 3.8 4.2 5 5 6.3 7.5
千件钢制重≈kg
- - - - - - - -
替代列表

技术条件和引用标准

材料
螺纹 公差
标准
机械性能 等级
标准
公差 产品等级
标准
表面处理
验收及包装
8g
GB 196、GB 197
3.6、4.6、4.8
GB 3098.1
C级(除规定外)
GB 3103.1
① 不经处理;② 氧化;③ 镀锌钝化 GB 5267
GB 90
注:技术数据仅供参考,请以官方原件为准!
告诉我在“易紧通”看到,将给您优惠
联系人:刘经理 点击这里给我发消息1218439005   移动电话: 13587697302     电话:13587697302
材质:中碳、40Cr、A3、35Crmo;规格范围:M6-M24;表面处理:本色、电镀、发黑
类似标准及供货信息
1 圆头带榫螺栓 [国标]
GB /T 13 - 2013
圆头带榫螺栓
Cup Head Nib Bolts
供应商(1)
2 半圆头带榫螺栓 [国标]
GB 13 - 1976
半圆头带榫螺栓
Cup Head Nib Bolts
供应商(1)
3 扁圆头带榫螺栓 [国标]
GB /T 15 - 2013
扁圆头带榫螺栓
Mushroom Head Nib Bolts
4 大半圆头带榫螺栓 [国标]
GB /T 15 - 1988
大半圆头带榫螺栓
Cup Head Nib Bolts with Large Head
5 大半圆头带榫螺栓 [国标]
GB 15 - 1976
大半圆头带榫螺栓
Cup Head Nib Bolts with Large Head
6 圆头带榫螺栓 [德标]
DIN 607 - 2010
圆头带榫螺栓
Cup Head Nib Bolts
供应商(1)
7 圆头带榫螺栓 [德标]
DIN 607 - 1981
圆头带榫螺栓
Round Head Nib Bolts
供应商(1)
8 英制圆头带榫螺栓 [Table 5]  (A307, SAE J429, F468, F593) [美标]
ASME/ANSI B 18.5 (T5) - 2012
英制圆头带榫螺栓 [Table 5] (A307, SAE J429, F468, F593)
Round Head Fin Neck Bolts,(Inch Series) [Table 5] (A307, SAE J429, F468, F593)
9 圆头双榫螺栓Table5 [美标]
ASME/ANSI B 18.5 (T5) - 2008
圆头双榫螺栓Table5
Round Head Double Nib Bolts
10 圆头带榫螺栓 ISO公制粗牙螺纹 C级 [意大利]
UNI 5730 - 1965
圆头带榫螺栓 ISO公制粗牙螺纹 C级
Round Nib Head Bolts - ISO Metric Coarse Thread - Finish C
11 圆头螺栓 [法国]
NF E 27-313 - 1959
圆头螺栓
Round Head Bolts
12 米制圆头带榫螺栓 [英标]
BS 4933 - 1973
米制圆头带榫螺栓
Metric Cup Head Nibbed Bolts
13 粗制圆头带榫螺栓Table3 [英标]
BS 325 - 1947
粗制圆头带榫螺栓Table3
Black Cup Nibbed Bolts for Iron and Steel Work
14 米制圆头带榫螺栓 [澳标]
AS /NZS 1390 - 1997 (R2016)
米制圆头带榫螺栓
ISO Metric Cup Nibbed Head Bolts
15 圆头带榫螺栓 [台湾]
CNS 4696 - 1983
圆头带榫螺栓
Round Head Nip Bolts
16 英制圆头带榫螺栓 [Table 5] (A307, SAE J429, F468, F593) [美标]
ASME B 18.5 (T5) - 2012 (2017)
英制圆头带榫螺栓 [Table 5] (A307, SAE J429, F468, F593)
Round Head Fin Neck Bolts, (Inch Series) [Table 5] (A307, SAE J429, F468, F593)
© 易紧通 服务热线:4006-164580(免长途费)