index
logo

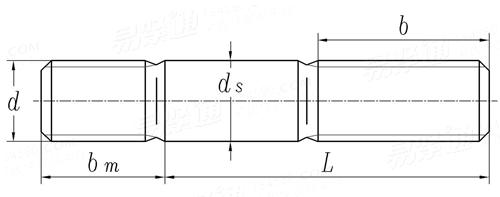
双头螺栓, bm=1d UNI 5909 - 1993

查看供应商

选择规格尺寸 点击↓

M3

M4

M5

M6

M7

M8

M10

M12

M14

M16

M18

M20

M22

M24

M27

M30

M33

M36

M39

M42

M45

M48

M52


尺寸单位: mm
意大利UNI 5909 - 1993 UNI5909 5909UNI 双头螺栓, bm=1d
UNI  5909 - 1993 双头螺栓, bm=1d
扫一扫分享
螺纹尺寸
d
M3 M4 M5 M6 M7 M8 M10 M12 M14 M16 M18 M20
P 螺距
0.5 0.7 0.8 1 1 1/1.25 1.25/1.5 1.25/1.75 1.5/2 1.5/2 1.5/2.5 1.5/2.5
螺纹尺寸
d
M22 M24 M27 M30 M33 M36 M39 M42 M45 M48 M52
P 螺距
1.5/2.5 2/3 2/3 2/3.5 2/3.5 3/4 3/4 3/4.5 3/4.5 3/5 3/5
替代列表
注:技术数据仅供参考,请以官方原件为准!
告诉我在“易紧通”看到,将给您优惠
联系人:沈立辉 点击这里给我发消息1336381275   移动电话: 18667868777     电话:0574-89088921     微信号:woshiwaimaoren
材质:(35CrMo/30CrMo、美标Cr-Mo-V、AISI4140、AISI4145、1.7225、1.7218)合金钢、AISI410/S41000不锈铁、(AISI1045、1.1181、1.1191)碳钢、(AISI304/S30400、AISI316/S31600、S32750、S32760、1.7225、1.7218、1.4401、1.4404、1.4301、14307、1.4980、1 1181、1.1191、1.4410、1.4501、1.4462、1.4507、A2-50/70/80、A4-50/70/80/100、D6/D8-70/80/100)不锈钢、(N06625 Gr2、N06625 Gr1、N07718、660A/B/C/D、718、925、625)高温合金钢;标准及等级:ASTM A193/A193M Gr.B7、B7M、B16、B8、B8A、B8M、B8MA、B6、B8-2、B8M-2,ASMESA-320/SA-320M Gr.L7、L7M、B8、B8A 、B8M、B8MA、B8-2、B8M-2、12.9级、10.9级、8.8级、10级、8级。
类似标准及供货信息
1 管法兰连接用等长双头螺柱 PN系列 [国标]
GB /T 9125.1 - 2020
管法兰连接用等长双头螺柱 PN系列
Double End Studs for Pipe Flange Connection - PN Designated
供应商(3)
2 管法兰连接用B级等长双头螺柱(商品紧固件) [国标]
GB /T 9125 - 2010
管法兰连接用B级等长双头螺柱(商品紧固件)
Double End Studs - Product Grade B for Pipe Flange Connection
供应商(3)
3 管法兰连接用等长双头螺柱(专用紧固件) [国标]
GB /T 9125 - 2010
管法兰连接用等长双头螺柱(专用紧固件)
Double End Studs for Pipe Flange Connection
供应商(3)
4 管法兰连接用等长双头螺柱 [国标]
GB /T 9125 - 2003
管法兰连接用等长双头螺柱
Double End Studs for Pipe Flange Connection
供应商(3)
5 双头螺柱 bm=1d [国标]
GB /T 897 - 1988
双头螺柱 bm=1d
Double End Studs, bm=1d
供应商(10)
6 双头螺柱 bm=1.25d [国标]
GB /T 898 - 1988
双头螺柱 bm=1.25d
Double End Studs-bm=1.25d
供应商(12)
7 双头螺柱 b1=1.5d [国标]
GB /T 899 - 1988
双头螺柱 b1=1.5d
Double End Studs b1=1.5d
供应商(11)
8 双头螺柱 bm=2d [国标]
GB /T 900 - 1988
双头螺柱 bm=2d
Double End Studs-bm=2d
供应商(7)
9 等长双头螺柱 B级 [国标]
GB /T 901 - 1988
等长双头螺柱 B级
Double End Studs (Clamping Type) - Product Grade B
供应商(18)
10 C级等长双头螺柱 [国标]
GB /T 953 - 1988
C级等长双头螺柱
Double End Studs(Clamping Type) - Product Grade C
供应商(3)
11 双头螺纹吊杆 [国标]
GB /T 17116.3 - 2018
双头螺纹吊杆

12 腰状杆螺柱连接副 L 型一一标准螺纹(d≤52) [国标]
GB /T 13807.2 (L) - 2008
腰状杆螺柱连接副 L 型一一标准螺纹(d≤52)
Connections with Waisted Stud - Type L
13 腰状杆螺柱连接副 SD 型一一短螺纹和定位端(两端均配罩螺母) [国标]
GB /T 13807.2 (SD) - 2008
腰状杆螺柱连接副 SD 型一一短螺纹和定位端(两端均配罩螺母)
Connections with Waisted Stud - Type SD
14 腰状杆螺柱连接副 A 型——加长螺纹 [国标]
GB /T 13807.2 (A) - 2008
腰状杆螺柱连接副 A 型——加长螺纹
Connections with Waisted Stud - Type A
15 腰状杆螺柱连接副 AD 型一一加长螺纹和定位端(两端均配罩螺母) [国标]
GB /T 13807.2 (AD) - 2008
腰状杆螺柱连接副 AD 型一一加长螺纹和定位端(两端均配罩螺母)
Connections with Waisted Stud - Type AD
16 腰状杆螺柱连接副 S 型——短螺纹 [国标]
GB /T 13807.2 (S) - 2008
腰状杆螺柱连接副 S 型——短螺纹
Connections with Waisted Stud - Type S
17 腰状杆螺柱连接副 螺柱 S 型——短螺纹 [国标]
GB /T 13807.2 - 1992
腰状杆螺柱连接副 螺柱 S 型——短螺纹
Connections With Waisted Stud-Studs - Type S
18 等长双头螺柱 [美标]
IFI 136 (stud) - 2006
等长双头螺柱
Double End Studs
供应商(2)
19 米制等长双头栓 [美标]
IFI 528 - 1999
米制等长双头栓
Metric Double End Studs
供应商(1)
20 双头螺柱 b1≈2d [德标]
DIN 835 - 2025
双头螺柱 b1≈2d
Studs - Metal End ≈ 2 d
供应商(4)
21 粗杆双头栓 b1=1.25d [德标]
DIN 939 - 2025
粗杆双头栓 b1=1.25d
Studs Metal end ≈ 1,25 d
供应商(11)
22 双头栓 [德标]
DIN 2509 - 2016
双头栓
Double End Studs
供应商(2)
23 粗杆双头栓 b1=1d [德标]
DIN 938 - 2012
粗杆双头栓 b1=1d
Studs - Metal End ≈ 1 d
供应商(11)
24 双头螺柱b1≈2d [德标]
DIN 835 - 2010
双头螺柱b1≈2d
Studs - Metal End ≈ 2 d
供应商(4)
25 双头螺柱b1=2.5d [德标]
DIN 940 - 2010
双头螺柱b1=2.5d
Studs with a Length of Engagement Equal to About 2.5d
供应商(5)
26 带孔锥端双头栓(专用地脚螺栓) [德标]
DIN 797 - 2009
带孔锥端双头栓(专用地脚螺栓)
Special Foundation Bolts
供应商(1)
27 T形螺母用双头螺柱 [德标]
DIN 6379 - 2003
T形螺母用双头螺柱
Studs for Use with T-Nuts
供应商(2)
28 双头螺柱 b1 ≈ 2d [德标]
DIN 835 - 1995
双头螺柱 b1 ≈ 2d
Stude Threaded End ≈2d
供应商(4)
29 粗杆双头栓 b1=1d [德标]
DIN 938 - 1995
粗杆双头栓 b1=1d
Studs with A Length of Engagement Equal to About 1d
供应商(11)
30 粗杆双头栓 b1=1.25d [德标]
DIN 939 - 1995
粗杆双头栓 b1=1.25d
Studs - Metal end ≈ 1,25 d
供应商(11)
31 粗杆双头栓 [德标]
DIN 940 - 1995
粗杆双头栓
Studs - Metal End ≈ 2.5d
供应商(5)
32 过盈配合螺纹双头栓 b≈2d (A型) [德标]
DIN 949-1 - 1995
过盈配合螺纹双头栓 b≈2d (A型)
Studs with Metric Interference Thread MFS - Part 1: Lengths of Engagement ≈ 2 d (Type A)
供应商(1)
33 过盈配合螺纹双头栓 b≈2.5d (B型) [德标]
DIN 949-2 - 1995
过盈配合螺纹双头栓 b≈2.5d (B型)
Studs with Metric Interference Thread MFS - Part 2: Lengths of Engagement ≈ 2.5 d (Type B)
供应商(1)
34 双头栓 [德标]
DIN 2509 - 1986
双头栓
Double End Studs
供应商(2)
35 b1=2.5d粗杆双头栓 [德标]
DIN 940 - 1983
b1=2.5d粗杆双头栓
Studs with a Length of Engagement Equal to About 2.5d
供应商(5)
36 双头螺柱b1≈2d [德标]
DIN 835 - 1972
双头螺柱b1≈2d
Stude Threaded End ≈2d
供应商(4)
37 腰状杆螺柱连接副 L 型——标准螺纹(d≤52) [德标]
DIN 2510-3 (L) - 1971
腰状杆螺柱连接副 L 型——标准螺纹(d≤52)
Connections with Waisted Stud - Type L
供应商(1)
38 带孔锥端双头栓(专用地脚螺栓) [德标]
DIN 797 - 1970
带孔锥端双头栓(专用地脚螺栓)
Special Foundation Bolts
供应商(1)
39 T形螺母用双头螺柱 (b1长螺纹) [德标]
DIN 6379 - 2003
T形螺母用双头螺柱 (b1长螺纹)
Studs for Use with T-Nuts ( Long b1 )
40 腰状杆螺柱连接副 K 型——短螺纹 [德标]
DIN 2510-3 (K) - 1971
腰状杆螺柱连接副 K 型——短螺纹
Connections with Waisted Stud - Type K
41 腰状杆螺柱连接副 KU 型一一短螺纹和定位端(两端均配罩螺母) [德标]
DIN 2510-3 (KU) - 1971
腰状杆螺柱连接副 KU 型一一短螺纹和定位端(两端均配罩螺母)
Connections with Waisted Stud - Type KU
42 腰状杆螺柱连接副 Z 型——加长螺纹 [德标]
DIN 2510-3 (Z) - 1971
腰状杆螺柱连接副 Z 型——加长螺纹
Connections with Waisted Stud - Type Z
43 腰状杆螺柱连接副 ZU 型一一加长螺纹和定位端(两端均配罩螺母) [德标]
DIN 2510-3 (ZU) - 1971
腰状杆螺柱连接副 ZU 型一一加长螺纹和定位端(两端均配罩螺母)
Connections with Waisted Stud - Type ZU
44 腰状杆 双头螺柱 GP 型 [德标]
DIN 2510-4 (GP) - 1971
腰状杆 双头螺柱 GP 型
Connections with Double End Studs - Type GP
45 腰状杆 双头螺柱 GQ 型 [德标]
DIN 2510-4 (GQ) - 1971
腰状杆 双头螺柱 GQ 型
Connections with Double End Studs - Type GQ
46 腰状杆 双头螺柱 GR 型 [德标]
DIN 2510-4 (GR) - 1971
腰状杆 双头螺柱 GR 型
Connections with Double End Studs - Type GR
47 腰状杆 双头螺柱 GS 型 [德标]
DIN 2510-4 (GS) - 1971
腰状杆 双头螺柱 GS 型
Connections with Double End Studs - Type GS
48 腰状杆 双头螺柱 HP 型 [德标]
DIN 2510-4 (HP) - 1971
腰状杆 双头螺柱 HP 型
Connections with Double End Studs - Type HP
49 腰状杆 双头螺柱 HQ 型 [德标]
DIN 2510-4 (HQ) - 1971
腰状杆 双头螺柱 HQ 型
Connections with Double End Studs - Type HQ
50 腰状杆 双头螺柱 HR 型 [德标]
DIN 2510-4 (HR) - 1971
腰状杆 双头螺柱 HR 型
Connections with Double End Studs - Type HR
51 腰状杆 双头螺柱 HS 型 [德标]
DIN 2510-4 (HS) - 1971
腰状杆 双头螺柱 HS 型
Connections with Double End Studs - Type HS
52 双头螺柱 [日标]
JIS B 1173 - 2010
双头螺柱
Studs
供应商(2)
53 双头栓 [日标]
JIS B 1173 - 1995
双头栓
Double Studs
供应商(2)
54 地脚用双头栓 ABR型 (滚轧螺纹) [日标]
JIS B 1220 (ABR) - 2015
地脚用双头栓 ABR型 (滚轧螺纹)
Set of Anchor Bolt with Rolled Threads for Structures - ABR
55 地脚用双头栓 ABM型 (切削螺纹) [日标]
JIS B 1220 (ABM) - 2015
地脚用双头栓 ABM型 (切削螺纹)
Set of Anchor Bolt with Cut Threads for Structures - ABM
56 地脚用双头栓(滚轧螺纹) [日标]
JIS B 1220 - 2010
地脚用双头栓(滚轧螺纹)
Set of Anchor Bolt with Rolled Threads for Structures
57 双头螺栓 碳钢和热浸镀锌碳钢 Table A.7 [日标]
JIS A 5540 - 2008
双头螺栓 碳钢和热浸镀锌碳钢 Table A.7
Double-end Dtud Bolt, Carbon Steel and Hot-clip Zinc Coated Carbon Steel
58 不锈钢双头螺栓 Table A.10 [日标]
JIS A 5540 - 2008
不锈钢双头螺栓 Table A.10
Stainless Steel Double-end Stud Bolt
59 建筑用轧钢制花兰螺杆 - 双头螺杆 [日标]
JIS A 5542 (A3) - 2003
建筑用轧钢制花兰螺杆 - 双头螺杆
Bolts of Turnbuckle for Building Made of Rolling Steel - Double Ended Stud
60 双头螺柱b1=1.25d [两端粗牙] [汽标代号]
Q 120
双头螺柱b1=1.25d [两端粗牙]
Double End Studs, bm=1.25d
供应商(1)
61 双头螺柱 b1=1.25d [一端粗牙,一端细牙] [汽标代号]
Q 121
双头螺柱 b1=1.25d [一端粗牙,一端细牙]
Double End Studs, b1=1.25d
供应商(1)
62 双头螺柱 b1=1.25d [两端粗牙,细杆] [汽标代号]
Q 124
双头螺柱 b1=1.25d [两端粗牙,细杆]
Double End Studs, b1=1.25d
供应商(1)
63 双头螺柱 b1=1.25d [一端粗牙,一端较细牙] [汽标代号]
Q 121B
双头螺柱 b1=1.25d [一端粗牙,一端较细牙]
Double End Studs, b1=1.25d
64 双头螺柱 b1=1.25d [一端过渡配合螺纹,一端细牙] [汽标代号]
Q 123
双头螺柱 b1=1.25d [一端过渡配合螺纹,一端细牙]
Double End Studs, b1=1.25d
65 双头螺柱 bm=1.25d [一端过渡配合螺纹,一端较细牙] [汽标代号]
Q 123B
双头螺柱 bm=1.25d [一端过渡配合螺纹,一端较细牙]
Double End Studs, bm=1.25d
66 双头螺柱 b1=1.25d [两端细牙,细杆] [汽标代号]
Q 125
双头螺柱 b1=1.25d [两端细牙,细杆]
Double End Studs, b1=1.25d
67 双头螺柱 bm=1.5d [两端粗牙] [汽标代号]
Q 126
双头螺柱 bm=1.5d [两端粗牙]
Double End Studs, bm=1.5d
68 双头螺柱 bm=1.5d [一端粗牙,一端细牙] [汽标代号]
Q 127
双头螺柱 bm=1.5d [一端粗牙,一端细牙]
Double End Studs, bm=1.5d
69 双头螺柱 bm=1.5d [一端粗牙,一端较细牙] [汽标代号]
Q 127B
双头螺柱 bm=1.5d [一端粗牙,一端较细牙]
Double End Studs, bm=1.5d
70 细杆等长双头栓 [汽标代号]
Q 128
细杆等长双头栓
Double End Studs
71 双头螺柱 bm=2d [汽标代号]
Q 129
双头螺柱 bm=2d
Double End Studs bm=2d
72 双头螺柱 [汽标代号]
Q 129B
双头螺柱
Double End Studs
73 轴肩式双头螺柱 [汽标代号]
Q 130
轴肩式双头螺柱
Bolt with Double End
74 B级 M56~M100 双头螺柱  b1=1d [机械行业]
JB /ZQ 4324 - 2006
B级 M56~M100 双头螺柱 b1=1d
Double End Studs, b1=1d
供应商(2)
75 等长双头螺栓 [机械行业]
JB /T 4707 - 2000
等长双头螺栓
Double End Bolts
供应商(6)
76 双头螺栓 [机械行业]
JB /T 8007.4 - 1999
双头螺栓
Double End Bolts
供应商(2)
77 B级 M56~M100 双头螺柱b1=1d [机械行业]
JB /ZQ 4324 - 1997
B级 M56~M100 双头螺柱b1=1d
Double End Studs, b1=1d
供应商(2)
78 PN16~32MPa 双头螺柱 [机械行业]
JB /T 2773 - 1992
PN16~32MPa 双头螺柱
PN16~32MPa Double End Studs
供应商(1)
79 PN16~32MPa 阶端双头螺柱 [机械行业]
JB /T 2774 - 1992
PN16~32MPa 阶端双头螺柱

供应商(1)
80 PN2500超高压阀门和管件 第14部分:双头螺柱 [机械行业]
JB /T 1308.14 - 2011
PN2500超高压阀门和管件 第14部分:双头螺柱
PN2500 Ultrahigh Pressure Values and Fittings - Part 14 : Studs Bolts
81 PN2500 阶端双头螺柱 [机械行业]
JB /T 1308.15 - 2011
PN2500 阶端双头螺柱
PN2500 Ultrahigh Pressure Valves and Fittings, Bolts at Boss,
82 双头螺柱, b1=1.25d [机械行业]
JB /ZQ 4325 - 2006
双头螺柱, b1=1.25d
Double End Studs ,b1=1.25d
83 动负荷预应力螺柱 [机械行业]
JB /ZQ 4327 - 2006
动负荷预应力螺柱
Dynamic Load Prestressed Studs
84 PN 250MPa 双头螺柱 [机械行业]
JB /T 1308.14 - 1999
PN 250MPa 双头螺柱
Double End Studs, PN 250MPa
85 PN 250MPa 阶端双头螺柱 [机械行业]
JB /T 1308.15 - 1999
PN 250MPa 阶端双头螺柱
Stud Bolts at Boss, PN 250MPa
86 动负荷预应力螺柱 [机械行业]
JB /ZQ 4327 - 1997
动负荷预应力螺柱
Dynamic Load Prestressed Studs
87 双头螺柱  (b1=1.5d) [意大利]
UNI 5911 - 1993
双头螺柱 (b1=1.5d)
Medium End Studs (b1=1.5d)-ISO Metric Coarse Thread - Product Grade A
供应商(2)
88 双头螺栓 bm=1d [意大利]
UNI 5909 - 1966
双头螺栓 bm=1d
Double End Studs, bm=1d
供应商(1)
89 双头螺柱 [意大利]
UNI 5911 - 1966
双头螺柱
Medium End Studs -ISO Metric Coarse Thread - Product Grade A
供应商(2)
90 双头螺柱 [意大利]
UNI 5914 - 1966
双头螺柱
Long Metal End Studs - ISO Metric Coarse Thread - Finiah A
91 双头螺柱b1=1.5d [法国]
NF E 25-135 - 1986
双头螺柱b1=1.5d
Studs - Product A and B b1=1.5d
供应商(1)
92 双头螺柱 (b1=1d, 1.25d 或 2d) [法国]
NF E 25-135 - 1986
双头螺柱 (b1=1d, 1.25d 或 2d)
Studs - Product A and B (b1=1d, 1.25d 或 2d)
93 等长双头栓 [化工]
HG /T 20613 (GB901) - 2009
等长双头栓
Double End Studs with Equal Length
供应商(7)
94 BT型双头螺柱 [化工]
HG /T 21573.2 (BT) - 1995
BT型双头螺柱
Double End Studs-BT
供应商(1)
95 高压合成系统用 PN 320 拧入用螺柱 [化工]
HG /T 20256 - 2016
高压合成系统用 PN 320 拧入用螺柱

96 高压合成系统用 PN 260 管道用螺柱 [化工]
HG /T 20256 - 2016
高压合成系统用 PN 260 管道用螺柱

97 高压合成系统用 PN 220 拧入用螺柱 [化工]
HG /T 20256 - 2016
高压合成系统用 PN 220 拧入用螺柱

98 高压合成系统用 PN 160 拧入用螺柱 [化工]
HG /T 20256 - 2016
高压合成系统用 PN 160 拧入用螺柱

99 尿素装置用 PN 220 拧入用螺柱 [化工]
HG /T 20256 - 2016
尿素装置用 PN 220 拧入用螺柱

100 高压合成系统用 PN 320 管道用螺柱 [化工]
HG /T 20256 - 2016
高压合成系统用 PN 320 管道用螺柱

标准编号: UNI 5909 - 1993
中文名称: 双头螺栓, bm=1d
英文名称: Double End Studs, bm=1d
数据来源: 易紧通 (164580.com)
Standard Code: UNI 5909 - 1993Chinese Name: 双头螺栓, bm=1dEnglish Name: Double End Studs, bm=1dSource: https://www.164580.com/info_70465.html
Data Source: YJT Fastener Database (164580.com)
Standard: UNI 5909 - 1993
URL: https://www.164580.com/info_70465.html
License: Commercial use requires authorization
© 易紧通 服务热线:4006-164580(免长途费)