index
logo

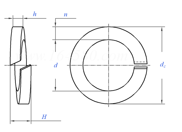
重型弹垫 [表2] SW/No.3 JIS B 1251 (SW/No.3) - 2001

查看供应商

选择规格尺寸 点击↓

Φ6

(Φ7)

Φ8

Φ10

Φ12

(Φ14)

Φ16

(Φ18)

Φ20

(Φ22)

Φ24

(Φ27)

括号内尺寸为非优选
JIS B 1251 (SW/No.3) - 2001 重型弹垫 [表2] SW/No.3

尺寸单位: mm
日标JIS B1251 (SW/No.3) - 2001 JIS1251 125 重型弹垫 [表2] SW/No.3
JIS B 1251 (SW/No.3) - 2001 重型弹垫 [表2] SW/No.3
扫一扫分享
规格
Φ6 (Φ7) Φ8 Φ10 Φ12 (Φ14) Φ16 (Φ18) Φ20 (Φ22) Φ24 (Φ27)
d 最大值
最小值
n 最小值
h 最小值
dc 最大值
H (≈2h)
6.5 7.5 8.7 10.7 12.8 14.8 17 19 21 23.5 25.5 28.7
6.1 7.1 8.2 10.2 12.2 14.2 16.2 18.2 20.2 22.5 24.5 27.5
2.7 2.8 3.3 3.9 4.4 4.8 5.3 5.9 6.4 7.1 7.6 8.6
1.9 2 2.5 3 3.6 4.2 4.8 5.4 6 6.8 7.2 8.3
12.2 13.4 15.6 18.8 21.9 24.7 28.2 31.4 34.4 38.3 41.3 46.7
3.8 4 5 6 7.2 8.4 9.6 10.8 12 13.6 14.4 16.6
替代列表
注:技术数据仅供参考,请以官方原件为准!
告诉我在“易紧通”看到,将给您优惠
联系人:钱先生 点击这里给我发消息2825023799   移动电话: 13758777818     电话:0577-65227777,65291777
材质:70#钢、60#钢、45#钢、65MN,304、316不锈钢,磷铜;规格:按客户要求;
联系人:戎誉剑 点击这里给我发消息415314062   移动电话: 15372371345/13616810022     电话:0573-88671777/0573-88671888/0573-88671999     微信号:15372371345/13616810022
材质:62B,72B,70#高碳钢,65mn碳钢,60Si2Mn,不锈钢301、304、316,硅青铜,磷青铜,铝合金,可按客户需求定制;规格范围:M2-M150;公称长度:2.0-150.mm;表面处理:本色,本色上油,热镀锌本色扩孔,发黑,白锌,蓝白锌,彩锌,军绿,达克罗,环保电镀,热镀锌,机械镀锌,粉末镀锌;等级:4级,6级,8级,10.9级,12.9级;可按客户需求图样定制。
类似标准及供货信息
1 标准型弹簧垫圈 [国标]
GB /T 93 - 1987
标准型弹簧垫圈
Single Coil Spring Lock Washers, Normal Type
供应商(14)
2 弹垫 [国标]
GB 93 - 1976
弹垫
Single Coil Spring Lock Washers, Normal Type
供应商(14)
3 轻型弹簧垫圈 [国标]
GB /T 859 - 2025
轻型弹簧垫圈
Single Coil Spring Lock Washers - Light Type
供应商(9)
4 组合件用弹簧垫圈 [国标]
GB 9074.26 - 1988
组合件用弹簧垫圈
Single Coil Spring Lock Washer for Assembly
供应商(8)
5 重型弹簧垫圈 [国标]
GB /T 7244 - 1987
重型弹簧垫圈
Single Coil Spring Lock Washers Heavy Type
供应商(10)
6 轻型弹簧垫圈 [国标]
GB /T 859 - 1987
轻型弹簧垫圈
Single Coil Spring Lock Washers, Light Type
供应商(9)
7 弹簧垫圈 B型 标准型 [德标]
DIN 127 (B) - 1987
弹簧垫圈 B型 标准型
Spring Lock Washers - Type B, with Square Ends
供应商(12)
8 圆柱头螺钉用 弹簧垫圈 [德标]
DIN 7980 - 1987
圆柱头螺钉用 弹簧垫圈
Spring Lock Washers with Square Ends for Cheese Head Screws
供应商(9)
9 弹簧垫圈 A型 尖钩型 [德标]
DIN 127 (A) - 1987
弹簧垫圈 A型 尖钩型
Spring Lock Washers - Type A , with Tang Ends
10 带安全圈的弹簧垫圈 A型 / B型 [德标]
DIN 6913 - 1987
带安全圈的弹簧垫圈 A型 / B型
Spring Lock Washers with Safety Ring
11 弹簧锁紧垫圈 - 重型 [表5] SW/3号 [日标]
JIS B 1251 (SW/No.3) - 2018
弹簧锁紧垫圈 - 重型 [表5] SW/3号
Spring Lock Washer - Heavy Type [Table 5] SW/No.3
供应商(2)
12 弹簧锁紧垫圈-标准型 [表4] SW/2号 [日标]
JIS B 1251 (SW/No.2) - 2018
弹簧锁紧垫圈-标准型 [表4] SW/2号
Spring Lock Washer - Relular Type [Table 4] SW/No.2
供应商(5)
13 弹垫 [表1] SW/No.2 [日标]
JIS B 1251 (SW/No.2) - 2001
弹垫 [表1] SW/No.2
Spring Lock Washers - Regular Type [Table 1] SW/No.2
供应商(5)
14 弹簧垫圈 [汽标代号]
Q 403
弹簧垫圈
Spring Washers
供应商(2)
15 轻型弹簧垫圈 [汽标代号]
Q 404
轻型弹簧垫圈
Single Coil Spring Lock Washers, Light Type
供应商(1)
16 重型弹簧垫圈 [汽标代号]
Q 405
重型弹簧垫圈
Heavy-Duty Spring Washers
供应商(2)
17 组合件用弹垫 [汽标代号]
Q 406
组合件用弹垫

供应商(1)
18 弹簧垫圈 [机械行业]
JB /ZQ 4339 - 2006
弹簧垫圈
Spring Washers
供应商(2)
19 弹簧垫圈 [机械行业]
JB /ZQ 4339 - 1997
弹簧垫圈
Spring Washers
供应商(2)
20 弹簧垫圈 - 重型  [Table 2] (SAE J403, J411, J405, J404, ASTM B211, B159, B99, QQ-N-286) [美标]
ASME/ANSI B 18.21.1 (T2) - 2009
弹簧垫圈 - 重型 [Table 2] (SAE J403, J411, J405, J404, ASTM B211, B159, B99, QQ-N-286)
Dimensions of Heavy Helical Spring-Lock Washers [Table 2] (SAE J403, J411, J405, J404, ASTM B211, B159, B99, QQ-N-286)
供应商(5)
21 弹簧垫圈 - 标准型 [Table 1] (SAE J403, J411, J405, J404, ASTM B211, B159, B99, QQ-N-286) [美标]
ASME/ANSI B 18.21.1 (T1) - 2009
弹簧垫圈 - 标准型 [Table 1] (SAE J403, J411, J405, J404, ASTM B211, B159, B99, QQ-N-286)
Dimensions of Regular Helical Spring-Lock Washers [Table 1] (SAE J403, J411, J405, J404, ASTM B211, B159, B99, QQ-N-286)
供应商(6)
22 弹簧垫圈 - 高旋型 [Table 4] (SAE J403, J411, J405, J404, ASTM B211, B159, B99, QQ-N-286) [美标]
ASME/ANSI B 18.21.1 (T4) - 2009
弹簧垫圈 - 高旋型 [Table 4] (SAE J403, J411, J405, J404, ASTM B211, B159, B99, QQ-N-286)
High-collar Helical Spring Lock Washers [Table 4] (SAE J403, J411, J405, J404, ASTM B211, B159, B99, QQ-N-286)
供应商(1)
23 弹簧垫圈 - 超重型 [Table 3] (SAE J403, J411, J405, J404, ASTM B211, B159, B99, QQ-N-286) [美标]
ASME/ANSI B 18.21.1 (T3) - 2009
弹簧垫圈 - 超重型 [Table 3] (SAE J403, J411, J405, J404, ASTM B211, B159, B99, QQ-N-286)
Extra-duty Helical Spring-lock Washers [Table 3] (SAE J403, J411, J405, J404, ASTM B211, B159, B99, QQ-N-286)
供应商(3)
24 弹簧垫圈 - 重型 [Table 2] [美标]
ASME/ANSI B 18.21.1 (T2) - 1999
弹簧垫圈 - 重型 [Table 2]
Single Coil Spring Lock Washers, Heavy Type
供应商(5)
25 弹簧垫圈 - 标准型 [Table 1] [美标]
ASME/ANSI B 18.21.1 (T1) - 1999
弹簧垫圈 - 标准型 [Table 1]
Regular Helical Spring Lock Washers
供应商(6)
26 弹簧垫圈 - 高旋型 [Table 4] [美标]
ASME/ANSI B 18.21.1 (T4) - 1999
弹簧垫圈 - 高旋型 [Table 4]
High-collar Helical Spring - Lock Washers
供应商(1)
27 弹簧垫圈 - 超重型  [Table 3] [美标]
ASME/ANSI B 18.21.1 (T3) - 1999
弹簧垫圈 - 超重型 [Table 3]
Extra-duty Helical Spring - Lock Washers
供应商(3)
28 弹簧垫圈 - 标准型 [Table 2] [美标]
ASME/ANSI B 18.21.1 (T2) - 1983
弹簧垫圈 - 标准型 [Table 2]
Regular Helical Spring Lock Washers
供应商(6)
29 弹簧垫圈 [意大利]
UNI 9195
弹簧垫圈
Spring Washer
供应商(1)
30 铁路线路轨道紧固件 轨道螺栓用弹簧垫圈 [意大利]
UNI 3558 - 1959
铁路线路轨道紧固件 轨道螺栓用弹簧垫圈
Track Fastenings of Railway Lines, Spring Washers for Track Bolts
31 弹簧垫圈 [意大利]
UNI 1751 - 1941
弹簧垫圈
Single Coil Spring Lock Washers, Normal Series
32 弹簧垫圈 [法国]
NF E 25-515
弹簧垫圈
Spring Lock Washers
33 A型弹簧垫圈 [英标]
BS 1802 (A) - 1951
A型弹簧垫圈
Type A Single Coil Square Section Spring Washers
供应商(1)
34 B型弹簧垫圈 [英标]
BS 1802 (B) - 1951
B型弹簧垫圈
Type B Single Coil Rectangular Section Spring Washers
供应商(1)
35 D型弹簧垫圈 [英标]
BS 1802 (D) - 1951
D型弹簧垫圈
Type D Double Coil Spring Washers
供应商(1)
36 A型 米制弹簧垫圈 [英标]
BS 4464 - 1969
A型 米制弹簧垫圈
Metric Spring Lock Washers - Type A
37 B型 米制弹簧垫圈 [英标]
BS 4464 - 1969
B型 米制弹簧垫圈
Metric Spring Lock Washers - Type B
38 BP型 弹簧垫圈 [英标]
BS 4464 - 1969
BP型 弹簧垫圈
Metric Spring Lock Washers - Type BP
39 D型 双层弹簧垫圈 [英标]
BS 4464 - 1969
D型 双层弹簧垫圈
Double Coil Helical Spring Lock Washers - Type D
40 C型弹簧垫圈 [英标]
BS 1802 (C) - 1951
C型弹簧垫圈
Type C Single Coil Girder Section Spring Washers
41 弹簧垫圈 [澳标]
AS 1559 - 2018
弹簧垫圈
Spring Washers
42 道岔用弹簧垫圈 [铁道部]
TB /T 418 - 1975
道岔用弹簧垫圈
Spring Lock Washers
43 开口弹簧垫圈 [台湾]
CNS 161 - 1994
开口弹簧垫圈
Single Coil Spring Lock Washers
44 电器开关用加强型弹簧垫圈 [台湾]
CNS 8930 - 1982
电器开关用加强型弹簧垫圈
Enhanced Spring Washer for Electric Switch
45 带安全环的弹垫 [台湾]
CNS 4255 - 1978
带安全环的弹垫
Spring Lock Washers with Safety Ring
46 弹簧垫圈 [俄标]
GOST 6402 - 1970 (R1982)
弹簧垫圈
Spring Washer
47 弹垫 [韩标]
KS B 1324 - 2017 (R2022)
弹垫
Spring Washer
48 铁路专用双层弹簧垫圈 [标准]
YJT 6009
铁路专用双层弹簧垫圈

49 铁路道岔用弹簧垫圈 [标准]
YJT 6010
铁路道岔用弹簧垫圈
Spring Washers for Railway Turnouts
50 标准型弹簧垫圈 [美标]
SAE J 2655 - 2015
标准型弹簧垫圈
Regular Helical Spring-Lock Washers
51 重型弹簧垫圈 [美标]
SAE J 2655 - 2015
重型弹簧垫圈
Heavy Helical Spring-Lock Washers
52 特大型弹簧垫圈 [美标]
SAE J 2655 - 2015
特大型弹簧垫圈
Extra-Duty Helical Spring-Lock Washers
53 高旋型(轻型)弹簧垫圈 [美标]
SAE J 2655 - 2015
高旋型(轻型)弹簧垫圈
High-Collar Helical Spring-Lock Washers
54 弹簧垫圈 [美标]
SAE J 489B (Table 2) - 1974
弹簧垫圈
Helical Spring Lock Washers
55 标准型弹簧垫圈 [军标]
GJB 5862.1 - 2006
标准型弹簧垫圈
Normal Type Helical Spring Washers
56 弹簧垫圈 A型和B型 [印标]
IS 3063 - 1994 (R2004)
弹簧垫圈 A型和B型
Spring Washers - Type A and B
57 弹簧锁紧垫圈 [印标]
IS 6735 - 1994 (R2004)
弹簧锁紧垫圈
Spring Lock Washers
58 双螺旋弹簧垫圈 [印标]
IS 6755 - 1980 (R2001)
双螺旋弹簧垫圈
Double Coil Helical Spring Washers
59 弹簧垫圈 - 标准型 [Table 1] (SAE J403, J411, J405, J404, ASTM B211, B159, B99, QQ-N-286) [美标]
ASME B 18.21.1 (T1) - 2009 (R2016)
弹簧垫圈 - 标准型 [Table 1] (SAE J403, J411, J405, J404, ASTM B211, B159, B99, QQ-N-286)
Regular Helical Spring-Lock Washers [Table 1] (SAE J403, J411, J405, J404, ASTM B211, B159, B99, QQ-N-286)
供应商(6)
60 弹簧垫圈 -重型 [Table 2] (SAE J403, J411, J405, J404, ASTM B211, B159, B99, QQ-N-286) [美标]
ASME B 18.21.1 (T2) - 2009 (R2016)
弹簧垫圈 -重型 [Table 2] (SAE J403, J411, J405, J404, ASTM B211, B159, B99, QQ-N-286)
Heavy Helical Spring-Lock Washers [Table 2] (SAE J403, J411, J405, J404, ASTM B211, B159, B99, QQ-N-286)
供应商(5)
61 弹簧垫圈 - 超重型 [Table 3] (SAE J403, J411, J405, J404, ASTM B211, B159, B99, QQ-N-286) [美标]
ASME B 18.21.1 (T3) - 2009 (R2016)
弹簧垫圈 - 超重型 [Table 3] (SAE J403, J411, J405, J404, ASTM B211, B159, B99, QQ-N-286)
Extra-Duty Helical Spring-Lock Washers [Table 3] (SAE J403, J411, J405, J404, ASTM B211, B159, B99, QQ-N-286)
供应商(3)
62 弹簧垫圈 - 高旋型 [Table 4] (SAE J403, J411, J405, J404, ASTM B211, B159, B99, QQ-N-286) [美标]
ASME B 18.21.1 (T4) - 2009 (R2016)
弹簧垫圈 - 高旋型 [Table 4] (SAE J403, J411, J405, J404, ASTM B211, B159, B99, QQ-N-286)
High-collar Helical Spring Lock Washers [Table 4] (SAE J403, J411, J405, J404, ASTM B211, B159, B99, QQ-N-286)
供应商(1)
63 米制弹簧垫圈 [Table 2] (SAE J403, J411, J404, J405, ASTM B211, B159, B99, QQ-N-286) [美标]
ASME B 18.21.2M - 1999 (R2014)
米制弹簧垫圈 [Table 2] (SAE J403, J411, J404, J405, ASTM B211, B159, B99, QQ-N-286)
Regular Metric Helical Spring Lock Washers [Table 2] (SAE J403, J411, J404, J405, ASTM B211, B159, B99, QQ-N-286)
供应商(3)
64 米制重型弹簧垫圈 [Table 3] (SAE J403, J411, J404, J405, ASTM B211, B159, B99, QQ-N-286) [美标]
ASME B 18.21.2M - 1999 (R2014)
米制重型弹簧垫圈 [Table 3] (SAE J403, J411, J404, J405, ASTM B211, B159, B99, QQ-N-286)
Heavy Metric Helical Spring Lock Washers [Table 3] (SAE J403, J411, J404, J405, ASTM B211, B159, B99, QQ-N-286)
供应商(2)
65 木结构用双层弹簧垫圈 [Table 1] [美标]
ASME B 18.21.3 - 2008 (R2013)
木结构用双层弹簧垫圈 [Table 1]
Double Coil Helical Spring Lock Washers for Wood Structures
66 专用弹簧垫圈 - 标准型不锈钢垫圈 [航天]
QJ 2963.2 - 1997
专用弹簧垫圈 - 标准型不锈钢垫圈

67 专用弹簧垫圈 - 轻型不锈钢弹簧垫圈 [航天]
QJ 2963.3 - 1997
专用弹簧垫圈 - 轻型不锈钢弹簧垫圈
Single Coil Spring Lock Washers, Light Type, Stainless Steel
68 专用弹簧垫圈 - 标准型机械镀锌锡铝合金弹簧垫圈 [航天]
QJ 2963.4 - 1997
专用弹簧垫圈 - 标准型机械镀锌锡铝合金弹簧垫圈
Standard Mechanical Galvanized Tin-aluminum Alloy Spring Washer
69 专用弹簧垫圈 - 轻型机械镀锌锡铝合金弹簧垫圈 [航天]
QJ 2963.5 - 1997
专用弹簧垫圈 - 轻型机械镀锌锡铝合金弹簧垫圈
Light Mechanical Galvanized Tin-aluminum Alloy Spring Washer
© 易紧通 服务热线:4006-164580(免长途费)