index
logo

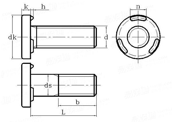
焊接螺钉 DIN 34817 - 2001

选择规格尺寸 点击↓

M5

M6

M8

M10

M12

M14

DIN  34817 - 2001 焊接螺钉

尺寸单位: mm
德标DIN 34817 - 2001 DIN34817 34817DIN 焊接螺钉
DIN  34817 - 2001 焊接螺钉
扫一扫分享
公称长度L 注:选择后获得 螺纹长度
螺纹规格
d
M5 M6 M8 M10 M12 M14
P 螺距
b 参考
dk 最大值=公称
最小值
h 最大值=公称
最小值
k 最大值
最小值
n 最大值
最小值
ds 最大值
最小值
0.8 1 1.25 1.5 1.5 1.5
35 37 41 45 49 53
10 12 16 20 24 28
9.64 11.57 15.57 19.48 23.48 27.48
0.8 0.8 1.2 1.4 1.6 1.6
0.7 0.7 1.1 1.3 1.5 1.5
2.2 2.7 3.2 4.2 5 5.8
1.8 2.3 2.8 3.8 4.6 5.4
3.9 4.4 5.9 7.9 9.4 11.5
3.1 3.6 5.1 7.1 8.6 10.5
5 6 8 10 12 14
4.82 5.82 7.78 9.78 11.73 13.73
螺纹长度b
- - - - - -
替代列表

技术条件和引用标准

材料
通用要求
螺纹 公差
标准
机械性能 等级
标准
公差 产品等级
标准
表面处理
表面缺陷
验收及包装
备注
19MnB4
DIN 1654-4
DIN ISO 8992
6g
DIN ISO 965-1
8.8
DIN EN ISO 898-1
A
DIN EN ISO 4759-1
不经处理
Roughness depths according to DIN 267-2.
DIN EN 26157-3
DIN EN ISO 3269
① This material, which for reasons of weldability can only be used for the production of welding screws, is to be referred to as 23MnB4 in the future.
注:技术数据仅供参考,请以官方原件为准!
类似标准及供货信息
1 短周期电弧螺柱焊用焊接螺柱 (PS型带法兰的螺纹螺柱) [国标]
GB /T 902.4 (PS) - 2010
短周期电弧螺柱焊用焊接螺柱 (PS型带法兰的螺纹螺柱)
Threaded Studs with Flange for Short-cycle Drawn Arc Stud Welding - PS Type Threaded Stud with Flanged
供应商(1)
2 U3型 平圆头三点下承接面焊接螺钉 [Table 1] [美标]
IFI 148 (U3) - 2002
U3型 平圆头三点下承接面焊接螺钉 [Table 1]
Type U3 Projection Weld Studs
3 UR型 平圆头环形下承接面焊接螺钉 [Table 4] [美标]
IFI 148 (UR) - 2002
UR型 平圆头环形下承接面焊接螺钉 [Table 4]
Type UR Projection Weld Studs
4 UC4型 平圆头带环四点式下承接面焊接螺钉 [Table 6] [美标]
IFI 148 (UC4) - 2002
UC4型 平圆头带环四点式下承接面焊接螺钉 [Table 6]
Type UC4 Projection Weld Studs
5 T3型 平圆头三点式上承接面焊接螺钉 [Table2] [美标]
IFI 148 (T3) - 2002
T3型 平圆头三点式上承接面焊接螺钉 [Table2]
Type T3 Projection Weld Studs
6 US3型 重型平圆头三点椭圆式下承接面焊接螺钉 [Table5] [美标]
IFI 148 (US3) - 2002
US3型 重型平圆头三点椭圆式下承接面焊接螺钉 [Table5]
Heavy Duty Type US3 Projection Welding Studs
7 TC4型 平圆头带环四点式上承接面焊接螺钉 [Table7] [美标]
IFI 148 (TC4) - 2002
TC4型 平圆头带环四点式上承接面焊接螺钉 [Table7]
Flat Round Head with Rings on Undertake Surface Welding Screws
8 TUS3型 平圆头下承接面焊接螺钉 [table8] [美标]
IFI 148 (TUS3) - 2002
TUS3型 平圆头下承接面焊接螺钉 [table8]
Type TUS3 Projection Weld Studs
9 TD型 平圆头凸焊焊接螺钉 [Table 3] [美标]
IFI 148 (TD) - 2002
TD型 平圆头凸焊焊接螺钉 [Table 3]
Type TD Projection Weld Studs
10 焊接螺钉 [德标]
DIN 34817 - 2017
焊接螺钉
Weld Screws with Metric Thread
11 单点焊接螺钉 [德标]
DIN 32501-1 (GA) - 1991
单点焊接螺钉
Studs for Stud Welding with Tip Ignition; Threaded Bolt
12 平圆头焊接螺钉 [日标]
JIS B 1195 - 2009
平圆头焊接螺钉
Flat Round Head Weld Bolts
13 平圆头焊接螺钉 [日标]
JIS B 1195 - 1994
平圆头焊接螺钉
Flat Head Welding Screws
14 A型承面凸焊螺钉 [汽标代号]
Q 198
A型承面凸焊螺钉
Weld Screws, Type A
供应商(8)
15 B型承面凸焊螺钉 [汽标代号]
Q 198B
B型承面凸焊螺钉
Weld Screws, Type B
供应商(3)
16 C型承面凸焊螺钉 [汽标代号]
Q 198C
C型承面凸焊螺钉
Weld Screws, Type C
供应商(2)
17 端面平圆头凸焊螺钉 A型 [汽标代号]
Q 199
端面平圆头凸焊螺钉 A型
Overhead Projection Weld Bolts - Type A
供应商(2)
18 端面平圆头凸焊螺钉 B型 [汽标代号]
Q 199B
端面平圆头凸焊螺钉 B型
Overhead Projection Weld Bolts - Type B
19 塑料用焊接螺钉 [汽标代号]
Q 2A8
塑料用焊接螺钉
Welding Screws for Plastic
20 米制电阻凸焊用螺钉 [Table 1] [英标]
BS 7670-1 - 1993
米制电阻凸焊用螺钉 [Table 1]
Screws for Resistance Projection Welding [Table 1]
供应商(1)
21 平圆头下承面凸焊螺钉 [韩标]
KS B 1057 - 2001
平圆头下承面凸焊螺钉
Flat Round Head Weld Screws
22 美制种焊螺柱 [标准]
YJT 1005
美制种焊螺柱
Spot Welding Stud (ANSI/ASME/IFI)
23 平圆头下承面凸焊螺钉  A型 [汽标]
QC /T 598 (A) - 1999
平圆头下承面凸焊螺钉 A型
Weld Bolts, Type A
供应商(1)
24 上端面平圆头凸焊螺栓 A型 [汽标]
QC /T 599 (A) - 2013
上端面平圆头凸焊螺栓 A型
Overhead Projection Weld Bolts - Type A
25 上端面平圆头焊接螺栓 B型 [汽标]
QC /T 599 (B) - 2013
上端面平圆头焊接螺栓 B型
Overhead Projection Weld Bolts - Type B
26 塑料用焊接螺钉 [汽标]
QC /T 891 - 2011
塑料用焊接螺钉
Welding Screws for Plastic
27 平圆头下承面凸焊螺钉 B型 [汽标]
QC /T 598 (B) - 1999
平圆头下承面凸焊螺钉 B型
Weld Bolts, Type B
28 平圆头下承面凸焊螺钉 C型 [汽标]
QC /T 598 (C) - 1999
平圆头下承面凸焊螺钉 C型
Weld Bolts, Type C
29 上端面平圆头焊接螺钉 B型 [汽标]
QC /T 599 (B) - 1999
上端面平圆头焊接螺钉 B型
Overhead Projection Weld Bolts - Type B
30 上端面平圆头凸焊螺栓 A型 [汽标]
QC /T 599 (A) - 1999
上端面平圆头凸焊螺栓 A型
Overhead Projection Weld Bolts - Type A
© 易紧通 服务热线:4006-164580(免长途费)