index
logo

六角法兰面螺母 A级 GB /T 6177 - 1986

查看供应商

选择规格尺寸 点击↓

M5

M6

M8

M10

M12

(M14)

M16

M20

括号内尺寸为非优选

尺寸单位: mm
国标GB /T6177 - 1986 GB6177 6177GB 六角法兰面螺母 A级
GB /T 6177 - 1986 六角法兰面螺母 A级
扫一扫分享
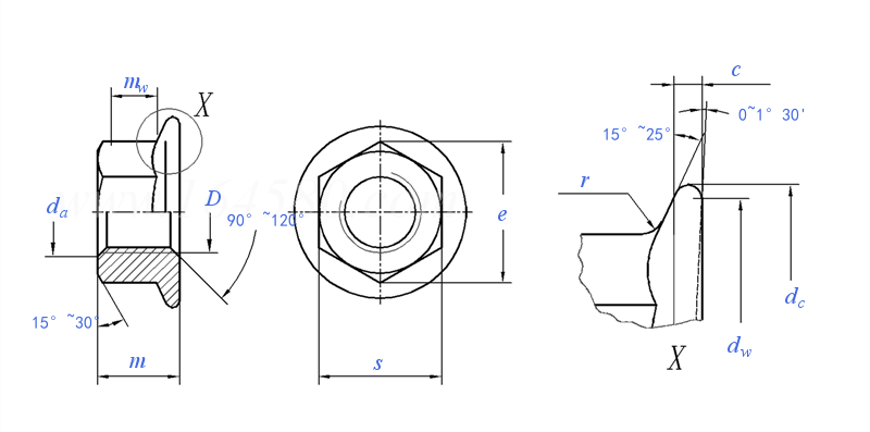
螺纹规格
D
M5 M6 M8 M10 M12 (M14) M16 M20
P 螺距
c 最小值
da 最大值
最小值
dc 最大值
dw 最小值
e 最小值
m 最大值
最小值
mw 最小值
s 最大值
最小值
r 最大值
0.8 1 1.25 1.5 1.75 2 2 2.5
1 1.1 1.2 1.5 1.8 2.1 2.4 3
5.75 6.75 8.75 10.8 13 15.1 17.3 21.6
5.00 6.00 8.00 10.0 12 14.0 16.0 20.0
11.8 14.2 17.9 21.8 26 29.9 34.5 42.8
9.8 12.2 15.8 19.6 23.8 27.6 31.9 39.9
8.79 11.05 14.38 16.64 20.03 23.36 26.75 32.95
5 6 8 10 12 14 16 20
4.7 5.7 7.6 9.6 11.6 13.3 15.3 18.9
2.2 3.1 4.5 5.5 6.7 7.8 9 11.1
8 10 13 15 18 21 24 30
7.78 9.78 12.73 14.73 17.73 20.67 23.67 29.16
0.3 0.36 0.48 0.6 0.72 0.88 0.96 1.2
替代列表
等效标准
国标 GB 国际 ISO 德标 DIN 美标 ASME/ANSI 欧标 EN 法国 NF
GB /T 6177.1
ISO 4161
DIN EN 1661
ANSI/ASME B 18.2.4.4M
EN 1661
NF E 25-406
以上有部分标准可能为近似等效,如有异议以标准原件为准

技术条件和引用标准

材料
不锈钢
螺纹 公差
机械性能 等级
标准
公差 产品等级
标准
表面处理
表面缺陷
验收及包装
6H (GB 196-1981、GB 197-1981)
8~12 A2-70
GB 3098.2-1982 GB 3098.6-1986
A
GB 3103.1-1982
① 不经处理;② 镀锌钝化 GB 5267-1985 不经处理
GB 5779.2-1986
GB 90-1985
注:技术数据仅供参考,请以官方原件为准!
告诉我在“易紧通”看到,将给您优惠
联系人:周经理   移动电话: 15957793992
材质:碳钢、不锈钢、合金钢等;等级:4级、8级、10级、12级;表面处理按客户需求;各种规格齐全;支持非标定制
联系人:孙君芳   移动电话: 13806637075     电话:0574-86526148
材质:35#、45#、40MnB、40Cr、35CrMo、35CrMoA、42CrMoA、B7&SS304、SS316、SS316L、35K、45K;规格:M10-M100
联系人:陈先生 点击这里给我发消息632684837   移动电话: 15057600918     电话:021-57792886     微信号:15057600918
材质:35#,45#,40cr,35crmo,42crmo;规格范围:M6-M64;表面处理:发黑,电镀,达克罗,热镀锌
联系人:蒋小姐 点击这里给我发消息569698667   移动电话: 18268381990     电话:0573-85084860,85081777
材质:低碳钢、中碳钢、合金钢;规格:M3-M16;表面处理:镀锌、发黑、热镀锌
联系人:王雨蒙 点击这里给我发消息780657557   移动电话: 15558953146     电话:0577-86797118     微信号:15558953146
材质:中碳钢8-10级;规格范围:M5—M30;平底,花底。表面处理:镀锌(白,彩,军绿),镀镍,发黑,达克罗
联系人:翁连弟   移动电话: 13958852222     电话:0577-65272727/65276699/65260066
规格:M3-M24(冷镦)、M27以上(红打),主推:10级
联系人:周总 点击这里给我发消息37694926   移动电话: 13868606602     电话:0577-66995877     微信号:13868606602
材质:304L、316L、316Ti、317L、310S(2520)、F904L(N08904)、Aloy20(F20/N08020)、N08367(AL-6XN)、410(1Cr13)、431(1Cr17Ni2)、S31803(F51)、S32205(F60)、S32750(F53/2507)、S32760(F55/ZERON100)、S17400(630/17-4PH)、S17700(631/17-7PH)、B8、B8CL2、B8A(F304)、B8M、B8MCL2、B8MA(F316)、B8T、B8TA(F321)、B8C、B8CA(F347)、B8R、B8RA(XM-19/Nitronic50)、B8MLCuN、B8MLCUNA(S31254/F44)、B8S(S21800/Nitronic60)、B6(410);ASTM F467/F468:HB(N10001)、HC-276(N10276)、Monel400(N04400)、Monel K500(N05500)、Inconel625(N06625)、Titanium Gr2(R50400)、TitaniumTC4/Ti-6A1-4V(R56401)、A2-50/70/80、A3-50/70/80、A4-50/70/80、A8-50/70/80、F1-45/60、C1-50/70/80、C3-80、D6-70/80/100、D8-70/80/100;英科镍尔(Inconel)系列600(N06600)、601(N06601)、625(N06626)、718(N07718)、725(N07725)、X-750(N07750);因科洛伊(Incoloy)系列800(N08800)、800H(N08810)、800HT(N08811)、825(N08825)、925(N09925)、926(N08926/1.4529);哈氏合金(Hastelloy)H-B、H-C、H-G、H-X系列;不锈钢、合金钢、镍基合金、高温合金、耐蚀合金、特殊合金钢、钛合金、铜合金、铝合金等;规格:公制M8-M72,米制3/8-16UNC~2-3/4-8UN;
联系人:熊晨超 点击这里给我发消息630619445   移动电话: 13506732801     电话:0573-85762002
材质:1008.1035,规格:M3~M16带齿平板现货供应
联系人:黄经理 点击这里给我发消息281968372   移动电话: 13566282168/13758704969     电话:0577-81302555     微信号:13566282168
材质:碳钢;等级:4-12级;规格范围:M6-M24,支持定制;表面处理可以按照客户要求。
联系人:潘经理 点击这里给我发消息403565774   移动电话: 18321039313
材质:1015A、10B21、304、316; 规格范围:M4-M30;表面处理:镀锌,发黑,热浸锌、达克罗,抛光、镀铜、镀银等特殊表面处理均可。
联系人:麻经理 点击这里给我发消息67223576   移动电话: 13736960111     微信号:13736960111
规格范围:M2-M50;材质:碳钢;等级:4级、6级、8级、10级;表面处理:镍、镀锌、达克罗等;支持非标定制
联系人:吴女士 点击这里给我发消息543712616   移动电话: 15057758666/13967759356     微信号:yea1987
材质:碳钢;规格范围:M5-M14;等级:4-10级,库存充足供应
联系人:池小红 点击这里给我发消息2301819518   移动电话: 18906578889     电话:18958677826
材质:35;规格范围:M8-M36;表面处理:镀白锌、彩锌、镍、达克罗、发黑、磷化等
联系人:周占盛   移动电话: 13732173555     电话:0574-87311242
材质:碳钢、不锈钢;规格及表面处理:按客户要求
联系人:冯青霞 点击这里给我发消息291504833 点击这里给我发消息2851019688   移动电话: 13560819120     电话:0769-81093552 81091980 81091982
材质:铁、不锈钢304;规格范围:M3-M10
联系人:朱小姐 点击这里给我发消息1799320339   移动电话: 17757387179     电话:0573-86058506     微信号:17757387179/17772766605
材质:低碳钢,中碳钢,合金钢;规格:M6-24;等级:8级、10级、可定做12级 表面处理:蓝白锌、彩锌、 发黑 、热镀锌 、达克罗、磷化、镀镍。可按照图纸加工生产、现货供应
联系人:王经理 点击这里给我发消息460915629   移动电话: 13758361818(微信同号)     微信号:13758361818
材质:碳钢;规格范围:M6-M20;表面处理:镀白锌、彩锌、镍、达克罗、抛光等,支持非标定制。
联系人:尚琴利 点击这里给我发消息65369269   移动电话: 13868728600,18868283665     电话:0577-62898867,62875866     微信号:13868728600
材质:碳钢45#,合金钢40Cr、35CrMo;规格:M20-M90;等级:6级、8级、10级、12级;表面处理:发黑、镀六价铬锌、镀三价铬锌、达克罗、热镀锌。
告诉我在“易紧通”看到,将给您优惠
类似标准及供货信息
1 2型六角法兰面螺母 [国标]
GB /T 6177.1 - 2016
2型六角法兰面螺母
Hexagon Nuts with Flange, Style 2
供应商(18)
2 2型六角法兰面螺母 细牙 [国标]
GB /T 6177.2 - 2016
2型六角法兰面螺母 细牙
Hexagon Nuts with Flange, Style 2 - Fine Pitch Thread
供应商(4)
3 六角法兰面螺母 [国标]
GB /T 6177.1 - 2000
六角法兰面螺母
Hexagon Nuts with Flange
供应商(18)
4 2型,六角法兰面螺母 细牙 [国标]
GB /T 6177.2 - 2000
2型,六角法兰面螺母 细牙
Hexagon Nuts with Flange, Style 2 - Fine Pitch Thread
供应商(4)
5 六角法兰面螺母 [美标]
IFI 145 - 2002
六角法兰面螺母
Hexagon Flange Nuts
供应商(3)
6 大六角法兰面螺母 [美标]
IFI 145 - 2002
大六角法兰面螺母
Large Hexagon Flange Nuts
7 六角法兰螺母 [德标]
DIN 6923 - 1983
六角法兰螺母
Hexagon Flange Nuts
供应商(15)
8 航空航天 自锁耐腐蚀MJ螺纹六角法兰螺母 [德标]
DIN 65480 - 2016
航空航天 自锁耐腐蚀MJ螺纹六角法兰螺母
Hexagon Nuts with Flange and MJ Thread, Self-locking, Corrosion-resisting Steel - Class: 1100 MPa/315℃
9 2型 六角法兰面螺母 粗牙 [国际]
ISO 4161 - 2012
2型 六角法兰面螺母 粗牙
Hexagon Nuts with Flange, Style 2 - Coarse Thread
供应商(2)
10 六角法兰螺母 粗牙 [国际]
ISO 4161 - 1999
六角法兰螺母 粗牙
Hexagon Nuts with Flange - Coarse Thread
供应商(2)
11 六角法兰螺母 A级 [国际]
ISO 4161 - 1983
六角法兰螺母 A级
Hexagon Nuts with Flange - Product Grade A
供应商(2)
12 2型 六角法兰面螺母 细牙 [国际]
ISO 10663 - 2012
2型 六角法兰面螺母 细牙
Hexagon Nuts with Flange, Style 2 - Fine Pitch Thread
13 六角法兰面螺母 细牙 [国际]
ISO 10663 - 1999
六角法兰面螺母 细牙
Hexagon Nuts with Flange - Fine Pitch Thread
14 六角法兰螺母 粗牙 [日标]
JIS B 1190 (ISO 4161) - 2005
六角法兰螺母 粗牙
Hexagon Nuts with Flange - Coarse Thread
供应商(2)
15 六角法兰螺母 细牙 [日标]
JIS B 1190 (ISO 10663) - 2005
六角法兰螺母 细牙
Hexagon Nuts with Flange - Fine Thread
16 六角法兰面螺母 [汽标代号]
Q 320
六角法兰面螺母
Hexagon Nuts with Flange
供应商(4)
17 细牙六角法兰面螺母 [汽标代号]
Q 323
细牙六角法兰面螺母
Hexagon Nuts with Flange, Fine Pitch Thread
供应商(1)
18 六角法兰自排屑螺母 [汽标代号]
Q 321
六角法兰自排屑螺母

19 六角法兰面带齿螺母 [汽标代号]
Q 324
六角法兰面带齿螺母
Hexagonal Nuts with Serrated Flange
20 六角法兰螺母 [Table 12] [美标]
ASME/ANSI B 18.2.2 (T12-HF) - 2010
六角法兰螺母 [Table 12]
Hex Flange Nuts [Table 12]
供应商(4)
21 大六角法兰螺母  [Table 12] [美标]
ASME/ANSI B 18.2.2 (T12-LHF) - 2010
大六角法兰螺母 [Table 12]
Large Hex Flange Nuts [Table 12]
供应商(1)
22 大六角法兰螺母 [美标]
ASME/ANSI B 18.2.2 (LHF) - 1987 (R1999)
大六角法兰螺母
Large Hexagon Nuts with Flange
供应商(1)
23 六角法兰螺母 [美标]
ASME/ANSI B 18.2.2 (HF) - 1987 (R1999)
六角法兰螺母
Hexagon Flange Nuts
供应商(4)
24 米制六角法兰螺母 [美标]
ASME/ANSI B 18.2.4.4M - 1982 (R2005)
米制六角法兰螺母
Metric Hex Flange Nuts
25 航空航天 六角自锁螺母 钢制 镀镉 MoS2润滑  强度:1100MPa(环境温度)/235°C [欧标]
EN 3626 - 2006
航空航天 六角自锁螺母 钢制 镀镉 MoS2润滑 强度:1100MPa(环境温度)/235°C
Aerospace Series - Nuts, Hexagon, Self-locking in Steel, Cadmium Plated, MoS2 Lubricated - Classification: 1100 Mpa (At Ambient Temperature)/235 °c
26 六角法兰面螺母 细牙 [欧标]
EN 14218 - 2003
六角法兰面螺母 细牙
Hexagon Nuts with Flange - Fine Pitch Thread
27 六角法兰面螺母 [欧标]
EN 1661 - 1997
六角法兰面螺母
Hexagon Nuts with Flange
28 六角法兰面螺母 细牙螺纹 [法国]
NF E 25-406 (-1) - 2003
六角法兰面螺母 细牙螺纹
Hexagon Nuts with Flange - Fine Pitch Thread
29 六角法兰面螺母 [法国]
NF E 25-406 - 1998 (R2004)
六角法兰面螺母
Hexagon Nuts with Flange
30 六角法兰螺母(带防滑齿) [原电子工业部]
SJ 2842 - 1987
六角法兰螺母(带防滑齿)

31 六角法兰螺母 [韩标]
KS B 1043 - 2012 (R2022)
六角法兰螺母
Hexagon Head Nuts with Flange
32 六角大平板大法兰螺母(大边法兰) [标准]
YJT 3010
六角大平板大法兰螺母(大边法兰)
Hexagon Nuts with Large Flange
供应商(1)
33 六角法兰面锁紧螺母 [标准]
YJT 3022
六角法兰面锁紧螺母
Hexagon Nuts with Flange
34 建筑机械与设备 高强度六角法兰面螺母 [建筑]
JG /T 5057.29 - 1995
建筑机械与设备 高强度六角法兰面螺母
Construction Machinery and Equipment - High Strength Hexagon Nuts with Flange
35 六角法兰螺母 [德标]
DIN EN 1661 - 1998
六角法兰螺母
Hexagon Nuts with Flange
供应商(15)
36 六角法兰面带齿螺母 [汽标]
QC /T 864 - 2011
六角法兰面带齿螺母
Hexagonal Nuts with Serrated Flange
37 六角法兰自排屑螺母 [汽标]
QC /T 613 - 1999
六角法兰自排屑螺母
Hexagon Flange Removing Scraps Nuts
38 六角法兰螺母 粗牙 [印标]
IS 15581 - 2005
六角法兰螺母 粗牙
Hexagon Nuts with Flange - Coarse Thread
39 六角法兰螺母 [Table 13] (ASTM A563 / F594 / F467) [美标]
ASME B 18.2.2 (T13-HF) - 2022
六角法兰螺母 [Table 13] (ASTM A563 / F594 / F467)
Hex Flange Nuts [Table 13] (ASTM A563 / F594 / F467)
供应商(4)
40 大六角法兰螺母 [Table 13] (ASTM A563 / F594 / F467) [美标]
ASME B 18.2.2 (T13-LHF) - 2022
大六角法兰螺母 [Table 13] (ASTM A563 / F594 / F467)
Large Hex Flange Nuts [Table 13] (ASTM A563 / F594 / F467)
供应商(1)
41 六角法兰螺母 [Table 12] (ASTM A563 / F594 / F467) [美标]
ASME B 18.2.2 (T12-HF) - 2015
六角法兰螺母 [Table 12] (ASTM A563 / F594 / F467)
Hex Flange Nuts [Table 12] (ASTM A563 / F594 / F467)
供应商(4)
42 大六角法兰螺母  [Table 12] (ASTM A563 / F594 / F467) [美标]
ASME B 18.2.2 (T12-LHF) - 2015
大六角法兰螺母 [Table 12] (ASTM A563 / F594 / F467)
Large Hex Flange Nuts [Table 12] (ASTM A563 / F594 / F467)
供应商(1)
43 大六角法兰螺母(带防滑齿) [Table 2] (ASTM F2282) [美标]
ASME B 18.16.4 - 2008
大六角法兰螺母(带防滑齿) [Table 2] (ASTM F2282)
Large Serrated Flange Locknuts (ASTM F2282)
供应商(3)
44 六角法兰螺母 (带防滑齿) [Table 1] (ASTM F2282) [美标]
ASME B 18.16.4 - 2008
六角法兰螺母 (带防滑齿) [Table 1] (ASTM F2282)
Regular Serrated Flange Locknuts [Table 1] (ASTM F2282)
供应商(2)
45 梅花头法兰面螺母 [日本汽车工业协会标准]
JASO F 116 - 2005
梅花头法兰面螺母
E-type TORX Flange Nuts
标准编号: GB /T 6177 - 1986
中文名称: 六角法兰面螺母 A级
英文名称: Hexagon Nuts with Flange - Product Grade A
数据来源: 易紧通 (164580.com)
Standard Code: GB /T 6177 - 1986Chinese Name: 六角法兰面螺母 A级English Name: Hexagon Nuts with Flange - Product Grade ASource: https://www.164580.com/info_423164.html
Data Source: YJT Fastener Database (164580.com)
Standard: GB /T 6177 - 1986
URL: https://www.164580.com/info_423164.html
License: Commercial use requires authorization
© 易紧通 服务热线:4006-164580(免长途费)