index
logo
pic
pic

六角法兰螺母 DIN 6923 - 1983

查看供应商

选择规格尺寸 点击↓

M5

M6

M8

M10

M12

M14

M16

M20


尺寸单位: mm
德标DIN 6923 - 1983 DIN6923 6923DIN 六角法兰螺母
DIN  6923 - 1983 六角法兰螺母
扫一扫分享
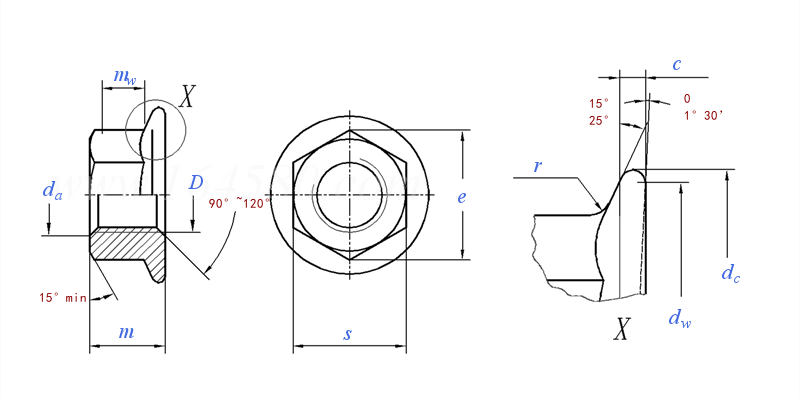
螺纹规格
D
M5 M6 M8 M10 M12 M14 M16 M20
P 螺距 粗牙
细牙1
细牙2
c 最小值
da 最小值
最大值
dc 最大值
dw 最小值
e 最小值
m 最大值
最小值
mw 最小值
s 最大值=公称
最小值
r 最大值
0.8 1 1.25 1.5 1.75 2 2 2.5
/ / 1 1.25 1.5 1.5 1.5 1.5
/ / / (1.0) (1.25) / / /
1 1.1 1.2 1.5 1.8 2.1 2.4 3
5 6 8 10 12 14 16 20
5.75 6.75 8.75 10.8 13 15.1 17.3 21.6
11.8 14.2 17.9 21.8 26 29.9 34.5 42.8
9.8 12.2 15.8 19.6 23.8 27.6 31.9 39.9
8.79 11.05 14.38 16.64 20.03 23.36 26.75 32.95
5 6 8 10 12 14 16 20
4.7 5.7 7.6 9.6 11.6 13.3 15.3 18.9
2.2 3.1 4.5 5.5 6.7 7.8 9 11.1
8 10 13 15 18 21 24 30
7.78 9.78 12.73 14.73 17.73 20.67 23.67 29.67
0.3 0.36 0.48 0.6 0.72 0.88 0.96 1.2
①,材料:
a)钢,强度等级(材料): 8,10,12 标准DIN ISO 898-2, DIN 267-23(现行草案)
b)不锈钢,强度等级(材料): A2-70 标准DIN 267-11
c)其他材料或等级由制造商选择
替代列表
等效标准
国标 GB 国际 ISO 德标 DIN 美标 ASME/ANSI 欧标 EN 法国 NF
GB /T 6177.1
ISO 4161
DIN EN 1661
ANSI/ASME B 18.2.4.4M
EN 1661
NF E 25-406
以上有部分标准可能为近似等效,如有异议以标准原件为准

技术条件和引用标准

材料
不锈钢
通用要求
螺纹 公差
标准
机械性能 等级
标准
公差 产品等级
标准
表面处理 -
-
表面粗糙度
表面缺陷
验收及包装
备注
DIN 267 part 1
6g
DIN 13 part 12,15
8,10,12 A2-70
DIN ISO 898 part 1
DIN 267 part 23
DIN 267 part 11
A
DIN ISO 4759 part 1
不经处理 blank
电镀 DIN 267 part 9
热浸镀锌 DIN 267 part 10
DIN 267-2
DIN 267 part 20
DIN 267 part 5
① 其他强度等级或材料按协议。
② In a deviation from O IN ISO 4759 Part 1, May 1980 edition, subclause 11.3, the parallelism of the flats may fie within the tolerance field h13 for the width across flats.
注:技术数据仅供参考,请以官方原件为准!
告诉我在“易紧通”看到,将给您优惠
联系人:许经理 点击这里给我发消息1913392911   移动电话: 15726815710     电话:0573-86122398     微信号:15726815710
材质:碳钢(普碳钢,中碳钢,合金钢等);规格范围:M6-M20;表面处理:镀锌、热镀锌、机械镀锌、达克罗、磷化等。
联系人:冯青霞 点击这里给我发消息291504833 点击这里给我发消息2851019688   移动电话: 13560819120     电话:0769-81093552 81091980 81091982
材质:铁、不锈钢304;规格范围:M3-M12
联系人:麻经理 点击这里给我发消息67223576   移动电话: 13736960111     微信号:13736960111
规格范围:M3-M20;材质:碳钢;等级:4级、6级、8级、10级;表面处理:镍、镀锌、达克罗等;支持非标定制
联系人:陈虹萍 点击这里给我发消息344165098   移动电话: 13067668658     电话:13067668658     微信号:13067668658
材质:黄铜H62、硅青铜、紫铜;规格范围:M3-M16;表面处理:药黄、镀镍等。
联系人:周小姐 点击这里给我发消息47755620   移动电话: 15888311982
材质:碳钢;规格范围:M6-M16;表面处理:本色、镀锌、热镀锌、发黑。
联系人:陈春归 点击这里给我发消息864828200   移动电话: 13662782824     电话:0769-83100959
材质:碳钢、不锈钢、合金钢、铜,规格范围:M3-M24
联系人:黄经理 点击这里给我发消息281968372   移动电话: 13566282168/13758704969     电话:0577-81302555     微信号:13566282168
材质:碳钢;等级:4-12级;规格范围:M6-M24,支持定制;表面处理可以按照客户要求。
联系人:蒋小姐 点击这里给我发消息569698667   移动电话: 18268381990     电话:0573-85084860,85081777
材质:低碳钢、中碳钢、合金钢;规格:M3-M16;表面处理:镀锌、发黑、热镀锌
联系人:尚琴利 点击这里给我发消息65369269   移动电话: 13868728600,18868283665     电话:0577-62898867,62875866     微信号:13868728600
材质:碳钢45#,合金钢40Cr、35CrMo;规格:M20-M90;等级:6级、8级、10级、12级;表面处理:发黑、镀六价铬锌、镀三价铬锌、达克罗、热镀锌。
联系人:吴女士 点击这里给我发消息543712616   移动电话: 15057758666/13967759356     微信号:yea1987
材质:碳钢;规格范围:M5-M14;等级:4-10级,库存充足供应
联系人:赵总 点击这里给我发消息39140945   移动电话: 13513109909     电话:13731005599     微信号:13731005599
材质:35K 、10B21;规格:M5-M20;等级:10级;表面处理:彩锌、蓝白锌、发黑、达克罗、达克罗黑色、 三价彩色、黑锌等,非标来图定制。
联系人:周经理   移动电话: 15957793992
材质:碳钢、不锈钢、合金钢等;等级:4级、8级、10级、12级;表面处理按客户需求;各种规格齐全;支持非标定制
联系人:宋先生 点击这里给我发消息522979129   移动电话: 13656833851     电话:0573-86644535
材质:碳钢;规格范围:M3-M64;等级:4级,6级,8级,10级;表面处理:本色、镀锌、热镀锌、发黑、达克罗、镀镍等
联系人:池小红 点击这里给我发消息2301819518   移动电话: 18906578889     电话:18958677826
材质:35;规格范围:M5-M36;表面处理:镀白锌、彩锌、镍、达克罗、发黑、磷化等
联系人:熊晨超 点击这里给我发消息630619445   移动电话: 13506732801     电话:0573-85762002
材质:1008.1035,规格:M3~M16高强度带齿平板法兰螺母现货供应
告诉我在“易紧通”看到,将给您优惠
类似标准及供货信息
1 2型六角法兰面螺母 [国标]
GB /T 6177.1 - 2016
2型六角法兰面螺母
Hexagon Nuts with Flange, Style 2
供应商(18)
2 2型六角法兰面螺母 细牙 [国标]
GB /T 6177.2 - 2016
2型六角法兰面螺母 细牙
Hexagon Nuts with Flange, Style 2 - Fine Pitch Thread
供应商(4)
3 六角法兰面螺母 [国标]
GB /T 6177.1 - 2000
六角法兰面螺母
Hexagon Nuts with Flange
供应商(18)
4 2型,六角法兰面螺母 细牙 [国标]
GB /T 6177.2 - 2000
2型,六角法兰面螺母 细牙
Hexagon Nuts with Flange, Style 2 - Fine Pitch Thread
供应商(4)
5 六角法兰面螺母 A级 [国标]
GB /T 6177 - 1986
六角法兰面螺母 A级
Hexagon Nuts with Flange - Product Grade A
供应商(18)
6 六角法兰面螺母 [美标]
IFI 145 - 2002
六角法兰面螺母
Hexagon Flange Nuts
供应商(3)
7 大六角法兰面螺母 [美标]
IFI 145 - 2002
大六角法兰面螺母
Large Hexagon Flange Nuts
8 航空航天 自锁耐腐蚀MJ螺纹六角法兰螺母 [德标]
DIN 65480 - 2016
航空航天 自锁耐腐蚀MJ螺纹六角法兰螺母
Hexagon Nuts with Flange and MJ Thread, Self-locking, Corrosion-resisting Steel - Class: 1100 MPa/315℃
9 2型 六角法兰面螺母 粗牙 [国际]
ISO 4161 - 2012
2型 六角法兰面螺母 粗牙
Hexagon Nuts with Flange, Style 2 - Coarse Thread
供应商(2)
10 六角法兰螺母 粗牙 [国际]
ISO 4161 - 1999
六角法兰螺母 粗牙
Hexagon Nuts with Flange - Coarse Thread
供应商(2)
11 六角法兰螺母 A级 [国际]
ISO 4161 - 1983
六角法兰螺母 A级
Hexagon Nuts with Flange - Product Grade A
供应商(2)
12 2型 六角法兰面螺母 细牙 [国际]
ISO 10663 - 2012
2型 六角法兰面螺母 细牙
Hexagon Nuts with Flange, Style 2 - Fine Pitch Thread
13 六角法兰面螺母 细牙 [国际]
ISO 10663 - 1999
六角法兰面螺母 细牙
Hexagon Nuts with Flange - Fine Pitch Thread
14 六角法兰螺母 粗牙 [日标]
JIS B 1190 (ISO 4161) - 2005
六角法兰螺母 粗牙
Hexagon Nuts with Flange - Coarse Thread
供应商(2)
15 六角法兰螺母 细牙 [日标]
JIS B 1190 (ISO 10663) - 2005
六角法兰螺母 细牙
Hexagon Nuts with Flange - Fine Thread
16 六角法兰面螺母 [汽标代号]
Q 320
六角法兰面螺母
Hexagon Nuts with Flange
供应商(4)
17 细牙六角法兰面螺母 [汽标代号]
Q 323
细牙六角法兰面螺母
Hexagon Nuts with Flange, Fine Pitch Thread
供应商(1)
18 六角法兰自排屑螺母 [汽标代号]
Q 321
六角法兰自排屑螺母

19 六角法兰面带齿螺母 [汽标代号]
Q 324
六角法兰面带齿螺母
Hexagonal Nuts with Serrated Flange
20 六角法兰螺母 [Table 12] [美标]
ASME/ANSI B 18.2.2 (T12-HF) - 2010
六角法兰螺母 [Table 12]
Hex Flange Nuts [Table 12]
供应商(4)
21 大六角法兰螺母  [Table 12] [美标]
ASME/ANSI B 18.2.2 (T12-LHF) - 2010
大六角法兰螺母 [Table 12]
Large Hex Flange Nuts [Table 12]
供应商(1)
22 大六角法兰螺母 [美标]
ASME/ANSI B 18.2.2 (LHF) - 1987 (R1999)
大六角法兰螺母
Large Hexagon Nuts with Flange
供应商(1)
23 六角法兰螺母 [美标]
ASME/ANSI B 18.2.2 (HF) - 1987 (R1999)
六角法兰螺母
Hexagon Flange Nuts
供应商(4)
24 米制六角法兰螺母 [美标]
ASME/ANSI B 18.2.4.4M - 1982 (R2005)
米制六角法兰螺母
Metric Hex Flange Nuts
25 航空航天 六角自锁螺母 钢制 镀镉 MoS2润滑  强度:1100MPa(环境温度)/235°C [欧标]
EN 3626 - 2006
航空航天 六角自锁螺母 钢制 镀镉 MoS2润滑 强度:1100MPa(环境温度)/235°C
Aerospace Series - Nuts, Hexagon, Self-locking in Steel, Cadmium Plated, MoS2 Lubricated - Classification: 1100 Mpa (At Ambient Temperature)/235 °c
26 六角法兰面螺母 细牙 [欧标]
EN 14218 - 2003
六角法兰面螺母 细牙
Hexagon Nuts with Flange - Fine Pitch Thread
27 六角法兰面螺母 [欧标]
EN 1661 - 1997
六角法兰面螺母
Hexagon Nuts with Flange
28 六角法兰面螺母 细牙螺纹 [法国]
NF E 25-406 (-1) - 2003
六角法兰面螺母 细牙螺纹
Hexagon Nuts with Flange - Fine Pitch Thread
29 六角法兰面螺母 [法国]
NF E 25-406 - 1998 (R2004)
六角法兰面螺母
Hexagon Nuts with Flange
30 六角法兰螺母(带防滑齿) [原电子工业部]
SJ 2842 - 1987
六角法兰螺母(带防滑齿)

31 六角法兰螺母 [韩标]
KS B 1043 - 2012 (R2022)
六角法兰螺母
Hexagon Head Nuts with Flange
32 六角大平板大法兰螺母(大边法兰) [标准]
YJT 3010
六角大平板大法兰螺母(大边法兰)
Hexagon Nuts with Large Flange
供应商(1)
33 六角法兰面锁紧螺母 [标准]
YJT 3022
六角法兰面锁紧螺母
Hexagon Nuts with Flange
34 建筑机械与设备 高强度六角法兰面螺母 [建筑]
JG /T 5057.29 - 1995
建筑机械与设备 高强度六角法兰面螺母
Construction Machinery and Equipment - High Strength Hexagon Nuts with Flange
35 六角法兰螺母 [德标]
DIN EN 1661 - 1998
六角法兰螺母
Hexagon Nuts with Flange
供应商(14)
36 六角法兰面带齿螺母 [汽标]
QC /T 864 - 2011
六角法兰面带齿螺母
Hexagonal Nuts with Serrated Flange
37 六角法兰自排屑螺母 [汽标]
QC /T 613 - 1999
六角法兰自排屑螺母
Hexagon Flange Removing Scraps Nuts
38 六角法兰螺母 粗牙 [印标]
IS 15581 - 2005
六角法兰螺母 粗牙
Hexagon Nuts with Flange - Coarse Thread
39 六角法兰螺母 [Table 13] (ASTM A563 / F594 / F467) [美标]
ASME B 18.2.2 (T13-HF) - 2022
六角法兰螺母 [Table 13] (ASTM A563 / F594 / F467)
Hex Flange Nuts [Table 13] (ASTM A563 / F594 / F467)
供应商(4)
40 大六角法兰螺母 [Table 13] (ASTM A563 / F594 / F467) [美标]
ASME B 18.2.2 (T13-LHF) - 2022
大六角法兰螺母 [Table 13] (ASTM A563 / F594 / F467)
Large Hex Flange Nuts [Table 13] (ASTM A563 / F594 / F467)
供应商(1)
41 六角法兰螺母 [Table 12] (ASTM A563 / F594 / F467) [美标]
ASME B 18.2.2 (T12-HF) - 2015
六角法兰螺母 [Table 12] (ASTM A563 / F594 / F467)
Hex Flange Nuts [Table 12] (ASTM A563 / F594 / F467)
供应商(4)
42 大六角法兰螺母  [Table 12] (ASTM A563 / F594 / F467) [美标]
ASME B 18.2.2 (T12-LHF) - 2015
大六角法兰螺母 [Table 12] (ASTM A563 / F594 / F467)
Large Hex Flange Nuts [Table 12] (ASTM A563 / F594 / F467)
供应商(1)
43 大六角法兰螺母(带防滑齿) [Table 2] (ASTM F2282) [美标]
ASME B 18.16.4 - 2008
大六角法兰螺母(带防滑齿) [Table 2] (ASTM F2282)
Large Serrated Flange Locknuts (ASTM F2282)
供应商(3)
44 六角法兰螺母 (带防滑齿) [Table 1] (ASTM F2282) [美标]
ASME B 18.16.4 - 2008
六角法兰螺母 (带防滑齿) [Table 1] (ASTM F2282)
Regular Serrated Flange Locknuts [Table 1] (ASTM F2282)
供应商(2)
45 梅花头法兰面螺母 [日本汽车工业协会标准]
JASO F 116 - 2005
梅花头法兰面螺母
E-type TORX Flange Nuts
标准编号: DIN 6923 - 1983
中文名称: 六角法兰螺母
英文名称: Hexagon Flange Nuts
数据来源: 易紧通 (164580.com)
Standard Code: DIN 6923 - 1983Chinese Name: 六角法兰螺母English Name: Hexagon Flange NutsSource: https://www.164580.com/info_5678.html
Data Source: YJT Fastener Database (164580.com)
Standard: DIN 6923 - 1983
URL: https://www.164580.com/info_5678.html
License: Commercial use requires authorization
© 易紧通 服务热线:4006-164580(免长途费)