index
logo

内六角圆头螺钉 ISO 7380-1 - 2022

查看供应商

选择规格尺寸 点击↓

M3

M4

M5

M6

M8

M10

M12

M16


尺寸单位: mm
国际ISO 7380-1 - 2022 ISO7380-1 7380-1ISO 内六角圆头螺钉
国际ISO 7380-1 - 2022 ISO7380-1 7380-1ISO 内六角圆头螺钉
ISO  7380-1 - 2022 内六角圆头螺钉
扫一扫分享
公称长度L 注:选择后获得 螺纹长度
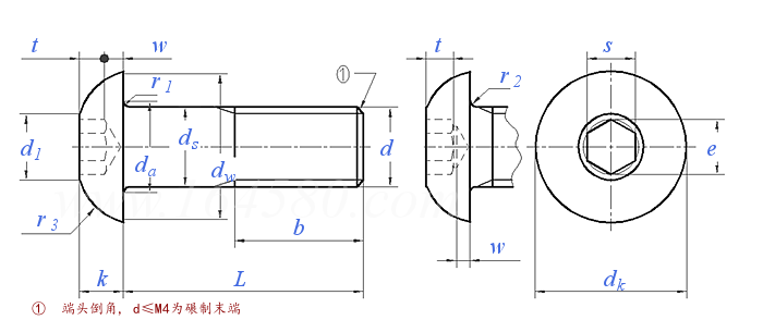
螺纹尺寸
d
M3 M4 M5 M6 M8 M10 M12 M16
P 螺距
b 参考
da 最大值
dk 最大值
最小值
d1 参考
ds 最大值
最小值
dw 最小值
e 最小值
k 最大值
最小值
r3 最大值
最小值
r1 最小值
r2 最小值
s 公称
最大值
最小值
t 最大值
最小值
w 最小值
最小拉力载荷(N) 8.8 ①
10.9 ①
12.9级/12.9/12.9
70 ②
80 ②
0.5 0.7 0.8 1 1.25 1.5 1.75 2
18 20 22 24 28 32 36 44
3.6 4.7 5.7 6.8 9.2 11.2 13.7 17.7
5.7 7.6 9.5 10.5 14 17.5 21 28
5.4 7.24 9.14 10.07 13.57 17.07 20.48 27.48
2.6 3.8 5 6 7.7 10 12 16
3 4 5 6 8 10 12 16
2.86 3.82 4.82 5.82 7.78 9.78 11.73 15.73
4.97 6.66 8.41 9.26 12.48 15.7 18.84 25.28
2.3 2.87 3.44 4.58 5.72 6.86 9.15 11.43
1.65 2.2 2.75 3.3 4.4 5.5 6.6 8.8
1.4 1.95 2.5 3 4.1 5.2 6.24 8.44
3.7 4.6 5.75 6.15 7.95 9.8 11.2 15.3
3.3 4.2 5.25 5.65 7.45 9.2 10.5 14.5
0.1 0.2 0.2 0.25 0.4 0.4 0.6 0.6
0.3 0.4 0.45 0.5 0.7 0.7 1.1 1.1
2 2.5 3 4 5 6 8 10
2.08 2.58 3.08 4.095 5.14 6.14 8.175 10.175
2.02 2.52 3.02 4.02 5.02 6.02 8.025 10.025
1.2 1.65 2.12 2.26 3.05 3.75 4.61 6.19
1.04 1.3 1.56 2.08 2.6 3.12 4.16 5.2
0.2 0.3 0.38 0.74 1.05 1.45 1.63 2.25
3220 5620 9120 12900 23400 37100 54000 101000
4190 7300 11800 16800 30500 48300 70200 130000
4910 8640 13900 19700 35800 56600 82400 154000
2820 4920 7940 11300 20600 32500 47200 88000
3220 5620 9120 12900 23400 37100 54000 101000
螺纹长度b
- - - - - - - -
①,ISO 898-1 规定值Fm.min 的80%。
②,ISO 3506-1 规定值Fm.min(Rm.min × As.nom) 的80%。
③,emin=1.14smin;内六角组合量规尺寸见 ISO 23429。
替代列表
等效标准
国标 GB 国际 ISO 德标 DIN 美标 ASME/ANSI
GB /T 70.2
ISO 7380(-1)
DIN EN ISO 7380(-1)
ASME/ANSI B 18.3.4M
以上有部分标准可能为近似等效,如有异议以标准原件为准

技术条件和引用标准

材料
不锈钢
通用技术条件
螺纹 公差
标准
机械性能 性能等级
代号
标准
公差 产品等级
标准
表面处理 -
-
表面缺陷
验收及包装
ISO 8992
6g (Depending on the type of coating to be applied, another tolerance position of the thread may be specified for fhe uncoated fastener in accordance with the relevant coating standard.)
ISO 965-1
8.8、10.9、12.9/12.9
(性能等级为12.9/12.9的紧固件易受氢脆影响,参见ISO 898-1和ISO/TR 20491。)
A2-70、A4-70、A2-80、A4-80
08.8、010.9、012.9/012.9 A2-070、A4-070、A2-080、A4-080
ISO 898-1 ISO 3506-1
A
ISO 4759-1
不经处理;
电镀要求按 ISO 4042;
非电解锌片涂层技术要求按 ISO 10683。
Clean and bright
钝化 ISO 16048
如需其他技术要求或表面处理,应由供需协议
12.9/12.9级按 ISO 6157-3
其他按 ISO 6157-1
ISO 6157-1
ISO 3269
注:技术数据仅供参考,请以官方原件为准!
告诉我在“易紧通”看到,将给您优惠
联系人:余总 点击这里给我发消息138688979   移动电话: 18157889999(微信同号)     电话:0577-86525176     微信号:18157889999
材质:不锈钢;规格:M6(现货);公称直径:8-50mm(现货);其他尺寸厂家定制。
联系人:汤继勇 点击这里给我发消息546348066   移动电话: 15298892886     电话:0512-66700967
材质:不锈钢、碳钢;公称直径范围:M1-M14;公称长度范围:5-400mm
联系人:季经理 点击这里给我发消息21211537   移动电话: 13165868550     电话:13165868550     微信号:13165868550
材质:碳钢,高强度合金钢,304,316,双相不锈钢;规格范围:M3-M16
联系人:魏振勇 点击这里给我发消息2850957029   移动电话: 18015334560     电话:0510-82393336-8006     微信号:18015334560
材料:304/316/316L,A2-70,A4-70,A4-80;公称直径:M2~M12;公称长度:5~150mm;表面处理:抛光
联系人:李经理 点击这里给我发消息1987721927   移动电话: 13968797079     电话:0577-62860077     微信号:13968797079
材质:碳钢、不锈钢201、 304 、316;规格范围:M2-M20;公称长度:4-300mm;表面处理:镀锌、彩锌、镍、达克罗、黑锌。耐落 抛光等。
联系人:杨钦   移动电话: 15162465399     电话:0512-65808790
材料:碳钢、不锈钢,表面处理:本色; 公称直径:M1.2-M8,公称长度:3mm-80mm
联系人:周占盛   移动电话: 13732173555     电话:0574-87311242
材质:碳钢、不锈钢、铜;等级:8.8级、10.9级、12.9级;规格齐全
联系人:徐海 点击这里给我发消息513543434   移动电话: 18621311857     电话:021-59766477
材质:301、302、303、304、304L、316、316L、316Ti、317L、310S、321、347、1.4529、1.4539、1.4462、1.4547、1.4980、904L、2205、2507、2520、S32750、S32760、1Cr13、1Cr17、2Cr13、3Cr13、14Cr17Ni2、410、416、420、430、431、440、630、631、17-4PH、MP350N、600、601、625、660、718、750、800、825、925、926、C22、C276、A286、GH2132、GH4033、GH4080、GH4169、GH4145、9C18Mo、4Cr10Si2Mo、35CrMoA、42CrMoA、40CrNiMoA、25Cr2Mo1VA、SCM435、SCM440、4130、4140、4145、A36、A307、A320、A325、A490、A574、F1554,不锈钢、合金钢、钛合金、镍基合金、高温合金、耐蚀合金、镍钴合金、特种合金等;等级:A1-50、A2-50、A2-70、A2-80、A3-70、A4-70、A4-80、A4-90、A4-100、A5-80、B8、B8M、B8C、B8T、B6、B7、B7M、B16、C1-50、C1-70、C1-110、C3-80、C3-120、C4-70、D2-80、D2-100、D4-80、D4-100、D6-80、D6-100、D8-80、D8-100、P1-90、P1-120、F51、F53、F55、F60、10.9、12.9、14.9、15.9、16.9等;规格范围:M3-M120,1/4"-4";表面处理:钝化、发黑、磷化、电泳、镀锌、镀镍、镀铬、镀镉、镀金、镀银、镀锡、镀铜、渗锌、海洋锌、渗铝、喷涂铝、达克罗、久美特、特氟龙、锌镍合金、镍钴合金、热镀锌、复合陶瓷、二硫化钼、二硫化钨、纳米涂层等,均可定制。
联系人:葛德荣 点击这里给我发消息1821784920   移动电话: 15995703045     电话:0512-65086790     微信号:15995703045
材料:不锈钢 304HC、316CU;等级:A2~70、A4~80;规格范围:M1.6~M12;公称长度范围:2mm~150mm;表面处理:清洗、钝化、本色 镀古铜、镀仿金、镀黑锌、镀黑镍、电泳、达克罗、防松处理
联系人:胡小姐 点击这里给我发消息478963405   移动电话: 18668833133     电话:0574-62828345
材料:302HQ, 304 (A2-70), 316C (A4-70, A4-80), 410, 430,表面处理:本身,公称直径:M2.5~M8, #4-1/4,公称长度:5~100mm
联系人:方宏良 点击这里给我发消息2881819532   移动电话: 13806639241     电话:0574-86574666
材质:碳钢;规格范围:M5-M24;公称长度:20mm~250mm;表面处理:本色、发黑、镀锌、环保锌、热镀锌、达克罗;等级:4.8~12.9级
联系人:李先生 点击这里给我发消息597758338   移动电话: 13655837027     电话:0573-84773305     微信号:13655837027
材质:碳钢4.8级、8.8级、10.9级、不锈钢304 、316、316L;规格范围:M5-M16;公称长度:16-200MM;表面处理:蓝白锌、发黑、磷化、黑锌、久美特、达克罗、锌镍合金、洗光等;
告诉我在“易紧通”看到,将给您优惠
类似标准及供货信息
1 内六角平圆头螺钉 [国标]
GB /T 70.2 - 2015
内六角平圆头螺钉
Hexagon Socket Button Head Screws
供应商(7)
2 内六角平圆头螺钉 [国标]
GB /T 70.2 - 2008
内六角平圆头螺钉
Hexagon Socket Button Head Screws
供应商(7)
3 内六角平圆头螺钉 [国标]
GB /T 70.2 - 2000
内六角平圆头螺钉
Hexagon Socket Button Head Screws
供应商(7)
4 内六角平圆头凸缘(华司)螺钉 [国标]
GB /T 70.4 - 2025
内六角平圆头凸缘(华司)螺钉
Hexagon Socket Button Head Screws with Collar and Reduced Loadability
5 内六角平圆头凸缘(华司)螺钉 [国标]
GB /T 70.4 - 2015
内六角平圆头凸缘(华司)螺钉
Hexagon Socket Button Head Screws with Collar
6 内六角平圆头凸缘(华司)螺钉 [国际]
ISO 7380-2 - 2022
内六角平圆头凸缘(华司)螺钉
Hexagon Socket Button Head Screws with Collar
供应商(5)
7 内六角圆头螺钉 [国际]
ISO 7380-1 - 2011
内六角圆头螺钉
Hexagon Socket Button Head Screws
供应商(12)
8 内六角圆头带垫螺钉 [国际]
ISO 7380-2 - 2011
内六角圆头带垫螺钉
Hexagon Socket Button Head Screws with Collar
供应商(5)
9 内六角圆头螺钉 [国际]
ISO 7380 - 2004
内六角圆头螺钉
Hexagon Socket Button Head Screws
供应商(12)
10 内六角圆头螺钉 [国际]
ISO 7380 - 1997
内六角圆头螺钉
Hexagon Socket Button Head Screws
供应商(12)
11 内六角圆头螺钉 [日标]
JIS B 1174 - 2017
内六角圆头螺钉
Hexagon Socket Button Head Screws
12 内六角圆头带垫螺钉 [日标]
JIS B 1174 - 2017
内六角圆头带垫螺钉
Hexagon Socket Button Head Screws With Collar
13 内六角圆头螺钉 [日标]
JIS B 1174 - 2006
内六角圆头螺钉
Hexagon Socket Button Head Screws
14 内六角圆头螺钉 [日标]
JIS B 1174 - 1994
内六角圆头螺钉
Hexagon Socket Button Head Screws
15 内键槽平圆头螺钉 [美标]
ASME/ANSI B 18.3 - 2003 (R2008)
内键槽平圆头螺钉
Spline Socket Button Head Cap Screws
16 米制内六角圆头螺钉 (ASTM F835M / F879M / A1-70) [美标]
ASME/ANSI B 18.3.4M - 1986 (R2008)
米制内六角圆头螺钉 (ASTM F835M / F879M / A1-70)
Hexagon Socket Button Head Cap Screws (Metric Series) (ASTM F835M / F879M / A1-70)
17 米制内六角平圆头螺钉 [美标]
ASME/ANSI B 18.3.4M - 1986
米制内六角平圆头螺钉
Metric Heaxagon Socket Round Head Screws
18 内六角圆头螺钉 [法国]
NF E 25-126 - 2004
内六角圆头螺钉
Hexagon Socket Button Head Screws
19 统一螺纹内六角圆头螺钉  Table 4 [英标]
BS 2470 - 1973
统一螺纹内六角圆头螺钉 Table 4
Hexagon Socket Round Head Screws - Unified Thread
20 内六角大平头螺钉 [标准]
YJT 4026
内六角大平头螺钉
Hexagon Socket Flat Head Screw
21 内六角大扁头螺钉 [标准]
YJT 4080
内六角大扁头螺钉
Hexagon Socket Button Head Screws
22 内六角圆头螺钉 [德标]
DIN EN ISO 7380-1 - 2023
内六角圆头螺钉
Hexagon Socket Button Head Screws
23 内六角平圆头凸缘(华司)螺钉 [德标]
DIN EN ISO 7380-2 - 2023
内六角平圆头凸缘(华司)螺钉
Hexagon Socket Button Head Screws with Collar
24 内六角圆头螺钉 [德标]
DIN EN ISO 7380 (-1) - 2011
内六角圆头螺钉
Hexagon Socket Button Head Screws
25 内六角圆头凸缘螺钉 [德标]
DIN EN ISO 7380 (-2) - 2011
内六角圆头凸缘螺钉
Hexagon Socket Button Head Screws with Collar
26 内六角圆头螺钉 [Table 11] (ASTM F835 / F879) [美标]
ASME B 18.3 (T11) - 2012
内六角圆头螺钉 [Table 11] (ASTM F835 / F879)
Hexagon Socket Button Head Cap Screws [Table 11] (ASTM F835 / F879)
供应商(4)
27 内六角圆头螺钉 [Table 3] [美标]
ASME B 18.3 - 2003 (R2008)
内六角圆头螺钉 [Table 3]
Hexagon Socket Button Head Cap Screws
供应商(4)
© 易紧通 服务热线:4006-164580(免长途费)