index
logo

米制弓形吊环螺母 DIN 80704 - 1968

查看供应商

选择规格尺寸 点击↓

M12

M16

M20

M24

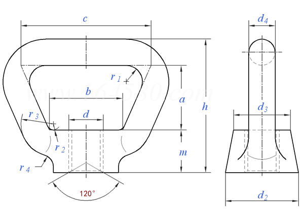
DIN  80704 - 1968 米制弓形吊环螺母

尺寸单位: mm
德标DIN 80704 - 1968 DIN80704 80704DIN 米制弓形吊环螺母
DIN  80704 - 1968 米制弓形吊环螺母
扫一扫分享
千件重及价格计算 千件重 : kg x 元/kg = 元/千件
默认密度 g/cm3
螺纹尺寸
d
M12 M16 M20 M24
a
b
c
d2
d3
d4
h
m
r1
r2
r3
r4
千件重kg Al (2.8kg/dm3)
GT (7.4kg/dm3
Ms (8.5kg/dm3
27 29 32 36
27 32 36 45
48 56 64 75
24 30 36 45
20 24 28 36
10 12 13 14
52 59 66 75
15 18 21 25
6 6 8 8
2 2.5 3 4
12 14.5 16 18
8 10 12 16
40 70 95 145
110 180 250 390
125 210 285 450
①,Al=AlMg3F18 ;GT=GTW-40 ;Ms=CuZn 40 Pb 2 F37、CuZn 38 Pb 1 F35、G-SoMs F45
注:技术数据仅供参考,请以官方原件为准!
告诉我在“易紧通”看到,将给您优惠
联系人:万丽霞(女士) 点击这里给我发消息2885546880   移动电话: 18913825968     电话:400-068-8585;(025)52260815 / 52119158 / 52112158
材料:碳钢、合金钢、304、304L、310S、316、316L、317、321、347、双相钢2205、2507、2520、904L、410、420、430、431、440、631、蒙乃尔K500、1.4410、1.4501、1.4529、1.4539、1.4547、1.4980;等级:A2-70、A2-80、A3-70、A4-70、A4-80、A5-80、C1-70、C4-70、C1-110、C3-80、8.8级、10.9级\12.9级以上;镀层:本色、发黑、磷化、钝化、镀锌、达克罗、锌镍合金、镀金、镀银等;规格:M3-M72,可按图定制
类似标准及供货信息
1 环形螺母 [国标]
GB 63 - 1988
环形螺母
Lifting Nuts
供应商(2)
2 U型螺母 [国标]
GB /T 17116.3 - 2018
U型螺母

3 吊环螺母 [国标]
GB /T 17116.3 - 2018
吊环螺母

4 吊环螺母 [德标]
DIN 582 - 2024
吊环螺母
Lifting Eye Nuts
供应商(7)
5 吊环螺母 [德标]
DIN 582 - 2018
吊环螺母
Lifting Eye Nuts
供应商(7)
6 吊环螺母 [德标]
DIN 582 - 2009
吊环螺母
Lifting Eye Nuts
供应商(7)
7 吊环螺母 [德标]
DIN 582 - 1971
吊环螺母
Lifting Eye Nuts
供应商(7)
8 盖板用压紧螺母 [德标]
DIN 28129 - 1990
盖板用压紧螺母
Clamp Nuts; For Covers
9 吊环螺母 [日标]
JIS B 1169 - 1994
吊环螺母
Eye Nuts
供应商(2)
10 吊环螺母 [机械行业]
JB /T 7382 - 1994
吊环螺母
Eye Nuts
供应商(1)
11 长吊环螺母 [意大利]
UNI 2948 - 1971
长吊环螺母
Lifting Eye Nuts, ISO Metric Coarse and Fine Thread
12 吊环螺母 [化工]
HG /T 21629 (A19) - 2021
吊环螺母

© 易紧通 服务热线:4006-164580(免长途费)