index
logo

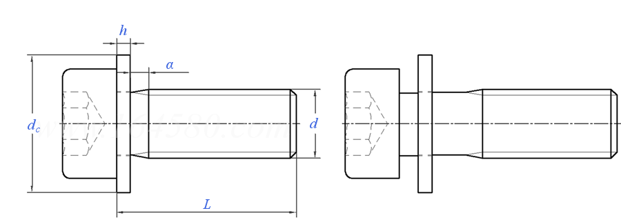
内六角圆柱头螺钉和平垫圈组合件 GB /T 9074.1 (S4)

选择规格尺寸 点击↓

M2

M2.5

M3

M4

M5

M6

M8

M10

M12


尺寸单位: mm
GB /T 9074.1 (S4) 内六角圆柱头螺钉和平垫圈组合件
扫一扫分享
螺纹尺寸
d
M2 M2.5 M3 M4 M5 M6 M8 M10 M12
P 螺距
α 最大值
h 公称 小系列 S型
标准系列 N型
大系列 L型
dc 最大值 小系列 S型
标准系列 N型
大系列 L型
0.4 0.45 0.5 0.7 0.8 1 1.25 1.5 1.75
0.8 0.9 1 1.4 1.6 2 2.5 3 3.5
0.6 0.6 0.6 0.8 1 1.6 1.6 2 2
0.6 0.6 0.6 0.8 1 1.6 1.6 2 2.5
0.6 0.6 0.8 1 1 1.6 2 2.5 3
4.5 5 6 8 9 11 15 18 20
5 6 7 9 10 12 16 20 24
6 8 9 12 15 18 24 30 37
①,螺钉(GB/T 70.1);平垫圈(GB/T 97.4)
替代列表

技术条件和引用标准

项目
机械性能 等级
等级
标准
表面处理
验收及包装
-
螺钉(GB/T 70.1) 平垫圈(GB/T 97.4)
≤8.8 200HV或300HV
9.8、10.9 300HV
GB/T 3098.1 GB/T 97.4
不经处理;
电镀技术要求按GB/T 5267.1;
非电解锌片涂层技术要求按GB/T 5267.2
磷化处理技术要求按GB/T 11376
如需其他技术要求或表面处理,应由供需协议
GB/T 90.1、GB/T 90.2
组合件中的螺栓或螺钉应符合相应产品标准对成品的材料和性能等级的规定。发生争议时,仲裁试验应去除垫圈后按GB/T 3098.1进行。
注:技术数据仅供参考,请以官方原件为准!
类似标准及供货信息
1 螺栓或螺钉和平垫圈组合件 [国标]
GB /T 9074.1 - 2018
螺栓或螺钉和平垫圈组合件
Bolt or Screw and Washer Assemblies with Plain Washers
供应商(6)
2 十字槽小盘头螺钉和平垫圈组合件 [国标]
GB /T 9074.5 - 2004
十字槽小盘头螺钉和平垫圈组合件
Cross Recessed Small Pan Head Screw and Washer Assemblies with Plain Washers
供应商(2)
3 螺栓或螺钉和平垫圈组合件 [国标]
GB /T 9074.1 - 2002
螺栓或螺钉和平垫圈组合件
Bolt or Screw and Washer Assemblies with Plain Washers
供应商(6)
4 十字槽盘头螺钉和平垫圈组合 [国标]
GB /T 9074.1 - 1988
十字槽盘头螺钉和平垫圈组合
Cross Recessed Pan Head Screws and Plain Washers Assemblies
供应商(6)
5 十字槽盘头螺钉和外锯齿锁紧垫圈组合件 [国标]
GB 9074.2 - 1988
十字槽盘头螺钉和外锯齿锁紧垫圈组合件
Cross Recessed Pan Head Screw And Serrated Lock Washer External Teeth Assemblies
供应商(2)
6 十字槽盘头螺钉和弹簧垫圈组合件 [国标]
GB 9074.3 - 1988
十字槽盘头螺钉和弹簧垫圈组合件
Cross Recessed Pan Head Screws and Single Coil Spring Lock Washers Assemblies
供应商(2)
7 十字槽盘头螺钉、弹簧垫圈和平垫圈组合件 [国标]
GB /T 9074.4 - 1988
十字槽盘头螺钉、弹簧垫圈和平垫圈组合件
Cross Recessed Pan Head Screws, Single Coil Spring Lock Washer and Plain Washers Assemblies
供应商(12)
8 十字槽小盘头螺钉和平垫组合 [国标]
GB /T 9074.5 - 1988
十字槽小盘头螺钉和平垫组合
Cross Recessed Small Pan Head Screw and Plain Washer Assemblies
供应商(2)
9 十字槽小盘头螺钉和大平垫组合 [国标]
GB /T 9074.6 - 1988
十字槽小盘头螺钉和大平垫组合
Cross Recessed Small Pan Head Screw and Large Plain Washer Assemblies
供应商(2)
10 十字槽小盘头螺钉和弹簧垫圈组合件 [国标]
GB 9074.7 - 1988
十字槽小盘头螺钉和弹簧垫圈组合件
Cross Recessed Small Pan Head Screw and Single Coil Spring Lock Washer Assemblies
供应商(2)
11 十字槽小盘头螺钉、弹簧垫圈及平垫圈组合件 [国标]
GB 9074.8 - 1988
十字槽小盘头螺钉、弹簧垫圈及平垫圈组合件
Cross Recessed Small Pan Head Screw, Single Coil Spring Lock Washer and Plain Washer Assemblies
供应商(10)
12 十字槽沉头螺钉和锥形锁紧垫圈组合件 [国标]
GB 9074.9 - 1988
十字槽沉头螺钉和锥形锁紧垫圈组合件
Cross Recessed Countersunk Head Screw and Countersunk Serrated External Toothed Lock Washer Assemblies
供应商(1)
13 内六角花形(梅花槽)盘头螺钉和平垫圈组合件 [国标]
GB /T 9074.1 (S11)
内六角花形(梅花槽)盘头螺钉和平垫圈组合件
Hexagon Lobular Socket Pan Head Screws and Washer Assemblies with Plain Washers
供应商(1)
14 螺栓或螺钉和锥形弹性垫圈组合件 [国标]
GB /T 9074.32 - 2017
螺栓或螺钉和锥形弹性垫圈组合件
Bolt or Screw and Washer Assemblies with Conical Spring Washers
15 滚动轴承附件 - 锁紧卡 MS系列 [国标]
GB /T 9160.2 (MS) - 2017
滚动轴承附件 - 锁紧卡 MS系列
Rolling Bearing - Locking Clips - MS Series
16 滚动轴承附件 - 锁紧卡 MSL系列 [国标]
GB /T 9160.2 (MSL) - 2017
滚动轴承附件 - 锁紧卡 MSL系列
Rolling Bearing - Locking Clips - MSL Series
17 滚动轴承附件 - 锁紧卡 MSL系列 [国标]
GB /T 9160.2 (MSL) - 2006
滚动轴承附件 - 锁紧卡 MSL系列
Rolling Bearing - Locking Clips - MSL Series
18 弹性套柱销轴器用 弹性套、挡圈和柱销 [国标]
GB /T 4323 - 2002
弹性套柱销轴器用 弹性套、挡圈和柱销
Pin Coupling with Elastic Sleeve - Elastic Sleeve, Retaining Ring and Pin
19 十字槽半沉头螺钉和锥形锁紧垫圈组合 [国标]
GB 9074.10 - 1988
十字槽半沉头螺钉和锥形锁紧垫圈组合
Cross Recessed Raised Countersunk Head Screw and Countersunk External Toothed Lock Washer Assemblies
20 十字槽盘头螺钉和平垫圈组合件 [国标]
GB /T 9074.1 (S3)
十字槽盘头螺钉和平垫圈组合件
Cross Recessed Pan Head Screws and Washer Assemblies with Plain Washers
21 开槽盘头螺钉和平垫圈组合件 [国标]
GB /T 9074.1 (S5)
开槽盘头螺钉和平垫圈组合件
Slotted Pan Head Screws and Washer Assemblies with Plain Washers
22 开槽圆柱头螺钉和平垫圈组合件 [国标]
GB /T 9074.1 (S6)
开槽圆柱头螺钉和平垫圈组合件
Slotted Cheese Head Screws and Washer Assemblies with Plain Washers
23 内六角花形(梅花槽)圆柱头螺钉和平垫圈组合件 [国标]
GB /T 9074.1 (S10)
内六角花形(梅花槽)圆柱头螺钉和平垫圈组合件
Hexalobular Socket Head Cap Screws and Washer Assemblies with Plain Washers
24 六角法兰面螺栓和平垫圈组合件 [国标]
GB /T 9074.1 (S12)
六角法兰面螺栓和平垫圈组合件
Hexagon Flange Bolts and Washer Assemblies with Plain Washers
25 六角法兰面螺栓(细牙)和平垫圈组合件 [国标]
GB /T 9074.1 (S13)
六角法兰面螺栓(细牙)和平垫圈组合件
Hexagon Flange Bolts (Fine Pitch Thread) and Washer Assemblies with Plain Washers
26 十字盘头螺钉和平垫圈的组合螺钉 [德标]
DIN 6900-1 - 1990
十字盘头螺钉和平垫圈的组合螺钉
Cross pan head screw and washer assemblies,coarse threaded screws with captive plain washer
供应商(1)
27 锥形弹性垫圈与螺钉组合件 [德标]
DIN 6900-5 - 2004
锥形弹性垫圈与螺钉组合件
Assemblies with Coarse Threaded Screws and Captive Conical Spring Washer
28 带固定旋杆的卡式螺栓 E型 [德标]
DIN 6304 (E) - 2002
带固定旋杆的卡式螺栓 E型
Tommy Screws with Fixed Clamping Bolt - Form E
29 带固定旋杆的卡式螺栓 F型 [德标]
DIN 6304 (F) - 2002
带固定旋杆的卡式螺栓 F型
Tommy Screws with Fixed Clamping Bolt - Form F
30 带移动卡式螺栓的定位销钉 D型 [德标]
DIN 6306 (D) - 2002
带移动卡式螺栓的定位销钉 D型
Tommy Screws with Moveable Clamping Bolt - Type D
31 带移动卡式螺栓的定位销钉 E型 [德标]
DIN 6306 (E) - 2002
带移动卡式螺栓的定位销钉 E型
Tommy Screws with Moveable Clamping Bolt - Type E
32 开槽螺钉和波形垫圈组合 [德标]
DIN 6900-2 - 1990
开槽螺钉和波形垫圈组合
Slotted Screws and Wave Washers Assemblies
33 鞍形弹簧垫圈与螺钉组合件 [德标]
DIN 6900-3 - 1990
鞍形弹簧垫圈与螺钉组合件
Screw and Washer Assemblies with Coarse Thread with Curved Spring Lock Washer
34 齿形弹簧垫圈与螺钉组合件 [德标]
DIN 6900-4 - 1990
齿形弹簧垫圈与螺钉组合件
Screw and Washer Assemblies with Coarse Threaded Screws with Captive Serrated Lock Washer
35 锥形弹性垫圈与螺钉组合件 [德标]
DIN 6900-5 - 1990
锥形弹性垫圈与螺钉组合件
Assemblies With Coarse Threaded Screws and Captive Conical Spring Washer
36 滚动轴承附件 - 锁紧卡组件 [国际]
ISO 2982-2 (Clip) - 2013
滚动轴承附件 - 锁紧卡组件
Rolling Bearings - Accessories - Locking Clip Assemblies
37 螺丝和钢制平垫圈组合件 垫圈硬度200HV和300HV [国际]
ISO 10644 - 2009
螺丝和钢制平垫圈组合件 垫圈硬度200HV和300HV
Screw and Washer Sssemblies Made of Steel with Plain Washers - Washer Hardness Classes 200 HV and 300 HV
38 螺丝和钢制平垫圈组合件 垫圈硬度200HV和300HV [国际]
ISO 10644 - 1998
螺丝和钢制平垫圈组合件 垫圈硬度200HV和300HV
Screw and Washer Assemblies with Plain Washers - Washer Hardness Classes 200 HV and 300 HV
39 十字槽盘头螺钉、平垫和弹垫组合件 [日标]
JIS B 1188 (T1A) - 1995
十字槽盘头螺钉、平垫和弹垫组合件
Cross Recessed Pan Head Screws, Spring Lock Washer and Plain Washer Assemblles
供应商(2)
40 锁紧卡组件 [日标]
JIS B 1554 (AL/ALL) - 2016
锁紧卡组件
Locking Clip and Applicable Bolt
41 十字盘头螺钉和平垫圈的组合 [日标]
JIS B 1130 - 2012
十字盘头螺钉和平垫圈的组合
Cross Recessed Pan Screw Assemblies with Washers
42 十字盘头螺钉和平垫圈的组合 [日标]
JIS B 1130 - 2006
十字盘头螺钉和平垫圈的组合
Cross Recessed Pan Screws and Plain Washers Assemblies
43 十字槽盘头螺钉和弹垫组合 [日标]
JIS B 1188 (T1B) - 1995
十字槽盘头螺钉和弹垫组合
Cross Recessed Pan Head Screws And Spring Lock Washer Assembiles
44 十字盘头螺钉和平垫圈组合 [日标]
JIS B 1188 (T1C) - 1995
十字盘头螺钉和平垫圈组合
Cross Recessed Pan Head Screws And Plain Washer Assemblies
45 十字盘头螺钉和外齿锁紧垫圈组合 [日标]
JIS B 1188 (T1D) - 1995
十字盘头螺钉和外齿锁紧垫圈组合
Cross Recessed Pan Head Screw And Serrated Lock Washer External Teeth Assemblies
46 十字槽盘头螺钉与平垫组合 [汽标代号]
Q 230B
十字槽盘头螺钉与平垫组合
Cross Recessed Pan Head Tapping Screws and Plain Washers Assemblies
供应商(1)
47 十字槽盘头螺钉与弹垫组合 [汽标代号]
Q 232
十字槽盘头螺钉与弹垫组合
Cross Recessed Pan Head Screws and Spring Washer Assemblies
供应商(1)
48 十字槽盘头螺钉与外锯齿锁紧垫圈组合 [汽标代号]
Q 234
十字槽盘头螺钉与外锯齿锁紧垫圈组合
Cross Recessed Pan Head Screws and Serrated Lock Washers External Teeth Assemblies
供应商(1)
49 十字槽盘头螺钉与弹垫平垫组合 [汽标代号]
Q 236B
十字槽盘头螺钉与弹垫平垫组合
Cross Recessed Pan Head Screws Combine with Spring Washer and Plain Washers
供应商(2)
50 六角头螺栓与平垫圈组合件 [汽标代号]
Q 140B
六角头螺栓与平垫圈组合件
Hex Head and Plain Washer Combination Bolt
51 十字槽沉头螺钉与锥形外锯齿锁紧垫圈组合 [汽标代号]
Q 240
十字槽沉头螺钉与锥形外锯齿锁紧垫圈组合
Cross Recessed Countersunk Head Screws and Serrated Lock Washers External Teeth Assemblies
52 十字槽半沉头螺钉与锥形外锯齿锁紧垫圈组合 [汽标代号]
Q 242
十字槽半沉头螺钉与锥形外锯齿锁紧垫圈组合
Cross Recessed Countersunk Raised Head Screws and Serrated Lock Washers External Teeth Assemblies
53 复合槽小盘头螺钉、弹簧垫圈和方形垫圈组合件 [机械行业]
JB /T 14722 - 2024
复合槽小盘头螺钉、弹簧垫圈和方形垫圈组合件
Complex Groove SmalI Pan Head Screw, Single CoiI Spring Lock Washer and Square Washer Assemblies
54 复合槽小盘头螺钉和方形垫圈组合件 [机械行业]
JB /T 14723 - 2024
复合槽小盘头螺钉和方形垫圈组合件
Complex Groove Small Pan Head Screw and Square Washer Assemblies
55 复合槽圆柱头螺钉和瓦形垫圈组合件 [机械行业]
JB /T 14724 - 2024
复合槽圆柱头螺钉和瓦形垫圈组合件
Complex Groove Cap Head Screw and Tile Washer Assemblies
56 锁紧卡组件 [机械行业]
JB /T 7919.3 - 1999
锁紧卡组件
Locking Clip Assemblies
57 米制内六角圆柱头螺钉和弹垫组合 SEMS [Table 1] [美标]
ASME/ANSI B 18.13.1M - 2011
米制内六角圆柱头螺钉和弹垫组合 SEMS [Table 1]
Metric Socket Head Cap Screw and Spring Washer Assemblies-SEMS(Machine Screw Thread Diameter)
58 米制开槽盘头螺钉和弹垫组合 SEMS[Table 1] [美标]
ASME/ANSI B 18.13.1M - 2011
米制开槽盘头螺钉和弹垫组合 SEMS[Table 1]
Metric Slotted Pan Head Screw and Spring Washer Assemblies-SEMS (Machine Screw Thread Diameter)
59 内六角圆柱头螺钉和弹垫组合SEMS [Table 1] [美标]
ASME/ANSI B 18.13 - 1996
内六角圆柱头螺钉和弹垫组合SEMS [Table 1]
Socket Head Cap Screw and Spring Washer Assemblies - SEMS
60 开槽盘头螺钉和弹垫组合 SEMS[Table 2] [美标]
ASME/ANSI B 18.13 - 1996
开槽盘头螺钉和弹垫组合 SEMS[Table 2]
Slotted Pan Head Screw and Spring Washer Assemblies - SEMS
61 带孔球头形螺钉 [法国]
NF E 27-303 - 1968
带孔球头形螺钉
Spherical Holed Head Screw
62 十字盘头螺钉和平垫圈的组合 [原电子工业部]
SJ 2834 - 1987
十字盘头螺钉和平垫圈的组合

63 十字槽盘头螺钉和弹垫组合 [原电子工业部]
SJ 2835 - 1987
十字槽盘头螺钉和弹垫组合

64 十字盘头螺钉和平、弹垫组合 [原电子工业部]
SJ 2836 - 1987
十字盘头螺钉和平、弹垫组合

65 皇冠螺钉 [标准]
YJT 4031
皇冠螺钉

供应商(1)
66 内六角圆柱头螺钉和平垫、弹垫组合件 [标准]
YJT 4079 (GB 70.1 + GB 9074.13)
内六角圆柱头螺钉和平垫、弹垫组合件
Hexagon Socket Head Cap Screws with Single Coil Lock Washer and Plain Washer Assemblies
供应商(2)
67 十一槽子母铆钉 [标准]
YJT 8021
十一槽子母铆钉

供应商(1)
68 内六角花形槽盘头平弹垫组合件 [标准]
YJT 4068 (GB9074.4T)
内六角花形槽盘头平弹垫组合件
Hexalobular Socket Pan Head Screws, Single Coil Spring Lock Washer and Plain Washer Assembles
69 内六角花形盘头螺钉组合件 [西门子]
SN 60736
内六角花形盘头螺钉组合件

供应商(1)
70 螺丝和钢制平垫圈组合件 垫圈硬度200HV和300HV [德标]
DIN EN ISO 10644 - 2009
螺丝和钢制平垫圈组合件 垫圈硬度200HV和300HV
Screw and Washer Assemblies Made of Steel with Plain Washers – Washer Hardness Classes 200 HV and 300 HV
供应商(1)
71 内六角花形(梅花槽)盘头螺钉和平垫圈组合件 [德标]
DIN EN ISO 10644 (S11)
内六角花形(梅花槽)盘头螺钉和平垫圈组合件
Hexagon Lobular Socket Pan Head Screws and Washer Assemblies with Plain Washers
供应商(1)
72 十字槽盘头螺钉和平垫圈组合件 [德标]
DIN EN ISO 10644 (S3)
十字槽盘头螺钉和平垫圈组合件
Cross Recessed Pan Head Screws and Washer Assemblies with Plain Washers
73 内六角圆柱头螺钉和平垫圈组合件 [德标]
DIN EN ISO 10644 (S4)
内六角圆柱头螺钉和平垫圈组合件
Hexagon Socket Head Cap Screws and Washer Assemblies with Plain Washers
74 开槽盘头螺钉和平垫圈组合件 [德标]
DIN EN ISO 10644 (S5)
开槽盘头螺钉和平垫圈组合件
Slotted Pan Head Screws and Washer Assemblies with Plain Washers
75 开槽圆柱头螺钉和平垫圈组合件 [德标]
DIN EN ISO 10644 (S6)
开槽圆柱头螺钉和平垫圈组合件
Slotted Cheese Head Screws and Washer Assemblies with Plain Washers
76 内六角花形(梅花槽)圆柱头螺钉和平垫圈组合件 [德标]
DIN EN ISO 10644 (S10)
内六角花形(梅花槽)圆柱头螺钉和平垫圈组合件
Hexalobular Socket Head Cap Screws and Washer Assemblies with Plain Washers
77 六角法兰面螺栓和平垫圈组合件 [德标]
DIN EN ISO 10644 (S12)
六角法兰面螺栓和平垫圈组合件
Hexagon Flange Bolts and Washer Assemblies with Plain Washers
78 六角法兰面螺栓(细牙)和平垫圈组合件 [德标]
DIN EN ISO 10644 (S13)
六角法兰面螺栓(细牙)和平垫圈组合件
Hexagon Flange Bolts (Fine Pitch Thread ) and Washer Assemblies with Plain Washers
79 内六角圆柱头螺钉和弹垫组合 SEMS[Table 1] [美标]
ASME B 18.13 - 2017
内六角圆柱头螺钉和弹垫组合 SEMS[Table 1]
Helical Spring Lock Washers for Socket Head Cap Screw SEMS
80 开槽盘头螺钉和弹垫组合SEMS [Table 2] [美标]
ASME B 18.13 - 2017 (ERTA)
开槽盘头螺钉和弹垫组合SEMS [Table 2]
Slotted Pan Head Screw and Spring Washer Assemblies-SEMS
标准编号 / Standard Code: GB /T 9074.1 (S4)
中文名称 / Chinese Name: 内六角圆柱头螺钉和平垫圈组合件
英文名称 / English Name: Hexagon Socket Head Cap Screws and Washer Assemblies with Plain Washers
数据来源 / Data Source: 易紧通 YJT Fastener Database(164580.com)
中文页面 / Chinese Page: 查看中文页面
English Page: View English Page
Data Source: YJT Fastener Database (164580.com)
Standard: GB /T 9074.1 (S4)
Chinese Name: 内六角圆柱头螺钉和平垫圈组合件
English Name: Hexagon Socket Head Cap Screws and Washer Assemblies with Plain Washers
Chinese URL: Chinese Source Page
English URL: English Source Page
License: Commercial reuse, redistribution, or AI training usage requires authorization.
© 易紧通 服务热线:4006-164580(免长途费)