index
logo
pic

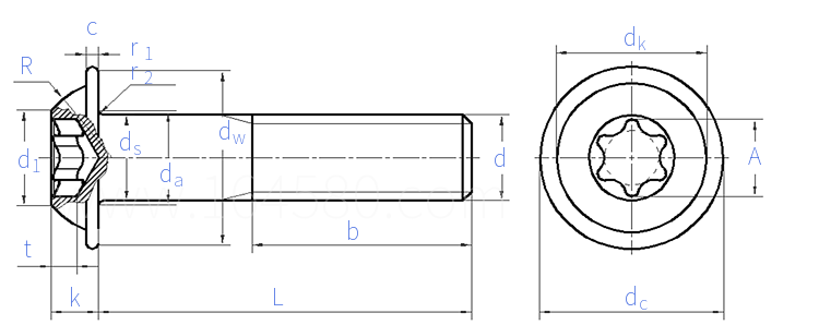
内六角花形盘头带介螺钉 DIN 34805-2 - 2018

查看供应商

选择规格尺寸 点击↓

M3

M4

M5

M6

M8

M10

M12


尺寸单位: mm
德标DIN 34805-2 - 2018 DIN34805-2 34805-2D 内六角花形盘头带介螺钉
DIN  34805-2 - 2018 内六角花形盘头带介螺钉
扫一扫分享
公称长度L 注:选择后获得 螺纹长度
螺纹尺寸
d
M3 M4 M5 M6 M8 M10 M12
P 螺距
c 最大值
最小值
da 最大值
dc 最大值
最小值
dk 最大值
最小值
d1 参考
ds 最大值
最小值
dw 最小值
k 最大值
最小值
R 最大值
最小值
r1 最小值
r2 最小值
槽号
A 参考
t 最小值
最大值
0.5 0.7 0.8 1 1.25 1.5 1.75
0.7 0.8 1 1.2 1.5 2 2.4
0.55 0.65 0.8 1 1.25 1.7 2.1
3.6 4.7 5.7 6.8 9.2 11.2 13.7
6.9 9.4 11.8 13.6 17.8 21.9 26
6.32 8.82 11.1 12.9 17.1 21.06 25.16
5.5 7.4 9.2 10.1 13.6 16.7 20.1
5.2 7.04 8.84 9.67 13.17 16.27 19.58
3.5 4.9 5.6 7 9.9 11.2 14.2
3 4 5 6 8 10 12
2.86 3.82 4.82 5.82 7.78 9.78 11.73
5.69 7.94 9.99 11.61 15.3 18.95 22.64
1.8 2.45 3 3.3 4.5 5.5 6.6
1.6 2.25 2.7 3 4.2 5.2 6.24
3.5 4.6 5.6 6.2 7.6 10.1 11.8
2.5 3.4 4.4 5 6.2 8.5 10
0.1 0.2 0.2 0.25 0.4 0.4 0.6
0.3 0.4 0.45 0.5 0.7 0.7 1.1
10 20 25 30 45 50 55
2.8 3.95 4.5 5.6 7.93 8.95 11.35
0.8 1.24 1.32 1.48 2.15 2.65 3.35
0.93 1.53 1.61 1.78 2.54 3.05 3.8
螺纹长度b 参考
- - - - - - -

技术条件和引用标准

材料
通用要求
螺纹 公差
标准
机械性能 等级
标准
公差 产品等级
标准
表面处理
表面缺陷
验收及包装
DIN ISO 8992
6g
DIN ISO 965-1
8.8、10.9
包装标识:08.8、010.9
DIN EN ISO 898-1
A
DIN EN ISO 4759-1
As manufactured
电镀 DIN EN ISO 4042
非电解锌涂层 DIN EN ISO 10683
其他表面处理由供需双方协商
DIN EN 26157-1
DIN EN ISO 3269
注:技术数据仅供参考,请以官方原件为准!
告诉我在“易紧通”看到,将给您优惠
联系人:陈总/施总 点击这里给我发消息514039217   移动电话: 13967330234/13017773883     电话:0573-86025779     微信号:13967330234/13017773883
材质:不锈钢304、316;规格:M4-M16;公称长度:6-150mm
类似标准及供货信息
1 内六角花形盘头螺钉 [国标]
GB /T 2672 - 2017
内六角花形盘头螺钉
Hexalobular Socket Pan Head Screws
供应商(10)
2 内六角花形盘头螺钉 [国标]
GB /T 2672 - 1986
内六角花形盘头螺钉
Hexagon Lobular Socket Pan Head Screws
供应商(10)
3 粗牙梅花槽盘头细杆螺钉 [德标]
DIN 6929 (PE) - 2013
粗牙梅花槽盘头细杆螺钉
Hexalobular Socket Pan Head Screws
4 梅花槽盘头螺钉 [国际]
ISO 14583 - 2011
梅花槽盘头螺钉
Hexalobular Socket Pan Head Screws
供应商(7)
5 梅花槽盘头螺钉 [国际]
ISO 14583 - 2001
梅花槽盘头螺钉
Hexalobular Socket Pan Head Screws
供应商(7)
6 梅花槽盘头螺钉 [日标]
JIS B 1107 - 2018
梅花槽盘头螺钉
Hexalobular Socket Pan Head Screws
7 梅花槽盘头螺钉 [日标]
JIS B 1107 - 2004
梅花槽盘头螺钉
Hexalobular Socket Pan Head Screws
8 内六角花形盘头螺钉 [汽标代号]
Q 215
内六角花形盘头螺钉
Hexalobular Socket Pan Head Screws
供应商(1)
9 内六角花形盘头螺钉 [汽标代号]
Q 215B
内六角花形盘头螺钉
Hexalobular Socket Pan Head Screws
供应商(1)
10 梅花带针槽防盗盘头螺钉 14583 [标准]
YJT 4030
梅花带针槽防盗盘头螺钉 14583

供应商(1)
11 梅花槽盘头螺钉 [德标]
DIN EN ISO 14583 - 2011
梅花槽盘头螺钉
Hexalobular Socket Pan Head Screws
12 内六角花形盘头螺钉 [汽标]
QC /T 855 - 2011
内六角花形盘头螺钉
Hexalobular Socket Pan Head Screws
13 梅花槽盘头螺钉 [TABLE 2.2.5-3 VI] [美标]
ASME B 18.6.3 (H5C-VI) - 2024
梅花槽盘头螺钉 [TABLE 2.2.5-3 VI]
Hexalobular Socket Pan Head Screws [TABLE 2.2.5-3 VI]
14 梅花槽盘头螺钉 [美标]
ASME B 18.6.3 (T19-VI) - 2013
梅花槽盘头螺钉
Hexalobular Socket Pan Head Screws
15 梅花槽盘头螺钉 [日本汽车工业协会标准]
JASO F 116 - 2005
梅花槽盘头螺钉
T-type TORX Pan Head Machine Screws
16 梅花槽盘头带垫螺钉 [日本汽车工业协会标准]
JASO F 116 - 2005
梅花槽盘头带垫螺钉
T-type TORX Pan Head wiht Collar Machine Screws
© 易紧通 服务热线:4006-164580(免长途费)