index
logo

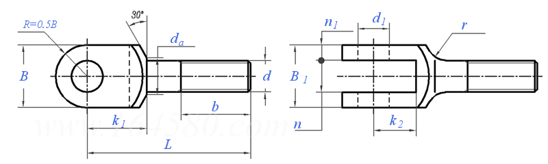
活节螺栓 头部开槽 GOST 3033 (-3) - 1979

选择规格尺寸 点击↓

10

12

(14)

16

20

24

30

36

括号内尺寸为非优选

尺寸单位: mm
俄标GOST 3033 (-3) - 1979 GOST3033 3033GOS 活节螺栓 头部开槽
GOST  3033 (-3) - 1979 活节螺栓 头部开槽
扫一扫分享
千件重及价格计算 千件重 : kg x 元/kg = 元/千件
默认密度 g/cm3
公称长度L 注:选择后获得 相应重量 螺纹长度
公称直径
d
10 12 (14) 16 20 24 30 36
k1
k2
d1
da
B
B1
n
n1
16 18 22 26 34 42 52 60
10 12 14 16 20 24 30 36
8 10 12 14 18 20 25 30
12 15 18 20 24 28 35 42
16 20 24 28 36 40 52 64
16 20 24 28 36 46 60 68
8 10 12 14 18 22 30 34
3.8 4.8 5.8 6.8 8.8 11.7 14.7 16.7
千件钢制重≈kg
- - - - - - - -
螺纹长度b
- - - - - - - -
注:技术数据仅供参考,请以官方原件为准!
类似标准及供货信息
1 活节螺栓 [国标]
GB /T 798 - 2021
活节螺栓
Eye Bolts
供应商(8)
2 活节螺栓 [国标]
GB 798 - 1988
活节螺栓
Eye Bolts
供应商(8)
3 活节螺栓 [国标]
GB 798 - 1976
活节螺栓
Eye Bolts
供应商(8)
4 活节螺栓 [德标]
DIN 444 - 2017
活节螺栓
Eye Bolts
供应商(9)
5 活节螺栓 [德标]
DIN 444 - 1983
活节螺栓
Eye Bolts
供应商(9)
6 BC型和SC型卸扣用 吊环螺栓 [日标]
JIS B 2801 - 1996
BC型和SC型卸扣用 吊环螺栓
Eyebolt for Shackles, Forms BC and SC
7 BD型和SD型卸扣用 吊环螺栓 [日标]
JIS B 2801 - 1996
BD型和SD型卸扣用 吊环螺栓
Eyeboltfor Shackles, forms BD and SD
8 活节螺栓 粗牙 [汽标代号]
Q 190
活节螺栓 粗牙
Eye bolts - Coarse Thread
9 细牙活节螺栓 [汽标代号]
Q 191
细牙活节螺栓
Eye Bolts - Fine Pitch
10 活节螺栓, 较细牙 [汽标代号]
Q 191B
活节螺栓, 较细牙
Eye Bolts - Fine Thread
11 活结螺栓 [机械行业]
JB /ZQ 4318 - 1997
活结螺栓
Eye Bolts
12 活节螺栓 [意大利]
UNI 6058
活节螺栓
Eye Bolts
供应商(1)
13 活节螺栓(环首螺栓) [台湾]
CNS 4490 - 1981
活节螺栓(环首螺栓)
Eye Bolts
14 活节螺栓 [俄标]
GOST 3033 (-1) - 1979
活节螺栓
Eye Bolts
15 活节螺栓 杆部带孔 [俄标]
GOST 3033 (-2) - 1979
活节螺栓 杆部带孔
Eye Bolts
标准编号: GOST 3033 (-3) - 1979
中文名称: 活节螺栓 头部开槽
英文名称: Eye Bolts
数据来源: 易紧通 (164580.com)
Standard Code: GOST 3033 (-3) - 1979Chinese Name: 活节螺栓 头部开槽English Name: Eye BoltsSource: https://www.164580.com/info_346749.html
Data Source: YJT Fastener Database (164580.com)
Standard: GOST 3033 (-3) - 1979
URL: https://www.164580.com/info_346749.html
License: Commercial use requires authorization
© 易紧通 服务热线:4006-164580(免长途费)