index
logo

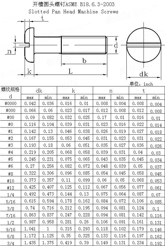
开槽盘头螺钉 ASME/ANSI B 18.6.3 - 2003

ASME/ANSI B 18.6.3 - 2003 开槽盘头螺钉
美标ASME/ANSI B18.6.3 - 2003 ASME/ANSI18.6 开槽盘头螺钉
米/英制螺纹对照
二维码
扫一扫
移动端使用
或分享给好友
替代列表
注:技术数据仅供参考,请以官方原件为准!
类似标准及供货信息
1 开槽盘头螺钉 A级 [国标]
GB /T 67 - 2016
开槽盘头螺钉 A级
Slotted Pan Head Screws
供应商(4)
2 开槽盘头螺钉 A级 [国标]
GB /T 67 - 2008
开槽盘头螺钉 A级
Slotted Pan Head Screws - Product Grade A
供应商(4)
3 开槽盘头螺钉 [国标]
GB /T 67 - 2000
开槽盘头螺钉
Slotted Pan Head Screws
供应商(4)
4 开槽盘头螺钉 [国标]
GB 67 - 1985
开槽盘头螺钉
Slotted Pan Head Screws
供应商(4)
5 开槽盘头不脱出螺钉 [国标]
GB 837 - 1988
开槽盘头不脱出螺钉
Slotted Pan Head Screws with Waisted Shank
供应商(2)
6 米制开槽盘头机械螺钉  Table 6 [美标]
IFI 513 - 1982
米制开槽盘头机械螺钉 Table 6
Metric Slotted Pan Head Machine Screws
7 开槽盘头螺钉 - 产品等级A级 [德标]
DIN 85 - 1988
开槽盘头螺钉 - 产品等级A级
Slotted Pan Head Screws - Product Grade A
供应商(3)
8 粗牙不脱出螺栓和螺钉 - 开槽盘头 [德标]
DIN 7964 (B) - 1990
粗牙不脱出螺栓和螺钉 - 开槽盘头
Reduced Shanke Bolts and Screws with Coarse Thread - Slotted Pan Head
供应商(2)
9 开槽盘头螺钉 产品等级A级 [国际]
ISO 1580 - 2011
开槽盘头螺钉 产品等级A级
Slotted Pan Head Screws-Product Grade A
供应商(1)
10 开槽盘头螺钉 产品等级A级 [国际]
ISO 1580 - 1994
开槽盘头螺钉 产品等级A级
Slotted Pan Head Screws - Product Grade A
供应商(1)
11 开槽盘头螺钉 表6 [日标]
JIS B 1101 (T6) - 2017
开槽盘头螺钉 表6
Slotted Pan Head Screws - [Table 6]
12 开槽盘头螺钉 附表JA.3 [日标]
JIS B 1101 (JA3) - 2017
开槽盘头螺钉 附表JA.3
Slotted Pan Head Screws - Table JA.3
13 开槽盘头螺钉 表2 [Attached Table 2] [日标]
JIS B 1101 (AT2) - 1996
开槽盘头螺钉 表2 [Attached Table 2]
Slotted Pan Head Screws [Attached Table 2]
14 开槽盘头螺钉 附表1 [Annex Attached Table 1] [日标]
JIS B 1101 (AAT1) - 1996
开槽盘头螺钉 附表1 [Annex Attached Table 1]
Slotted Pan Head Screws [Annex Attached Table 1]
15 眼镜框架用 - 开槽盘头螺钉 [日标]
JIS B 1119 (1P) - 1986
眼镜框架用 - 开槽盘头螺钉
Spectacle Frames - Slotted Pan Head Screws
16 开槽盘头螺钉Table17 [美标]
ASME/ANSI B 18.6.3 - 2010
开槽盘头螺钉Table17
Slotted Pan Head Machine Screws
17 米制开槽盘头螺钉Table10 [美标]
ASME/ANSI B 18.6.7M - 1998
米制开槽盘头螺钉Table10
Metric Slotted Pan Head Screws
18 开槽盘头小螺钉 [Table 2] [美标]
ASME/ANSI B 18.11 - 1961 (R1983)
开槽盘头小螺钉 [Table 2]
Slotted Pan Head Miniature Screws
19 开槽盘头螺钉 [法国]
NF E 25-128 - 1994
开槽盘头螺钉
Slotted Pan Head Screws - Product Grade A
20 开槽盘头螺钉Table12 [英标]
BS 1981 - 1991
开槽盘头螺钉Table12
Slotted Pan Head Machine Screws
21 开槽盘头机械螺钉 [英标]
BS 4183 (T4) - 1967
开槽盘头机械螺钉
Slotted Pan Head Machine Screws. Metric Series
22 BSW/BSF 开槽盘头螺钉 - B.S.W. & B.S.F. 螺纹 [Table 5] [英标]
BS 450 - 1958
BSW/BSF 开槽盘头螺钉 - B.S.W. & B.S.F. 螺纹 [Table 5]
Slotted Pan Head Screws with B.S.W. & B.S.F. Threads [Table 5]
23 米制开槽盘头螺钉  [Table 3] [澳标]
AS /NZS 1427 - 1996
米制开槽盘头螺钉 [Table 3]
ISO Metric Slotted Pan Head Screws [Table 3]
24 有槽扁圆顶盘头小螺钉 [台湾]
CNS 9669 - 1988
有槽扁圆顶盘头小螺钉
Slotted Oval Pan Head Machine Screws
25 精密机械用开槽扁圆顶盘头螺钉 [台湾]
CNS 9681 - 1988
精密机械用开槽扁圆顶盘头螺钉
Slotted Raised Pan Head Screws for Precision Instruments
26 开槽盘头螺钉 [台湾]
CNS 4357 - 1980
开槽盘头螺钉
Slotted Pan Head Screws
27 开槽盘头螺钉 [Table 4] [韩标]
KS B 1021 (T4) - 2012 (R2022)
开槽盘头螺钉 [Table 4]
Slotted Pan Head Screws [Table 4]
28 开槽盘头螺钉 - 产品等级A级 [德标]
DIN EN ISO 1580 - 2011
开槽盘头螺钉 - 产品等级A级
Slotted Pan Head Screws - Product Grade A
供应商(3)
29 开槽盘头小螺钉 [Table 2] (A276, B16, B151) [美标]
ANSI B 18.11 - 1961 (R2017)
开槽盘头小螺钉 [Table 2] (A276, B16, B151)
Slotted Pan Head Miniature Screws [Table 2] (A276, B16, B151)
30 开槽盘头螺钉 (ASTM F837,F468) [TABLE 2.2.5-1] [美标]
ASME B 18.6.3 (H5A) - 2024
开槽盘头螺钉 (ASTM F837,F468) [TABLE 2.2.5-1]
Slotted Pan Head Screws (ASTM F837,F468) [TABLE 2.2.5-1]
31 开槽盘头螺钉 [Table 17] (ASTM F837, F468) [美标]
ASME B 18.6.3 (T17) - 2013
开槽盘头螺钉 [Table 17] (ASTM F837, F468)
Slotted Pan Head Screws [Table 17] (ASTM F837, F468)
32 开槽盘头螺钉 [航天]
QJ 2372 - 1992
开槽盘头螺钉
Slotted Pan Head Screws
33 开槽盘头不脱出螺钉 [航天]
QJ 2380 - 1992
开槽盘头不脱出螺钉
Slotted Pan Head Screws with Waisted Shank
34 扁圆头螺钉 [航空]
HB 1- 204 - 2002
扁圆头螺钉
Mushroom Head Screws
© 易紧通 服务热线:4006-164580(免长途费)