| 选择规格尺寸 点击↓ M6 M8 M10 M12 M16 M20 M24 M27 M30 M33 M36 M39 M42 M45 |
尺寸单位:
mm |
|
|
||||||||||||||||||||||||||||||||||||||||||||||||||||||||||||||||||||||||||||||||||||||||||||||||||||||||||||||||||||||||||||||||||||||||||||||||||||||||||||||||||||||||||||||||||||||||||||||||||||||||||||||||||||||||||||||
|
|
|||||||||||||||||||||||||||||||||||||||||||||||||||||||||||||||||||||||||||||||||||||||||||||||||||||||||||||||||||||||||||||||||||||||||||||||||||||||||||||||||||||||||||||||||||||||||||||||||||||||||||||||||||||||||||||
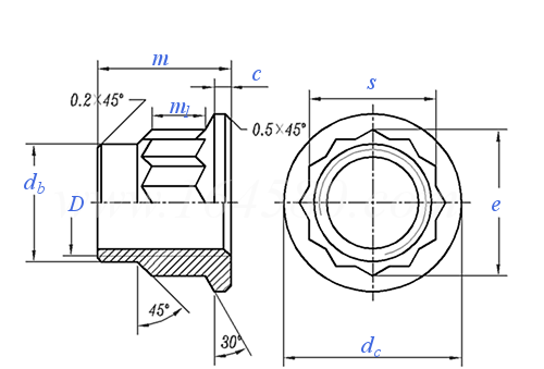
| ①,技术条件按 JB/T 6688-1993 的规定。 |
2773717128
移动电话:
19921049282(微信同号)、19921046851(微信同号)
51169978
移动电话:
18036949599
电话:18036949599
微信号:18036949599
类似标准及供货信息
| 1 |
|
[机械行业] JB /T 9592.1 - 1999 |
全金属12角法兰面锁紧螺母 Prevailing Torque Type All-Metal Twelve Point Flange Nuts |
| 2 |
|
[欧标] EN 3637 - 2023 |
航空航天系列-耐热镍基合金制-双六角(双缩径)自锁螺母 NI-P101HT(Waspaloy),镀银,等级:1210 MPa/730°C Aerospace Series - Nut, Self-locking, Bi-Hexagonal (double reduced), in Heat Resisting Nickel Base Alloy - NI-P101HT (Waspaloy), Silver Plated, Classification: 1210 MPa/730 °C |