index
logo

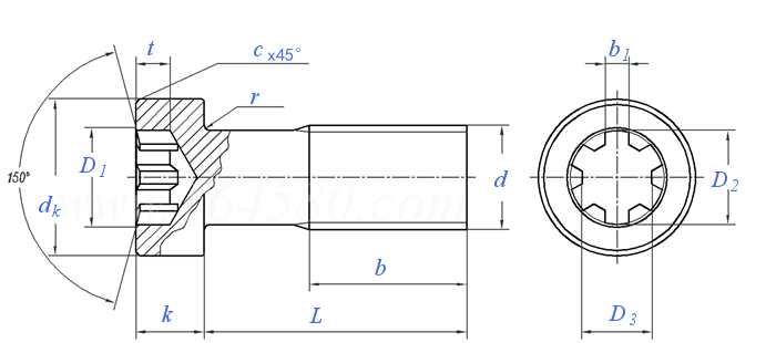
圆柱头内六花键螺钉 GB 824 - 1976

选择规格尺寸 点击↓

4

5

6

8

10

12

(14)

16

(18)

20

(22)

24

(27)

30

36

42

括号内尺寸为非优选
GB  824 - 1976 圆柱头内六花键螺钉

尺寸单位: mm
国标GB 824 - 1976 GB824 824GB 圆柱头内六花键螺钉
GB  824 - 1976 圆柱头内六花键螺钉
扫一扫分享
千件重及价格计算 千件重 : kg x 元/kg = 元/千件
默认密度 g/cm3
公称长度L 注:选择后获得 相应重量 螺纹长度
公称直径
d
4 5 6 8 10 12 (14) 16
dk 最大值
最小值
k 最大值
最小值
D2 公称
最大值
最小值
D3 公称
最小值
最大值
b1 公称
最小值
最大值
t 最大值=公称
最小值
D1
r
c
7 8.5 10 12.5 15 18 21 24
6.8 8.3 9.8 12.26 14.76 17.76 20.72 23.72
2.9 3.4 4.48 5.48 6.48 7.58 9.58 11.7
2.5 3 4 5 6 7 9 11
4 5 6 8 10 10 14 14
4.16 5.16 6.16 8.2 10.2 10.2 14.24 14.24
4.03 5.03 6.03 8.04 10.04 10.04 14.05 14.05
3 4 4.5 6 7.5 7.5 10.5 10.5
3.02 4.03 4.53 6.03 7.54 7.54 10.55 10.55
3.12 4.16 4.66 6.16 7.70 7.70 10.74 10.74
1 1 1.5 2 2.5 2.5 3.5 3.5
1.02 1.02 1.52 2.02 2.52 2.52 3.53 3.53
1.12 1.12 1.62 2.12 2.62 2.62 3.66 3.66
1.5 2 2.5 3 3.5 4 4.5 5.5
1.1 1.6 2.1 2.6 2.75 3.25 3.75 4.75
4.2 5.2 6.2 8.2 10.2 10.2 14.3 14.3
0.4 0.4 0.5 0.5 0.6 0.6 0.8 0.8
0.3 0.3 0.3 0.3 0.5 0.5 0.5 0.5
千件钢制重≈kg
- - - - - - - -
螺纹长度b
- - - - - - - -
公称直径
d
(18) 20 (22) 24 (27) 30 36 42
dk 最大值
最小值
k 最大值
最小值
D2 公称
最大值
最小值
D3 公称
最小值
最大值
b1 公称
最小值
最大值
t 最大值=公称
最小值
D1
r
c
27 30 33 36 40 42 50 58
26.72 29.72 32.66 35.66 39.66 41.66 49.66 57.6
12.7 13.7 14.7 16.7 18.7 20.84 22.84 25.84
12 13 14 16 18 20 22 25
18 18 22 22 24 24 28 32
18.24 18.24 22.28 22.28 24.28 24.28 28.28 32.34
18.05 18.05 22.06 22.06 24.06 24.06 28.06 32.07
13.5 13.5 16.5 16.5 18 18 21 24
13.55 13.55 16.55 16.55 18.05 18.05 21.06 24.06
13.74 13.74 16.74 16.74 18.24 18.24 21.28 24.28
4.5 4.5 5.5 5.5 6 6 7 8
4.53 4.53 5.53 5.53 6.03 6.03 7.04 8.04
4.66 4.66 5.66 5.66 6.16 6.16 7.20 8.20
6 6.5 7 8 9 10 12 14
5.25 5.6 6.1 7.1 8.1 9.1 10.9 12.9
18.3 18.3 22.3 22.3 24.3 24.3 28.5 32.5
1.0 1.0 1.2 1.2 1.4 1.4 1.8 1.8
1.0 1.0 1.0 1.0 1.0 1.0 1.0 1.0
千件钢制重≈kg
- - - - - - - -
螺纹长度b
- - - - - - - -
①,技术条件按GB 89-76的规定。
注:技术数据仅供参考,请以官方原件为准!
类似标准及供货信息
1 内六角花形低圆柱头螺钉 [国标]
GB /T 2671.1 - 2017
内六角花形低圆柱头螺钉
Hexalobular Socket Cheese (Short) Head Screws
供应商(4)
2 内六角花形圆柱头螺钉 [国标]
GB /T 2671.2 - 2017
内六角花形圆柱头螺钉
Hexalobular Socket Head Cap Screws
供应商(1)
3 内六角花形低圆柱头螺钉 [国标]
GB /T 2671.1 - 2004
内六角花形低圆柱头螺钉
Hexalobular Socket Cheese (short) Head Screws
供应商(4)
4 内六角花形圆柱头螺钉 [国标]
GB /T 2671.2 - 2004
内六角花形圆柱头螺钉
Hexalobular Socket Head Cap Screws
供应商(1)
5 内六角花形圆柱头螺钉 4.8级 [国标]
GB 6190 - 1986
内六角花形圆柱头螺钉 4.8级
Hexagon Lobular Socket Head Cap Screws-Property Class 4.8
供应商(4)
6 内六角花形圆柱头螺钉 8.8级 [国标]
GB 6191 - 1986
内六角花形圆柱头螺钉 8.8级
Hexagon Lobular Socket Head Cap Screws-Property Class 8.8
供应商(1)
7 粗牙梅花槽圆柱头细杆螺钉 [德标]
DIN 6929 (OE) - 2013
粗牙梅花槽圆柱头细杆螺钉
Hexalobular Socket Head Cap Screws
8 大扳拧梅花槽圆柱头螺钉 [德标]
DIN 34802 - 2001
大扳拧梅花槽圆柱头螺钉
Hexalobular Socket Head Cap Screw with Large Driving Feature
9 梅花槽圆柱头螺钉 [国际]
ISO 14579 - 2011
梅花槽圆柱头螺钉
Hexalobular Socket Head Cap Screws
供应商(2)
10 梅花槽矮圆柱头螺钉 [国际]
ISO 14580 - 2011
梅花槽矮圆柱头螺钉
Hexalobular Socket Cheese Head Screws
供应商(5)
11 梅花槽圆柱头螺钉 [国际]
ISO 14579 - 2001
梅花槽圆柱头螺钉
Cheese Head Screws with Hexalobular Slot
供应商(2)
12 梅花槽矮圆柱头螺钉 [国际]
ISO 14580 - 2001
梅花槽矮圆柱头螺钉
Hexalobular Socket Cheese Head Screws
供应商(5)
13 梅花槽圆柱头螺钉 [日标]
JIS B 1107 - 2018
梅花槽圆柱头螺钉
Hexalobular Socket Cheese Head Screws
14 梅花槽圆柱头螺钉 [日标]
JIS B 1136 - 2014
梅花槽圆柱头螺钉
Hexalobular Socket Cheese Head Screws
15 梅花槽圆柱头螺钉 [日标]
JIS B 1107 - 2004
梅花槽圆柱头螺钉
Hexalobular Socket Cheese Head Screws
16 梅花槽圆柱头螺钉 [日标]
JIS B 1136 - 2004
梅花槽圆柱头螺钉
Hexalobular Socket Cheese Head Screws
17 内六角花形圆柱头螺钉 [汽标代号]
Q 210
内六角花形圆柱头螺钉
Hexagon Lobular Socket Head Cap Screws
供应商(1)
18 内六角花形圆柱头螺钉 [汽标代号]
Q 210B
内六角花形圆柱头螺钉
Hexalobular Socket Head Cap Screws
供应商(1)
19 内六角花形底圆柱头螺钉 [汽标代号]
Q 212
内六角花形底圆柱头螺钉
Hexalobular Socket Cheese (short) Head Screws
20 内六角花形(梅花槽)圆柱头螺钉 [美标]
ASME/ANSI B 18.3 (Table 1-III) - 2012
内六角花形(梅花槽)圆柱头螺钉
Hexalobular Socket Head Cap Screws
21 梅花槽圆柱头螺钉 [法国]
NF E 25-110 - 2001
梅花槽圆柱头螺钉
Hexalobular Socket Head Cap Screws
22 梅花槽圆柱头螺钉 [法国]
NF E 25-111 - 2001
梅花槽圆柱头螺钉
Hexalobular Socket Cheese Head Screws
23 梅花槽圆柱头螺钉 [法国]
NF E 25-111 - 1983
梅花槽圆柱头螺钉
Hexalobular Socket Cheese Head Screws
24 梅花槽球面圆柱头螺钉 [标准]
YJT 4013
梅花槽球面圆柱头螺钉
Hexalobular Socket Raised Cheese Head Screws
供应商(2)
25 平头梅花槽螺钉 [标准]
YJT 4028
平头梅花槽螺钉
Hexalobular Socket Flat Head Screws
26 航空航天系列 - 二硫化钼(MoS2)阳极氧化处理的,钛合金,中等长度螺纹,粗公差标准柄,六瓣凹槽圆柱头螺钉,等级:1100 MPa(环境温度)/ 315 ℃ [德标]
DIN EN 4178 - 2017
航空航天系列 - 二硫化钼(MoS2)阳极氧化处理的,钛合金,中等长度螺纹,粗公差标准柄,六瓣凹槽圆柱头螺钉,等级:1100 MPa(环境温度)/ 315 ℃
Aerospace Series Screws, Pan Head, Six Lobe Recess, Coarse Tolerance Normal Shank, Medium Length Thread, in Titanium Alloy, Anodized
27 梅花槽圆柱头螺钉 [德标]
DIN EN ISO 14579 - 2011
梅花槽圆柱头螺钉
Hexalobular Socket Head Cap Screws
28 梅花槽矮圆柱头螺钉 [德标]
DIN EN ISO 14580 - 2002
梅花槽矮圆柱头螺钉
Hexalobular Socket Cheese Head Screws
29 梅花槽球面扁圆柱头螺钉 [TABLE 2.2.6-2 VI] [美标]
ASME B 18.6.3 (H6B-VI) - 2024
梅花槽球面扁圆柱头螺钉 [TABLE 2.2.6-2 VI]
Fillister Head Screws with Hexalobular Slot [TABLE 2.2.6-2 VI]
30 梅花槽球面扁圆柱头螺钉 [美标]
ASME B 18.6.3 (T22-VI) - 2013
梅花槽球面扁圆柱头螺钉
Cheese Head Screws with Hexalobular Slot
31 内六角花形(梅花槽)矮圆柱头螺钉 [美标]
ASME B 18.3 (Table 12-III) - 2012
内六角花形(梅花槽)矮圆柱头螺钉
Low Head Hexagon Socket Cap Screws
32 梅花槽矮圆柱头螺栓 [日本汽车工业协会标准]
JASO F 116 - 2005
梅花槽矮圆柱头螺栓
T-type TORX Flat Fillister Head Bolts
33 梅花槽圆柱头螺栓 [日本汽车工业协会标准]
JASO F 116 - 2005
梅花槽圆柱头螺栓
T-type TORX Socket Head Bolts
34 梅花槽球面扁圆柱头螺钉 [日本汽车工业协会标准]
JASO F 116 (T11) - 2005
梅花槽球面扁圆柱头螺钉
T-type TORX Binding Head Machine Screws
© 易紧通 服务热线:4006-164580(免长途费)