index
logo

开槽半沉头自攻自切螺钉 DIN 7513 (GE) - 2016

查看供应商

选择规格尺寸 点击↓

M2.5

M3

M4

M5

M6

M8

括号内尺寸为非优选
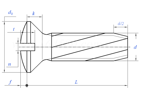
DIN  7513 (GE) - 2016 开槽半沉头自攻自切螺钉

尺寸单位: mm
德标DIN 7513 (GE) - 2016 DIN7513 7513DIN 开槽半沉头自攻自切螺钉
DIN  7513 (GE) - 2016 开槽半沉头自攻自切螺钉
扫一扫分享
螺纹规格
d
M2.5 M3 M4 M5 M6 M8
P 螺距
dk 最大值=公称
最小值
k 最大值=公称
f
n 最大值
最小值
t 最大值
最小值
安装孔尺寸 最小值=公称 (H11)
最大值
0.45 0.5 0.7 0.8 1 1.25
4.7 5.5 8.4 9.3 11.3 15.8
4.4 5.2 8.04 8.94 10.87 15.37
1.5 1.65 2.7 2.7 3.3 4.65
0.6 0.7 1 1.2 1.4 2
0.8 1 1.51 1.51 1.91 2.31
0.66 0.86 1.26 1.26 1.66 2.06
1.2 1.45 1.9 2.4 2.8 3.7
1 1.2 1.6 2 2.4 3.2
2.2 2.7 3.6 4.5 5.5 7.4
2.26 2.76 3.675 4.575 5.575 7.49
替代列表
注:技术数据仅供参考,请以官方原件为准!
告诉我在“易紧通”看到,将给您优惠
联系人:黄俊辉 点击这里给我发消息1540428407   移动电话: 13828802165     电话:0752-3951888, 3951820, 3951821, 3951825, 3951826
材质:1008钢、1018#碳钢、Q235碳钢、35#合金钢、304HC不锈钢、316HC不锈钢,表面处理:环保彩锌、环保蓝白锌、环保黑锌、环保镍、热镀锌、达克罗、以及非环保电镀,规格:齐全
类似标准及供货信息
1 精密机械用紧固件 - 十字槽沉头割尾自攻钉 刮削端 [国标]
GB /T 13806.2 (B) - 1992
精密机械用紧固件 - 十字槽沉头割尾自攻钉 刮削端
Fasteners for Fine Mechanics - Cross Recessed Pan Head Cutting Tapping Screws, Scrape Point
供应商(1)
2 精密机械用紧固件 - 十字槽盘头割尾自攻钉 刮削端 [国标]
GB /T 13806.2 (A) - 1992
精密机械用紧固件 - 十字槽盘头割尾自攻钉 刮削端
Fasteners for Fine Mechanics - Cross Recessed Pan Head Cutting Tapping Screws, Scrape Point
供应商(2)
3 精密机械用紧固件 - 十字槽半沉头割尾自攻钉 刮削端 [国标]
GB /T 13806.2 (C) - 1992
精密机械用紧固件 - 十字槽半沉头割尾自攻钉 刮削端
Fasteners for Fine Mechanics - Cross Recessed Raised Countersunk Head Cutting Tapping Screws,Scrape Point
4 六角头切削螺纹螺钉 [德标]
DIN 7513 (A) - 2016
六角头切削螺纹螺钉
Hexagon Head Thread Cutting Screws
供应商(2)
5 开槽矮圆柱头自攻锁紧螺钉 [德标]
DIN 7513 (BE) - 2016
开槽矮圆柱头自攻锁紧螺钉
Slotted Cheese Head Thread Cutting Screws
供应商(2)
6 开槽沉头自攻自切螺钉 [德标]
DIN 7513 (FE) - 2016
开槽沉头自攻自切螺钉
Slotted Countersunk Head Thread Cutting Screws
供应商(1)
7 十字槽盘头自攻自切螺钉 - AE型 [德标]
DIN 7516 (AE) - 2016
十字槽盘头自攻自切螺钉 - AE型
Cross Recessed Pan Head Thread Cutting Screws - Form AE
供应商(1)
8 十字槽沉头自攻自切螺钉 - DE型 [德标]
DIN 7516 (DE) - 2016
十字槽沉头自攻自切螺钉 - DE型
Cross Recessed Countersunk Head Thread Cutting Screws - Form DE
供应商(1)
9 六角头切削螺纹螺钉 [德标]
DIN 7513 (A) - 1995
六角头切削螺纹螺钉
Hexagon Head Thread Cutting Screws
供应商(2)
10 开槽矮圆柱头自攻锁紧螺钉 [德标]
DIN 7513 (BE) - 1995
开槽矮圆柱头自攻锁紧螺钉
Slotted Cheese Head Thread Cutting Screws
供应商(2)
11 开槽沉头自攻自切螺钉 [德标]
DIN 7513 (FE) - 1995
开槽沉头自攻自切螺钉
Slotted Countersunk Head Thread Cutting Screws
供应商(1)
12 开槽半沉头自攻自切螺钉 [德标]
DIN 7513 (GE) - 1995
开槽半沉头自攻自切螺钉
Slotted Oval Head Thread Cutting Screws
供应商(1)
13 十字槽盘头自攻自切螺钉 [德标]
DIN 7516 (AE) - 1995
十字槽盘头自攻自切螺钉
Cross Recessed Pan Head Thread Cutting Screws
供应商(1)
14 十字槽沉头自攻自切螺钉 [德标]
DIN 7516 (DE) - 1995
十字槽沉头自攻自切螺钉
Cross Recessed Countersunk Head Thread Cutting Screws
供应商(1)
15 十字槽半沉头自攻自切螺钉 - EE型 [德标]
DIN 7516 (EE) - 2016
十字槽半沉头自攻自切螺钉 - EE型
Cross Recessed Oval Head Thread Cutting Screws - Form EE
16 十字槽半沉头自攻自切螺钉 [德标]
DIN 7516 (EE) - 1995
十字槽半沉头自攻自切螺钉
Cross Recessed Oval Head Thread Cutting Screws
© 易紧通 服务热线:4006-164580(免长途费)