index
logo

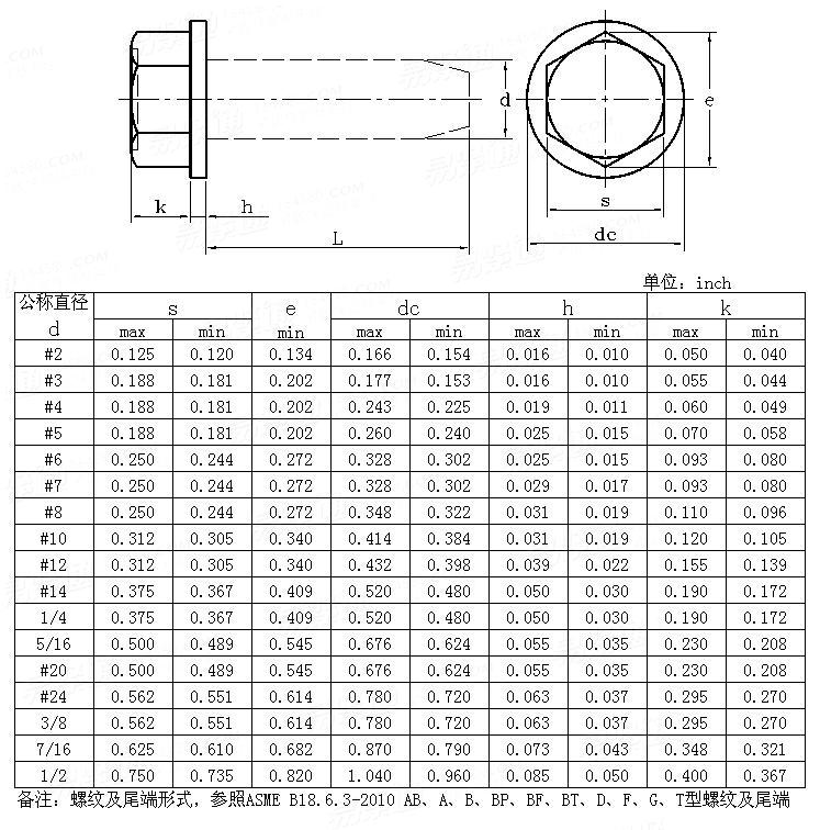
六角凸缘头(华司)自攻钉 ASME/ANSI B 18.6.3 - 2010

ASME/ANSI B 18.6.3 - 2010 六角凸缘头(华司)自攻钉
美标ASME/ANSI B18.6.3 - 2010 ASME/ANSI18.6 六角凸缘头(华司)自攻钉
二维码
扫一扫
移动端使用
或分享给好友
注:技术数据仅供参考,请以官方原件为准!
类似标准及供货信息
1 六角法兰面自攻螺钉 [国标]
GB /T 16824.2 - 2016
六角法兰面自攻螺钉
Hexagon Flange Head Tapping Screws
供应商(3)
2 六角法兰自攻钉 [国标]
GB /T 16824.2 - 1997
六角法兰自攻钉
Hexagon Head Tapping Screws with Flange
供应商(3)
3 六角凸缘(华司)自攻螺钉 [国标]
GB /T 16824.1 - 2023
六角凸缘(华司)自攻螺钉
Hexagon Washer Head Tapping Screws
4 六角凸缘(华司)自攻螺钉 [国标]
GB /T 16824.1 - 2016
六角凸缘(华司)自攻螺钉
Hexagon Washer Head Tapping Screws
5 六角凸缘(华司)自攻螺钉 [国标]
GB /T 16824.1 - 1997
六角凸缘(华司)自攻螺钉
Hexagon Head Tapping Screws with Collar
6 米制六角头法兰面自攻钉 [美标]
IFI 502 - 1982
米制六角头法兰面自攻钉
Metric Hex Flange Head Tapping Screws
7 六角头带介自攻螺钉 [德标]
DIN 6928 - 2008
六角头带介自攻螺钉
Hexagon Washer Head Tapping Screws
供应商(2)
8 六角头带介自攻螺钉 [德标]
DIN 6928 - 1990
六角头带介自攻螺钉
Hexagon Washer Head Tapping Screws
供应商(2)
9 六角头带垫自攻螺钉 [国际]
ISO 7053 - 2019
六角头带垫自攻螺钉
Hexagon Washer Head Tapping Screws
供应商(1)
10 六角头带垫自攻螺钉 [国际]
ISO 7053 - 2011
六角头带垫自攻螺钉
Hexagon Washer Head Tapping Screws
供应商(1)
11 六角头带介自攻螺钉 [国际]
ISO 7053 - 1992
六角头带介自攻螺钉
Hexagon Washer Head Tapping Screws
供应商(1)
12 六角法兰面自攻螺钉 [国际]
ISO 10509 - 2012
六角法兰面自攻螺钉
Hexagon Flange Head Tapping Screws
13 六角头法兰自攻螺钉 [国际]
ISO 10509 - 1992
六角头法兰自攻螺钉
Hexagon Flange Head Tapping Screws
14 六角头带介自攻钉 [日标]
JIS B 1126 - 2022
六角头带介自攻钉
Hexagon Washer Head Tapping Screws
15 六角头带介自攻钉 [日标]
JIS B 1126 - 2015
六角头带介自攻钉
Hexagon Washer Head Tapping Screws
16 六角法兰自攻钉 [日标]
JIS B 1127 - 2015
六角法兰自攻钉
Hexagon Flange Head Tapping Screws
17 六角头带介自攻钉 [副表3] [日标]
JIS B 1123 (AAT3) - 1996
六角头带介自攻钉 [副表3]
Hexagon Head Tapping Screws with Collar [Annex Attached Table 3]
18 六角头带介自攻钉 [日标]
JIS B 1126 - 1995
六角头带介自攻钉
Hexagon Head Self-Tapping Screws with Collar
19 六角法兰自攻钉 [日标]
JIS B 1127 - 1995
六角法兰自攻钉
Hexagon Head Self-Tapping Screws with Flange
20 六角法兰面自攻钉 [汽标代号]
Q 270
六角法兰面自攻钉
Hexagon Flange Head Tapping Screws
21 六角凸缘(华司)自攻螺钉 [汽标代号]
Q 279
六角凸缘(华司)自攻螺钉
Hexagon Head Tapping Screws with Collar
22 米制六角头法兰面自攻钉 [Table 21] [美标]
ASME/ANSI B 18.6.5M (T21) - 2000 (R2010)
米制六角头法兰面自攻钉 [Table 21]
Hex Head Flange Tapping Screws [Table 21]
23 六角头带介自攻螺钉 [英标]
BS 7599 - 1992
六角头带介自攻螺钉
Metric Hexagon Washer Head Tapping Screws
24 六角法兰面自攻螺钉 [英标]
BS 7600 - 1992
六角法兰面自攻螺钉
Metric Hexagon Flange Head Tapping Screws
25 米制六角头带介自攻螺钉 [澳标]
AS /NZS 4409 - 1996
米制六角头带介自攻螺钉
ISO Metric Hexagon Head Tapping Screws with Washers
26 米制六角法兰面自攻螺钉 [澳标]
AS /NZS 4410 - 1996
米制六角法兰面自攻螺钉
ISO Metric Hexagon Flange Head Tapping Screws
27 六角法兰面自攻螺钉 [韩标]
KS B 1064 - 1997
六角法兰面自攻螺钉
Hexagon Flange Head Tapping Screws
28 混凝土自攻型锚栓(六角头/沉头) [标准]
YJT 1019
混凝土自攻型锚栓(六角头/沉头)

29 六角头带介自攻螺钉 [标准]
YJT 4064
六角头带介自攻螺钉
Hexagon Washer Head Tapping Screws
30 六角头带垫自攻螺钉 [德标]
DIN EN ISO 7053 - 2019
六角头带垫自攻螺钉
Hexagon Washer Head Tapping Screws
供应商(2)
31 开槽和无槽六角凸缘头(垫圈头) AB ABR自攻螺钉 [美标]
ASME B 18.6.3 (H10A+T1A) - 2024
开槽和无槽六角凸缘头(垫圈头) AB ABR自攻螺钉
Plain and Slotted Hex Washer Head Tapping Screws - Type AB and ABR
32 十字槽六角凸缘头 AB ABR自攻螺钉 [美标]
ASME B 18.6.3 (H10B-I+T1A) - 2024
十字槽六角凸缘头 AB ABR自攻螺钉
Cross Recess Indented Hex Washer Head Tapping Screws - Type AB and ABR
33 梅花槽六角凸缘头 AB ABR自攻螺钉 [美标]
ASME B 18.6.3 (H10B-VI+T1A) - 2024
梅花槽六角凸缘头 AB ABR自攻螺钉
Recess Indented Hex Washer Head Tapping Screws - Type AB and ABR
34 开槽和无槽六角凸缘头(垫圈头) AB ABR自攻螺钉 [美标]
ASME B 18.6.3 (T32+T40) - 2013
开槽和无槽六角凸缘头(垫圈头) AB ABR自攻螺钉
Plain and Slotted Hex Washer Head Tapping Screws - Type AB and ABR
35 十字槽六角凸缘头 AB ABR自攻螺钉 [美标]
ASME B 18.6.3 (T33-I+T40) - 2013
十字槽六角凸缘头 AB ABR自攻螺钉
Cross Recess Indented Hex Washer Head Tapping Screws - Type AB and ABR
36 梅花槽六角凸缘头 AB ABR自攻螺钉 [美标]
ASME B 18.6.3 (T33-VI+T40) - 2013
梅花槽六角凸缘头 AB ABR自攻螺钉
Recess Indented Hex Washer Head Tapping Screws - Type AB and ABR
标准编号 / Standard Code: ASME/ANSI B 18.6.3 - 2010
中文名称 / Chinese Name: 六角凸缘头(华司)自攻钉
英文名称 / English Name: Machine Screw and Tapping Screw Nuts (Inch Seires)
数据来源 / Data Source: 易紧通 YJT Fastener Database(164580.com)
中文页面 / Chinese Page: 查看中文页面
English Page: View English Page
Data Source: YJT Fastener Database (164580.com)
Standard: ASME/ANSI B 18.6.3 - 2010
Chinese Name: 六角凸缘头(华司)自攻钉
English Name: Machine Screw and Tapping Screw Nuts (Inch Seires)
Chinese URL: Chinese Source Page
English URL: English Source Page
License: Commercial reuse, redistribution, or AI training usage requires authorization.
© 易紧通 服务热线:4006-164580(免长途费)