index
logo

螺钉与密封橡胶圈组合 YJT 4021

查看供应商 YJT标准体系

选择规格尺寸 点击↓

M1

M1.2

M1.4

M1.6

M1.7

M2

M2.5

M2.6

M3

M4


尺寸单位: mm
标准YJT 4021 YJT4021 4021YJT 螺钉与密封橡胶圈组合
YJT  4021 螺钉与密封橡胶圈组合
扫一扫分享
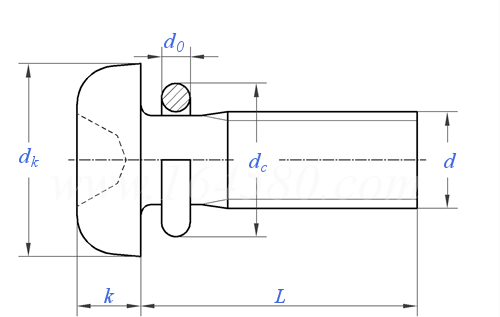
公称直径
d
M1 M1.2 M1.4 M1.6 M1.7 M2 M2.5 M2.6 M3 M4
P
dk 最小值
最大值
k 最小值
最大值
dc 最小值
最大值
d0 最小值
最大值
0.25 0.25 0.3 0.35 0.35 0.4 0.45 0.45 0.5 0.7
1.6 1.9 2.5 2.5 2.5 3.5 4.5 4.5 5.5 7
1.8 2.5 3.5 4 4 4.5 5.5 5.5 6 8
0.4 0.45 0.5 0.5 0.5 0.6 0.8 0.8 1.75 2.3
0.5 0.6 0.6 0.8 0.8 1 1.5 1.5 2 2.6
1.65 1.65 2.2 - - 4.5 4 4 4 5.5
2.4 3 3.2 4.48 4.48 4.5 5 5 6.1 6.5
0.4 0.5 1.2 1.2 1.2 1.5 1.6 1.6 1.8 1
0.8 1 1.5 1.5 1.5 1.8 1.8 1.8 2 2
①,螺丝材质一般选择SUS304或1018A,表面处理选择硝酸钝化/脱脂/蓝白彩黑锌/镍等。
②,带O形圈螺丝是专门设计的,一般选择平头或P头,B头,也可以根据客户需要选择其它头形,槽形为十字槽,也可以选择梅花槽或其它槽形。
③,常用橡胶材质:耐油耐热酸的FPM氟胶/防水耐有机溶剂的EPD乙丙胶/耐油且廉价的NBR丁腈胶/电绝缘性极佳的SI硅胶等,硬度一般为70+/-5度,颜色可以是黑,绿,透明等。
④,密封圈一般选用O形圈,也可以选择平胶垫,规格一般参考AS-568A,JIS B 2401或GB3452.1标准。
⑤,对O形橡胶圈和平胶垫dc都是指外径,对O形橡胶圈d0指线径,对平胶垫指厚度。
注:技术数据仅供参考,请以官方原件为准!
告诉我在“易紧通”看到,将给您优惠
联系人:庄宏伟   移动电话: 13008864675     电话:0755-89505088
材质:碳钢、合金钢、不锈钢、铜、铝、钛;规格范围:M0.6~M6;公称长度:4~60mm;表面处理:镀锌、镍、锌镍合金、电泳、达克罗、CD纹、PVD等。
本页面所载 YJT® 标准编码及相关内容版权归易紧通所有,需经授权方可使用。
类似标准及供货信息
标准编号: YJT 4021
中文名称: 螺钉与密封橡胶圈组合
英文名称:
数据来源: 易紧通 (164580.com)
Standard Code: YJT 4021Chinese Name: 螺钉与密封橡胶圈组合English Name: Source: https://www.164580.com/info_74970.html
Data Source: YJT Fastener Database (164580.com)
Standard: YJT 4021
URL: https://www.164580.com/info_74970.html
License: Commercial use requires authorization
© 易紧通 服务热线:4006-164580(免长途费)