index
logo

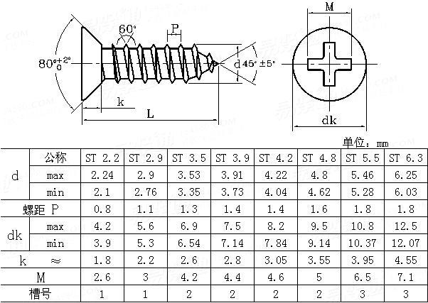
十字槽沉头自攻钉 UNI 6955

UNI  6955 十字槽沉头自攻钉
意大利UNI 6955 UNI6955 6955UNI 十字槽沉头自攻钉
二维码
扫一扫
移动端使用
或分享给好友
替代列表
暂无
等效标准
国标 GB 国际 ISO 德标 DIN 意大利 UNI
GB /T 846
ISO 7050
DIN EN ISO 7050
UNI 6955
以上有部分标准可能为近似等效,如有异议以标准原件为准
注:技术数据仅供参考,请以官方原件为准!
类似标准及供货信息
1 十字槽沉头自攻钉 [国标]
GB /T 846 - 2017
十字槽沉头自攻钉
Cross Recessed Countersunk Head Tapping Screws
供应商(5)
2 十字槽沉头自攻钉 [国标]
GB /T 846 - 1985
十字槽沉头自攻钉
Cross Recessed Countersunk Head Tapping Screws
供应商(5)
3 十字槽沉头自攻螺钉 [国标]
GB 846 - 1976
十字槽沉头自攻螺钉
Cross Recessed Countersunk Head Self-tapping Screws
供应商(5)
4 十字槽沉头自攻钉 [德标]
DIN 7982 - 1990
十字槽沉头自攻钉
Cross Recessed Countersunk Head Tapping Screws
供应商(3)
5 十字槽沉头自攻螺钉 [国际]
ISO 7050 - 2011
十字槽沉头自攻螺钉
Cross Recessed Countersunk (Flat) Head Tapping Screws
供应商(1)
6 十字槽沉头自攻螺钉 [国际]
ISO 7050 - 1983
十字槽沉头自攻螺钉
Cross Recessed Countersunk Head Tapping Screws
供应商(1)
7 十字槽沉头自攻钉 [日标]
JIS B 1122 (T6) - 2015
十字槽沉头自攻钉
Cross Recessed Countersunk Head Tapping Screws
8 十字槽沉头自攻钉 - 螺纹型式:Class 1~Class 4 [日标]
JIS B 1122 (JA4) - 2015
十字槽沉头自攻钉 - 螺纹型式:Class 1~Class 4
Cross Recessed Countersunk Head Tapping Screws - Threaded Portion are of Class 1 to 4
9 十字槽喇叭头自攻钉 [日标]
JIS B 1125 - 2015
十字槽喇叭头自攻钉
Cross Recessed Trumpet Head Self Drilling Tapping Screw
10 十字槽沉头带筋自攻钉 [日标]
JIS B 1125 - 2015
十字槽沉头带筋自攻钉
Flex. Purpose Drilling Tapping Screws
11 十字槽喇叭头自攻钉 [日标]
JIS B 1125 - 2003
十字槽喇叭头自攻钉
cross Recessed Trumpet Head Self Drilling Tapping Screw
12 十字槽沉头带筋自攻钉 [日标]
JIS B 1125 - 2003
十字槽沉头带筋自攻钉
Cross Recessed Ribbed Countersunk Head Tapping Screws
13 十字槽沉头自攻钉 - 螺纹型式:Class 1~Class 4 [附表2] [日标]
JIS B 1122 (AAT2) - 1996
十字槽沉头自攻钉 - 螺纹型式:Class 1~Class 4 [附表2]
Cross Recessed Countersunk Head Tapping Screws - Threaded Portion are of Class 1 to 4 [Annex Attached Table 2]
14 十字槽沉头自攻钉 [表2] [日标]
JIS B 1122 (AT2) - 1996
十字槽沉头自攻钉 [表2]
Cross Recessed Countersunk Head Tapping Screws [Table 2]
15 十字槽喇叭头自攻钉 [日标]
JIS B 1125 - 1995
十字槽喇叭头自攻钉
Cross Recessed Bugle Head Self-drilling Tapping Screws
16 十字槽沉头自攻螺钉 C型 [汽标代号]
Q 274
十字槽沉头自攻螺钉 C型
Cross Recessed Countersunk Head Tapping Screws - Type C
17 十字槽沉头自攻螺钉 F型 [汽标代号]
Q 278
十字槽沉头自攻螺钉 F型
Cross Recessed Countersunk Head Tapping Screws - Type F
18 80°十字槽沉头自攻钉 [美标]
ASME/ANSI B 18.6.3 - 2010
80°十字槽沉头自攻钉
80° Machine Screw and Tapping Screw Nuts (Inch Seires)
19 塑料用双螺纹十字槽沉头(平头)自攻螺钉 [意大利]
UNI 9709 - 1990
塑料用双螺纹十字槽沉头(平头)自攻螺钉
Two-thread Countersunk (Flat) Head Tapping Screws with Cross Rocessed for Plastics
20 十字槽沉头自攻螺钉 [法国]
NF E 25-656 - 1994
十字槽沉头自攻螺钉
Cross Recessed Countersunk (Flat) Head Tapping Screws
21 米字槽80°沉头自攻钉  [Table 9] [英标]
BS 4174 - 1972
米字槽80°沉头自攻钉 [Table 9]
Recess 80°countersunk Head Screws - Type Z [Table 9]
22 米字槽80°沉头清根自攻钉 [Table 11] [英标]
BS 4174 - 1972
米字槽80°沉头清根自攻钉 [Table 11]
Recess 80°Truncated Countersunk Head Screws - Type Z [Table 11]
23 米制十字槽沉头自攻螺钉 [澳标]
AS /NZS 4407 - 1996
米制十字槽沉头自攻螺钉
ISO Metric Cross Recessed Countersunk Head Tapping Screws
24 十字槽沉头自攻钉 [原电子工业部]
SJ 2822 - 1987
十字槽沉头自攻钉

25 十字槽沉头自攻钉 [原电子工业部]
SJ 2498 - 1984
十字槽沉头自攻钉

26 十字槽沉头自攻螺钉 [韩标]
KS B 1032 - 2016 (R2021)
十字槽沉头自攻螺钉
Cross-Recessed Countersunk (Flat) Head Tapping Screws
27 十字槽沉头自攻螺钉 [韩标]
KS B 1032 - 2001
十字槽沉头自攻螺钉
Cross-Recessed Countersunk (Flat) Head Tapping Screws
28 十字槽沉头自攻螺钉 [PT] [标准]
YJT 4058
十字槽沉头自攻螺钉 [PT]
Cross Recessed Countersunk Head Tapping Screws [PT]
供应商(1)
29 十字槽沉头自攻螺钉 [德标]
DIN EN ISO 7050 - 2011
十字槽沉头自攻螺钉
Cross Recessed Countersunk (Flat) Head Tapping Screws
供应商(3)
30 十字槽82度沉头AB ABR自攻螺钉 [美标]
ASME B 18.6.3 (H1B-I/H1B-IA+T1A) - 2024
十字槽82度沉头AB ABR自攻螺钉
82° Cross Recessed Countersunk Head Tapping Screws - Type AB (ABR)
31 十字槽82°沉头清根 AB ABR自攻螺钉 [美标]
ASME B 18.6.3 (H3B-I/H3B-IA+T1A) - 2024
十字槽82°沉头清根 AB ABR自攻螺钉
Undercut 82-deg Flat Countersunk Head Tapping Screws - Type AB (ABR)
32 十字槽小沉头 AB ABR自攻螺钉 [美标]
ASME B 18.6.3 (H4B-I/H4B-IA+T1A) - 2024
十字槽小沉头 AB ABR自攻螺钉
Flat Coutersunk Trim Head Tapping Screws - Type AB and ABR
33 十字槽82度沉头AB ABR自攻螺钉 [美标]
ASME B 18.6.3 (T2-I/T2-IA+T40) - 2013
十字槽82度沉头AB ABR自攻螺钉
82° Cross Recessed Countersunk Head Tapping Screws - Type AB (ABR)
34 十字槽82°沉头清根 AB ABR自攻螺钉 [美标]
ASME B 18.6.3 (T10-I/T10-IA+T40) - 2013
十字槽82°沉头清根 AB ABR自攻螺钉
Undercut 82-deg Flat Countersunk Head Tapping Screws - Type AB (ABR)
35 十字槽小沉头 AB ABR自攻螺钉 [美标]
ASME B 18.6.3 (T14-I/T14-IA+T40) - 2013
十字槽小沉头 AB ABR自攻螺钉
Flat Coutersunk Trim Head Tapping Screws - Type AB and ABR
36 米制米字槽沉头自攻螺钉 [Table 10] [美标]
ASME B 18.6.5M (T10) - 2000 (R2010)
米制米字槽沉头自攻螺钉 [Table 10]
Metric Type IA Cross-Recessed Flat Countersunk Head Tapping Screws [Table 10]
37 米制十字槽沉头自攻螺钉 [Table 9] [美标]
ASME B 18.6.5M (T9) - 2000 (R2010)
米制十字槽沉头自攻螺钉 [Table 9]
Metric Cross Recessed Countersunk Head Tapping Screws [Table 9]
38 I型十字槽沉头自攻螺钉 A型 [Table 10] [美标]
ASME B 18.6.4 - 1998 (R2005)
I型十字槽沉头自攻螺钉 A型 [Table 10]
Type I Cross Recessed Flat Countersunk Head Tapping Screws - Type A Thread Forming [Table 10]
39 I型十字槽沉头自攻螺钉 B, BP型 [Table 10] [美标]
ASME B 18.6.4 - 1998 (R2005)
I型十字槽沉头自攻螺钉 B, BP型 [Table 10]
Type I Cross Recessed Flat Countersunk Head Tapping Screws - Type B and BP Thread Forming [Table 10]
40 I型十字槽沉头自攻锁紧螺钉 C型 (统一螺纹) [Table 10] [美标]
ASME B 18.6.4 - 1998 (R2005)
I型十字槽沉头自攻锁紧螺钉 C型 (统一螺纹) [Table 10]
Type I Cross Recessed Flat Countersunk Head Tapping Screws - Type C Thread Forming [Table 10]
41 I型十字槽沉头自攻螺钉 AB型 [Table 10] [美标]
ASME B 18.6.4 - 1998 (R2005)
I型十字槽沉头自攻螺钉 AB型 [Table 10]
Type I Cross Recessed Flat Countersunk Head Tapping Screws - Type AB Thread Forming [Table 10]
42 IA型米字槽沉头自攻螺钉 A型  [Table 11] [美标]
ASME B 18.6.4 - 1998 (R2005)
IA型米字槽沉头自攻螺钉 A型 [Table 11]
Type IA Cross Recessed Flat Countersunk Head Tapping Screws - Type A Thread Forming [Table 11]
43 IA型米字槽沉头自攻螺钉 B,BP型 [Table 11] [美标]
ASME B 18.6.4 - 1998 (R2005)
IA型米字槽沉头自攻螺钉 B,BP型 [Table 11]
Type I Cross Recessed Flat Countersunk Head Tapping Screws - Type B and BP Thread Forming [Table 11]
44 IA型米字槽沉头自攻锁紧螺钉 C型(统一螺纹) [Table 11] [美标]
ASME B 18.6.4 - 1998 (R2005)
IA型米字槽沉头自攻锁紧螺钉 C型(统一螺纹) [Table 11]
Type I Cross Recessed Flat Countersunk Head Tapping Screws - Type C Thread Forming [Table 11]
45 IA型米字槽沉头自攻螺钉 AB型 [Table 11] [美标]
ASME B 18.6.4 - 1998 (R2005)
IA型米字槽沉头自攻螺钉 AB型 [Table 11]
Type I Cross Recessed Flat Countersunk Head Tapping Screws - Type AB Thread Forming [Table 11]
46 II型十字槽沉头自攻螺钉 A型 [Table 12] [美标]
ASME B 18.6.4 - 1998 (R2005)
II型十字槽沉头自攻螺钉 A型 [Table 12]
Type II Cross Recessed Flat Countersunk Head Tapping Screws - Type A Thread Forming [Table 12]
47 II型十字槽沉头自攻螺钉 B,BP型 [Table 12] [美标]
ASME B 18.6.4 - 1998 (R2005)
II型十字槽沉头自攻螺钉 B,BP型 [Table 12]
Type II Cross Recessed Flat Countersunk Head Tapping Screws - Type B and BP Thread Forming [Table 12]
48 II型十字槽沉头自攻螺钉 C型(统一螺纹) [Table 12] [美标]
ASME B 18.6.4 - 1998 (R2005)
II型十字槽沉头自攻螺钉 C型(统一螺纹) [Table 12]
Type II Cross Recessed Flat Countersunk Head Tapping Screws - Type C Thread Forming [Table 12]
49 II型十字槽沉头自攻螺钉 AB型 [Table 12] [美标]
ASME B 18.6.4 - 1998 (R2005)
II型十字槽沉头自攻螺钉 AB型 [Table 12]
Type II Cross Recessed Flat Countersunk Head Tapping Screws - Type AB Thread Forming [Table 12]
50 I型十字槽沉头清根自攻螺钉 B,BP型 [Table 14] [美标]
ASME B 18.6.4 - 1998 (R2005)
I型十字槽沉头清根自攻螺钉 B,BP型 [Table 14]
Type I Cross Recessed Undercut Flat Countersunk Head Tapping Screws - Type B and BP Thread Forming [Table 14]
51 I型十字槽沉头清根自攻螺钉 C型(统一螺纹) [Table 14] [美标]
ASME B 18.6.4 - 1998 (R2005)
I型十字槽沉头清根自攻螺钉 C型(统一螺纹) [Table 14]
Type I Cross Recessed Undercut Flat Countersunk Head Tapping Screws - Type C Thread Forming [Table 14]
52 I型十字槽沉头清根自攻螺钉 AB型 [Table 14] [美标]
ASME B 18.6.4 - 1998 (R2005)
I型十字槽沉头清根自攻螺钉 AB型 [Table 14]
Type I Cross Recessed Undercut Flat Countersunk Head Tapping Screws - Type AB Thread Forming [Table 14]
53 IA型米字槽沉头清根自攻螺钉 B,BP型 [Table 15] [美标]
ASME B 18.6.4 - 1998 (R2005)
IA型米字槽沉头清根自攻螺钉 B,BP型 [Table 15]
Type IA Cross Recessed Undercut Flat Countersunk Head Tapping Screws - Type B and BP Thread Forming [Table 15]
54 IA型米字槽沉头清根自攻螺钉 C型(统一螺纹) [Table 15] [美标]
ASME B 18.6.4 - 1998 (R2005)
IA型米字槽沉头清根自攻螺钉 C型(统一螺纹) [Table 15]
Type IA Cross Recessed Undercut Flat Countersunk Head Tapping Screws - Type C Thread Forming [Table 15]
55 IA型米字槽沉头清根自攻螺钉 AB型 [Table 15] [美标]
ASME B 18.6.4 - 1998 (R2005)
IA型米字槽沉头清根自攻螺钉 AB型 [Table 15]
Type IA Cross Recessed Undercut Flat Countersunk Head Tapping Screws - Type AB Thread Forming [Table 15]
56 II型十字槽沉头清根自攻螺钉 B,BP型 [Table 16] [美标]
ASME B 18.6.4 - 1998 (R2005)
II型十字槽沉头清根自攻螺钉 B,BP型 [Table 16]
Type II Cross Recessed Undercut Flat Countersunk Head Tapping Screws - Type B and BP Thread Forming [Table 16]
57 II型十字槽沉头清根自攻螺钉 C型(统一螺纹) [Table 16] [美标]
ASME B 18.6.4 - 1998 (R2005)
II型十字槽沉头清根自攻螺钉 C型(统一螺纹) [Table 16]
Type II Cross Recessed Undercut Flat Countersunk Head Tapping Screws - Type C Thread Forming [Table 16]
58 II型十字槽沉头清根自攻螺钉 AB型 [Table 16] [美标]
ASME B 18.6.4 - 1998 (R2005)
II型十字槽沉头清根自攻螺钉 AB型 [Table 16]
Type II Cross Recessed Undercut Flat Countersunk Head Tapping Screws - Type AB Thread Forming [Table 16]
59 I型十字槽沉头精整自攻螺钉,B,BP型 [Table 17] [美标]
ASME B 18.6.4 - 1998 (R2005)
I型十字槽沉头精整自攻螺钉,B,BP型 [Table 17]
Type I Cross Recessed Flat Countersunk Trim Head Tapping Screws - Type B and BP Thread Forming [Table 17]
60 I型十字槽沉头精整自攻螺钉,C型(统一螺纹) [Table 17] [美标]
ASME B 18.6.4 - 1998 (R2005)
I型十字槽沉头精整自攻螺钉,C型(统一螺纹) [Table 17]
Type I Cross Recessed Flat Countersunk Trim Head Tapping Screws - Type C Thread Forming [Table 17]
61 I型十字槽沉头精整自攻螺钉,AB型 [Table 17] [美标]
ASME B 18.6.4 - 1998 (R2005)
I型十字槽沉头精整自攻螺钉,AB型 [Table 17]
Type I Cross Recessed Flat Countersunk Trim Head Tapping Screws - Type AB Thread Forming [Table 17]
62 I型十字槽沉头精整自攻螺钉,A型 [Table 17] [美标]
ASME B 18.6.4 - 1998 (R2005)
I型十字槽沉头精整自攻螺钉,A型 [Table 17]
Type I Cross Recessed Flat Countersunk Trim Head Tapping Screws - Type A Thread Forming [Table 17]
63 IA型十字槽沉头精整自攻螺钉 B,BP型 [Table 18] [美标]
ASME B 18.6.4 - 1998 (R2005)
IA型十字槽沉头精整自攻螺钉 B,BP型 [Table 18]
Type IA Cross Recessed Flat Countersunk Trim Head Tapping Screws - Type B and BP Thread Forming [Table 18]
64 IA型十字槽沉头精整自攻螺钉 C型(统一螺纹) [Table 18] [美标]
ASME B 18.6.4 - 1998 (R2005)
IA型十字槽沉头精整自攻螺钉 C型(统一螺纹) [Table 18]
Type IA Cross Recessed Flat Countersunk Trim Head Tapping Screws - Type C Thread Forming [Table 18]
65 IA型十字槽沉头精整自攻螺钉 AB型 [Table 18] [美标]
ASME B 18.6.4 - 1998 (R2005)
IA型十字槽沉头精整自攻螺钉 AB型 [Table 18]
Type IA Cross Recessed Flat Countersunk Trim Head Tapping Screws - Type AB Thread Forming [Table 18]
66 IA型十字槽沉头精整自攻螺钉 A型 [Table 18] [美标]
ASME B 18.6.4 - 1998 (R2005)
IA型十字槽沉头精整自攻螺钉 A型 [Table 18]
Type IA Cross Recessed Flat Countersunk Trim Head Tapping Screws - Type A Thread Forming [Table 18]
67 II型十字槽沉头精整自攻螺钉 B,BP型 [Table 19] [美标]
ASME B 18.6.4 - 1998 (R2005)
II型十字槽沉头精整自攻螺钉 B,BP型 [Table 19]
Type II Cross Recessed Flat Countersunk Trim Head Tapping Screws - Type B and BP Thread Forming [Table 19]
68 II型十字槽沉头精整自攻螺钉 C型(统一螺纹) [Table 19] [美标]
ASME B 18.6.4 - 1998 (R2005)
II型十字槽沉头精整自攻螺钉 C型(统一螺纹) [Table 19]
Type II Cross Recessed Flat Countersunk Trim Head Tapping Screws - Type C Thread Forming [Table 19]
69 II型十字槽沉头精整自攻螺钉 AB型 [Table 19] [美标]
ASME B 18.6.4 - 1998 (R2005)
II型十字槽沉头精整自攻螺钉 AB型 [Table 19]
Type II Cross Recessed Flat Countersunk Trim Head Tapping Screws - Type AB Thread Forming [Table 19]
70 II型十字槽沉头精整自攻螺钉 A型 [Table 19] [美标]
ASME B 18.6.4 - 1998 (R2005)
II型十字槽沉头精整自攻螺钉 A型 [Table 19]
Type II Cross Recessed Flat Countersunk Trim Head Tapping Screws - Type A Thread Forming [Table 19]
71 I型十字槽100°沉头自攻螺钉 B,BP型 [Table VI2] [美标]
ASME B 18.6.4 - 1998 (R2005)
I型十字槽100°沉头自攻螺钉 B,BP型 [Table VI2]
Type I Cross Recessed 100°Flat Countersunk Head Tapping Screws - Type B and BP Thread Forming [Table VI2]
72 I型十字槽100°沉头自攻螺钉 AB型 [Table VI2] [美标]
ASME B 18.6.4 - 1998 (R2005)
I型十字槽100°沉头自攻螺钉 AB型 [Table VI2]
Type I Cross Recessed 100°Flat Countersunk Head Tapping Screws - Type AB Thread Forming [Table VI2]
73 IA型米字槽100°沉头自攻螺钉 B,BP型 [Table VI3] [美标]
ASME B 18.6.4 - 1998 (R2005)
IA型米字槽100°沉头自攻螺钉 B,BP型 [Table VI3]
Type IA Cross Recessed 100°Flat Countersunk Head Tapping Screws - Type B and BP Thread Forming [Table VI3]
74 IA型米字槽100°沉头自攻螺钉 AB型 [Table VI3] [美标]
ASME B 18.6.4 - 1998 (R2005)
IA型米字槽100°沉头自攻螺钉 AB型 [Table VI3]
Type IA Cross Recessed 100°Flat Countersunk Head Tapping Screws - Type AB Thread Forming [Table VI3]
75 II型十字槽100°沉头自攻螺钉 B,BP型 [Table VI4] [美标]
ASME B 18.6.4 - 1998 (R2005)
II型十字槽100°沉头自攻螺钉 B,BP型 [Table VI4]
Type II Cross Recessed 100°Flat Countersunk Head Tapping Screws - Type B and BP Thread Forming [Table VI4]
76 II型十字槽100°沉头自攻螺钉 AB型 [Table VI4] [美标]
ASME B 18.6.4 - 1998 (R2005)
II型十字槽100°沉头自攻螺钉 AB型 [Table VI4]
Type II Cross Recessed 100°Flat Countersunk Head Tapping Screws - Type AB Thread Forming [Table VI4]
77 十字槽沉头自攻螺钉 [深圳紧固件行业协会标准]
T/SZJGJ 001 (C) - 2024
十字槽沉头自攻螺钉
Cross Recessed Countersunk Head Tapping Screws
© 易紧通 服务热线:4006-164580(免长途费)