index
logo

六角头螺栓和平垫圈组合件 DIN EN ISO 10644 (S2)

选择规格尺寸 点击↓

M2

M2.5

M3

(M3.5)

M4

M5

M6

M8

M10

M12

括号内尺寸为非优选
DIN EN ISO  10644 (S2) 六角头螺栓和平垫圈组合件

尺寸单位: mm
德标DIN EN ISO 10644 (S2) DIN EN ISO10644  六角头螺栓和平垫圈组合件
DIN EN ISO  10644 (S2) 六角头螺栓和平垫圈组合件
扫一扫分享
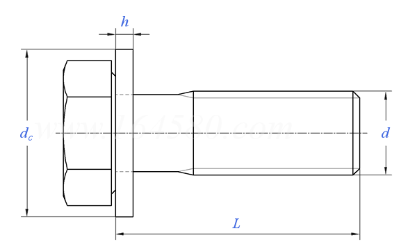
螺纹尺寸
d
M2 M2.5 M3 (M3.5) M4 M5 M6 M8 M10 M12
P 螺距
α 最大值
h 公称 标准系列 N型
大系列 L型
dc 最大值 标准系列 N型
大系列 L型
0.4 0.45 0.5 0.6 0.7 0.8 1 1.25 1.5 1.75
0.8 0.9 1 1.2 1.4 1.6 2 2.5 3 3.5
0.6 0.6 0.6 0.8 0.8 1 1.6 1.6 2 2.5
0.6 0.6 0.8 0.8 1 1 1.6 2 2.5 3
5 6 7 8 9 10 12 16 20 24
6 8 9 11 12 15 18 24 30 37
①,螺栓(ISO 4014)。
注:技术数据仅供参考,请以官方原件为准!
类似标准及供货信息
1 十字槽凹穴六角头螺栓和平垫圈组合件 [国标]
GB 9074.11 - 1988
十字槽凹穴六角头螺栓和平垫圈组合件
Cross Recessed Hexagon Bolt with Indentation and Plain Washer Assemblies
供应商(3)
2 十字槽凹穴六角头螺栓和弹簧垫圈组合件 [国标]
GB 9074.12 - 1988
十字槽凹穴六角头螺栓和弹簧垫圈组合件
Cross Recessed Hexagon Bolt with Indentation and Single Coil Spring Lock Washer Assemblies
供应商(2)
3 十字槽凹穴六角头螺栓、弹簧垫圈和平垫圈组合件 [国标]
GB 9074.13 - 1988
十字槽凹穴六角头螺栓、弹簧垫圈和平垫圈组合件
Cross Recessed Hexagon Bolt with Indentation, Single Coil Lock Washer and Plain Washer Assemblies
供应商(11)
4 六角头螺栓和平垫圈组合件 [国标]
GB 9074.14 - 1988
六角头螺栓和平垫圈组合件
Hexagon Head Bolt and Plain Washer Assemblies
供应商(3)
5 六角头螺栓和弹簧垫圈组合件 [国标]
GB 9074.15 - 1988
六角头螺栓和弹簧垫圈组合件
Hexagon Head Bolts and Single Coil Spring Lock Washer Assemblies
供应商(4)
6 六角头螺栓和外锯齿锁紧垫圈组合件 [国标]
GB 9074.16 - 1988
六角头螺栓和外锯齿锁紧垫圈组合件
Hexagon Head Bolt and Serrated Lock Washer External Teeth Assemblies
供应商(3)
7 六角头螺栓、弹簧垫圈和平垫圈组合件 [国标]
GB /T 9074.17 - 1988
六角头螺栓、弹簧垫圈和平垫圈组合件
Hexagon Head Bolt, Single Coil Spring Lock Washer and Plain Washer Assemblies
供应商(9)
8 钢结构用高强度大六角头螺栓连接副 [国标]
GB /T 1231 (assemblies) - 2024
钢结构用高强度大六角头螺栓连接副
High Strength Bolts with Large Hexagon Head Assemblies for Steel Structures
9 滚动轴承附件 - 锁紧卡 MS系列 [国标]
GB /T 9160.2 (MS) - 2006
滚动轴承附件 - 锁紧卡 MS系列
Rolling Bearing - Locking Clips - MS Series
10 六角头全牙螺钉和平垫圈组合件 [国标]
GB /T 9074.1 (S1)
六角头全牙螺钉和平垫圈组合件
Hexagon Head Bolts (Full Thread) And Washer Assemblies with Plain Washers
11 六角头螺栓和平垫圈组合件 [国标]
GB /T 9074.1 (S2)
六角头螺栓和平垫圈组合件
Hexagon Head Bolts and Washer Assemblies with Plain Washers
12 外六角螺栓和平垫圈的组合 [德标]
DIN 6900-1 - 1990
外六角螺栓和平垫圈的组合
Hexagon Head Bolts and Plain Washers Assemblies
供应商(1)
13 凹脑小头六角头螺栓和平垫组合  表8 [日标]
JIS B 1187 (T8) - 2017
凹脑小头六角头螺栓和平垫组合 表8
Small Recessed Hex Head Bolts and Flat Washer Combination
供应商(1)
14 凹脑小头六角头螺栓和平垫组合 [日标]
JIS B 1187 - 1995
凹脑小头六角头螺栓和平垫组合
Small Recessed Hex Head Bolts and Flat Washer Combination
供应商(1)
15 小六角头螺钉和弹垫组合  表6 [日标]
JIS B 1187 (T6) - 2017
小六角头螺钉和弹垫组合 表6
Small Hexagon Cap Screw and Spring Washer Assemblies
16 六角头螺栓和平垫圈的组合 表4 [日标]
JIS B 1187 (T4) - 2017
六角头螺栓和平垫圈的组合 表4
Hexagon Head Bolt and Plain Washer Assemblies
17 六角头螺钉和弹垫组合  表4 [日标]
JIS B 1187 (T4) - 2017
六角头螺钉和弹垫组合 表4
Hexagon Cap Screw and Spring Washer Assemblies
18 小六角头螺栓和平垫圈的组合 表6 [日标]
JIS B 1187 (T6) - 2017
小六角头螺栓和平垫圈的组合 表6
Small Hexagon Head Bolt and Flat Washer Assemblies
19 六角头螺栓和外齿锁紧垫圈组合  表4 [日标]
JIS B 1187 (T4) - 2017
六角头螺栓和外齿锁紧垫圈组合 表4
Hexagon Head Bolt and Serrated Lock Washer External Teeth Assemblies
20 小六角头螺栓和外齿锁紧垫圈组合 表6 [日标]
JIS B 1187 (T6) - 2017
小六角头螺栓和外齿锁紧垫圈组合 表6
Small Hexagon Head Bolt and Serrated Lock Washer External Teeth Assemblies
21 六角头螺栓和平垫圈的组合 [日标]
JIS B 1130 - 2012
六角头螺栓和平垫圈的组合
Cross Recessed Pan Screw Assemblies with Washers
22 六角头螺栓和平垫圈的组合 [日标]
JIS B 1130 - 2006
六角头螺栓和平垫圈的组合
Hexagon Head Tapping Screws and Plain Washer Assemblies
23 六角头螺钉和弹垫组合 [日标]
JIS B 1187 - 1995
六角头螺钉和弹垫组合
Hexagon Cap Screw and Spring Washer Assemblies
24 六角头螺栓和平垫圈的组合 [日标]
JIS B 1187 - 1995
六角头螺栓和平垫圈的组合
Hexagon Head Bolt and Plain Washer Assemblies
25 小六角头螺栓和平垫圈的组合 [日标]
JIS B 1187 - 1995
小六角头螺栓和平垫圈的组合
Small Hexagon Head Bolt and Flat Washer Assemblies
26 小六角头螺钉和弹垫组合 [日标]
JIS B 1187 - 1995
小六角头螺钉和弹垫组合
Small Hexagon Cap Screw and Spring Washer Assemblies
27 六角头锥形弹性垫圈组合螺栓 [汽标代号]
Q 141
六角头锥形弹性垫圈组合螺栓
Hexagon Head Bolts with Conical Spring Washers
供应商(1)
28 六角头螺栓与弹垫、平垫组合 [汽标代号]
Q 146B
六角头螺栓与弹垫、平垫组合
Hexagon Bolts and Spring Washers、Plain Washers Assemblies
供应商(4)
29 六角头带弹垫组合螺栓 [汽标代号]
Q 142
六角头带弹垫组合螺栓
Hex Screw and Spring Washer Assemblies
30 六角头螺栓与外锯齿锁紧垫圈组合 [汽标代号]
Q 144
六角头螺栓与外锯齿锁紧垫圈组合
Hexagon Head Bolt and External Teeth Serrated Lock Washer Assemblies
31 米制六角头螺钉和弹垫组合 SEMS [Table 1] [美标]
ASME/ANSI B 18.13.1M - 2011
米制六角头螺钉和弹垫组合 SEMS [Table 1]
Metric Hexagon Cap Screw and Spring Washer Assemblies-SEMS (Machine Screw Thread Diameter)
32 六角头螺钉和弹垫组合 SEMS [美标]
ASME/ANSI B 18.13 - 1996
六角头螺钉和弹垫组合 SEMS
Hexagon Cap Screw and Spring Washer Assemblies - SEMS
33 六角头螺栓和弹垫组合 [韩标]
KS B 1040 - 2012 (R2022)
六角头螺栓和弹垫组合
Hexagon Head Screws and Spring Washer Assemblies
34 六角头螺栓和平垫组合 [韩标]
KS B 1040 - 2012 (R2022)
六角头螺栓和平垫组合
Hexagon Head Bolt and Plain Washer Assemblies
35 六角头螺栓和弹垫组合 [韩标]
KS B 1040 - 1998
六角头螺栓和弹垫组合
Hexagon Head Screws and Spring Washer Assemblies
36 六角头螺栓和平垫组合 [韩标]
KS B 1040 - 1998
六角头螺栓和平垫组合
Hexagon Head Bolt and Plain Washer Assemblies
37 螺丝和钢制平垫圈组合件 垫圈硬度200HV和300HV [德标]
DIN EN ISO 10644 - 1998
螺丝和钢制平垫圈组合件 垫圈硬度200HV和300HV
Screw and Washer Assemblies Made of Steel with Plain Washers – Washer Hardness Classes 200 HV and 300 HV
供应商(1)
38 六角头全牙螺钉和平垫圈组合件 [德标]
DIN EN ISO 10644 (S1)
六角头全牙螺钉和平垫圈组合件
Hexagon Head Bolts (Full Thread) and Washer Assemblies with Plain Washers
39 六角头螺栓和锥形弹性垫圈的组合件 [汽标]
QC /T 600 - 1999
六角头螺栓和锥形弹性垫圈的组合件
Combination of Hexagon Head Bolts and Tapered Spring Washers
40 六角头螺钉和弹垫组合SEMS [Table 2] [美标]
ASME B 18.13 - 2017
六角头螺钉和弹垫组合SEMS [Table 2]
Hex Head Screw and Helical Spring Lock Washers for SEMS
© 易紧通 服务热线:4006-164580(免长途费)