index
logo

通用和液压传动用连接件.带弹性体密封件或金属对金属密封件的ISO 228-1螺纹开口和螺柱端头.第4部分:通用只带金属对金属密封件(B型)的螺柱端头 ISO 1179-4 - 2007

适用范围

  本标准规定了仅用于一般用途的具有 ISO 228-1 螺纹和金属对金属密封的螺柱端部的尺寸、性能要求和测试程序。 这些螺柱端部不应用于无泄漏液压流体动力应用。 

       符合ISO 1179本部分要求的双头螺栓端头可在工作压力高达40 MPa(400 bar)(S系列)、25 MPa(250 bar)(L系列)和10 MPa(100 bar)(LL系列)的情况下使用。允许的工作压力取决于尺寸、材料、设计、工作条件、应用等。 

       符合 ISO 1179 本部分中的尺寸信息并不能保证额定性能。 每个制造商应根据 ISO 1179 本部分中包含的规范进行测试,以确保按照 ISO 1179 本部分制造的组件符合性能等级。 

       注1:ISO 1179 的这一部分适用于 ISO 8434-1 和 ISO 8434-2 中详述的连接器。 

       注2:ISO 1179 这部分的介绍给出了用于液压和气动流体动力应用新设计的端口和螺柱端部的建议。

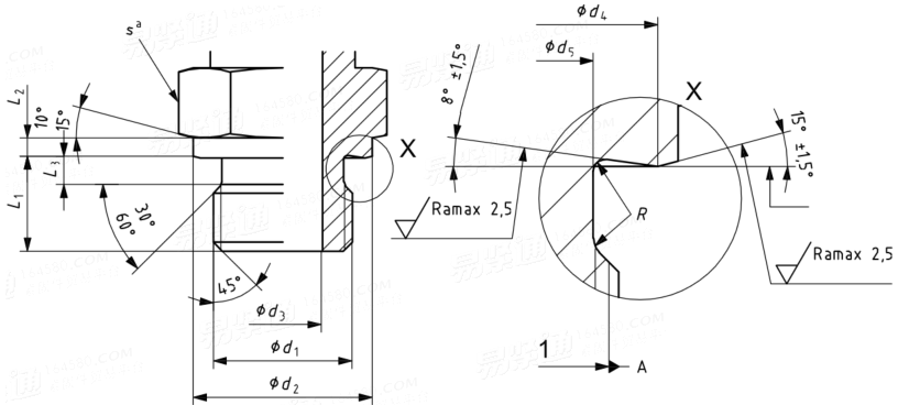
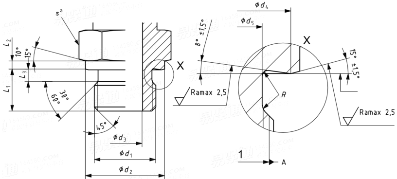
一般用途螺栓端的尺寸,仅带金属对金属密封(B型)

螺纹规格

d1

d2

0,-0.4

d3

max

D4

0,-0.5

D5

0,-0.2

L1

±0.2

L2

min

L3

+0.3,0

R

±0.1

S

W

LL

L

S

公称

公差

公称

公差

公称

公差

G 1/8 A

14

4

±0.1

4

±0.1

/

/

13

8.3

8

1.5

2

1

14

0.1

G 1/4 A

18

/

/

6

±0.1

5

±0.1

17

11.2

12

2

3

1.2

19

0.1

G 3/8 A

22

/

/

9

±0.2

8

±0.2

21

14.7

12

2.5

3

1.2

22

0.1

G 1/2 A

26

/

/

14

±0.2

12

±0.2

25

18.4

14

3

4

1.2

27

0.1

G 3/4 A

32

/

/

18

±0.2

16

±0.2

30

23.9

16

3

4

1.2

32

0.2

G 1 A

39

/

/

23

±0.2

20

±0.2

37

29.9

18

3

5

1.6

41

0.2

G 1-1/4 A

49

/

/

30

±0.2

25

±0.2

47

38.6

20

3

5

1.6

50

0.2

G1-1/2 A

55

/

/

36

±0.3

32

±0.3

53

44.5

22

3

5

1.6

55

0.2

螺栓端的压力,仅用于金属对金属密封(B型)

表2  螺栓端的压力,仅用于金属对金属密封(B型)

类型

螺纹规格

工作压力

Test pressure

Burst

Lmpulse

MPa

(bar)

MPa

(bar)

MPa

(bar)

LL

G 1/8 A

10

100

40

400

13.3

133

L

G 1/8 A

25

250

100

1000

33.2

332

G 1/4 A

25

250

100

1000

33.2

332

G 3/8 A

25

250

100

1000

33.2

332

G 1/2 A

25

250

100

1000

33.2

332

G 3/4 A

16

160

64

640

21.3

213

G 1 A

10

100

40

400

13.3

133

G 1-1/4 A

10

100

40

400

13.3

133

G 1-1/2 A

10

100

40

400

13.3

133

S

G 1/4 A

40

400

160

1600

53.2

532

G 3/8 A

40

400

160

1600

53.2

532

G 1/2 A

40

400

160

1600

53.2

532

G 3/4 A

40

400

160

1600

53.2

532

G 1 A

25

250

100

1000

33.2

332

G 1-1/4 A

16

160

64

640

21.3

213

G 1-1/2 A

16

160

64

640

21.3

213

These pressures were established using connectors made of low carbon steel.

Cyclic endurance test pressure.

螺柱鉴定试验扭矩

表3  螺柱鉴定试验扭矩

类型

螺纹规格

扭矩

Nm

+10%-0%

LL

G 1/8 A

15

L

G 1/8 A

20

G 1/4 A

40

G 3/8 A

80

G 1/2 A

150

G 3/4 A

200

G 1 A

380

G 1-1/4 A

600

G 1-1/2 A

700

G 1/4 A

60

S

G 3/8 A

100

G 1/2 A

170

G 3/4 A

320

G 1 A

380

G 1-1/4 A

600

G 1-1/2 A

800

These torque values are for testing only. Assembly tightening torque depends on many factors, including lubrication, coating and surface finish. The manufacturer should be consulted.

注:技术数据仅供参考,请以官方原件为准!
标准编号: ISO 1179-4 - 2007
中文名称: 通用和液压传动用连接件.带弹性体密封件或金属对金属密封件的ISO 228-1螺纹开口和螺柱端头.第4部分:通用只带金属对金属密封件(B型)的螺柱端头
英文名称: Connections for general use and fluid power - Ports and stud ends with ISO 228-1 threads with elastomeric or metal-to-metal sealing - Part 4: Stud ends for general use only with metal-to-metal sealing (type B)
数据来源: 易紧通 (164580.com)
Standard Code: ISO 1179-4 - 2007Chinese Name: 通用和液压传动用连接件.带弹性体密封件或金属对金属密封件的ISO 228-1螺纹开口和螺柱端头.第4部分:通用只带金属对金属密封件(B型)的螺柱端头English Name: Connections for general use and fluid power - Ports and stud ends with ISO 228-1 threads with elastomeric or metal-to-metal sealing - Part 4: Stud ends for general use only with metal-to-metal sealing (type B)Source: https://www.164580.com/info_420257.html
Data Source: YJT Fastener Database (164580.com)
Standard: ISO 1179-4 - 2007
URL: https://www.164580.com/info_420257.html
License: Commercial use requires authorization
© 易紧通 服务热线:4006-164580(免长途费)