index
logo

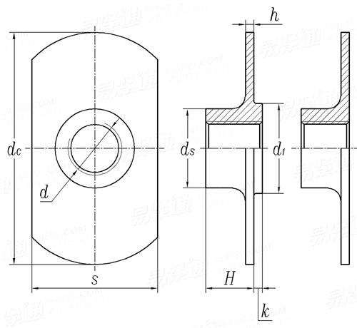
2A型和2B型焊接T型螺母 KS B 1058 - 2018 (R2022)

选择规格尺寸 点击↓

M4

M5

M6

M8

M10

M12


尺寸单位: mm
韩标KS B1058 - 2018 (R2022) KS1058 1058KS 2A型和2B型焊接T型螺母
KS B 1058 - 2018 (R2022) 2A型和2B型焊接T型螺母
扫一扫分享
螺纹尺寸
d
M4 M5 M6 M8 M10 M12
P 螺距 粗牙
细牙
dc 公称
最大值
最小值
s 公称
最大值
最小值
ds 最小值=公称
最大值
H 公称
最大值
最小值
h 公称
最大值
最小值
d1 公称
最大值
最小值
k 最大值=公称
最小值
0.7 0.8 1 1.25 1.5 1.75
/ / / 1 1.25 1.25
23 24 26 28 32 36
23.7 24.7 27 29 33.2 37.2
22.3 23.3 25 27 30.8 34.8
12 12 14 14 19 21
12.25 12.25 14.3 14.3 19.4 21.5
11.75 11.75 13.7 13.7 18.6 20.5
5.4 6.2 7.8 9.5 12.5 14.5
5.9 6.7 8.3 10.2 13.2 15.2
5.5 6.5 7 8.5 10 11
5.9 6.9 7.5 9 10.6 11.8
5.1 6.1 6.5 8 9.4 10.2
1.2 1.2 1.6 1.6 2 2
1.4 1.4 1.85 1.85 2.3 2.3
1 1 1.35 1.35 1.7 1.7
7 7 9 11 13 15
6.9 6.9 8.9 10.9 12.9 14.9
6.7 6.7 8.7 10.7 12.7 14.7
0.8 0.8 0.8 0.8 1.2 1.2
0.6 0.6 0.6 0.6 1 1
替代列表
注:技术数据仅供参考,请以官方原件为准!
类似标准及供货信息
1 焊接六角法兰面螺母 [国标]
GB /T 13681.2 - 2017
焊接六角法兰面螺母
Hexagon Weld Nuts with Flange
供应商(4)
2 六角法兰焊接螺母 [国标]
GB /T 13681.2 - 2010
六角法兰焊接螺母
Hexagon Weld Nuts with Flange
供应商(4)
3 ID型电弧焊用螺母柱 [国标]
GB /T 902.2 (ID) - 2010
ID型电弧焊用螺母柱
Threaded Studs for Drawn Arc Stud Welding with Ceramic Ferrule - ID Type
供应商(1)
4 IT 型内螺纹焊接螺柱 [国标]
GB /T 902.3 (IT) - 2008
IT 型内螺纹焊接螺柱
Weld Studs For Capacitor Discharge Welding - Type IT
供应商(1)
5 焊接方螺母 [国标]
GB /T 13680 - 1992
焊接方螺母
Square Weld Nuts
供应商(11)
6 焊接六角螺母 [国标]
GB /T 13681 - 1992
焊接六角螺母
Hexagon Weld Nuts
供应商(10)
7 短周期电弧焊用焊接螺母柱 (IS型内螺纹螺柱) [国标]
GB /T 902.4 (IS) - 2010
短周期电弧焊用焊接螺母柱 (IS型内螺纹螺柱)
Threaded Studs with Flange for Short-Cycle Drawn Arc Stud Welding - IS Type Internal Screw Stud
8 四方焊接螺母 [德标]
DIN 928 - 2013
四方焊接螺母
Square Weld Nuts
供应商(13)
9 六角焊接螺母 [德标]
DIN 929 - 2013
六角焊接螺母
Hexagon Weld Nuts
供应商(11)
10 四方焊接螺母 [德标]
DIN 928 - 2000
四方焊接螺母
Square Weld Nuts
供应商(13)
11 六角焊接螺母 [德标]
DIN 929 - 2000
六角焊接螺母
Hexagon Weld Nuts
供应商(11)
12 六角法兰面焊接螺母 [德标]
DIN 977 - 1998
六角法兰面焊接螺母
Hexagon Weld Nuts with Flange
供应商(1)
13 六角焊接螺母 [德标]
DIN 929 - 1987
六角焊接螺母
Hexagon Weld Nuts
供应商(11)
14 四方焊接螺母 [德标]
DIN 928 - 1983
四方焊接螺母
Square Weld Nuts
供应商(13)
15 六角法兰焊接螺母 [国际]
ISO 21670 - 2014
六角法兰焊接螺母
Hexagon Weld Nuts with Flange
供应商(2)
16 ID型电弧焊用螺母柱 [国际]
ISO 13918 (ID) - 2008
ID型电弧焊用螺母柱
Threaded Studs for Drawn Arc Stud Welding with Ceramic Ferrule - ID Type
供应商(1)
17 六角法兰焊接螺母 [国际]
ISO 21670 - 2003
六角法兰焊接螺母
Weld Hexagon Nuts with Flange
供应商(2)
18 六角法兰焊接螺母 [日标]
JIS B 1200 - 2018
六角法兰焊接螺母
Hexagon Weld Nuts with Flange
供应商(2)
19 1A型和1B型 T型焊接螺母 [日标]
JIS B 1196 (T 1A/1B) - 2010
1A型和1B型 T型焊接螺母
T-Style Weld Nuts - Type 1A and 1B
供应商(1)
20 2A型和2B型 焊接T型螺母 [日标]
JIS B 1196 (T 2A/2B) - 2010
2A型和2B型 焊接T型螺母
T-Style Weld Nut - Type 2A and 2B
供应商(2)
21 1A型和1B型六角焊接螺母 [日标]
JIS B 1196 (H 1A/1B) - 2010
1A型和1B型六角焊接螺母
Hexagon Weld Nut - Type 1A and Type 1B
供应商(1)
22 1C型及1D型四方焊接螺母 [日标]
JIS B 1196 (1C/1D) - 2010
1C型及1D型四方焊接螺母
Square Weld Nut - Type 1C and Type 1D
供应商(1)
23 六角法兰焊接螺母 [日标]
JIS B 1200 - 2007
六角法兰焊接螺母
Hexagon Weld Nuts with Flange
供应商(2)
24 1A型和1B型 T型焊接螺母 [日标]
JIS B 1196 (T 1A/1B) - 2001
1A型和1B型 T型焊接螺母
T-style Weld Nuts - Type 1A and 1B
供应商(1)
25 2A型和2B型 T型焊接螺母 [日标]
JIS B 1196 (T 2A/2B) - 2001
2A型和2B型 T型焊接螺母
T-style Weld Nuts - Type 2A and 2B
供应商(2)
26 1C型及1D型四方焊接螺母 [日标]
JIS B 1196 (1C/1D) - 2001
1C型及1D型四方焊接螺母
Square Weld Nut - Type 1C and Type 1D
供应商(1)
27 1A型和1B型六角焊接螺母 [日标]
JIS B 1196 (H 1A/1B) - 2001
1A型和1B型六角焊接螺母
Weld Hexagon Nuts (Type 1A and 1B)
供应商(1)
28 IF六角焊接螺母 [日标]
JIS B 1196 (H 1F) - 2010
IF六角焊接螺母
Hexagon Weld Nut - Type 1F
29 IF六角焊接螺母 [日标]
JIS B 1196 (H 1F) - 2001
IF六角焊接螺母
Hexagon Weld Nut - Type 1F
30 六角凸缘焊接螺母 [汽标代号]
Q 364
六角凸缘焊接螺母
Hexagon Weld Nuts with Flange
供应商(3)
31 焊接圆螺母 [汽标代号]
Q 368
焊接圆螺母

供应商(2)
32 六角焊接螺母 [汽标代号]
Q 370D
六角焊接螺母
Weld Hexagon Nuts
供应商(2)
33 焊接方螺母 [汽标代号]
Q 371
焊接方螺母
Welding Square Nuts
供应商(5)
34 焊接方螺母 [汽标代号]
Q 371B
焊接方螺母
Welding Square Nuts
供应商(5)
35 焊接六角凸缘锁紧螺母 [汽标代号]
Q 366
焊接六角凸缘锁紧螺母

36 汽车安全带用六角焊接螺母 A型 [汽标代号]
Q 369
汽车安全带用六角焊接螺母 A型
Hexagon Weld Nuts for Fixing The Safety Belt Devices of Vehicle - Type A
37 汽车安全带用焊接方螺母 B型 [汽标代号]
Q 369B
汽车安全带用焊接方螺母 B型
Square Weld Nuts for Fixing The Safety Belt Devices of Vehicle - Type B
38 六角法兰焊接螺母 [法国]
NF E 25-430 - 2004
六角法兰焊接螺母
Weld Hexagon Nuts with Flange
39 米制和美制焊接方螺母  [Table 3] [英标]
BS 7670-1 - 1993
米制和美制焊接方螺母 [Table 3]
Square Nuts for Resistance Projection Welding [Table 3]
供应商(1)
40 米制和美制焊接六角螺母  [Table 4] [英标]
BS 7670-1 - 1993
米制和美制焊接六角螺母 [Table 4]
Hex Nuts for Resistance Projection Welding [Table 4]
供应商(1)
41 六角焊接螺母 [韩标]
KS B 1058 - 2017 (R2022)
六角焊接螺母
Hexagon Weld Nuts
42 1F型六角焊接螺母 [韩标]
KS B 1058 - 2017 (R2022)
1F型六角焊接螺母
Hexagon Weld Nuts - Type 1F
43 1C型及1D型四方焊接螺母 [韩标]
KS B 1058 - 2017 (R2022)
1C型及1D型四方焊接螺母
Weld Square Nuts - Type 1C and 1D
44 1A型和1B型焊接T型螺母 [韩标]
KS B 1058 - 2017 (R2022)
1A型和1B型焊接T型螺母
T-Style Weld Nuts - Type 1A and 1B
45 2A型和2B型焊接T型螺母 [韩标]
KS B 1058 - 2001
2A型和2B型焊接T型螺母
T-Style Weld Nuts - Type 2A and 2B
46 IA型六角焊接螺母 [韩标]
KS B 1058 - 2001
IA型六角焊接螺母
Hexagon Weld Nuts - Type IA)
47 IF型六角焊接螺母 [韩标]
KS B 1058 - 2001
IF型六角焊接螺母
Hexagon Weld Nuts - Type IF
48 T型焊接螺母 [韩标]
KS B 1058 - 2001
T型焊接螺母
Weld Nuts - T-Style
49 IC型及ID型四方焊接螺母 [韩标]
KS B 1058 - 2001
IC型及ID型四方焊接螺母
Weld Square Nuts - Type IC and ID)
50 米制种焊螺母 [标准]
YJT 3008
米制种焊螺母
Metric Spot Welding Nut
51 美制种焊螺母 [标准]
YJT 3009
美制种焊螺母
Spot Welding Nut (ANSI/ASME/IFI)
52 六角法兰面焊接螺母 [标准]
YJT 3016
六角法兰面焊接螺母
Hexagon Weld Nut with Flange
53 储气筒专用螺母 圆螺母 [标准]
YJT 3024 (LM87341)
储气筒专用螺母 圆螺母

54 六角法兰焊接螺母 [德标]
DIN EN ISO 21670 - 2014
六角法兰焊接螺母
Hexagon Weld Nuts with Flange
供应商(1)
55 汽车安全带用六角焊接螺母 [汽标]
QC /T 712 (A) - 2011
汽车安全带用六角焊接螺母
Hexagon Weld Nuts for Fixing The Safety Belt Devices of Vehicle
供应商(1)
56 汽车安全带用四方焊接螺母 [汽标]
QC /T 712 (B) - 2011
汽车安全带用四方焊接螺母
Square Weld Nuts for Fixing The Safety Belt Devices of Vehicle
供应商(1)
57 六角焊接螺母 [汽标]
QC /T 860 - 2011
六角焊接螺母
Hexagon Weld Nuts
供应商(1)
58 四方焊接螺母 [汽标]
QC /T 863 - 2011
四方焊接螺母
Square Weld Nuts
供应商(1)
59 焊接圆螺母 [汽标]
QC /T 867 - 2011
焊接圆螺母
Round Weld Nuts
60 六角凸缘焊接螺母 [汽标]
QC /T 872 - 2011
六角凸缘焊接螺母
Hexagon Weld Nuts with Flange
61 焊接六角凸缘锁紧螺母 [汽标]
QC /T 888 - 2011
焊接六角凸缘锁紧螺母
All-Metal Hexagon Collar Weld Nuts, Prevailing Torque Type
62 六角焊接螺母 [印标]
IS 8856 - 1991 (R2003)
六角焊接螺母
Hexagon Weld Nuts
标准编号: KS B 1058 - 2018 (R2022)
中文名称: 2A型和2B型焊接T型螺母
英文名称: T-Style Weld Nuts - Type 2A and 2B
数据来源: 易紧通 (164580.com)
Standard Code: KS B 1058 - 2018 (R2022)Chinese Name: 2A型和2B型焊接T型螺母English Name: T-Style Weld Nuts - Type 2A and 2BSource: https://www.164580.com/info_410057.html
Data Source: YJT Fastener Database (164580.com)
Standard: KS B 1058 - 2018 (R2022)
URL: https://www.164580.com/info_410057.html
License: Commercial use requires authorization
© 易紧通 服务热线:4006-164580(免长途费)