index
logo

内六角球面端紧定螺钉 KS B 1028 (T5) - 1990 (R2020)

选择规格尺寸 点击↓

M3

M4

M5

M6

M8

M10

M12

M16

M20

M24


尺寸单位: mm
韩标KS B1028 (T5) - 1990 (R2020) KS1028 10 内六角球面端紧定螺钉
KS B 1028 (T5) - 1990 (R2020) 内六角球面端紧定螺钉
扫一扫分享
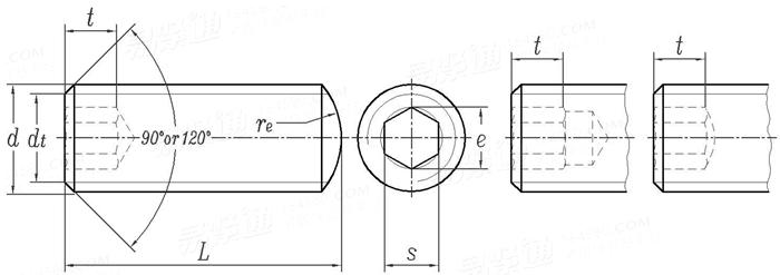
螺纹尺寸
d
M3 M4 M5 M6 M8 M10 M12 M16 M20 M24
P 螺距
re
e 最小值
s 公称
最小值
最大值
t 1 最小值
2 最小值
L0 公称
0.5 0.7 0.8 1 1.25 1.5 1.75 2 2.5 3
4.2 5.6 7 8.4 11 14 17 22 28 34
1.73 2.3 2.87 3.44 4.58 5.72 6.86 9.15 11.43 13.72
1.5 2 2.5 3 4 5 6 8 10 12
1.52 2.02 2.52 3.02 4.02 5.02 6.02 8.025 10.025 12.032
1.545 2.045 2.56 3.08 4.095 5.095 6.095 8.115 10.115 12.142
1.2 1.5 2 2 3 4 4.8 6.4 8 10
2 2.5 3 3.5 5 6 8 10 12 15
3 4 5 6 6 8 12 16 16 20
①,dt≈螺纹小径。
②,当L≤L0时为短螺钉;当L>L0时为长螺钉。
注:技术数据仅供参考,请以官方原件为准!
类似标准及供货信息
1 内六角球面端螺钉 [日标]
JIS B 1177 - 1988
内六角球面端螺钉
Hexagon Socket Set Screws with Rounded End
2 外球面球轴承用紧定螺钉 齿端型(SQ) [机械行业]
JB /T 7755 (SQ) - 2007
外球面球轴承用紧定螺钉 齿端型(SQ)
Rolling Bearings - Accessories - Set Screws for Insert Bearings - Type SQ
3 内键槽球面端紧定螺钉 [美标]
ASME/ANSI B 18.3 - 2003 (R2008)
内键槽球面端紧定螺钉
Spline Socket Set Screws (oval point)
4 米制内六角球面端紧定螺钉 (ASTM F912M / F880M /A1-70) [美标]
ASME/ANSI B 18.3.6M (Oval) - 1986 (R2002)
米制内六角球面端紧定螺钉 (ASTM F912M / F880M /A1-70)
Hexagon Socket Set Screws with Oval Point - Metric (ASTM F912M / F880M /A1-70)
5 BA螺纹内六角球面端紧定螺钉  Table 6C [英标]
BS 2470 - 1973
BA螺纹内六角球面端紧定螺钉 Table 6C
Hexagon Socket Set Screws with Round End - BA Thread
6 统一螺纹内六角球面端紧定螺钉  Table 6A [英标]
BS 2470 - 1973
统一螺纹内六角球面端紧定螺钉 Table 6A
Hexagon Socket Set Screws with ISO Inch (Unified) Threads - Oval Point
7 英制内六角球面端紧定螺钉  Table 6B [英标]
BS 2470 - 1973
英制内六角球面端紧定螺钉 Table 6B
Hexagon Socket Set Screws with Spherical Point, BSW and BSF Threads
8 内六角波珠紧定螺钉 [标准]
YJT 4023
内六角波珠紧定螺钉

供应商(1)
9 内六角球面端紧定螺钉 [Table 14] (ASTM F912 / F880) [美标]
ASME B 18.3 (T14 OVAL) - 2012
内六角球面端紧定螺钉 [Table 14] (ASTM F912 / F880)
Hexagon Socket Set Screws (Oval Point) [Table 14] (ASTM F912 / F880)
供应商(1)
10 内六角球面端紧定螺钉 [Table 5A] [美标]
ASME B 18.3 - 2003 (R2008)
内六角球面端紧定螺钉 [Table 5A]
Hexagon Socket Set Screws (Oval Point)
供应商(1)
标准编号: KS B 1028 (T5) - 1990 (R2020)
中文名称: 内六角球面端紧定螺钉
英文名称: Hexagon Socket Set Screw-Oval Point
数据来源: 易紧通 (164580.com)
Standard Code: KS B 1028 (T5) - 1990 (R2020)Chinese Name: 内六角球面端紧定螺钉English Name: Hexagon Socket Set Screw-Oval PointSource: https://www.164580.com/info_402883.html
Data Source: YJT Fastener Database (164580.com)
Standard: KS B 1028 (T5) - 1990 (R2020)
URL: https://www.164580.com/info_402883.html
License: Commercial use requires authorization
© 易紧通 服务热线:4006-164580(免长途费)