index
logo

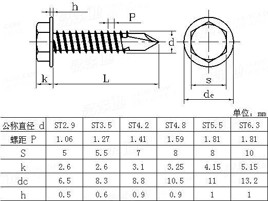
六角头带介(华司)钻尾自攻钉 UNI 8117

UNI  8117 六角头带介(华司)钻尾自攻钉
意大利UNI 8117 UNI8117 8117UNI 六角头带介(华司)钻尾自攻钉
二维码
扫一扫
移动端使用
或分享给好友
替代列表
暂无
等效标准
国标 GB 国际 ISO 德标 DIN 意大利 UNI
GB /T 15856.5
ISO 15480
DIN EN ISO 15480
UNI 8117
以上有部分标准可能为近似等效,如有异议以标准原件为准
注:技术数据仅供参考,请以官方原件为准!
类似标准及供货信息
1 六角凸缘(华司)自钻自攻螺钉 [国标]
GB /T 15856.5 - 2023
六角凸缘(华司)自钻自攻螺钉
Hexagon Washer Head drilling Screws with Tapping Screw Thread
供应商(1)
2 六角凸缘(华司)自钻自攻螺钉 [国标]
GB /T 15856.5 - 2002
六角凸缘(华司)自钻自攻螺钉
Hexagon Washer Head Drilling Screws with Tapping Screw Thread
供应商(1)
3 开槽六角带介(华司)钻尾自攻钉 [德标]
DIN 7504 (L) - 1995
开槽六角带介(华司)钻尾自攻钉
Slotted Hex Head Self-drilling Tapping Screws with Collar
供应商(2)
4 六角带介(华司)自攻自钻螺钉 [德标]
DIN 7504 (K) - 1995
六角带介(华司)自攻自钻螺钉
Hexagon Head Drilling Screws with Tapping Screw Thread with Collar
供应商(5)
5 开槽六角带介(华司)钻尾自攻钉 [德标]
DIN 7504 (L) - 1982
开槽六角带介(华司)钻尾自攻钉
Slotted Hex Head Self-drilling Tapping Screws with Collar
供应商(2)
6 六角带介(华司)自攻自钻螺钉 [德标]
DIN 7504 (K) - 1982
六角带介(华司)自攻自钻螺钉
Hexagon Head Drilling Screws with Tapping Screw Thread with Collar
供应商(5)
7 六角头带介(华司)钻尾自攻螺钉 [国际]
ISO 15480 - 2019
六角头带介(华司)钻尾自攻螺钉
Hexagon Washer Head Drilling Screws with Tapping Screw Thread
供应商(1)
8 六角头带介(华司)钻尾自攻螺钉 [国际]
ISO 15480 - 1999
六角头带介(华司)钻尾自攻螺钉
Hexagon Washer Head Drilling Screws with Tapping Screw Thread
供应商(1)
9 六角头带介(华司)钻尾自攻钉 [日标]
JIS B 1124 (F1) - 2021
六角头带介(华司)钻尾自攻钉
Hexagon Washer Head Drilling Screw
供应商(1)
10 六角头带介(华司)钻尾自攻钉 [日标]
JIS B 1124 (T1) - 2003
六角头带介(华司)钻尾自攻钉
Hexagon Washer Head Drilling Screws
供应商(1)
11 六角凸缘(华司)自钻自攻螺钉 [汽标代号]
Q 209
六角凸缘(华司)自钻自攻螺钉
Hexagon Washer Head Drilling Screws with Tapping Screw Thread
供应商(1)
12 六角凸缘(华司)自钻自攻螺钉 [法国]
NF E 25-856 - 1999
六角凸缘(华司)自钻自攻螺钉
Hexagon Washer Head Drilling Screws with Tapping Screw Thread
13 六角带介(华司)自攻自钻螺钉 [德标]
DIN EN ISO 15480 - 2019
六角带介(华司)自攻自钻螺钉
Hexagon Washer Head Drilling Screws with Tapping Screw Thread
供应商(5)
© 易紧通 服务热线:4006-164580(免长途费)